Menu Home

Бесплатная техническая библиотека для любителей и профессионалов Бесплатная техническая библиотека


Экспериментальный приемник коротковолновика-наблюдателя. Энциклопедия радиоэлектроники и электротехники

Бесплатная техническая библиотека

Энциклопедия радиоэлектроники и электротехники / Радиоприем

Комментарии к статье Комментарии к статье

Приемник представляет собой супергетеродин с двойным преобразованием частоты, предназначенный для приема сигналов с амплитудной (AM) и однополосной (SSB) модуляцией в диапазоне 20 м. Не изменяя намоточных данных катушек входного контура, УВЧ и первого гетеродина, с помощью подстроечных сердечников можно настроить приемник для работы в диапазонах от 15 до 25 м. В диапазоне 20 м любительские радиостанции хорошо принимались в городской квартире на первом этаже на телескопическую антенну длиной около 1 м. Прием был затруднен только в условиях очень плохого прохождения.

Схема приемника представляет собой супергетеродин с двойным преобразованием частоты Она состоит из УВЧ на транзисторе КТ368АМ, первого смесителя на микросхеме К174ПС1 с перестраиваемым по частоте гетеродином (рис.1), второго смесителя (рис.2) и АМ/SSB-детектора (рис.3).

Экспериментальный приемник коротковолновика-наблюдателя
Рис. 1

Экспериментальный приемник коротковолновика-наблюдателя
Рис. 2

Экспериментальный приемник коротковолновика-наблюдателя
Рис. 3

Рассмотрим работу приемника. ВЧ-сигнал из антенны (рис 1) поступает на входной контур, настроенный на среднюю частоту диапазона, и далее на резонансный УВЧ. Затем усиленный сигнал подается на первый смеситель и переносится на первую промежуточную частоту 6,465 МГц. На нее же настроен параллельный контур, состоящий из L5 и конденсатора емкостью 300 пФ. Частота первого гетеродина, входящего в состав микросхемы К174ПС1, в небольших пределах перестраивается варикапом КВ109 при помощи двух переменных резисторов ("Настройка грубо" и "Настройка точно"). С выхода первого смесителя сигнал поступает на трехконтурный полосовой фильтр (рис.2), а затем на второй смеситель (микросхему К174ПС1), на выходе которого выделяется вторая промежуточная частота (465 кГц). Частота второго гетеродина, входящего в состав К174ПС1, стабилизирована кварцевым резонатором на частоту 6 МГц.

Первую промежуточную частоту приемника можно выбрать в пределах от 6 до 10 МГц. Если в распоряжении радиолюбителя имеется соответствующий кварцевый резонатор, появляется возможность заменить трехконтурный полосовой фильтр на пьезокерамический (например, на телевизионный, на частоту 6,5 МГц).

Далее сигнал второй промежуточной частоты поступает на детектор, выполненный на микросхеме К157ХА2 (рис.3), которая предназначена для детектирования сигналов с амплитудной модуляцией. Для детектирования SSB-сигналов с помощью тумблера к выводу 10 микросхемы подключается дополнительный контур, состоящий из катушки L12 и конденсаторов 0,01 мкФ и 3300 пФ.

Переменным резистором сопротивлением 22 кОм, установленным на входе К157ХА2, регулируется амплитуда сигнала, поступающего с выхода второго смесителя. Следует иметь в виду, что SSB-детектор обеспечивает удовлетворительное качество НЧ-сигнала только при определенном уровне входного сигнала. Разумеется, это несколько усложняет настройку на любительские радиостанции.

Конструкция и детали

Питание приемника осуществляется от стабилизированного источника напряжением 9 В. Напряжение питания микросхемы К157ХА2 - 5 В, поэтому к выводу питания микросхемы подключен гасящий резистор сопротивлением 1,1 кОм. Следует отметить, что даже небольшие пульсации питающего напряжения могут приводить к искажениям принимаемого SSB-сигнала, поэтому в качестве источника питания желательно применять аккумулятор или батарейки.

Микросхемы желательно установить в панельках, что облегчит замену, если возникнут сомнения в их исправности. Кроме того, в процессе налаживания приемника по максимуму чувствительности желательно подобрать транзистор КТ368АМ и экземпляр микросхемы К157ХА2.

Все элементы детектора, за исключением конденсаторов и катушки дополнительного SSB-контура, необходимо оградить экраном для исключения наводок.

В авторском варианте монтаж проводился по методу, предложенному в [3]. Сторона квадратика - 3 мм, а все точки, имеющие связь с общим проводом, и экран соединены проволочными перемычками с фольгой на обратной стороне текстолитовой пластины, что исключает паразитные наводки. Ширина пластины немного больше длины панелек для микросхем, которые установлены поперек пластины.

Приемник смонтирован на двух пластинах длиной по 12 см каждая. На одной расположены УВЧ, первый смеситель и трехконтурный полосовой фильтр, на второй - второй смеситель и детектор. Последний экранирован по периметру полосками двустороннего стеклотекстолита.

Конденсаторы и катушка SSB-детектора (L12) расположены за экраном. Катушка L12 намотана на четырехсекционном малогабаритном каркасе с подстроечным сердечником из феррита, экрана не имеет и содержит 60 витков провода диаметром 0,15 мм. Важное значение имеет положение катушки. Она должна быть расположена вертикально, а расстояние до других элементов схемы и до стенок корпуса или экрана должно быть не менее 1,5 см. Если катушку поместить близко к корпусу или закрыть экраном, то качество детектирования ухудшается. Остальные катушки, используемые в приемнике, намотаны на каркасах диаметром 6...7 мм с подстроечными сердечниками из феррита и имеют следующие намоточные данные:

  • L2, L4, L5, L6, L7, L8, L9 - по 18 витков провода диаметром 0,3...0,4 мм (намотка - виток к витку),
  • L1, L3, L10 - по 6 витков провода диаметром 0,3...0,4 мм поверх соответствующих обмоток,
  • L11 - 80 витков провода диаметром 0,15 мм (внавал).

В авторском варианте катушки экранов не имеют. Если же их экранировать, то число витков следует увеличить примерно в 1,3...1,4 раза.

Остальные детали в приемнике применены малогабаритные. Переменные резисторы для грубой и точной настройки на частоту и регулировки усиления желательно использовать с линейной зависимостью изменения сопротивления от угла поворота.

При налаживании приемника для стабилизации частоты первого гетеродина придется подобрать ТКЕ конденсаторов, входящих в контура гетеродина. Примерный ТКЕ конденсаторов может быть следующим 200 пФ - М1500, 10 пФ - М750, 5 пФ - М75. Для более точной подгонки можно подпаивать параллельно катушке L6 конденсаторы небольшой емкости, имеющие разный ТКЕ.

Настройка

Настройка приемника проводилась без использования специальных приборов, и ее описание может пригодиться многим начинающим радиолюбителям. Необходимо лишь иметь авометр для контроля напряжения питания и потребляемого тока.

Для первоначальной проверки схемы и ее настройки "шахматную доску" следует взять побольше, со стороной "квадратиков" около 4...5 мм. Детали будут располагаться достаточно свободно, и их будет легко менять в случае необходимости. После окончательной настройки схемы все радиоэлементы можно смонтировать на платах меньшего размера.

Монтаж приемника рекомендуется начать со схемы детектора (рис. 3). Переменный резистор сопротивлением 22 кОм и катушку L12 на этом этапе можно не устанавливать. При подаче на микросхему напряжения питания, на выходе УНЧ, подключенного к детектору, должен появиться шум, который усилится, если через конденсатор коснуться вывода 1 металлическим предметом или подключить отрезок провода. Напряжение на выводе 11 должно составлять 5 В.

Далее собирается первый смеситель с перестраиваемым гетеродином и УВЧ (рис. 1). Напряжение питания на УВЧ можно не подавать. Вместо катушки L5 и конденсатора емкостью 300 пФ припаивается резистор сопротивлением 2 кОм (между выводами 2 и 3), а вывод 2 соединяется со входом детектора, т.е. подключается к пьезофильтру на 465 кГц (рис. 3). Затем к выводу 7 микросхемы К174ПС1 (рис. 1) через конденсатор емкостью 100 пФ подсоединяется антенна в виде отрезка провода длиной около 1,5 м, а конденсатор, подключенный к выводу 8, соединяется с общим проводом. Таким образом, на этом этапе получается приемник с одним преобразованием частоты и промежуточной частотой 465 кГц, который может принимать АМ-сигналы. На смеситель подается напряжение 9 В. На выходе УНЧ должен появиться шум эфира и, возможно, сигнал какой-нибудь радиостанции. Если при перемещении сердечника L6 удастся "поймать" сигналы АМ-радиостанций, можно утверждать, что первый смеситель и детектор работоспособны. В противном случае, возможно, неисправна микросхема К174ПС1, и ее следует заменить. Обычно при правильной сборке и исправных деталях схема начинает работать сразу.

На этом этапе можно подобрать экземпляр микросхемы К157ХА2 с наибольшей чувствительностью. Для этого следует настроиться на слабый сигнал, и из нескольких микросхем выбрать экземпляр, обеспечивающий наиболее эффективный и качественный прием.

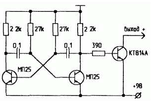
Затем изготавливается второй смеситель (рис. 2). Его работоспособность проверяют отдельно, подавая однополярное импульсное напряжение амплитудой 9 В и частотой примерно 1000 Гц, которое можно получить от мультивибратора (рис. 4.).

Экспериментальный приемник коротковолновика-наблюдателя
Рис. 4

В качестве антенны к выводу 13 микросхемы К174ПС1 (рис 2) припаивается отрезок провода длиной 5..6 см. Модулированный сигнал работающего кварцевого гетеродина на частоте 6 МГц легко обнаружить любым вещательным АМ-приемником, если антенну последнего поднести поближе к плате смесителя. Переключая диапазоны и вращая ручку настройки вещательного приемника, можно "поймать" сигнал работающего гетеродина (скорее всего, его гармонику), что укажет на работоспособность схемы Если отыскать сигнал гетеродина не удалось, вместо конденсатора емкостью 200 пФ, подключенного к выводам 10 и 12, следует установить КПЕ с максимальной емкостью до 300 пФ. Перестраивая КПЕ, пытаются отыскать сигнал гетеродина. После успешного завершения этой процедуры, КПЕ заменяется конденсатором постоянной емкости. Если сигнал гетеродина обнаружить не удалось, следует заменить кварцевый резонатор или микросхему. Обычно при исправных деталях и правильном монтаже смеситель работает сразу.

Далее второй смеситель соединяется с детектором. Подав на эти узлы напряжение питания и изменяя положение сердечника L11, добиваются появления на выходе УНЧ максимального шумового сигнала, который увеличивается при подключении через конденсатор отрезка провода длиной около 1 м к выводу 7 микросхемы К174ПС1 второго смесителя. Это говорит о том, что в данном случае приемник грубо настроен на частоту 6,465 МГц (или 5,535 МГц). На этом этапе можно подключить ко входу второго смесителя трехконтурный полосовой фильтр. Настройку фильтра проводят в следующем порядке. Сначала подключают правый (по схеме) контур (конденсатор емкостью 300 пФ и катушки L9 и L10) и, изменяя положение сердечников катушек, добиваются максимального шума на выходе УНЧ при подключенной к подстроечному конденсатору антенне. Потом через подстроечный конденсатор связи подключается второй контур (с катушкой L8), и его опять подстраивают по максимуму шума (антенна при этом подключена к следующему подстроечному конденсатору). Следует учитывать, что емкость конденсатора связи также влияет на настройку контуров. Затем подключают третий контур, и полосовой фильтр настраивается в комплексе.

Следующий этап - подключение ко входу полосового фильтра выхода первого смесителя (рис. 1). Вместо ранее установленного резистора сопротивлением 2 кОм подключается контур (L5 и конденсатор емкостью 300 пФ). УВЧ на этом этапе не подключается. Антенна подсоединяется к выводу 7 через конденсатор емкостью 100 пФ. Конденсатор, подключенный к выводу 8, соединяется с общим проводом.

При подаче напряжения питания на выходе УНЧ должен появиться шум эфира, который достигает максимума при подстройке L5. Перестраивая индуктивность катушки L6, можно настроиться на вещательную радиостанцию, работающую в диапазоне 19 или 25 м. Возможно, для лучшего приема придется увеличить длину антенны. Далее по сигналу какой-нибудь радиостанции подстраивают контура смесителей и полосового фильтра, добиваясь наилучшего качества приема. Сердечники катушек после завершения настройки фиксируются парафином.

Теперь пришла пора подключить регулятор усиления (переменный резистор сопротивлением 22 кОм, установленный на входе детектора) и контур SSB-детектора (рис. 3). При включении последнего в динамике должны появиться свисты, сопровождающие прием АМ-сигналов. Подключив антенну подлиннее, пытаются поймать радиолюбительские радиостанции, работающие однополосной модуляцией. Если это удалось (что зависит от прохождения и времени суток), то, подстраивая сердечник L12, добиваются наилучшей разборчивости речи.

Регулируя резистором сопротивлением 22 кОм уровень напряжение второй промежуточной частоты, настраивают детектор на наиболее эффективный режим работы.

Следует помнить, что поскольку ширина спектра излучения однополосных передатчиков меньше, чем амплитудно-модулированных, при приеме SSB-сигналов настройку необходимо проводить аккуратно, точно "подгоняя" частоту гетеродина потенциометром "Настройка точно".

В схеме включения К157ХА2 (вывод 4) имеется резистор, отмеченный звездочкой. Он служит для установки усиления по НЧ, и его сопротивление подбирается при настройке. Целесообразность применения конденсатора, обозначенного пунктиром, определяется, исходя из качества детектирования SSB-сигнала.

Завершающий этап - подключение УВЧ (рис. 1) и последующая настройка контуров, установленных на его входе и выходе, по максимуму чувствительности приемника. Сначала следует подключить антенну через конденсатор емкостью 56 пФ прямо к базе транзистора КТ368АМ, и настроить контур в коллекторе. Затем подключается и настраивается входной контур. Настройка последнего зависит от применяемой антенны.

Ток, потребляемый приемником без УНЧ - около 30 мА.

На основе описанной конструкции можно изготовить многодиапазонный приемник для приема радиостанций с амплитудной и однополосной модуляцией. Практически можно также прослушивать и ЧМ-сигналы на Си-Би-диапазоне (при включенном АМ-детекторе), хотя разборчивость при этом оставляет желать лучшего. Если же в состав приемника включить отдельный ЧМ-детектор на микросхеме К174ХА26, подключив его к выходу тракта первой ПЧ (6,465 МГц), станет возможен полноценный ЧМ-прием. Для этого, используя описанную технологию, отдельно для каждого диапазона изготавливаются первый смеситель с перестраиваемым гетеродином и УВЧ. Размеры таких модулей - примерно 2,5..3 на 7..8 см. Для переключения диапазонов в этом случае подойдет обыкновенный галетный переключатель с 4 секциями, которые будут соответственно переключать цепи антенны, напряжения питания, настройки и выхода первой ПЧ.

В заключение следует отметить, что иногда, при неудачном сочетании параметров катушки и конденсаторов первого гетеродина (рис. 1), возможно "вибрирование" частоты, что резко снижает качество SSB-детектирования. В случае появления такого эффекта, необходимо заменить конденсаторы или переделать катушку L6. В целом же, настройка приемника особых трудностей не вызывает, и, если монтаж выполнен без ошибок, а детали исправны, успех гарантирован.

Литература

  1. Горбатый В. И. Любительские УКВ-радиокомплексы, 1984
  2. Булычев А. Л., Галкин В. И., Прохоренко В. А. Аналоговые интегральные схемы. Справочник - Минск Беларусь, 1985
  3. В. Ходырев. "Шахматная доска" для макетирования - Радиомир, 2001, №11

Автор: В.Ходырев, г.Пермь

Смотрите другие статьи раздела Радиоприем.

Читайте и пишите полезные комментарии к этой статье.

<< Назад

<< Назад

Последние новости науки и техники, новинки электроники:

Питомцы как стимулятор разума 06.10.2025

Помимо эмоциональной поддержки, домашние питомцы могут оказывать заметное воздействие на когнитивные процессы, особенно у пожилых людей. Новое масштабное исследование показало, что общение с кошками и собаками не просто улучшает настроение - оно действительно способствует замедлению возрастного снижения умственных способностей. Работа проводилась в рамках проекта Survey of Health, Ageing and Retirement in Europe (SHARE), охватывающего период с 2004 по 2022 год. В исследовании приняли участие тысячи европейцев старше 50 лет. Анализ показал, что владельцы домашних животных демонстрируют более устойчивые когнитивные функции по сравнению с теми, кто не держит питомцев. Особенно выражен эффект оказался у владельцев кошек и собак. Согласно данным ученых, владельцы собак дольше сохраняют хорошую память, в то время как хозяева кошек медленнее теряют способность к быстрому речевому взаимодействию. Исследователи связывают это с тем, что ежедневное взаимодействие с животными требует внимани ...>>

Мини-ПК ExpertCenter PN54-S1 06.10.2025

Компания ASUSTeK Computer презентовала новый мини-компьютер ASUS ExpertCenter PN54-S1. Устройство ориентировано на пользователей, которым важно сочетание производительности, энергоэффективности и универсальности - от офисных задач до мультимедийных проектов. В основе ExpertCenter PN54-S1 лежит современная аппаратная платформа AMD Hawk Point, использующая архитектуру Zen 4. Это поколение чипов отличается улучшенным управлением энергопотреблением и повышенной вычислительной мощностью. Новинка доступна в конфигурациях с процессорами Ryzen 7260, Ryzen 5220 и Ryzen 5210, представленных AMD в начале 2025 года. Таким образом, устройство охватывает широкий диапазон задач - от базовых офисных до ресурсоемких вычислений. Корпус мини-ПК выполнен из прочного алюминия и имеет размеры 130&#215;130&#215;34 мм, что делает его практически незаметным на рабочем столе или за монитором. Несмотря на компактность, внутренняя компоновка позволяет установить два модуля оперативной памяти SO-DIMM ...>>

Глазные капли, возвращающие молодость зрению 05.10.2025

С возрастом человеческий глаз постепенно теряет способность четко видеть на близком расстоянии - развивается пресбиопия, или возрастная дальнозоркость. Этот естественный процесс связан с утратой эластичности хрусталика и ослаблением цилиарной мышцы, отвечающей за фокусировку. Миллионы людей по всему миру сталкиваются с необходимостью носить очки для чтения или прибегают к хирургическим методам коррекции. Однако исследователи из Центра передовых исследований пресбиопии в Буэнос-Айресе представили решение, которое может стать удобной и неинвазивной альтернативой - специальные глазные капли, способные улучшать зрение на длительный срок. Разработку возглавила Джованна Беноцци, директор Центра. По ее словам, цель исследования состояла в том, чтобы предоставить пациентам с пресбиопией эффективный и безопасный способ коррекции зрения без хирургического вмешательства. Новые капли, созданные на основе пилокарпина и диклофенака, показали убедительные результаты: уже через час после первого пр ...>>

Случайная новость из Архива

CC2591 - микросхема высокочастотного усилителя 29.10.2008

Компания Texas Instruments представила высокочастотный усилитель на 2,4 ГГц с высокой степенью интеграции для беспроводных приложений малой мощности. Усилитель CC2591 увеличивает дальность действия беспроводных систем за счет объединения усилителя мощности, повышающего выходную мощность до +22 дБм и малошумящего усилителя, повышающего чувствительность приемника до +6 дБм.

CC2591 представляет из себя высокопроизводительный и рентабельный по цене усилитель для всех 2,4 ГГц беспроводных систем, таких как ZigBee-ceTH, измерительные датчики, промышленная, бытовая и аудиоэлектроника. Устройство способно работать со всеми существующими и разрабатываемыми TI 2,4 ГГц радиочастотными трансиверами, передатчиками и системами на кристалле, что ускорит время разработки и повысит производительность.

"Усилитель CC2591 обеспечивает такое увеличение дальности действия и зоны покрытия, что компания Paxton Access впервые смогла предложить своим клиентам беспроводную альтернативу проводным системам доступа и контроля здания." - сказал Марк Томпсон, директор по развитию компании Paxton Access Ltd "СС2591, в сочетании с системой на кристалле CC2430, позволит нам развить новое поколение беспроводных систем доступа и контроля".

Микросхема CC2591 содержит усилитель мощности, малошумящий усилитель, трансформатор, ключи, индуктивности и сетевой радиочастотный интерфейс. Этот не имеющий себе равных уровень интеграции упрощает разработку высокопроизводительных устройств и позволяет клиентам создавать мощные беспроводные решения с малым количеством внешних компонентов.

Микросхема CC2591 выпускается в корпусе QFN-16 размерами 4x4 мм.

Другие интересные новости:

▪ Передовые аккумуляторы для электромобилей от QuantumScape

▪ Плутон излучает рентгеновское излучение

▪ Фуллерены можно обезвредить

▪ Наручная видеокамера

▪ Гендерные стереотипы распространяются даже на младенцев

Лента новостей науки и техники, новинок электроники

 

Интересные материалы Бесплатной технической библиотеки:

▪ раздел сайта Прошивки. Подборка статей

▪ статья Погибоша, аки обри. Крылатое выражение

▪ статья По каким правилам проводятся соревнования по смеси шахмат и бокса? Подробный ответ

▪ статья Работа с нефтепродуктами на заправочных станциях. Типовая инструкция по охране труда

▪ статья Двухкаскадный микрофонный усилитель. Энциклопедия радиоэлектроники и электротехники

▪ статья Поглощение и излучение теплоты. Физический эксперимент

Оставьте свой комментарий к этой статье:

Имя:


E-mail (не обязательно):


Комментарий:





Главная страница | Библиотека | Статьи | Карта сайта | Отзывы о сайте

www.diagram.com.ua

www.diagram.com.ua
2000-2025