Menu Home

Бесплатная техническая библиотека для любителей и профессионалов Бесплатная техническая библиотека


Регенератор на СВ и 160 м. Энциклопедия радиоэлектроники и электротехники

Бесплатная техническая библиотека

Энциклопедия радиоэлектроники и электротехники / Радиоприем

Комментарии к статье Комментарии к статье

Регенератор - это особый вид радиоприемника, причем самого простейшего. Его изобрел американский радиолюбитель, а позднее - знаменитый радиоспециалист Эдвин Армстронг WA2XMN, еще будучи студентом, в 1914 году. О нем можно прочитать в тематическом выпуске CQ-QRP # 21 (зима 2008). До середины 1930-х регенератор оставался самым распространенным типом радиоприемника, но сейчас основательно забыт. В те годы он содержал одну или две лампы, первая работала детектором, вторая - усилителем звуковой частоты.

Уникальные радиоприемные качества регенератора, высокая чувствительность и селективность, объясняются положительной обратной связью, которая компенсирует потери во входном контуре и антенной цепи, т. е. как бы регенерирует принятый сигнал, откуда и произошло название. Как показали недавние исследования, регенерация в антенной цепи особенно полезна, поскольку она не только усиливает сигнал, но и заставляет антенну извлекать больше мощности из приходящего поля (Секрет простых регенераторов 20-х годов, CQ-QRP # 11, апрель 2006).

Разумеется, у регенератора есть и недостатки. Его кривая селективности соответствует АЧХ одиночного резонансного контура, пусть и очень высокой добротности. Следовательно, селективность при значительных расстройках недостаточна, и не идет ни в какое сравнение с АЧХ многорезонаторных кварцевых или электромеханических фильтров. Мощные внеполосные сигналы могут детектироваться, или призакрывать на пиках лампу или транзистор регенератора, вызывая перекрестную модуляцию. Это плата за простоту.

Как плохой СВ приемник сделать хорошим. Теперь в нашем распоряжении появились дешевые полевые транзисторы, позволяющие собрать очень простой, и очень экономичный регенератор в виде приставки к любому имеющемуся у вас радиовещательному приемнику со средневолновым диапазоном и значительно улучшить его параметры, чувствительность и помехоустойчивость.

Сам приемник не потребует абсолютно никакой переделки, даже открывать корпус не нужно! Приставка имеет собственную магнитную антенну, которую располагают на расстоянии 10...20 см и параллельно магнитной антенне приемника. Связи между антеннами вполне достаточно. Слабый сигнал, принятый и усиленный приставкой, поступает в приемник, и, как обычно, усиливается, детектируется и воспроизводится в нем. Поскольку функции приставки сводятся только к компенсации потерь в магнитной антенне, и увеличению ее добротности (следовательно, и эффективности), приставку часто называют Q-умножителем.

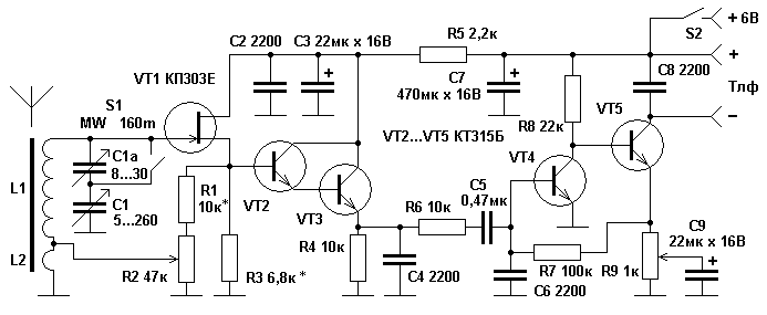
Схема приставки показана на рис. 1.

Регенератор на СВ и 160 м
Рис. 1

Катушка магнитной антенны L1 и конденсатор переменной емкости С1 образуют колебательный контур, перекрывающий, с некоторым запасом, все частоты СВ диапазона (525....1605 кГц). Сигнал нужной радиостанции, принятый антенной и выделенный этим контуром, поступает на затвор транзистора и модулирует ток, проходящий от батареи питания через канал транзистора (промежуток сток-исток). Этот ток проходит еще и через катушку обратной связи L2, восполняя потери в контуре. Для регулировки обратной связи служит переменный резистор R1, уменьшение его сопротивления увеличивает обратную связь, а с ней и чувствительность, вплоть до возникновения самовозбуждения - генерации собственных колебаний в контуре, что легко обнаружить по свисту, изменяющемуся при настройке - биениям собственных колебаний с несущими колебаниями принятого сигнала.

Для магнитной антенны желательно выбрать ферритовый стержень марки 400НН или 600НН большого размера. Из распространенных хорошо подойдет 400НН диаметром 10 и длиной 200 мм (от приемника Ленинград, к примеру). В середине стержня надо намотать бумажную трубочку, а на нее - катушку L1 из 60 витков провода ПЭЛШО диаметром 0,2...0,3 мм. Затем, не обрывая провод, сделать отвод, и намотать в ту же сторону еще 5 витков - катушку L2. После изготовления, для защиты от влаги, катушки желательно пропитать парафином. Вполне подойдет и готовая катушка магнитной антенны СВ диапазона от того же, или подобного приемника. На ней, как правило, есть и катушка связи, которая послужит как L2.

КПЕ также можно взять от любого старого транзисторного приемника, соединив две его секции параллельно, если емкость одной окажется недостаточной для настройки на самые нижние частоты СВ диапазона. Для регулятора обратной связи подойдет переменный резистор любого типа с номиналом от 33 до 68 кОм, желательно с выключателем питания S1. Емкость блокировочного керамического конденсатора С2 совершенно некритична и может быть от нескольких тысяч пикофарад до долей микрофарады.

Для питания годится любая батарея, например, два пальчиковых элемента (3 В), старый аккумулятор от сотового телефона (3,6 В) или плоская батарея от использованной кассеты фотоаппарата Поляроид (6 В). Эта батарея при малом потребляемом токе (а у приставки он значительно меньше 1 мА) работает годами. Приставку вместе с батареей собирают в любой подходящей пластмассовой коробочке, способ монтажа не важен.

А теперь делаем полный приемник. Пользование приставкой требует навыка и определенного искусства - кроме настройки самого приемника надо еще настроить регенератор на ту же частоту (по увеличению громкости приема) и отрегулировать обратную связь, добиваясь качества и чистоты приема. Полезно подобрать и взаимное расположение приставки и приемника. Здесь огромное поле для экспериментов!

Регенератор на СВ и 160 м
Рис. 2 (нажмите для увеличения)

Ввести диапазон 160 м оказалось очень просто: надо, не изменяя катушки магнитной антенны, последовательно с основным КПЕ С1 включить растягивающий С1а, значительно меньшей емкости. Если с основным КПЕ приемник перекрывал СВ диапазон 540...1600 кГц, то при уменьшении контурной емкости диапазон перестройки перемещается выше, на 1800...2000 кГц. Настройку по-прежнему ведем основным КПЕ С1, но она становится значительно плавнее из-за меньшего перекрытия по частоте. Для приема телеграфных (CW) и однополосных (SSB) любительских станций обратную связь надо установить немного выше порога генерации.

Сигнал на детектор снят с истока транзистора Q-умножителя VT1, и подан на базу составного транзистора VT2, VT3. Это так называемый эмиттерный детектор, нагрузка которого R4 и фильтрующий высокую частоту конденсатор С4 включены в цепь эмиттера транзистора, работающего при очень малом токе (на нижнем сгибе характеристики). Эмиттерная нагрузка обеспечивает глубокую отрицательную обратную связь (ООС) по постоянному току и звуковым частотам, благодаря чему и получается качественное детектирование слабых сигналов. Составной транзистор применен затем, чтобы меньше нагружать Q-умножитель и не нарушать его работу. С той же целью добавлен резистор R3, его подбирают, добиваясь плавного подхода к порогу генерации. Никакого иного усиления по РЧ, кроме регенеративного, в приемнике нет! Любители, находящиеся в неблагоприятном для приема месте, при желании могут добавить перед детектором каскад УРЧ.

После дополнительной фильтрации цепью R6C5C6 сигнал звуковой частоты поступает на двухкаскадный УЗЧ. Он собран на транзисторах VT4, VT5 по схеме с непосредственной связью между каскадами. Его усиление довольно велико и может достигать нескольких тысяч. Режим транзисторов стабилизирован цепью ООС через резистор R7, создающий смещение на базе VT4. При приеме мощных станций может возникнуть необходимость уменьшить усиление (громкость). Это достигается перемещением движка резистора R9 вниз, ближе к выводу, соединенному с общим проводом. При этом увеличивается ООС и на звуковых частотах, снижающая усиление, но улучшающая качество воспроизведения.

Нагрузкой УЗЧ служат высокоомные телефоны (наушники). Сопротивление телефонов указано на их корпусе, годится от 1600 до 2200 Ом. Общее сопротивление двух телефонов будет, соответственно, 3,2...4,4 кОм. Желательно соблюдать полярность, указанную на вилке, тогда постоянный коллекторный ток транзистора VT5 усилит действие постоянных магнитов телефонов. Если же полярность не указана, подберите ее экспериментально, переставляя вилку и ориентируясь на громкость и качество звука.

Сейчас более распространены низкоомные телефоны (от плееров и т. д.). Их тоже можно подключить, но через понижающий трансформатор с отношением числа витков обмоток от 10:1 до 30:1. Подойдут трансформаторы от старых транзисторных приемников, ТВК и ТВЗ от старых ламповых телевизоров, маленькие сетевые трансформаторы от блоков питания, вставляемых в розетку, и, наконец, трансформаторы от трансляционных громкоговорителей. Такой громкоговоритель можно и прямо подключить к приемнику - громкость будет хоть и небольшой, но вполне достаточной для комфортного прослушивания передач.

Как и любая аналоговая техника, этот радиоприемник будет работать хорошо, если уделить время его тщательному налаживанию. Понадобится лишь простейший мультиметр (тестер), стрелочный или цифровой. Прежде всего, проверьте режим УЗЧ, измерив напряжение UR9 на резисторе R9. Оно должно быть в пределах 0,7...1 В. При работе с телефонами проверьте также напряжение на коллекторе VT5 (3...4 В). Его оптимальное значение равно (Uпит + UR9)/2, при этом ограничение сигнала при перегрузках будет симметричным, а амплитуда неискаженного сигнала - максимальной. Все значения напряжений даны для 6-ти вольтового питания, При других напряжениях все значения надо пропорционально изменить.

Эмиттерный детектор налаживания не требует, а у Q-умножителя также полезно проверить режим. Напряжение на истоке VT1 должно быть 2...3 В, а на стоке - не менее 5 В. Режим можно подобрать резистором R3. Диапазон перестройки контура магнитной антенны оценивают при прослушивании радиостанций с известными частотами. Так, например, настройка на Маяк (549 кГц) должна быть в начале диапазона, при почти максимальной емкости КПЕ, а на Радио России (873 кГц) - в середине диапазона. При необходимости изменяют число витков катушки L1. Установив границы СВ диапазона, конденсатором С1а добиваются приема любительских станций. Делать это лучше в вечернее время, когда в диапазоне 160 м есть прохождение, и работает много станций.

Наиболее тонкая часть налаживания - подбор параметров цепи обратной связи, чтобы подход к генерации был мягким и плавным. Исчезать генерация должна при том же положении ручки регулировки ОС, при котором генерация и возникла. Полезен подбор резисторов R1 и R2, а также числа витков и положения на стержне антенны катушки L2.

После правильного налаживания на описанный приемник вечером удалось прослушать на СВ работу радиостанций большинства европейских столиц, а также ряда арабских и среднеазиатских станций. На 160 м принято много станций Европейской части России, Западной Сибири, Украины и Прибалтики, причем, только на магнитную антенну самого приемника, безо всяких внешних антенн. Испытания проводились в пригороде Москвы, в деревянном доме.

В тяжелых условиях (железобетонный дом, нижние этажи) рекомендую поместить магнитную антенну приемника у окна. Не старайтесь окружать ее другими деталями, это снижает добротность. Лучше, если вокруг антенны останется 10...20 см свободного места.

Автор: В.Поляков, RA3AAE

Смотрите другие статьи раздела Радиоприем.

Читайте и пишите полезные комментарии к этой статье.

<< Назад

<< Назад

Последние новости науки и техники, новинки электроники:

Лабораторная модель прогнозирования землетрясений 30.11.2025

Предсказание землетрясений остается одной из самых сложных задач геофизики. Несмотря на развитие сейсмологии, ученые все еще не могут точно определить момент начала разрушительного движения разломов. Недавние эксперименты американских исследователей открывают новые горизонты: впервые удалось наблюдать микроскопические изменения в контактной зоне разломов, которые предшествуют землетрясению. Группа под руководством Сильвена Барбота обнаружила, что "реальная площадь контакта" - участки, где поверхности разлома действительно соприкасаются - изменяется за миллисекунды до высвобождения накопленной энергии. "Мы открыли окно в сердце механики землетрясений", - отмечает Барбот. Эти изменения позволяют фиксировать этапы зарождения сейсмического события еще до появления традиционных сейсмических волн. Для наблюдений ученые использовали прозрачные акриловые материалы, через которые можно было отслеживать световые изменения в зоне контакта. В ходе искусственного моделирования примерно 30% ко ...>>

Музыка как естественный анальгетик 30.11.2025

Ученые все активнее исследуют немедикаментозные способы облегчения боли. Одним из перспективных направлений становится использование музыки, которая способна воздействовать на эмоциональное состояние и когнитивное восприятие боли. Новое исследование международной группы специалистов демонстрирует, что даже кратковременное прослушивание любимых композиций может значительно снижать болевые ощущения у пациентов с острой болью в спине. В эксперименте участвовали пациенты, обратившиеся за помощью в отделение неотложной помощи с выраженной болью в спине. Им предлагалось на протяжении десяти минут слушать свои любимые музыкальные треки. Уже после этой короткой сессии врачи фиксировали заметное уменьшение интенсивности боли как в состоянии покоя, так и при движениях. Авторы исследования подчеркивают, что музыка не устраняет саму причину боли. Тем не менее, она воздействует на эмоциональный фон пациента, снижает уровень тревожности и отвлекает внимание, что в сумме приводит к субъективном ...>>

Алкоголь может привести к слобоумию 29.11.2025

Проблема влияния алкоголя на стареющий мозг давно вызывает интерес как у врачей, так и у исследователей когнитивного старения. В последние годы стало очевидно, что границы "безопасного" употребления спиртного размываются, и новое крупное исследование, проведенное международной группой ученых, вновь указывает на это. Работы Оксфордского университета, выполненные совместно с исследователями из Йельского и Кембриджского университетов, показывают: даже небольшие дозы алкоголя способны ускорять когнитивный спад. Команда проанализировала данные более чем 500 тысяч участников из британского биобанка и американской Программы миллионов ветеранов. Дополнительно был выполнен метаанализ сорока пяти исследований, в общей сложности включавших сведения о 2,4 миллиона человек. Такой масштаб позволил оценить не только прямую связь между употреблением спиртного и развитием деменции, но и влияние генетической предрасположенности. Один из наиболее тревожных результатов касается людей с повышенным ге ...>>

Случайная новость из Архива

Древнеримский бетон умеет восстанавливаться 12.01.2023

Группа исследователей Массачусетского технологического института, Гарвардского университета и лабораторий в Италии и Швейцарии смогла восстановить давнюю технологию производства бетона. Инженеры считают, что этот материал выдержал тысячелетие благодаря "горячему смешиванию".

В процессе горячего смешивания обломки извести образуют хрупкую архитектуру наночастиц, создавая легко ломкий и реактивный источник кальция, обеспечивающий способность бетона восстанавливаться. Крохотные трещины, формируемые в бетоне, проходят через обломки извести с большой площадью поверхности. При реакции с водой этот материал образует насыщенный кальцием раствор, превращающийся в карбонат кальция и быстро заполняющий трещину.

В своей работе инженеры обратили внимание на то, что древние образцы бетона содержат небольшие характерные ярко-белые минеральные элементы миллиметрового масштаба. Эти образования, формируются из извести, одного из ключевых компонентов древней бетонной смеси. Ранее ученые считали, что эти образования - следствие некачественного размешивания смеси.

Новое исследование предполагает, что именно эти крохотные обломки извести обеспечивают бетону способность к самовосстановлению. Ученые изучили обломки извести с использованием изображений с высоким разрешением и методов химического картирования. Исследование показало, что белые включения действительно состоят из разных форм карбоната кальция, образовавшихся при экстремальных температурах.

Ранее считалось, что когда известь добавляли в римский бетон, его сначала смешивали с водой, образуя пастообразный материал в процессе, известном как тушение. Наличие следов материалов, образовавшихся при высоких температурах, говорит об использовании негашеной извести вместо или в дополнение к гашеной извести в смеси.

Это возможно в процессе горячего смешения. При этом процессе весь бетон нагревается до больших температур. В результате химических реакций образуются химические вещества, связанные с высокой температурой соединения, которые в противном случае не образовались.

Эксперименты с материалами, приготовленными по старинной технологии, подтвердили гипотезу: бетон, изготовленный с использованием горячего смешения, демонстрировал способность к восстановлению и лучшую прочность. Этот подход вполне можно использовать и для современного производства.

Другие интересные новости:

▪ Роботы-собаки Ghost Robotics для охраны границы

▪ Электромобиль Polestar 2

▪ Новый HP Chromebook 14

▪ Предача вкуса через Интернет

▪ Полезная говядина

Лента новостей науки и техники, новинок электроники

 

Интересные материалы Бесплатной технической библиотеки:

▪ раздел сайта Электрические счетчики. Подборка статей

▪ статья Хрустальная мечта моего детства. Крылатое выражение

▪ статья Какие планеты Солнечной системы имеют кольца и из чего эти кольца состоят? Подробный ответ

▪ статья Механик-шкипер. Должностная инструкция

▪ статья Защита электродвигателя от перегрузок. Энциклопедия радиоэлектроники и электротехники

▪ статья Нормы приемо-сдаточных испытаний. Сухие токоограничивающие реакторы. Энциклопедия радиоэлектроники и электротехники

Оставьте свой комментарий к этой статье:

Имя:


E-mail (не обязательно):


Комментарий:





Главная страница | Библиотека | Статьи | Карта сайта | Отзывы о сайте

www.diagram.com.ua

www.diagram.com.ua
2000-2025