Menu Home

Бесплатная техническая библиотека для любителей и профессионалов Бесплатная техническая библиотека


УКВ ЧМ приемник с объемным резонатором. Энциклопедия радиоэлектроники и электротехники

Бесплатная техническая библиотека

Энциклопедия радиоэлектроники и электротехники / Радиоприем

Комментарии к статье Комментарии к статье

Детекторные приемники обычно изготавливают для приема радиовещательных станций, работающих с AM в диапазонах ДВ, СВ [1, 2] и реже КВ. В диапазоне же УКВ их практически не используют. Это связано, во-первых, с тем, что надо получить уровень сигнала, достаточный для его детектирования. В диапазонах ДВ и СВ это достигается увеличением длины антенны, в УКВ диапазоне делать это почти бесполезно, так как длина волны составляет всего несколько метров. Во-вторых, необходимо обеспечить селекцию принимаемого сигнала. Если в ДВ и СВ диапазонах для этого нужна добротность нагруженного контура 25...100 и контур можно реализовать на обычных LC-элементах, то в УКВ диапазоне необходима добротность более 100 и получить ее не так просто.

Есть еще одна проблема - простой диодный детектор способен демодулировать лишь сигналы с AM. Поэтому для демодуляции ЧМ сигналов необходимо предварительно преобразовать ЧМ в AM. Сделать это можно на скате амплитудно-частотной характеристики (резонансной кривой) колебательного контура, как показано на рис. 1. При такой настройке изменения частоты принимаемого сигнала приводят к изменению его амплитуды. После этого сигнал можно демодулировать простым диодным детектором. Понятно, что для хорошего преобразования необходима большая крутизна характеристики, т.е. опять-таки большая добротность контура.

УКВ ЧМ приемник с объемным резонатором
Рис. 1

Высокую добротность имеет спиральный объемный резонатор (рис. 2). Он содержит круглый или прямоугольный экран, внутри которого размещена однослойная катушка. Один ее конец замкнут на экран, а второй разомкнут. Для перестройки резонатора по частоте со стороны разомкнутого вывода спирали к ней подводят металлический сердечник или пластину, при этом изменяется емкость резонатора. Добротность ненагруженных спиральных резонаторов, в зависимости от их конструкции и частоты настройки, может находиться в пределах 200...5000.

УКВ ЧМ приемник с объемным резонатором
Рис. 2

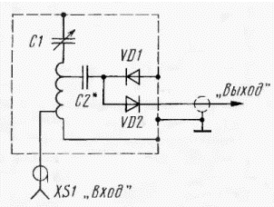
Схема детекторного УКВ ЧМ приемника показана на рис. 3. Его основой является спиральный объемный резонатор. К спирали через разъем XS1 подключается внешняя антенна. По частоте приемник перестраивается конденсатором переменной емкости С1. На диодах VD1, VD2 собран полумостовой выпрямитель (детектор), на который через конденсатор С2 поступает сигнал от резонатора. К выходу детектора экранированным проводом (его емкость сглаживает ВЧ пульсации продетектированного сигнала) подключают нагрузку - высокоомные телефоны или УЗЧ с большим входным сопротивлением. Чем выше сопротивление нагрузки, тем больше будет добротность резонатора, а значит, больший сигнал поступит на диоды и увеличится уровень сигнала ЗЧ.

УКВ ЧМ приемник с объемным резонатором
Рис. 3

Для изготовления такого приемника необходимо в первую очередь сделать спиральный резонатор. Для него подойдет цилиндрическая металлическая банка из луженой жести, желательно с металлической крышкой. Конструкция приемника показана на рис. 4, он рассчитан на диапазон 88... 108 МГц. Использовалась банка 1 из-под кофе "Nescafe" диаметром 75 и высотой 70 мм. Спираль 2 намотана проводом ПЭВ-2 диаметром 2 мм, она содержит 6 витков. Намотка бескаркасная, диаметром 35 мм и длиной 36...40 мм. Количество витков желательно сделать чуть больше, чтобы при необходимости в дальнейшем провести подстройку укорочением спирали. Нижний конец провода пропускают через отверстие в боковой стенке, загибают и припаивают к внешней боковой стороне. На нижней или боковой стороне устанавливают разъем XS1 и центральный контакт соединяют со спиралью на расстоянии примерно 0,1...0,15 витка от начала намотки (не считая прямого отрезка провода). На внутренней стороне банки, ближе к концу спирали, распаивают диоды, а один из выводов через изоляционную втулку выводят наружу.

УКВ ЧМ приемник с объемным резонатором
Рис. 4

Конденсатором С2 служит отрезок провода ПЭВ-2 0,4...0,5 длиной 20...30 мм, размещенный рядом с витками спирали. Подвижная часть конденсатора С1 выполнена в виде металлического диска 3, который прикреплен к винту 4. Этот винт перемещается в гайке или втулке 5, которая припаивается к крышке 6. Диск 3 можно изготовить из жести, его диаметр равен диаметру спирали, для уменьшения потерь в нем надо вырезать 1...3 сектора с углом несколько градусов.

Для изготовления спирального резонатора можно использовать металлические банки другого диаметра, причем, чем больше диаметр, тем большую добротность можно получить. Рассчитать резонатор с банкой другого диаметра или на другой диапазон можно по упрощенной методике [3], которая дает вполне удовлетворительные результаты.

Прежде всего, следует стремиться выбрать банку (см. рис. 2) с отношением H/D = 1,2...1,3, где Н - высота банки; D - диаметр банки. Если отношение будет другим, возрастет погрешность расчетов. Количество витков N = 2586/(Fr), где F - верхняя частота настройки (МГц); r - радиус банки (см). Диаметр намотки спирали (по центру провода) d = r, длина намотки I = 1,5r, шаг намотки а = I/N, диаметр провода b = а/4. Расстояние от концов катушки до нижней и верхней стенок желательно выдержать в пределах L = 0,25...0,3D.

При выборе банки следует учитывать следующее. Значение имеет чистота обработки внутренней поверхности, хорошо, если она блестящая. Желательно, чтобы не было стыков, расположенных параллельно катушке, но так как они в большинстве случаев есть, надо обратить внимание на их качество, а при необходимости пропаять. Нижний, заземленный конец катушки надо подводить к боковой стенке под прямым углом.

На основании сказанного выше можно сделать вывод о том, что банка, использованная автором, не является лучшим вариантом. Отношение H/D было около 1, из-за этого нижние витки оказались слишком близко к нижней стенке, а значит, уменьшилась добротность. Погрешность расчета не превысила 8...10 % - количество витков должно быть 6,5, а после подстройки получилось 6.

Антенной служил отрезок провода диаметром 1...1,5 мм и длиной четверть волны, в данном случае около 70 см. Уровень принимаемого сигнала сильно зависит от ориентации антенны и места ее расположения. В приемнике желательно использовать высокочастотные германиевые детекторные диоды с возможно меньшей емкостью.

Чтобы получить громкий прием на головные телефоны, необходима большая напряженность поля принимаемого сигнала, что возможно в непосредственной близости от радиостанции. При этом надо стремиться повышать добротность резонатора, уменьшая емкость конденсатора С2, т. е. удаляя отрезок провода от спирали.

Если расстояние до радиостанции значительно, прием на телефоны затруднен из-за малого уровня сигналя. Тогда сигнал от детектора надо подать на УЗЧ, при этом его входное сопротивление должно быть более 100 кОм, а чувствительность - 1...3 мВ. Если такого УЗЧ нет, то его можно изготовить самостоятельно, сделав, таким образом, УКВ ЧМ приемник целиком. Кроме того, можно использовать имеющийся УЗЧ, сделав согласующий каскад на полевом транзисторе.

При испытании макета приемника у автора статьи, из-за удаленности от передающих радиостанций (ближайшая, но не самая мощная, на расстоянии 2 км, остальные далее) на телефоны сопротивлением несколько кОм, принималась только одна радиостанция, причем слабо. Пришлось добавить УЗЧ, после чего очень громко (примерно одинаково) и с хорошим качеством принимались три радиостанции (из семи работающих в этом диапазоне). Две из них громче принимались при горизонтальной ориентации антенны, а одна - вертикальной. По частоте эти радиостанции отстоят друг от друга примерно на 2 МГц, и взаимных помех не наблюдалось. Приемник располагался на подоконнике, антенна была длиной около 70 см. Измерения показали, что полоса пропускания нагруженного спирального резонатора в этом макете составила около 800...850 кГц, что соответствует добротности примерно 125.

Если уровень сигнала большой, добротность целесообразно повысить, увеличив тем самым избирательность, подключив входной разъем ближе к заземленному концу спирали. Следует отметить, что в приемнике нет системы АРУ или ограничителя, поэтому напряжение выходного сигнала ЗЧ зависит от уровня принимаемого сигнала. Это значит, что более мощные радиостанции принимаются с большей громкостью.

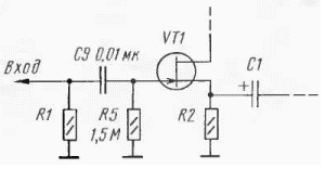
Схема УЗЧ показана на рис. 5,а. Его основой является микросхема К174УН7 в стандартном упрощенном включении. На входе УЗЧ установлен истоковый повторитель на транзисторе VT1, повышающий входное сопротивление. Громкость регулируется резистором R3, резистором R4 устанавливают оптимальный коэффициент усиления микросхемы.

УКВ ЧМ приемник с объемным резонатором
Рис. 5,а

Соединение с приемником следует делать экранированным проводом минимально возможной длины. Объединив резонатор и УЗЧ в одну конструкцию, например, в корпусе от абонентского громкоговорителя, можно сделать неплохой УКВ ЧМ приемник. Если уровень сигналов в месте приема велик настолько, что на выходе приемника будет постоянное продетектированное напряжение более 1 В, схему истокового повторителя надо доработать в соответствии с рис. 5,б.

УКВ ЧМ приемник с объемным резонатором
Рис. 5,б

Все детали УЗЧ размещают на печатной плате из фольгированного стеклотекстолита, эскиз которой показан на рис. 6.

УКВ ЧМ приемник с объемным резонатором
Рис. 6

В устройстве можно применить следующие детали: полевой транзистор - КП303Г, Д, КП307А, Б; полярные конденсаторы - К50; неполярные - К10-17; переменный резистор - СП4, СПО; подстроечный - СП3-19; постоянные резисторы - МЛТ, С2-33.

Литература

  1. Поляков В. Теория: понемногу обо всем. 4.3 Радиоприемники AM сигналов. - Радио, 1999, № 9, с. 49,50.
  2. Поляков В. Усовершенствование детекторного приемника. - Радио, 2001, № 1, с. 52, 53.
  3. Ханзел Г. Справочник по расчету фильтров. - М.: Сов. Радио, 1974.

Автор: И.Александров, г.Курск

Смотрите другие статьи раздела Радиоприем.

Читайте и пишите полезные комментарии к этой статье.

<< Назад

<< Назад

Последние новости науки и техники, новинки электроники:

Впервые преоодолена передача ВИЧ от матери к ребенку 02.01.2026

Проблема вертикальной передачи ВИЧ - от матери к ребенку - остается одной из ключевых задач глобальной медицины. Недавний отчет Всемирной организации здравоохранения (ВОЗ) демонстрирует историческое достижение: Бразилия впервые в своей истории полностью преодолела этот путь передачи вируса. Страна стала 19-й в мире и первой с населением более 100 миллионов человек, которая достигла такого результата. Достижения Бразилии основаны на комплексных медицинских программах, обеспечивающих своевременный доступ к диагностике и терапии для всех слоев населения. ВОЗ официально подтвердило, что уровень передачи ВИЧ от матери к ребенку снизился до менее двух процентов. Более 95% беременных женщин в стране получают регулярный скрининг на ВИЧ и необходимое лечение в рамках стандартного ведения беременности. Изначально программа тестировалась в крупных муниципалитетах и штатах с населением более 100 тысяч человек, а затем была масштабирована на всю страну. Такой подход позволил унифицировать ста ...>>

Нанослой германия увеличивает эффективность солнечных батарей на треть 02.01.2026

Разработка высокоэффективных солнечных батарей остается одной из ключевых задач современной энергетики. Недавнее исследование южнокорейских ученых позволило повысить производительность тонкопленочных солнечных элементов почти на 30%, что открывает новые перспективы для возобновляемых источников энергии, гибкой электроники и сенсорных устройств. Команда исследователей сосредоточилась на элементах на основе моносульфида олова (SnS) - нетоксичного и доступного материала, который идеально подходит для гибких солнечных панелей. До настоящего времени эффективность SnS-устройств оставалась низкой из-за проблем на границе контакта с металлическим электродом. В этой области возникали структурные дефекты, диффузия элементов и электрические потери, что существенно ограничивало возможности таких батарей. "Этот интерфейс был главным барьером для достижения высокой производительности", - отмечает профессор Джейонг Хо из Национального университета Чоннам. Для решения этих проблем ученые предлож ...>>

Электростатическое решение для борьбы с льдом и инеем 01.01.2026

Борьба с льдом и инеем на транспортных средствах и критически важных поверхностях зимой остается сложной и затратной задачей. Ученые из Virginia Tech разработали инновационную технологию, способную разрушать лед и иней без использования тепла или химических реагентов, что открывает новые возможности для безопасной и экологичной зимней эксплуатации транспорта. Исследователи обнаружили, что лед и иней образуют кристаллическую решетку с так называемыми ионными дефектами - заряженными участками, способными перемещаться под воздействием электрического поля. Эти дефекты являются ключом к управлению прочностью льда и его удалением с поверхностей. Когда на замерзшую поверхность подается положительный электрический заряд, отрицательные ионные дефекты притягиваются к источнику поля. Это вызывает разрушение кристаллической решетки льда, в результате чего часть льда буквально "отскакивает" от поверхности. Такой эффект позволяет удалять лед без применения внешнего тепла или химических средств ...>>

Случайная новость из Архива

Устройство для контроля сновидений 24.05.2023

Что, если бы было устройство, которое могло бы контролировать сны? Что, если бы вы могли лечь спать и вам сказали, что вам приснится? Это несколько основная идея нового исследования, проведенного учеными MIT, и созданного ими устройства. Предпосылка здесь звучит так, будто она была вырвана из фильма Кристофера Нолана "Начало", но это не научная фантастика.

Команда ученых использовала целенаправленную инкубацию сновидений и создала устройство для контроля сновидений, которое помогло увеличить творческую производительность после сна. Исследование построено на предположениях о том, насколько связаны мечты и творчество.

Вот почему ученые Массачусетского технологического института решили исследовать эту связь и выяснить, смогут ли они создать устройство, которое будет контролировать сны. Идея заключалась в том, чтобы увидеть, смогут ли они вставить конкретные темы в сновидения, что позволит им эффективно определить, о чем мечтает спящий человек, по крайней мере, в определенной степени. Устройство, которое они назвали Dormio (Начало), позволило им это сделать.

Цель устройства заключалась не только в том, чтобы контролировать сны, говорит нейробиолог Массачусетского технологического института и соавтор исследования Кэтлин Эсфахани. Исследователи хотели увидеть, смогут ли они вставить темы, которые в дальнейшем помогут руководить творческими задачами. Исследование в значительной степени основывалось на предварительном исследовании французских исследователей сна, которое обнаружило, что участники с большей вероятностью решали математические задачи после пробуждения от гипногогического сна.

Это интригующее исследование, которое поможет найти способы более эффективного использования творческих функций мозга. Однако пока это помогает людям лучше понять, как работает их мозг. И, если вы хотите проверить вещи, вы можете попробовать онлайн-версию устройства, контролирующего сны.

Если у вас проблемы с креативностью, возможно, было бы неплохой идеей попытаться вздремнуть, затем проснуться и посмотреть, как текут ваши творческие силы. К счастью, есть много способов быстро уснуть, если вам тяжело заставить мозг замедлиться на минуту.

Другие интересные новости:

▪ Кондиционер без сквозняков

▪ Компактная посудомойка не требует электроэнергии

▪ Найдено вещество, восстанавливающее поврежденные мышцы

▪ Аккумулятор нового типа на основе углерода

▪ Найдена причина аутоиммунных заболеваний

Лента новостей науки и техники, новинок электроники

 

Интересные материалы Бесплатной технической библиотеки:

▪ раздел сайта Радиоэлектроника и электротехника. Подборка статей

▪ статья Роберт Лоуэлл. Знаменитые афоризмы

▪ статья Кто научно описан как типичный представитель вида Homo Sapiens? Подробный ответ

▪ статья Рабочий по благоустройству. Должностная инструкция

▪ статья Фотоэлектрические преобразователи. Энциклопедия радиоэлектроники и электротехники

▪ статья Праздник цветов. Секрет фокуса

Оставьте свой комментарий к этой статье:

Имя:


E-mail (не обязательно):


Комментарий:





Главная страница | Библиотека | Статьи | Карта сайта | Отзывы о сайте

www.diagram.com.ua

www.diagram.com.ua
2000-2025