Menu Home

Бесплатная техническая библиотека для любителей и профессионалов Бесплатная техническая библиотека


Экономичный радиоприемник. Энциклопедия радиоэлектроники и электротехники

Бесплатная техническая библиотека

Энциклопедия радиоэлектроники и электротехники / Радиоприем

Комментарии к статье Комментарии к статье

В настоящее время экономичность радиоприемников приобретает все большее значение- Как известно, многие промышленные приемники экономичностью не отличаются, а между тем во многих населенных пунктах страны долговременные отключения электроэнергии стали уже обычным явлением. Стоимость элементов питания при частой их замене также становится обременительной. А вдали от "цивилизации" экономичный радиоприемник просто необходим.

Автор данной публикации задался целью создать экономичный радиоприемник с высокой чувствительностью, способностью работать в диапазонах KB и УКВ. Результат получился вполне удовлетворительный - радиоприемник способен работать от одного элемента питания и по току покоя лишь немного уступает конструкции, описание которой приведено в [1]. Приемник сохраняет работоспособность при снижении напряжения питания до 1 В. Чувствительность приемника весьма высокая - точно измерить ее не удалось из-за отсутствия соответствующей измерительной аппаратуры.

Основные технические характеристики

  • Диапазон принимаемых частот, МГц: КВ-1......9,5...14
  • КВ-2......14,0...22,5
  • УКВ-1......65...74
  • УКВ-2......88...108
  • Селективность тракта AM по соседнему каналу, дБ, не менее......30
  • Максимальная выходная мощность на нагрузке 8 Ом, мВт, при напряжении питания: Uпит=1,6B......30
  • Uпит=1,ов......11
  • Ток, потребляемый при отсутствии сигнала, мкА, не более: диапазон AM......280
  • диапазон УКВ......310
  • Ток, потребляемый при средней громкости, мА: при работе на громкоговоритель......2...4
  • при работе на телефон ТМ-2м......0,5
  • Длительность работы от элемента типа АА или 316 при средней громкости в громкоговорителе, ч......400

При испытаниях приемник работал ежедневно по 9 ч вместо абонентского громкоговорителя. При использовании щелочного элемента типа LR6 "ALKALINE" время работы возрастает в несколько раз. Срок службы таких элементов достигает 5 лет, что делает их удобными при долговременном использовании.

Для повышения экономичности приемник пришлось оптимизировать, сделав как можно более экономичным каждый его узел. Было ясно, что основная мощность источника питаний будет расходоваться усилителем звуковой частоты, именно этому узлу было уделено повышенное внимание.

Испытания корпуса от приемника "СОКОЛ-404" со встроенным громкоговорителем 0.5ГД-37 показали, что для комфортного индивидуального прослушивания иногда вполне достаточно выходной мощности 1 ...3 мВт, а для воспроизведения такого сигнала с приемлемым качеством максимальная мощность усилителя может не превышать 30 мВт. Для "тихих" небольших помещений это значение можно уменьшить в 2-3 раза.

Разумеется, важно иметь громкоговоритель с высоким КПД. Испытания показывают, что динамические головки с диаметром диффузора менее 5 см в основном очень малоэффективны, что делает их непригодными для экономичного радиоприемника.

При разработке схемы были определены некоторые особенности работы транзисторов, работающих в режимах микротоков. Из формул, приведенных в [2], транзистор при lK = 10 мкА обладает большим собственным сопротивлением эмиттера, равным примерно 2,5 кОм. При таком токе даже при |h21Э| =40 входное сопротивление каскада, собранного по схеме с общим эмиттером, достигает 100 кОм, что позволяет с успехом применять полное включение колебательного контура в цепь базы транзистора. С другой стороны, крутизна характеристики транзистора на таком токе не превышает 0,4 мА/В, поэтому для получения хорошего усиления сопротивление нагрузки каскада должно составлять несколько десятков килоом. Если нагрузкой является колебательный контур, то для получения большего резонансного сопротивления следует выбирать значение индуктивности побольше, а значение емкости - поменьше. Особенно это важно для каскадов УВЧ.

Следует также иметь в виду, что частотные свойства транзисторов при токе 10 мкА ухудшаются в несколько раз из-за влияния внутренних емкостей транзистора. Следовательно, для экономичных каскадов следует подобрать транзисторы с малой емкостью коллектора и высокой граничной частотой.

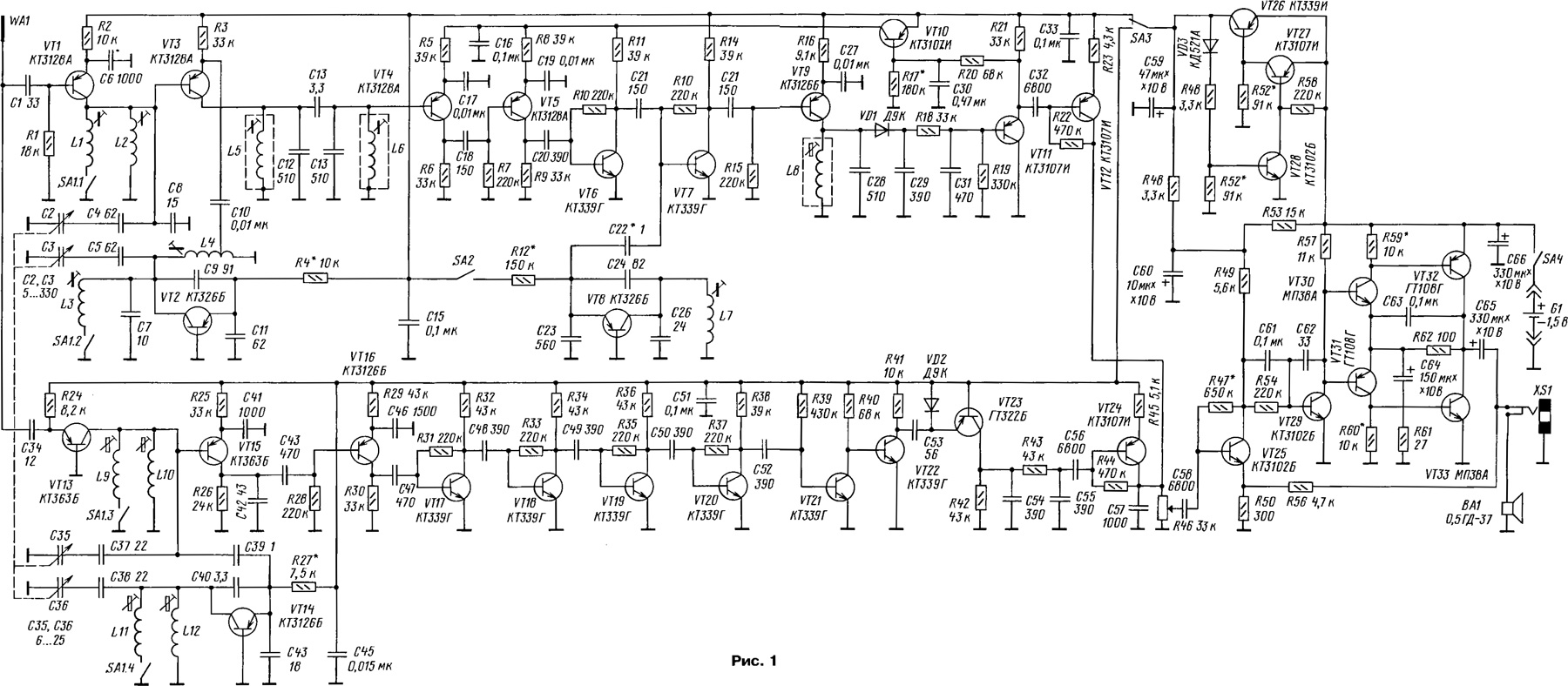
Предлагаемый вниманию читателей радиоприемник состоит из двух независимых трактов AM и ЧМ, что позволило до предела упростить коммутацию диапазонов. Может показаться, что схема приемника (рис. 1) слишком сложна и содержит много транзисторов, но транзисторы в пластмассовых корпусах стоят сейчас дешевле конденсаторов.

Экономичный радиоприемник
(нажмите для увеличения)

В зависимости от потребностей радиолюбитель может выбрать для себя только один из трактов или уменьшить число диапазонов.

Оба тракта имеют стабилизированное питание 0,93 В и работают на общий УЗЧ.

Тракт AM выполнен на транзисторах VT1- VT12. УРЧ собран по схеме с общим эмиттером на транзисторе VT1. Гетеродин выполнен по схеме емкостной трехточки на транзисторе VT2. При замыкании контактов переключателя SA1 катушки УРЧ L1, L2 и гетеродина l_3, L4 включаются в каждой паре параллельно, что соответствует работе в поддиапазоне КВ-2.

Транзистор VT3 выполняет функции смесителя. Схема его включения нетрадиционная, однако уже была использована в [1]. По постоянному току база и коллектор соединены вместе. При этом напряжение на эмиттере транзистора определяется открытым р-n переходом база-змиттер и равно примерно 0,5 В. Это напряжение и является питанием для коллекторной цепи. Поскольку при малых токах напряжение насыщения транзистора обычно составляет 0,1...0,2 В, транзистор создает на нагрузке напряжение размахом до 0,3 В, что в данном случае вполне достаточно. Таким образом ток, потребляемый каскадом, определяется только сопротивлением резистора в эмиттере транзистора.

Сигнал ПЧ с частотой 465 кГц через двухконтурный фильтр подан непосредственно на базу транзистора VT4, который, как уже отмечалось, имеет высокое входное сопротивление и контур почти не шунтирует. Первые три каскада УПЧ запитаны через транзистор VT10, который вместе с транзистором VT11 работают в усилителе АРУ. При увеличении напряжения на выходе детектора напряжение на эмиттере транзистора VT11 также увеличивается. Это приводит к частичному закрыванию транзистора VT10, и усиление первых трех каскадов УПЧ снижается.

Для приема сигналов любительских радиостанций в диапазоне 14 МГц в приемнике предусмотрен телеграфный гетеродин на транзисторе VT8, который потребляет ток около 3 мкА. Отключают его переключателем SA2.

В тракте установлено всего три контура ПЧ, но все они имеют довольно острую настройку, обеспечивая нужную избирательность и чувствительность. Однако избирательность нетрудно увеличить, установив вместо резистора R9 еще один такой же контур. При этом сопротивление резистора R8 лучше уменьшить до 22-24 кОм.

На транзисторе VT12 собран предварительный каскад УЗЧ, который усиливает сигнал до уровня чувствительности основного УЗЧ.

Тракт AM был испытан с разными катушками на частотах от 3 до 30 МГц. Для изменения границ KB поддиапазонов достаточно изменить число витков катушек L1-L4.

Тракт ЧМ собран на транзисторах VT13-VT24 с низкой промежуточной частотой и счетным детектором. Такой вариант имеет недостаток - двойную настройку на каждую радиостанцию, но зато такой принцип довольно просто реализовать в экономичном режиме. Вместе с тем избирательность тракта оказалась достаточной, чтобы качественно и без помех принимать сигналы радиостанций, которые отличаются по частоте всего на 300 кГц.

УРЧ тракта ЧМ выполнен на транзисторе VT13 по схеме с общей базой. Контуры УРЧ и гетеродина полностью идентичны, так как работают практически на одной частоте. Нагрузка смесителя - резистор R26. Конденсатор С42 эффективно замыкает нагрузку по высоким частотам, и отфильтрованный сигнал промежуточной частоты полосой 50... 100 кГц усиливается пятикаскадным усилителем ПЧ, выполненным на транзисторах VT16 - VT20. Из-за влияния внутренних емкостей транзисторов усиление каскадов быстро падает с ростом частоты, что естественным образом формирует необходимую АЧХ. Для получения достаточной полосы пропускания транзисторы в УПЧ применены с малой емкостью коллектора, иначе полоса пропускания может быть слишком узкой, что приведет к нелинейным искажениям модулирующего сигнала.

Для расширения полосы можно увеличить ток через транзисторы, пропорционально уменьшая номиналы резисторов R29, R30, R32, R34, R36 и R38.

Конденсаторы в УПЧ оказывают влияние на формирование АЧХ, поэтому их номиналы не следует сильно изменять.

УПЧ усиливает сигнал до уровня не менее 0,2 В. На транзисторах VT21 и VT22 собран формирователь импульсов. При отсутствии сигнала транзистор VT21 открыт до насыщения, на его коллекторе напряжение низкое и транзистор VT22 надежно закрыт. Отрицательные полупериоды сигнала ПЧ слегка закрывают транзистор VT21, a VT22 при этом открывается. В результате на резисторе R41 формируются прямоугольные импульсы с большой амплитудой. Эти импульсы продифференцированы цепью С53, VD2. Таким образом, на диоде VD2 образуется последовательность коротких импульсов равной длительности, частота следования которых меняется по закону модуляции. Открывая транзистор VT23 частотного детектора, импульсы сглаживаются фильтром C54R43C55, преобразуясь в сигнал звуковых частот. Далее он поступает на каскад предварительного усиления на транзисторе VT24. Емкость конденсатора С56 выбрана такой, чтобы ослабить частоты ниже 200 Гц, которые громкоговоритель все равно не воспроизводит Эти частоты только бесполезно перегружают УЗЧ, мощность которого и без того ограничена, и вызывают повышенное потребление тока. Из этих соображений выбраны и емкости конденсаторов C32 и С58.

УЗЧ собран на транзисторах VT25, VT29 - VT33. Режим его работы определяет напряжение на коллекторе транзистора VT25. Этот транзистор запитан частично от стабилизатора напряжения через резистор R48, а частично от элемента питания через резистор R53. Соотношением сопротивлений этих резисторов удалось добиться сохранения симметричности ограничения синусоидального сигнала при изменении напряжения питания от 1,6 до 1,0 В.

Стабилизатор напряжения собран на транзисторах VT26 - VT28 и сохраняет на выходе напряжение 0,93 В при разрядке элемента питания до 1 В.

Транзисторы VT1 и VT3 можно заменить на КТ3127А, КТ326А, а с несколько худшими результатами - КТ326Б. Транзисторы VT4 - VT7 и VT9 должны иметь малую емкость коллектора и h21Э не менее 50. Транзисторы VT10 и VT11 имеют h21Э не менее 250. В телеграфном гетеродине хорошо работает транзистор КТ361В.

В тракте ЧМ требования к транзисторам УПЧ такие же, как и в тракте AM. Вместо КТ339Г неплохо работают транзисторы КТ368 или КТ316, а также любые с емкостью коллектора не более 2 пф. В крайнем случае вполне можно использовать транзисторы с емкостью 6 пф, например, КТ3102Б, но при этом следует в три раза увеличить ток коллектора каждого такого каскада, уменьшая сопротивление нагрузки. Общая экономичность после этого несколько снизится.

В качестве VT13-VT15 лучше всего работают транзисторы типа КТ363, но с несколько худшими результатами можно применить КТ3128А, КТ3109А. В частотном детекторе можно применить ГТ309, ГТ310 с малым значением Iко. При отключенном конденсаторе С53 ток утечки транзистора должен создавать падение напряжения на резисторе R42 не более 50 мВ.

В УЗЧ вместо VT30-VT33 могут быть применены германиевые низкочастотные транзисторы нужной проводимости с h21Э не менее 50, желательно их попарно подобрать.

Транзисторы VT25-VT29 имеют 21Э не менее 200. Особенно это касается транзистора VT26. Вместо него можно применить КТ3107И, КТ350А.

Оксидные конденсаторы должны иметь минимальный ток утечки, особенно С64 и С65. Хорошо работают конденсаторы типа К52-16. Оксидные конденсаторы должны быть рассчитаны на 16-25 В, и перед установкой их необходимо выдержать под максимальным напряжением до уменьшения тока утечки до единиц микроампер.

Блок КПЕ применен от китайской автомагнитолы. Контуры ПЧ в тракте AM применены готовые от радиоприемника "Сувенир". Вполне применимы и другие контуры с конденсаторами 510 пф. Применение контуров с большей емкостью приведет к снижению усиления каскадов, нагруженных на эти контуры. Для восстановления усиления придется увеличить ток потребления указанных каскадов.

Катушки L1 -L4 намотаны на каркасах KB катушек от приемника "Океан" или им подобных. L1 и L3 имеют по 20 витков, a L2 и L4 - по 25 витков провода ПЭВ-2 0,2 мм. Катушка L4 имеет отвод от 7-го витка, считая от заземленного вывода. Катушка L7 намотана на четырехсекционном каркасе и имеет 400 витков провода ПЭВ-2 0,1 мм. Экрана она не имеет В тракте ЧМ катушки L9-L12 намотаны на каркасах диаметром 4,5 мм с латунными подстроечниками. L9 и L11 имеют по 14 витков, a L10 и L12 - по 15 витков провода ПЭВ-2 0,3 мм. Переключатель SA1 типа ПД-2 2П4Н от приемника "ОЛИМПИК".

Для налаживания приемника необходимы осциллограф, вольтметр с входным сопротивлением не менее 1 МОм и генератор синусоидального сигнала 3Ч. Чтобы упростить процедуру налаживания приемник сначала лучше собрать на макете, распаивая детали на длинных выводах между шинами питания, и только после налаживания перенести уже подобранные детали на печатную плату. Устройство не "капризно" и на макете работает устойчиво.

Стабилизатор напряжения требует подбора резистора R52 по напряжению на выходе 0,93...0,94 В. При этом вместо нагрузки следует подключить резистор с сопротивлением 3,3 кОм. Конденсатор С59 должен быть присоединен к выходу стабилизатора. Следует помнить, что после пайки нужно подождать 5 мин, чтобы детали остыли и выходное напряжение установилось.

Затем налаживают УЗЧ. Вначале резисторы R59 и R60 лучше не припаивать. При этом ток покоя усилителя может достигать 1...1.5 мА. Подбором резистора R47 нужно добиться симметрии ограничения синусоидального сигнала на выходе УЗЧ. После этого подбирают резисторы R59 и R60, начиная с номинала 30 кОм. Сопротивления резисторов постепенно уменьшают, следя за увеличением искажений типа "ступенька" и уменьшением тока покоя. Следует выбрать для себя приемлемое качество звучания при минимальном токе покоя. У автора ток покоя составил 110 мкА. Затем, изменяя напряжение питания от 1,6 до 1 В, следует убедиться, что ограничение синусоидального сигнала остается симметричным, в противном случае нужно будет подобрать резисторы R48 и R53.

После сборки тракта AM нужно измерить напряжение АРУ на конденсаторе С16. Оно не должно быть менее 0,8 В. Для его повышения нужно уменьшить сопротивление резистора R17 на 10...20 % или подобрать транзистор VT10 с большим значением h21Э- После того как УПЧ заработает, следует налаживать гетеродин. Чтобы он сразу заработал, нужно сначала увеличить его потребляемый ток. Для этого сопротивление резистора R4 уменьшают до 3,3 кОм и настраивают приемник по сигналу ГСС или по принимаемым радиостанциям. Настройку контуров удобно производить по минимуму напряжения АРУ на конденсаторе С16. После окончания настройки тракта следует увеличить сопротивление резистора R4 до такой величины, при которой гетеродин надежно возбуждается во всем диапазоне частот. Таким же образом налаживают и телеграфный гетеродин.

Налаживание тракта ЧМ несложно. Касаясь базы транзистора VT16, можно убедиться в работоспособности усилителя ПЧ. Гетеродин налаживают так же, как в тракте AM. Добившись приема радиостанций, нужно уменьшить емкость связи с антенной, чтобы прием ухудшился. Это даст возможность настроить в резонанс катушки L10 и L9. Необходимо помнить, что сначала надо настраивать диапазон УКВ-1, когда контакты SA1 разомкнуты, и настройке подлежат катушки L10 и L12. После этого, замкнув контакты SA1, настраивают диапазон УКВ-2 катушками L9 и L11.

В качестве корпуса для приемника можно применить любой промышленного производства с достаточно большим громкоговорителем, имеющим сопротивление звуковой катушки не менее 8 Ом. Автор использовал корпус с громкоговорителем от приемника "Сокол-404". При соблюдении элементарных принципов составления печатного монтажа можно быть уверенным в хорошей работоспособности приемника. В случае отсутствия опыта размещение деталей на плате может повторять их размещение по принципиальной схеме. Пример монтажа для выбранного корпуса показан на рис. 2.

Экономичный радиоприемник

Некоторые радиолюбители изготавливают печатные платы из двустороннего стеклотекстолита, причем с одной стороны медное покрытие оставляют сплошным и соединяют его с общим проводом для лучшей экранировки В отношении описываемого приемника автор настоятельно рекомендует этого не делать. Емкость монтажа при этом получится такой большой, что даже работоспособность конструкции будет весьма сомнительной.

Следует также принять меры против "микрофонного" эффекта, который нередко наблюдают в радиоприемниках с высокочастотными диапазонами.

В случае необходимости можно ввести в приемник диапазоны средних или длинных волн, предусмотрев схему необходимой коммутации и дополнительный преобразователь частоты. Коллектор смесительного транзистора можно просто подключить к коллектору VT3. Схемотехнику, слегка доработав, а также данные катушек можно использовать из публикации [1]. При этом напряжение питания следует подавать только на один из смесителей.

Испытания приемника показали, что качество его работы не уступает промышленным образцам. В диапазоне УКВ приемник обладает хорошим звучанием, на KB следует отметить его малые собственные шумы. В диапазоне 14 МГц на телескопическую антенну удается принимать множество любительских радиостанций.

Литература

  1. Малишевский И. Малогабаритный радиовещательный приемник. - Радио, 1989, № 1, с. 56.
  2. Хоровиц П., Хилл У. Искусство схемотехники. Т.1, гл. 2.10. - М.: Мир, 1983.

Автор: С.Мартынов, г.Тольятти Самарской обл.

Смотрите другие статьи раздела Радиоприем.

Читайте и пишите полезные комментарии к этой статье.

<< Назад

<< Назад

Последние новости науки и техники, новинки электроники:

Питомцы как стимулятор разума 06.10.2025

Помимо эмоциональной поддержки, домашние питомцы могут оказывать заметное воздействие на когнитивные процессы, особенно у пожилых людей. Новое масштабное исследование показало, что общение с кошками и собаками не просто улучшает настроение - оно действительно способствует замедлению возрастного снижения умственных способностей. Работа проводилась в рамках проекта Survey of Health, Ageing and Retirement in Europe (SHARE), охватывающего период с 2004 по 2022 год. В исследовании приняли участие тысячи европейцев старше 50 лет. Анализ показал, что владельцы домашних животных демонстрируют более устойчивые когнитивные функции по сравнению с теми, кто не держит питомцев. Особенно выражен эффект оказался у владельцев кошек и собак. Согласно данным ученых, владельцы собак дольше сохраняют хорошую память, в то время как хозяева кошек медленнее теряют способность к быстрому речевому взаимодействию. Исследователи связывают это с тем, что ежедневное взаимодействие с животными требует внимани ...>>

Мини-ПК ExpertCenter PN54-S1 06.10.2025

Компания ASUSTeK Computer презентовала новый мини-компьютер ASUS ExpertCenter PN54-S1. Устройство ориентировано на пользователей, которым важно сочетание производительности, энергоэффективности и универсальности - от офисных задач до мультимедийных проектов. В основе ExpertCenter PN54-S1 лежит современная аппаратная платформа AMD Hawk Point, использующая архитектуру Zen 4. Это поколение чипов отличается улучшенным управлением энергопотреблением и повышенной вычислительной мощностью. Новинка доступна в конфигурациях с процессорами Ryzen 7260, Ryzen 5220 и Ryzen 5210, представленных AMD в начале 2025 года. Таким образом, устройство охватывает широкий диапазон задач - от базовых офисных до ресурсоемких вычислений. Корпус мини-ПК выполнен из прочного алюминия и имеет размеры 130&#215;130&#215;34 мм, что делает его практически незаметным на рабочем столе или за монитором. Несмотря на компактность, внутренняя компоновка позволяет установить два модуля оперативной памяти SO-DIMM ...>>

Глазные капли, возвращающие молодость зрению 05.10.2025

С возрастом человеческий глаз постепенно теряет способность четко видеть на близком расстоянии - развивается пресбиопия, или возрастная дальнозоркость. Этот естественный процесс связан с утратой эластичности хрусталика и ослаблением цилиарной мышцы, отвечающей за фокусировку. Миллионы людей по всему миру сталкиваются с необходимостью носить очки для чтения или прибегают к хирургическим методам коррекции. Однако исследователи из Центра передовых исследований пресбиопии в Буэнос-Айресе представили решение, которое может стать удобной и неинвазивной альтернативой - специальные глазные капли, способные улучшать зрение на длительный срок. Разработку возглавила Джованна Беноцци, директор Центра. По ее словам, цель исследования состояла в том, чтобы предоставить пациентам с пресбиопией эффективный и безопасный способ коррекции зрения без хирургического вмешательства. Новые капли, созданные на основе пилокарпина и диклофенака, показали убедительные результаты: уже через час после первого пр ...>>

Случайная новость из Архива

Ионно-звуковые волны для нахождения космического мусора 20.02.2021

Международная группа ученых предложила новый способ обнаружения космического мусора с помощью ионно-звуковых волн, возникающих в результате движения мусорных объектов на низкой околоземной орбите.

Космический мусор - это неработоспособные объекты, запущенные человеком в космос, и их фрагменты, а также метеороиды и другие нерукотворные неактивные объекты в околоземном космическом пространстве. Эти объекты движутся в плазме, которая окружает околоземную орбиту. Поскольку скорость движения космического мусора может достигать 10 км/с, даже фрагменты размером в несколько микрон могут нанести серьезные повреждения летательным аппаратам, особенно пилотируемым. Для сравнения, человеческий глаз не способен разглядеть частицы размером менее 40 микрон.

Работы по мониторингу космического мусора ведутся давно, и наблюдение за волнами, которые возникают в плазме в результате движения мусора, заряженного под воздействием солнечного излучения и других видов космической радиации, может стать одним из методов непрямой детекции опасных мусорных фрагментов.

Так как плазма состоит из заряженных частиц, движение мусора оказывает на нее влияние, схожее с процессом образования волн на воде. В результате образуются ионно-звуковые волны - специфические волны, связанные с колебанием ионов, которые возникают в плазме. Они представляют собой волны уплотнения в плазме, поэтому они и называются акустическими, так как звук - это тоже волны уплотнения, но уже в воздухе. При достаточно высокой амплитуде они становятся нелинейными и преобразуются в солитоны - структурно устойчивые звуковые волны, распространяющиеся только в нелинейной среде. Отличительной чертой солитонов является то, что при взаимодействии друг с другом или с некоторыми другими возмущениями они не разрушаются, а продолжают движение, сохраняя свою структуру неизменной.

Ученые впервые рассчитали точные параметры ускоренного солитона, возникающего при движении космического мусора в плазме, при помощи математической модели, в которой член уравнения, отвечающий за космический мусор, называется источником. Он представляет собой заряд, который создает электрическое поле. Так как мусор движется, источник в уравнении меняется во времени и в пространстве. Это приводит к появлению ускоренных солитонов, а не обычных, которые движутся с постоянной скоростью.

Зная, как именно свойства характерных для космического мусора солитонов определяются положением и скоростью движения фрагментов в плазменной среде, становится возможным регистрировать опасные фрагменты на околоземной орбите по специфическим солитонам, которые они создают. Таким образом, работа ученых может составить теоретическую основу принципиально нового метода мониторинга движения космического мусора.

Другие интересные новости:

▪ Контейнерное судно с системой автопилотирования

▪ Достигнута скорость передачи данных 43 терабита в секунду

▪ Пробки надо прожаривать

▪ Газеты и Интернет: взгляд эколога

▪ Пропускнаая способность Wi-Fi повышена в 8 раз

Лента новостей науки и техники, новинок электроники

 

Интересные материалы Бесплатной технической библиотеки:

▪ раздел сайта Моделирование. Подборка статей

▪ статья Нельзя преодолеть пропасть в два прыжка. Крылатое выражение

▪ статья Как распределяются обязанности в муравьиной семье? Подробный ответ

▪ статья Кладовщик склада продуктов. Типовая инструкция по охране труда

▪ статья Антенна Прямоугольник UB5UG. Энциклопедия радиоэлектроники и электротехники

▪ статья Цветы из платка. Секрет фокуса

Оставьте свой комментарий к этой статье:

Имя:


E-mail (не обязательно):


Комментарий:




Комментарии к статье:

Сергей Мартынов, sergej_52@inbox.ru
Автор приёмника может дать консультации по сборке и налаживанию приёмника, ответит на вопросы.


Главная страница | Библиотека | Статьи | Карта сайта | Отзывы о сайте

www.diagram.com.ua

www.diagram.com.ua
2000-2025