Menu Home

Бесплатная техническая библиотека для любителей и профессионалов Бесплатная техническая библиотека


Самодельный ИБП для импортного трансивера. Энциклопедия радиоэлектроники и электротехники

Бесплатная техническая библиотека

Энциклопедия радиоэлектроники и электротехники / Гражданская радиосвязь

Комментарии к статье Комментарии к статье

Многим радиолюбителям, наверняка, на ум приходила такая мысль: "Как несуразно получается! Трансиверы неуклонно уменьшаются в размерах и в весе, а блоки питания по-прежнему остаются тяжелы и громоздки". Примерно также размышлял и автор этой статьи. Итогом этих размышлений стала разработка блока питания, который на данный момент успел побывать во многих радиоэкспедициях и на слетах, где в достаточно жестких условиях, сутками не выключаясь, питал импортные трансиверы более десяти различных моделей при полной выходной мощности как от стационарной осветительной сети, так и от бензоагрегатов.

Немного наблюдений

Интересные выводы можно сделать, творчески осмысливая параметры импортных трансиверов, приводимые в их "Руководстве пользователя" и в "Руководстве обслуживания" и мимо которых зачастую проходит взгляд даже искушенного радиолюбителя. Судите сами. Нужна ли стабилизация напряжения для трансивера, напряжение питания которого по паспортным данным может колебаться в пределах ±15 % от номинального значения в 13,8 В, в соответствии с ГОСТ сетевое напряжение может изменяться в пределах ±10 %?

Сторонникам жесткой, до милливольт, стабилизации в блоках питания можно порекомендовать замерить колебания напряжения питания непосредственно на разъеме трансивера, то есть с учетом падения напряжения на проводах, а также попробовать запитать трансивер от автомобильного аккумулятора. В первом случае можно увидеть просадку напряжения около 0,5 В, а во втором случае, с аккумулятором, и того больше, причем напряжение может колебаться как в минус, так и в плюс. Стоит ли после таких аргументов стремиться так уж тщательно стабилизировать напряжение в блоке питания?

Заглянув в принципиальную схему трансивера, можно еще больше утвердиться в мнении, что не стоит тратить лишние силы на стабилизацию. В самом трансивере есть собственная эффективная внутренняя система питания отдельных узлов. Вообще, ее можно разделить на три ветви: стабилизатор напряжения +5 В для питания всех цифровых микросхем, стабилизатор напряжения +9 В для питания предварительных каскадов приемопередающего тракта и, наконец, система питания выходного каскада передатчика. Только на усилитель мощности трансивера поступает полное напряжение с разъема питания, да и то оно проходит через внутренние фильтры и предохранители. От превышения его защищает мощный стабилитрон, рассчитанный на напряжение несколько выше предельно допустимого, включенный параллельно питающей цепи после предохранителей. Постоянство выходной мощности поддерживается системой ALC. В импульсных блоках питания пульсации с частотой преобразования легко отфильтровываются с помощью небольших по емкости и, соответственно, по габаритам конденсаторов, включенных после выходного выпрямителя.

Техническое задание

Все вышеприведенные соображения и легли в основу идеи той конструкции, которая ныне питает трансивер автора. Идея непривычная, нетрадиционная, и заключалась она в том, чтобы создать преобразователь переменного напряжения сети в постоянное напряжение, близкое к номинальному (13,8 В), с необходимой нагрузочной способностью, но без потерь на стабилизацию. Очевидно, что это устройство должно было использовать принцип высокочастотного преобразования выпрямленного сетевого напряжения. Дополнительные требования к конструкции - простота схемы, по возможности, отсутствие дефицитных, импортных дорогих деталей, максимальный КПД и минимально возможный уровень импульсных помех.

По предыдущему опыту было ясно, что полностью убрать импульсную помеху от источника при самодельном его изготовлении врядли удастся. Поэтому было решено применить кварцевую стабилизацию частоты преобразования и сделать эту частоту максимально высокой. Высокая частота преобразования позволяет лучше отфильтровать помехи, при этом уменьшая габариты блока питания. Кварцевая же стабилизация с "круглым" значением частоты преобразования, например, 50 кГц, позволяла сосредоточить пораженные участки в узкой полосе. После монтажа рабочего макета в стальной перфорированный корпус помехи от источника стали совсем незаметными. Но не стоит думать, что они исчезли вовсе. На самом деле их уровень настолько мал, что маскируется шумами эфира.

В результате получилось устройство со следующими параметрами: напряжение сети питания - 220 ±10% В; напряжение без нагрузки - 15,2 В; напряжение в режиме приема - 14,7 В; напряжение при передаче в режиме SSB (100 Вт, компрессия 25 дБ) - 13,5 В, в режиме CW (100 Вт) - 12,5 В; минимальный КПД- 85 %. Блок питания имеет габариты 100x60x80 мм и вес около 350 г.

Принцип действия

При первом взгляде на структурную схему источника питания (рис. 1) в ней нельзя найти ничего нового, по сравнению с уже известными структурными схемами подобных устройств, и это совершенно правильный вывод. В данной конструкции используются давно известные схемные решения, но элементная база новая.

Самодельный ИБП для импортного трансивера

Как и в других импульсных источниках, таких, например, как в любом современном телевизоре или компьютере, сетевое напряжение подается через фильтр, затем выпрямляется диодным мостом. Пульсации отфильтровываются электролитическим конденсатором. Величина выпрямленного напряжения на этом конденсаторе будет примерно 310 В. Это напряжение коммутируется мостовой "Н"-образной схемой на четырех полевых транзисторах. У специалистов этот узел называется "инвертер". С диагонали моста напряжение прямоугольной формы подается на понижающий трансформатор, выпрямляется, фильтруется и поступает на выход устройства.

Применение новых транзисторов позволило значительно увеличить крутизну фронтов на выходе инвертера, что, в свою очередь, позволило уменьшить время протекания сквозного тока через плечи моста в момент его переключения. Это обстоятельство, в свою очередь, позволило получить большой выигрыш в КПД каскада и поднять частоту преобразования. Эффективность ключевого каскада повысилась настолько, что оказалось возможным совсем отказаться от радиаторов для транзисторов. Причем, при максимальной мощности преобразователя, равной приблизительно 250 Вт, корпус блока питания за долгое время работы остается чуть теплым. Полевые транзисторы с изолированным затвором, в отличие от биполярных, не имеют эффекта накопления неосновных носителей в области базы - насыщения, что не затягивает их скорость переключения. В добавок, они способны регулировать свой ток стока при увеличении температуры корпуса.

Еще одно удивительное их свойство - они имеют бесконечно большой коэффициент усиления по мощности в статическом режиме, т. е. не потребляя мощности по цепи затвора способны коммутировать значительные мощности в цепи канала (участок сток-исток). Поэтому в динамическом режиме энергия затрачивается в основном на компенсацию заряда, накопленного на межэлектродной емкости затвор-исток во время предыдущего полупериода управляющего напряжения. Величина данной емкости составляет примерно 1000 пФ и определяет требования, предъявляемые к драйверу - он должен обеспечивать хорошую крутизну фронтов и постоянство амплитуды импульсов, подаваемых на затворы ключей, при работе на емкостную нагрузку. Современная элементная база помогла и тут. Цифровые микросхемы серии КР1554 (74НС) отлично справляются с поставленной задачей.

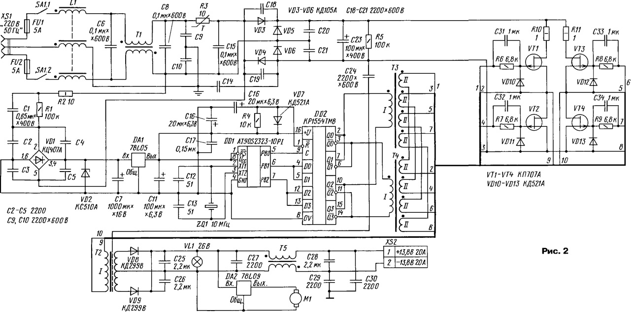
Принципиальная схема импульсного блока питания представлена на рис. 2.

Самодельный ИБП для импортного трансивера
(нажмите для увеличения)

Сетевое напряжение 220 В поступает на мостовую сборку VD1 узла питания драйвера через балластный конденсатор С1 и резистор R2, демпфирующий пусковой импульс тока. Все диоды этой сборки для нейтрализации их динамической емкости зашунтированы небольшими по емкости конденсаторами С2 - С4. Резистор R1 разряжает конденсатор С1 после выключения устройства.

Драйвер состоит из кварцованного генератора с частотой 50 кГц и из мощного каскада. Напряжения на затворы в нужных фазах подаются через трансформаторную схему сложения мощностей на двух ферритовых кольцах.

Питание на драйвер поступает от отдельного узла питания, использующего балластный конденсатор в сетевой цепи. Выпрямленное пульсирующее напряжение с моста подводится непосредственно к стабилитрону VD2. Обычно в подобных схемах в цепи стабилитрона, последовательно с ним, ставится ограничительный резистор, но в данном случае его роль выполняет сам конденсатор С1. От емкости этого конденсатора зависит максимальный ток, который можно получить от выпрямителя. Без дополнительного резистора схема также приобретает ряд полезных свойств: увеличивается КПД и нагрузочная способность. Если посмотреть осциллограмму напряжения на стабилитроне VD2, когда еще не припаяны фильтрующий конденсатор С7 и стабилизатор напряжения DA1, форма напряжения, по сравнению с формой выходного напряжения простого двухполупериодного выпрямителя с фильтрами, выглядит необычно. Вместо привычных "горбов" мы увидим почти постоянное, ровное напряжение, прорезанное тонкими отрицательными импульсами, возникающими в момент перехода синусоиды сетевого напряжения через ноль. Амплитуда импульсов равна напряжению стабилизации стабилитрона +10 В. Конденсатору С7 гораздо легче отфильтровать эти импульсы, чем двухполупериодное выпрямленное напряжение синусоидальной формы.

После монтажа стабилизатора DA1 и конденсатора С11 можно произвести первые испытания. Несколько раз с небольшими интервалами включить и выключить сетевое напряжение. Если ничего не взорвалось, можно оставить сеть включенной и проконтролировать напряжение на выходе стабилизатора +5 В. Затем необходимо проверить нагрузочную способность узла питания драйвера. Этот узел совсем не боится короткого замыкания, поэтому его нагрузочную способность грубо можно оценить, просто присоединив тестер, включенный как миллиамперметр, к выходу стабилизатора - параллельно выводам конденсатора С11. При этом стрелка прибора должна показать ток не менее 25 мА.

Внимание! Элементы схемы находятся под потенциалом осветительной сети и эксперименты (настройку, предварительные испытания) следует производить через разделительный сетевой трансформатор с коэффициентом трансформации 1:1, мощностью около 100 Вт.

Стабилизированное напряжение +5 В подается на драйвер - микросхемы DD1, DD2. Первая из них (DD1) - микроконтроллер семейства AVR разработки фирмы ATMEL. Для работы эту микросхему необходимо предварительно запрограммировать. Дамп машинных кодов прошивки приведен в таблице.

Самодельный ИБП для импортного трансивера

Надо сказать, что первый вариант блока питания был собран вообще без применения микроконтроллера: отдельный кварцевый генератор на 100 кГц, делитель на два и узел задержки запуска на RC-цепочке. Устройство было вполне работоспособно. Но оно имело неприятные переходные процессы во время запуска.

С микропроцессором такого явления нет. Контроллер DD1 выполняет три сравнительно простые задачи: гарантированную двухсекундную программную задержку после включения питания, выработку противофазных прямоугольных импульсов на своих выводах 6 и 7 и выработку стробирующих импульсов на выводе 5. Тактовые интервалы в микро-ЭВМ задаются кварцевым резонатором ZQ1 с частотой 10 МГц. Для установки микроконтроллера на плате желательно предусмотреть разъем. Функционирование запрограммированной микросхемы DD1 следует проверить осциллографом. На выводах 6 и 7 должен быть противофазный меандр с частотой 50 кГц, а на выводе 5 - короткие отрицательные импульсы. Амплитуда сигналов должна быть равна напряжению питания микросхемы +5 В, а фронты - крутыми, без завалов и выбросов. Ток потребления микросхемы DD1 - около 6 мА. С выходов контроллера импульсы подаются на входы микросхемы DD2. Это четыре D-триггера с общими входами синхронизации и сброса. Именно применением микросхемы DD1 блок питания обязан своими замечательными свойствами.

Серия КР1554 (ее импортный аналог 74НС) разработана уже достаточно давно и, по моему мнению, незаслуженно обойдена вниманием радиолюбителей. Вот только некоторые ее характеристики, взятые из справочника: напряжение питания - +1 ...7 В, ток потребления в статическом режиме - не более 80 мкА, выходной ток на отдельном выводе - до 86 мА, максимальная тактовая частота - 145 МГц. Два последних параметра и обеспечивают высочайшую скорость переключения ключей VT1 - VT4, минимизируя время протекания сквозных токов через плечи моста на этих транзисторах, а отсюда и высокий КПД, и отсутствие радиопомех. Цепочка С22, R4, VD7 служит для автосброса триггеров DD2 в момент включения сетевого питания. Конденсаторы С16, С17 - блокировочные. Они должны быть установлены вблизи выводов питания микросхем DD1, DD2. После установки микросхем на плату следует произвести очередные электрические измерения. Суммарный ток потребления процессора и триггеров без присоединенных трансформаторов Т3 и Т4 должен быть около 6,5 мА, а форма сигнала на выходах DD2 - прямоугольной, без выбросов и завалов на фронтах и спадах импульсов.

Два выходных трансформатора драйвера Т3 и Т4 идентичны по конструкции и намотаны проводом ПЭВ-0,1 на ферритовых кольцах марки НМ1000,.. НМ2000 с внешним диаметром около 10 мм. Обмотка выполнена "косичкой" из восьми медных проводников с лаковой изоляцией. Из них четыре проводника образуют первичную обмотку и соединены последовательно - начала с концами. Четыре оставшихся являются вторичными и соединены, как показано на схеме. Таким образом, каждый трансформатор получается понижающим с коэффициентом трансформации 4:1. Перед намоткой провода полотно скручивают (4 - 6 скруток на сантиметр). Все острые грани колец, и внешние, и внутренние, необходимо скруглить. Применение схемы из двух кольцевых трансформаторов с раздельными магнитными потоками позволило получить необходимую мощность драйвера.

На первый взгляд, казалось, что достаточно было бы возбудить все выходы микросхемы DD2 синфазно и запараллелить их, однако это помогает незначительно. Нагрузочная способность узла зависит от внутреннего сопротивления выходов микросхемы DD2. При параллельном соединении выходов их эквивалентное внутреннее сопротивление уменьшается в арифметической прогрессии, с применением же понижающего трансформатора оно уменьшается с геометрической прогрессией. Этот схемотехнический прием позволил получить необходимую нагрузочную способность драйвера при сохранении исходной крутизны фронтов и спадов импульсов. Напомню, что мощность драйвера расходуется в основном на перезарядку междуэлектродной емкости затвор-исток транзисторов VT1 - VT4. Такой способ сложения мощностей при желании можно применить и в выходном каскаде.

Как определить правильное число витков трансформаторов Т3, Т4? Критерием служит степень увеличения тока потребления драйвера при присоединении первичных обмоток трансформаторов к выходам микросхемы DD2. Вторичные обмотки при этом не нагружены. Эксперимент следует начинать со сравнительно большого числа витков - 30...40 и постепенно уменьшать их число, контролируя ток драйвера. Сначала ток увеличивается весьма незначительно, но с определенного момента каждый убранный виток будет приводить к резкому увеличению тока. Число витков надо оставить таким, чтобы ток холостого хода драйвера был на грани возрастания. При этом будут максимальная нагрузочная способность и КПД трансформаторов. Для удобства эксперименты можно производить одиночным проводом. Такую методику можно применить и для уточнения числа витков любого трансформатора - как сетевого, так и высокочастотного. Для описываемого блока питания суммарный ток потребления микросхем DD1, DD2 с трансформаторами Т3 и Т4 на холостом ходу, без нагрузки, должен быть около 8 мА. Нагрузочную способность драйвера проверяют с помощью резисторов сопротивлением около 100 Ом, временно присоединенных к вторичным обмоткам трансформаторов Т3, Т4. Осциллографом контролируют амплитуду и форму импульсов. Как и для прежних измерений, искажений прямоугольности быть не должно, а амплитуда импульсов должна быть около 5 В. После присоединения вторичных обмоток трансформаторов к цепям затворов транзисторов VT1 -VT4 ток потребления драйвера увеличится приблизительно до 12 мА.

Выходной каскад собран по мостовой схеме. Преимущества этой схемы, по сравнению с более распространенной полумостовой, очевидны: это учетверение выходной мощности, лучший КПД как самих транзисторов, так и выходного силового трансформатора Т2. Применяемые в силовом каскаде полевые транзисторы с изолированным затвором КП707А имеют "правую" характеристику зависимости тока стока от напряжения на затворе. Это значит, что ток через канал, участок сток-исток будет течь только при положительных значениях напряжения между истоком и затвором. Да и то, при напряжении на затворе менее 3 В транзистор все еще остается закрытым. Поэтому целесообразно "приподнять" амплитуду импульсов раскачки над нулевым уровнем. В противном случае отрицательные полупериоды этих импульсов пропали бы даром-транзисторы все равно закрыты! С этой задачей справляются RC-цепочки R6 - R9, C31 - C34 и диоды VD10 - VD13 в цепях затворов VT1 - VT4. Такой прием позволил уменьшить амплитуду напряжения раскачки вдвое. Кстати, "мертвая зона" напряжения на затворе автоматически обеспечивает защитный интервал между моментами выключения одного плеча моста и включением другого, что уменьшает величину сквозного тока через пары транзисторов в момент их переключения.

Питание выходных транзисторов осуществляется от выпрямителя сетевого напряжения, собранного по мостовой схеме на диодах VD3 - VD6. Конденсаторы С18 - С21 предотвращают возникновение модулирующей помехи, проникающей из сети. Конденсатор С23 сглаживает пульсации выпрямленного напряжения. При желании его емкость можно несколько увеличить. Резистор R5 разряжает этот конденсатор при выключении блока питания и предназначен в основном для обеспечения безопасности любителей попадать под остаточный заряд на высоковольтных электролитических конденсаторах. Резистор R3 (термистор с отрицательным температурным коэффициентом) обеспечивает демпфирование импульса тока зарядки конденсатора С23 в момент включения сетевого питания. В момент включения блока в сеть R3 имеет температуру окружающей среды и его сопротивление равно номинальному - 10 Ом. С повышением мощности в нагрузке мощность, рассеиваемая на этом элементе, также повышается и он начинает разогреваться. Вследствие этого его сопротивление падает. Он как бы сам себя закорачивает. Использование термистора дополнительно дает еще эффект некоторой стабилизации выходного напряжения блока питания. Он может быть заменен обычным резистором мощностью около 10 Вт с номиналом 5 Ом.

На входе блока питания стоит двухкаскадный фильтр L1 и Т1, С6, С8 - С10. Предварительный фильтр L1 выполнен на ферритовом кольце диаметром около 20 мм с проницаемостью 1000...2000 и содержит три обмотки, расположенные по радиусу под углом 120 градусов друг к другу и имеющие по три витка. Намотку выполняют сетевым проводом в ПВХ изоляции до равномерного заполнения всего периметра магнитопровода в один слой.

Для фильтрующего трансформатора Т1 используется ферритовое кольцо, подобное L1. Обе обмотки содержат по 30 витков, выполнены изолированным сетевым проводом и располагаются на диаметрально противоположных сторонах магнитопровода.

Номинальное значение напряжения, подаваемого с выхода сетевого выпрямителя на выходной каскад, равно +310 В, а ток, протекающий через оба плеча моста без подключенного выходного трансформатора Т2 с поданным управляющим напряжением от драйвера, не должен превышать 12 мА, т. е. по 6 мА на каждое плечо. Резисторы R10, R11 демпфируют импульсы сквозных токов через пары транзисторов VT1, VT2 и VT3, VT4. Их также можно использовать для осциллографического наблюдения амплитуды и формы этих импульсов. Для первых, после завершения монтажа выходного каскада, включений блока питания, можно порекомендовать пониженное напряжение питания 10...15 В, подаваемое от отдельного источника. Режим работы транзисторов VT1 - VT4 таков, что они вообще не нуждаются в радиаторах - на плате они расположены вертикально, в один ряд, и слегка обдуваются двенадцативольтовым вентилятором размерами 40x40 мм, взятым от компьютера. Питание вентилятора берется с выхода блока питания и поступает на мотор через стабилизатор на микросхеме DA2. При этом устройство получает достаточное охлаждение, а вентилятор не слышно.

Выходной трансформатор Т3 намотан на горшкообразном ферритовом магнитопроводе марки М2000НМ1 диаметром 30 мм. Надо проследить, чтобы магнитопровод был без зазора в керне. Первичная обмотка содержит 60 витков провода ПЭЛШО, намотка выполнена внавал, витки равномерно распределены по каркасу. Использование секционированного каркаса категорически недопустимо - первичную и вторичную обмотки наматывают в два слоя, одна над другой. В противном случае широкополосность трансформатора нарушается, возникают колебательные процессы и резко снижается общий КПД блока. Вторичную обмотку от первичной экранируют полоской медной фольги в изоляции. Экран образует полтора незамкнутых витка. Для вторичной обмотки используется жгут из четного числа проводников диаметром около 0,1 мм, скрученных вместе. Такой самодельный литцендрат заправляют в термоусадочную трубку диаметром 4...6 мм. Этой трубкой делают три витка поверх первичной обмотки. Затем проводники разделяют по числу на две равные группы. Начала первой группы соединяют с концами второй группы. Таким образом образуется обмотка из шести витков с выводом от средней точки.

После изготовления трансформатора Т1 и его монтажа - традиционный тест: замер тока выходных транзисторов в режиме холостого хода. Он должен быть около 25 мА при полном напряжении питания +310 В. Вторичная обмотка нагружена на двухполупериодный полумостовой выпрямитель на диодах VD8, VD9. Диоды расположены на общем радиаторе - алюминиевой пластинке размерами 30x40 мм. Радиатор, трансформатор Т1 и выходные транзисторы обдуваются вентилятором. Выпрямленное напряжение подается на выходной разъем XS2 через фильтр Т5, С25 - C3О. Трансформатор Т5 по конструкции аналогичен Т1, но выполнен более толстым проводом.

В блоке питания применены конденсаторы К73-17 емкостью 0,68 мкФ на напряжение 400 В (С1) и импортный фирмы Rubicon емкостью 100 мкФ на напряжение 400 В (С23). Для повышения надежности рекомендуем установить резисторы R1 и R5 сопротивлением 100 кОм мощностью не менее 1 Вт, а диоды КД2998 (VD8, VD9) заменить на 2Д252А или 2Д252Б или импортный 30CPQ060.

Конструктивно блок питания как "родился", так и по сей день существует в виде вполне добротно сделанного, но все же макета. Его внешний вид представлен на рис. 3.

Самодельный ИБП для импортного трансивера

Детали смонтированы на плате из двусторонне фольгированного стеклотекстолита методом поверхностного монтажа, без отверстий, на резанных "пятачках". Соединения выполнены проводами во фторопластовой изоляции. Метапизация на другой стороне платы сохранена.

Автор: С.Макаркин (RX3AKT), г.Москва

Смотрите другие статьи раздела Гражданская радиосвязь.

Читайте и пишите полезные комментарии к этой статье.

<< Назад

<< Назад

Последние новости науки и техники, новинки электроники:

Хорошо управляемые луга могут компенсировать выбросы от скота 15.02.2026

Животноводство, особенно разведение крупного рогатого скота, часто обвиняют в значительном вкладе в глобальное потепление из-за мощного парникового газа - метана, который выделяется при пищеварении у жвачных животных. Это вызывает острые политические споры и призывы к сокращению потребления мяса. Однако ученые напоминают, что полная картина климатического воздействия отрасли не ограничивается только выбросами от животных: огромную роль играет окружающая экосистема - пастбища, почва и растительность, которые способны активно поглощать углекислый газ из атмосферы. Исследователи из Университета Небраски-Линкольна решили глубже изучить этот баланс. Группа под руководством профессора Галена Эриксона сосредоточилась на том, как правильно организованные пастбища накапливают углерод в растениях и грунте благодаря естественным процессам, стимулируемым выпасом скота. Ученые подчеркивают, что при достаточном уровне осадков и грамотном управлении такие луга превращаются в мощные природные погло ...>>

NASA тестирует инновационную технологию крыла 15.02.2026

Коммерческая авиация ежегодно расходует колоссальные объемы керосина, что сказывается не только на бюджете авиакомпаний, но и на состоянии окружающей среды. В 2024 году глобальные затраты на авиационное топливо достигли 291 миллиарда долларов, и эта сумма продолжает расти. Чтобы справиться с этими вызовами, NASA активно работает над технологиями, способными заметно повысить аэродинамическую эффективность самолетов. Одним из самых перспективных направлений стало создание специальной конструкции крыла, которая максимизирует естественный ламинарный поток воздуха и минимизирует сопротивление. В январе 2026 года специалисты NASA Armstrong Flight Research Center успешно провели важный этап наземных испытаний концепции Crossflow Attenuated Natural Laminar Flow (CATNLF). Для эксперимента под фюзеляж исследовательского самолета F-15B закрепили вертикально ориентированную масштабную модель высотой около 0,9 м (3 фута), напоминающую узкий киль. Такая компоновка позволила подвергнуть прототип р ...>>

Забота о внуках очень полезна для здоровья мозга 14.02.2026

Общение между поколениями приносит радость всей семье, но мало кто задумывается, насколько активно бабушки и дедушки, заботящиеся о внуках, поддерживают свою умственную форму. Регулярное взаимодействие с детьми стимулирует мозг пожилых людей, помогая сохранять память, скорость мышления и общую когнитивную активность. Новые научные данные подтверждают, что такая добровольная помощь не только важна для общества, но и может замедлять возрастные изменения в мозге. Исследователи из Тилбургского университета в Нидерландах провели анализ, чтобы понять, приносит ли уход за внуками реальную пользу здоровью пожилых людей. Ведущий автор работы Флавия Черечес отметила, что многие бабушки и дедушки регулярно присматривают за детьми, и оставался открытым вопрос, насколько это положительно сказывается на их собственном благополучии, особенно в плане когнитивных функций. Ученые поставили цель выяснить, способен ли регулярный уход за внуками замедлить снижение памяти и других умственных способ ...>>

Случайная новость из Архива

Крысы-саперы лучше металлодетекторов 28.09.2015

В Камбодже, где во время гражданской войны 1970-х годов было установлено более 6 миллионов противопехотных мин, используют неожиданных помощников для обнаружения мин. Ими оказались специально обученные крысы, которые работают не только лучше металлодетекторов, но и собак-саперов.

Гамбийские хомяковидные крысы не только вынюхивают мины быстрее, но и покрывают большие территории с гораздо большей скоростью, чем обычные саперы размером покрупнее. Из-за своего веса крысы не могут подорваться на противопехотной мине, их нюх гораздо сильнее, чем у собак, к тому же работают они автономно, без кинолога, который нужен собакам.

Саперов-грызунов тренирует некоммерческая организация "Apopo", которую еще в 1998 году основал создатель проекта Барт Видженс, инженер из Антверпена. Крыс с самого рождения тренируют вынюхивать тринитротолуол, после чего они должны исследовать учебное минное поле и правильно пометить место, где они нашли мину, после чего грызуны получают награду. Спустя девять месяцев тренировок крысы готовы приступить к реальному разминированию.

На месте крыс сажают на ошейник и водят их по полю с помощью длинного шеста. Найдя мину, грызун не пытается ее выкопать, а только помечают, чтобы снарядом занялись специально обученные люди. Крысы невероятно эффективно подходят к делу, и полностью покрывают территорию размером в 200 квадратных метров за тридцать минут, тогда как у людей-саперов на это уходит минимум три дня.

После пять лет работы грызуны-саперы уходят на пенсию и доживают остаток своих дней в штаб-квартире Apopo в Танзании, где о них заботятся и кормят.

Всего гамбийские крысы с начала деятельности организации нашли 56 000 мин и неразорвавшихся снарядов и очистили территорию площадью около 23 миллионов квадратных метров.

Другие интересные новости:

▪ Робот-полицейский

▪ Электронная книга Amazon Kindle DX

▪ Внедорожник Ford Everest 2022

▪ Новые 75V StrongIRFET транзисторы от IR со сверхнизким RDSon

▪ Самый маленький двухмоторный турбореактивный самолет

Лента новостей науки и техники, новинок электроники

 

Интересные материалы Бесплатной технической библиотеки:

▪ раздел сайта Детская научная лаборатория. Подборка статей

▪ статья Египетские казни. Крылатое выражение

▪ статья Какое инженерное сооружение нашего времени является самым крупным? Подробный ответ

▪ статья Офис-менеджер. Должностная инструкция

▪ статья Совместная работа ветроэнергетической установки и вихревой трубы. Энциклопедия радиоэлектроники и электротехники

▪ статья Чудо-пистолет. Секрет фокуса

Оставьте свой комментарий к этой статье:

Имя:


E-mail (не обязательно):


Комментарий:





Главная страница | Библиотека | Статьи | Карта сайта | Отзывы о сайте

www.diagram.com.ua

www.diagram.com.ua
2000-2026