Menu Home

Бесплатная техническая библиотека для любителей и профессионалов Бесплатная техническая библиотека


1296 МГц - это очень просто!. Энциклопедия радиоэлектроники и электротехники

Бесплатная техническая библиотека

Энциклопедия радиоэлектроники и электротехники / Гражданская радиосвязь

Комментарии к статье Комментарии к статье

В статье приводится описание несложной аппаратуры, которая поможет радиолюбителям в начальном освоении диапазона 1296 МГц. Комплект аналогичной аппаратуры участвовал а соревнованиях "Полевой день - 2002" и, несмотря на простоту, позволил проводить связи на расстояния 150...200 км.

Цель данной публикации - показать коллегам-радиолюбителям, что бытующее мнение о трудности конструирования аппаратуры на диапазон 1260...1300 МГц не вполне справедливо. Статья предназначена для тех, кто, как и автор, еще не разучился пользоваться паяльником и предпочитает работать на аппаратуре собственного изготовления. Хотелось бы подчеркнуть, что и самодельная аппаратура может быть весьма высокого класса, в принципе, и даже лучше иного аппарата промышленного изготовления. Но в этом случае ее конструирование потребует значительного времени и сил.

Для ускорения освоения диапазона 1296 МГц была поставлена задача разработать аппаратуру максимальной простоты, позволяющую при хороших антеннах работать на расстояниях в несколько десятков километров и более. Изготовив описанный здесь простейший конвертер, можно принимать сигналы любительских станций, работающих на диапазоне 23 см. Если у радиолюбителя есть еще и передатчик диапазона 432 МГц, то, добавив к нему несложный варакторный утроитель, можно начать работу и на передачу.

Конвертер 1296/144 МГц

Конвертер предназначен для совместной работы с приемником двухметрового диапазона. Если этот приемник перекрывает лишь любительский участок 144... 146 МГц, то и на диапазоне 23 см перекрытие будет всего лишь 2 МГц. При большем перекрытии на двухметровом диапазоне будет и большее перекрытие на диапазоне 23 см. Обычно вполне достаточно полосы принимаемых частот 2 МГц, но при этом, для того чтобы выделить нужный принимаемый участок диапазона 1260... 1300 МГц, потребуется точный подбор частоты задающего генератора гетеродина конвертера. Например, для того, чтобы частоте 1296 МГц соответствовала частота настройки базового приемника 145 МГц, необходимо иметь кварцевый резонатор на 63,944 МГц. При большей полосе перекрытия базового приемника требования к частоте кварцевого резонатора менее жесткие.

Принципиальная схема конвертера показана на рис. 1.

1296 МГц - это очень просто!
(нажмите для увеличения)

Входной сигнал фильтруется укороченным полуволновым резонатором, образованным полосковой линией L1 и подстроечным конденсатором С1. Такое выполнение входной цепи позволяет использовать конденсатор типа КПК-МП, имеющий весьма большую, для данных частот, собственную индуктивность. Усилитель ВЧ в конвертере не предусмотрен, и первым каскадом является смеситель на диоде VD1. Отсутствие УВЧ объясняется тем, что, во-первых, чувствительность базового приемника, как правило, весьма высока и даже в таком простейшем варианте чувствительность всей системы на 1296 МГц будет порядка 1 мкВ. Во-вторых, на частотах порядка 1 ГГц для получения высокой чувствительности целесообразно установить УВЧ непосредственно возле антенны, в виде отдельного блока. Такой блок может быть изготовлен в дальнейшем.

Особенностью данного конвертера является также то, что смеситель работает на третьей гармонике гетеродина и в нем применен широко распространенный диод с барьером Шоттки типа КД922А, который, имея предельную паспортную частоту 1000 МГц, хорошо работает и на 1300 МГц. Работа смесителя на третьей гармонике означает то, что последнее утроение частоты генератора, служащего гетеродином, осуществляется в самом смесительном диоде VD1 без выделения соответствующей частоты каким-либо контуром. Применение диода с барьером Шоттки является существенным. Расчеты, проведенные автором, показывают, что применение обычного диода с р-n переходом и сохранение высокой эффективности преобразования на третьей гармонике требует напряжения гетеродина около 5 В непосредственно на диоде, что приводит к неоправданному усложнению гетеродина.

В связи с тем, что смеситель работает на высшей гармонике гетеродина, к диоду приложено также постоянное запирающее автоматическое смещение, формируемое на резисторе R1. По расчетам, при напряжении гетеродина около 1 В и токе через диод КД922А, равном 0,25 мА, эффективность преобразования на третьей гармонике гетеродина оказывается всего на 2 дБ хуже, чем эффективность преобразования на первой гармонике гетеродина. Рабочий ток диода обеспечивается подбором резистора R1.

В данной конструкции при закороченном резисторе автоматического смещения ток через диод должен быть не менее 0,4 мА, иначе эффективность преобразования начнет снижаться. Большее значение тока только увеличивает эффективность преобразования, хотя и незначительно. В любом случае необходимо добиться максимального напряжения гетеродина и подбором резистора автосмещения установить ток через диод, обеспечивающий максимальную чувствительность. Обычно это около 0,25 мА.

Гетеродин конвертера трехкаскадный и состоит из стабилизированного кварцем ZQ1 задающего генератора на транзисторе VT3 и двух умножителей частоты на транзисторах VT2 и VT1. Кварцевый резонатор ZQ1 возбуждается на пятой механической гармонике, что дает частоту 63,5 МГц. В умножителях для улучшения фильтрации применены двухконтурные полосовые фильтры. В фильтре L6C10C11C12L7 выделяется вторая гармоника частоты задающего генератора - 127 МГц, а в фильтре L2C2C4CсвL5C3 выделяется третья гармоника частоты 127 МГц - 381 МГц. Конденсатор Ссв выполнен конструктивно, так как нужна весьма малая его емкость.

Напряжение гетеродина с частотой 381 МГц поступает на смесительный диод VD1, причем последний контур гетеродина L2C2C4 по отношению к сигналу промежуточной частоты работает как фильтр нижних частот. Контур L3C6L4 осуществляет фильтрацию сигнала ПЧ, а также согласование смесителя с входом базового приемника.

В задающем генераторе автором применен специальный гармониковыи кварцевый резонатор на 63,5 МГц, но может также использоваться обычный резонатор на 12,7 МГц. При этом, однако, следует иметь в виду, что не все экземпляры таких резонаторов устойчиво работают на пятой механической гармонике. Можно также применить резонатор с основной частотой 14,1 МГц, возбудив его на третьей механической гармонике - 42,3 МГц. Для этого необходимо увеличить емкость конденсатора С15. В таком варианте в первом умножителе должна выделяться третья гармоника задающего генератора - 126,9 МГц.

Конвертер собран на плате из фольгированного стеклотекстолита толщиной 1,5 мм. Ее габариты и расположение элементов на ней показаны на рис. 2. Фольга платы, используемая в качестве общего провода, должна покрывать большую часть платы.

1296 МГц - это очень просто!

Монтаж выполнен навесным способом на выводах элементов с использованием также нескольких монтажных площадок, вырезанных острым ножом. Можно также применить известную технологию изготовления монтажных площадок, некогда предложенную С. Жутяевым (RW3BP). В качестве точек крепления деталей используются статорные выводы подстроенных конденсаторов (роторные выводы припаивают к фольге платы, чем обеспечивается жесткое крепление конденсаторов).

Не следует забывать, что на СВЧ длина соединительных проводов и выводов устанавливаемых деталей должна быть минимальной. На этих частотах и 5 мм - уже весьма длинный проводник. Особенно это касается выводов смесительного диода VD1, длина которых должна быть минимальной. При пайке диода необходимо применять теплоотвод и желательно использовать низкотемпературный припой.

В конвертере применены подстроенные конденсаторы КПК-МП, постоянные - КД, КТ или КМ. Конденсатор С4 желательно использовать безвыводный, типа К10-42. Конденсатор Ссв - два отрезка провода ПЭВ-2 диаметром 1 мм и длиной 15 мм, расположенных на расстоянии 1 мм друг от друга. На один из них желательно надеть фторопластовую трубку во избежание замыканий.

В качестве блокировочных конденсаторов С5, С8, С13, С19 удобно применить опорные конденсаторы, что уменьшит требуемое количество вырезаемых монтажных площадок, так как в их качестве можно будет использовать выводы этих конденсаторов. Все резисторы - МЛТ-0,25. Транзисторы можно заменить на KT316, KT325 с любой буквой.

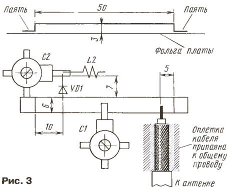
Линия входного резонатора L1 изготовлена из полоски медной фольги шириной 6 и длиной 62 мм. Выгибается П-образная скобка длиной 50 мм и высотой 3 мм с откосами по 3 мм (см. верхнюю часть рис. 3), которую затем припаивают к плате. Толщина медной фольги не существенна, лишь бы она обеспечивала достаточную механическую прочность конструкции (0,2 мм уже достаточно). В центре линии припаивается статорный вывод подстроечного конденсатора С1. Выводы ротора конденсатора припаиваются к "общему проводу" (нижняя часть рис. 3).

1296 МГц - это очень просто!

Катушки индуктивности L2-L8 бескаркасные, намотаны медным голым проводом диаметром 0,8 мм. Катушки L2, L5 имеют по 2 витка, намотанных на оправке диаметром 4 мм, длина намотки - 7 мм. Катушки L3, L4 - по 7 витков, намотанных на оправке диаметром 6 мм, длина намотки - 14 мм. Отвод у L4 от третьего слева по схеме витка. Катушки L6, L7 - по 4,5 витка, намотанных на оправке диаметром 6 мм, длина намотки - 10 мм. Отвод у L7 от 1-го витка, считая от "горячего" конца. Катушка L8 имеет 6 витков, намотанных на оправке диаметром 6 мм, длина намотки - 18 мм. Отвод у L8 от верхнего по схеме 2-го витка.

Вход конвертера соединяют с ВЧ разъемом небольшим, подходящим по конструктивным соображениям, отрезком коаксиального кабеля. Оплетку кабеля необходимо припаять к общему проводу платы (не расплетая ее) в непосредственной близости от точки входа. Кабель лучше применить с фторопластовой изоляцией, которая не плавится при пайке. Входной разъем удобно применить "кабельного" типа, например, СР-50-1, CP-50-163. Если использовать разъем "приборного" типа, то необходимо соединить оплетку кабеля с корпусом разъема, непосредственно возле изолятора разъема, несколькими полосками фольги минимально возможной длины. В остальном конструкция конвертера особенностей не имеет.

Настройка конвертера сводится к настройке контуров на указанные частоты и установке рабочего тока через диод смесителя. Для этого на этапе настройки последовательно с резистором R1 необходимо включить миллиамперметр с током полного отклонения 1 мА. То, что в контурах умножителей гетеродина выделяются нужные гармоники и то, что задающий генератор работает на нужной частоте, желательно проконтролировать по подходящему приемнику. Необходимо помнить, что при изменении режима смесительного диода несколько расстраивается входной резонатор и последний контур гетеродина за счет изменения емкости диода. Поэтому при изменении резистора автосмещения диода надо подстраивать контуры.

В качестве входного сигнала на первом этапе настройки автор использовал сигналы базовых станций системы GSM-900, которые работают около частоты 960 МГц, настроив входной резонатор на зеркальный канал. Подстроечным конденсатором С1 входной резонатор перестраивается в пределах примерно 800...1500 МГц. При использовании кварца на 63,5 МГц сигналы GSM-900 (характерное жужжание цифровой передачи) прослушиваются при настройке приемника на частоту (приблизительно!) (3 х 381) - 960 = 183 МГц. Также эти сигналы прослушиваются на частоте 960 - (2 х 381) = 198 МГц (преобразование на второй гармонике гетеродина). Следует выбирать преобразование на рабочей третьей гармонике гетеродина (максимумы эффективности преобразования на разных гармониках гетеродина соответствуют несколько разным настройкам). После этого останется только перестроить входной резонатор на рабочую частоту (тут уж понадобится сигнал с частотой любительского диапазона), подстроить конденсатором С6 выходной контур конвертера на промежуточную частоту и немного уточнить настройку контура L2C2C4.

Умножитель 432/1296 МГц

Простой умножитель частоты 432/1296 МГц, схема которого приведена на рис. 4, в сочетании с передатчиком, работающим в диапазоне 430...433 МГц, позволяет получить сигнал, лежащий в диапазоне 1290...1299 МГц.

1296 МГц - это очень просто!

В качестве варактора в конструкции применен переход база-коллектор транзистора КТ610А. Также был опробован транзистор КТ913А, позволивший получить большую мощность. Выбор транзистора в качестве варактора обусловлен удобным его конструктивным исполнением, позволяющим применить последовательную схему умножителя. Выводы эмиттера транзистора не используются, и их необходимо отрезать в непосредственной близости от корпуса транзистора.

Как показали проведенные эксперименты и теоретические расчеты, для получения достаточной эффективности генерации третьей гармоники необходимо в схему ввести так называемый "холостой контур", настроенный на вторую гармонику входного сигнала. Этот "холостой контур" обозначен на схеме как L2C4 и включен на входе варактора. На выходе умножителя применены два связанных резонатора L3C5L4L5C6, что позволяет получить низкий уровень побочных излучений. Конструкция резонаторов (как выходных, так и "холостого") идентичны примененным в конвертере. Напомним, что такой резонатор можно перестраивать в диапазоне 800... 1500 МГц подстроечным конденсатором и поэтому "холостой контур" по конструкции идентичен выходным, хотя он и настраивается на другую гармонику входного сигнала.

В случае, когда настроить "холостой контур" на 864 МГц не удается, можно несколько увеличить емкость конденсатора C3. Входной резонатор L1C1, настроенный на 432 МГц, представляет собой "половину" резонатора на 1296 МГц, и, кроме того, в нем применен подстроенный конденсатор большей емкости.

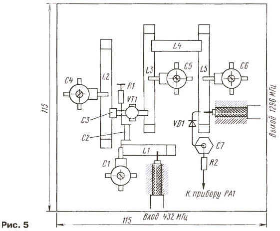
Смонтирован умножитель на пластине из фольгированного стеклотекстолита (можно применить и медный лист). Расположение деталей показано на рис. 5. Необходимые конструктивные размеры резонаторов и точки подключения элементов к ним приведены на рис. 4. Особенности подсоединения входного и выходного коаксиального кабелей и замечания относительно разъемов, как и в первой части статьи.

1296 МГц - это очень просто!

Для настройки умножителя желательно иметь подходящий селективный микровольтметр или хотя бы сканер. В первую очередь настраивают входной резонатор L1C1 на частоту 432 МГц, затем - "холостой контур" L2C4 на вторую гармонику - 864 МГц. Для этого на вход умножителя необходимо подать сигнал с частотой 432 МГц мощностью 1...2 Вт и, принимая на сканер сигнал второй гармоники, настроить конденсаторы С1 и С4 по максимальному уровню принимаемого сигнала. Антенну сканера, скорее всего, потребуется отключить. В дальнейшем, при настройке выходных резонаторов L3C5 и L5C6, необходимо несколько раз подстраивать С1 и С4, так как настройки влияют друг на друга

Настройку выходных резонаторов конденсаторами С5 и С6 необходимо осуществить по максимуму показаний индикатора выхода РА1, микроамперметра с током полного отклонения 200 мкА. Следует не забывать, что диапазон перестройки резонаторов подстроечными конденсаторами достаточно велик, и можно ошибочно настроить выходные резонаторы на вторую гармонику вместо третьей. Обычно настройка на вторую гармонику получается при емкости подстроечного конденсатора, близкой к максимальной, а на третью - примерно в среднем положении ротора конденсатора. Кроме того, настойка резонаторов несколько зависит от уровня входного сигнала. Поэтому при изменении мощности передатчика на 432 МГц необходимо уточнить настройку. При правильной настройке умножителя его КПД должен составлять 50...70 %. Поэтому, подведя к нему сигнал мощностью порядка 5 Вт, например, на частоте 432 МГц, можно получить мощность 2,5...3,5 Вт на частоте 1296 МГц.

Автор: А.Юрков (RA9MB), г.Омск

Смотрите другие статьи раздела Гражданская радиосвязь.

Читайте и пишите полезные комментарии к этой статье.

<< Назад

<< Назад

Последние новости науки и техники, новинки электроники:

Власть является ключевым фактором счастья в отношениях 11.03.2026

Исследования семейных и романтических отношений показывают, что длительное счастье пары зависит не только от привычных факторов, таких как доверие, уважение и преданность, но и от более тонких психологических аспектов. Современные ученые ищут закономерности, которые отличают действительно счастливые пары от остальных, чтобы понять, какие механизмы поддерживают гармонию в отношениях. Группа исследователей из Университета Мартина Лютера в Галле-Виттенберге и Бамбергского университета провела опрос среди 181 пары, которые состояли в совместных отношениях более восьми лет и прожили вместе хотя бы месяц. Участники заполняли анкету, описывая различные аспекты своих отношений, включая распределение обязанностей, эмоциональную поддержку и степень вовлеченности в совместные решения. Анализ данных показал интересный паттерн: пары, где оба партнера ощущали высокий уровень личной власти, оказывались наиболее счастливыми и удовлетворенными. В данном контексте под властью понимается способност ...>>

Защищенная колонка-повербанк Anker Soundcore Boom Go 3i 11.03.2026

Компания Anker представила новую модель линейки Soundcore - колонку Soundcore Boom Go 3i, ориентированную на активное использование на улице. Новинка отличается высокой степенью защиты: корпус соответствует стандарту IP68, что обеспечивает водо- и пыленепроницаемость, а ударопрочный дизайн выдерживает падение с высоты до одного метра. За качество звука отвечает 15-ваттный драйвер, обеспечивающий пик громкости до 92 дБ, а технология BassUp 2.0 усиливает низкие частоты, делая звучание более насыщенным. Колонка обладает автономностью до 24 часов, а LED-индикатор позволяет контролировать уровень заряда батареи. Кроме того, Soundcore Boom Go 3i может выполнять функцию павербанка: согласно внутренним тестам, устройство способно зарядить iPhone 17 с нуля до 40% за один час, что делает его полезным аксессуаром в походах и поездках. Среди функциональных особенностей модели стоит выделить технологию Auracast, которая улучшает подключение и позволяет создавать стереопару из двух колонок ...>>

Раннее воздержание от алкоголя перестраивает мозг и иммунитет 10.03.2026

Алкогольная зависимость - хроническое расстройство с компульсивным употреблением спиртного, которое влияет не только на поведение, но и на функционирование мозга и иммунной системы. Недавние исследования показали, что даже на ранних этапах воздержания организм начинает перестраиваться, открывая новые возможности для терапии зависимости. Ученые сосредоточились на пациентах, находящихся в первые недели абстиненции, и зафиксировали значительные изменения в мозговой активности. С помощью функциональной магнитно-резонансной томографии они выявили перестройку сетей нейронных связей, отвечающих за контроль импульсов и принятие решений. Эти изменения могут быть ключевыми для восстановления самоконтроля и снижения риска рецидива. Одновременно с нейронной перестройкой исследователи наблюдали колебания иммунной системы. В крови повышался уровень цитокинов - сигнальных белков, регулирующих воспалительные процессы. Эти данные свидетельствуют о существовании нейроиммунного взаимодействия, при ...>>

Случайная новость из Архива

Запущен гибридный самолет 05.01.2015

Промежуточным звеном для адаптации водителей и смены приоритетов автопроизводителей для плавного перехода мировой индустрии от чисто бензиновых и дизельных авто к транспортным средствам с электрической установкой можно назвать так называемые "гибриды", совмещающие в себе сразу два силовых агрегата. Однако в таком случае электромотор зачастую выполняет вспомогательную функцию, включаясь в работу вместо ДВС в режиме малых нагрузок. Кроме того, экономить топливо помогает и применяемая в гибридных автомобилях система рекуперативного торможения, позволяя восполнять заряд аккумулятора при торможении для питания электромотора бесплатной энергией.

По аналогичному принципу исследователи из Кембриджского университета совместно со специалистами корпорации Boeing разработали первую в мире гибридную версию самолета, представив миру более экологическую модификацию компактного одноместного летательного аппарата с уменьшенным расходом топлива.

Испытательные полеты детища Boeing и британских конструкторов успешно завершились несколько дней назад. Выбранная для проекта концепция функционирует по той же схеме, по которой работает электромотор в машинах-гибридах. Конструкция самолета предусматривает установку одного поршневого авиационного двигателя и электромотора, который активизируется и обеспечивает дополнительную тягу лишь в определенных случаях. К ним относятся взлет, набор высоты, а также различного рода критические ситуации, когда возникает необходимость в дополнительной мощности.

Во время полета в штатном режиме осуществляется подзарядка батарей от поршневого двигателя. За счет выбора максимально сбалансированного режима работы основной силовой установки и наличия дополнительной электрической тяги инженеры сумели добиться до 30 % экономии горючего. На данном этапе технология далека от серийного внедрения на коммерческих лайнерах, но уже сейчас она демонстрирует весьма неплохие результаты. Тестовые полеты гибридного самолета проходили в воздушном пространстве Великобритании, однако высота полетов самолета ограничилась скромными 500 м.

"Несмотря на то, что гибридные авто стали доступными еще десять лет назад, развитие гибридной авиации сдерживалось технологиями изготовления современных аккумуляторов. До недавнего времени батареи были слишком тяжелыми, громоздкими и не обладали при таких габаритных размерах должной емкостью. С появлением усовершенствованных литий-полимерных аккумуляторов ситуация изменилась, что позволило воплотить концепцию небольшого гибридного самолета в реальность уже сегодня", - поделился своим видением ситуации руководитель проекта Доктор Пол Робертсон (Dr. Paul Robertson) из Кембриджского университета.

Другие интересные новости:

▪ Фотокамера с проектором

▪ Виртуальный телекинез

▪ У летучих мышей не бывает диабета

▪ Создан самый мощный в мире магнит

▪ NFC-модуль для работы с динамической меткой ST25DV04

Лента новостей науки и техники, новинок электроники

 

Интересные материалы Бесплатной технической библиотеки:

▪ раздел сайта Культурные и дикие растения. Подборка статей

▪ статья Джек Лондон. Знаменитые афоризмы

▪ статья Какие бывают повороты парусного корабля? Подробный ответ

▪ статья Арабский чай. Легенды, выращивание, способы применения

▪ статья Заземление и зануление. Справочник

▪ статья Шляпа уличного фокусника. Секрет фокуса

Оставьте свой комментарий к этой статье:

Имя:


E-mail (не обязательно):


Комментарий:





Главная страница | Библиотека | Статьи | Карта сайта | Отзывы о сайте

www.diagram.com.ua

www.diagram.com.ua
2000-2026