Menu Home

Бесплатная техническая библиотека для любителей и профессионалов Бесплатная техническая библиотека


Подавитель эфирных помех. Энциклопедия радиоэлектроники и электротехники

Бесплатная техническая библиотека

Энциклопедия радиоэлектроники и электротехники / Гражданская радиосвязь

Комментарии к статье Комментарии к статье

Ухудшающаяся с каждым днем помеховая обстановка на любительских диапазонах требует от коротковолновиков принятия эффективных мер по борьбе с помехами. Далеко не всегда радиолюбителю под силу устранить помехи в местах, где они возникают. Проблему приходится решать совершенствованием аппаратуры и антенных устройств в месте приема. Эффективный путь для устранения помех определенного вида предлагается в этой статье.

Принцип работы

Прибор, о котором рассказывается в этой статье, устанавливают на входе приемника. Он предназначен для подавления эфирных помех, приходящих с определенного азимута, который оператор может произвольно устанавливать на любой частоте в полосе частот от 1,8 до 30 МГц.

Даже приемник очень высокого класса беспомощен, если мощная эфирная помеха "накрывает" полезный сигнал. В какой-то мере решить эту проблему может направленная антенна, которая обладает пространственной избирательностью. Если помеха и полезный сигнал идут не с одного направления, то, развернув антенну минимумом диаграммы направленности (ДН) на источник помехи, удается улучшить отношение сигнал/помеха (С/П). У хорошо спроектированной антенны отношение назад/вперед (F/B) достигает 30...40 дБ.

Конечно, не все проблемы эфирных помех удается решить, используя пространственную избирательность антенной системы. Во-первых, это невозможно, как уже отмечалось, если полезный сигнал и помеха приходят с одного направления. Во-вторых, если помеха идет со всех направлений. Ну и, наконец, использовать традиционные направленные антенны для подавления помех нереально на низкочастотных любительских диапазонах.

Но помехи, приходящие со всех направлений, - явление редкое. Гораздо чаще они локализованы по азимуту. Их источником может быть:

  • плохо отлаженный промышленный передатчик;
  • исправный, но расположенный очень близко и перегружающий вход приемника;
  • искрящие ЛЭП или линии освещения;
  • гроза на удалении до нескольких десятков километров;
  • передатчик соседа - коротковолновика;
  • источник промышленных шумов (например, завод, расположенный по соседству).

В этих случаях, если азимут полезного сигнала отличается от азимута помехи хотя бы на несколько градусов, прибор, о котором идет речь в статье, может улучшить отношение С/П. В зависимости от конкретной ситуации это улучшение лежит в пределах от нескольких до 30...40 дБ. Даже если у вас имеется направленная вращающаяся антенна, то он будет вам полезен. Вряд ли ваша антенна имеет возможность изменять угол места, а при подавлении местных помех очень может потребоваться минимум ДН под определенным зенитным углом. И уж точно она не имеет равномерного отношения F/B во всей рабочей полосе частот (на ее краях оно, как правило, уменьшается).

Так как же реализовать приемную направленную антенну с возможностью вращения минимума ее ДН? На помощь приходят антенные системы, состоящие из двух антенн, сигналы которых проходят обработку пассивными и активными цепями, а затем суммируются. Пусть имеются две разные антенны, расположенные на некотором (не ближе чем на 0,05А.) расстоянии друг от друга. Ясно, что одна и та же электромагнитная волна наведет в обеих антеннах разные ВЧ токи. Разность фаз этих токов будет определяться как расстоянием между антеннами, так и азимутальным углом прихода сигнала. Разница амплитуд - размерами антенн и их взаимным расположением.

Пусть разность фаз сигналов помехи на выходах обеих антенн будет Δφ1, а амплитуды - разные. Уравняем сигналы от каждой из антенн по амплитуде, например, включив в кабель с более сильным сигналом аттенюатор, и сдвинем фазу одного из сигналов на величину Δφ = 180 - Δφ1. Тогда суммарный фазовый сдвиг будет точно 180 градусов. Очевидно, что если теперь сложить оба сигнала, то в сумме получится ноль (два противофазных сигнала одинаковой амплитуды). Этот "ноль" (а точнее, не ноль, а некоторый минимум) - очень узкий и глубокий. Каждый, кто хоть раз настраивал балансную схему на подавление сигнала (например, балансный модулятор), поймет, о чем идет речь. Глубина минимума зависит от точности выравнивания амплитуд и точной противофазности складываемых сигналов и может достигать 40..60 дБ. И даже больших значений при хорошем сумматоре, исключающем прямое прохождение сигнала. Вот настолько и можно ослабить помеху.

А как же изменится полезный сигнал? Если азимут его прихода отличен от азимута помехи, то разность фаз полезного сигнала, наведенного в обеих антеннах, уже будет не Δφ1, а какая-то иная, скажем, Δφ2. Значение этого факта очень велико, потому что сумма Δφ + Δφ2 уже не будет равной 180 градусам. То есть полезные сигналы на сумматоре, не будучи в точности противофазными, ослабятся намного меньше, чем помеха. Отклонение от точной противофазности сигналов даже на несколько градусов уменьшает ослабление сигнала на 15...20 дБ. И именно настолько возрастает отношение С/П на выходе сумматора. Если же фазовый сдвиг Δφ1 отличается от Δφ2 значительно (на десятки градусов), то полезный сигнал практически не ослабляется и улучшение С/П достигает 40...60 дБ. Если же Δφ1 отличается от Δφ2 на 180 градусов (даже не очень точно, тут отличие в 20...60 градусов допустимо), то полезный сигнал на выходе сумматора возрастает почти вдвое (принятый обеими антеннами он складывается в фазе). Это дает дополнительное улучшение отношения С/П на 6 дБ.

"Это все хорошо, но второй антенны для каждого диапазона у меня нет. И не предвидится. Что тогда?" - спросит читатель. Дело изрядно упрощается тем. что нам нужна приемная антенна, а следовательно, ее степень согласования с фидером и КПД решающего значения не имеют. По этой причине в качестве второй антенны можно с успехом использовать антенну другого диапазона и/или отдельную приемную антенну. Можно вообще использовать просто две приемные антенны.

Для обработки сигналов с антенн нам требуется двухканальный сумматор с возможностью управлять амплитудой в обоих каналах (кто же знает, в какой из антенн сигнал больше будет) и фазой на 360 градусов в одном из каналов (поскольку речь идет о разности, то тут достаточно ее регулировать в одном). То есть всего-то дел: два аттенюатора, один фазовращатель и один сумматор.

Таких устройств (под разными названиями) описано немало. Промышленно выпускаются MFJ-1026 и ANC-4. И это только то, что мне удалось вспомнить, реально же - намного больше.

Что можно достичь с их помощью? При хорошо сделанном приборе все зависит от антенн и их взаимного расположения. На рис. 1 показаны полученные в программе моделирования антенн MMANA диаграммы направленности. Диапазон - 80 метров. Использованы две антенны - основная Inverted V на мачте высотой 15 м и дополнительная приемная рамка со стороной 1 м, расположенная вертикально. Расстояние между антеннами - 20 м.

Подавитель эфирных помех

Показаны не все возможные ДН, а только их часть, относящаяся к сектору 0...90 градусов (для сектора 90..360 градусов поворотом получаются точно такие же, но повернутые ДН). Видно, что при углах 310...50 и 130...230 градусов можно получить значительное (до 20 дБ) улучшение отношения С/П. Для углов же 50..130 и 230...310 градусов улучшение намного меньше - несколько дБ. Хотя и несколько дБ на дороге не валяются (в ряде случаев это вопрос состоится QSO или нет), все же лучше для этих углов использовать другую дополнительную антенну, расположенную под углом 90 градусов относительно первой рамки.

На рис. 2 показаны ДН в диапазоне 160 метров при фазировке укороченного вертикала с емкостными нагрузками и аналогичной первому примеру отдельной приемной вертикальной рамки. Расстояние между антеннами - 20 м.

Подавитель эфирных помех

Тут я привел больше ДН, чтобы продемонстрировать, в каких пределах можно менять положение минимума (а он достигает 30...40 дБ). В принципе, тенденция, похожая на предыдущий случай, - для секторов 310...50 и 130...230 градусов можно достичь очень глубокого подавления. Для остального же полукруга (то есть 50.. 130 и 230...310 градусов) лучше бы использовать иную дополнительную рамку.

Следует отметить, что подавление помехи (минимумы) на двух приведенных выше рисунках характеризует не качество прибора фазирования (оно предполагается хорошим), а именно свойства данных, конкретных двухэлементных активных систем. При иных антеннах и ином их расположении подавление может быть как большим, так и меньшим.

Желательно, чтобы фазируемые антенны были согласованными по поляризации. Попытка сфазировать диполь и вертикал хорошего результата не даст. Хотя это зависит еще и от высоты антенн над землей - у диполя ведь есть и излучение с вертикальной поляризацией.

Важно отметить, что вторая антенна не должна быть куском провода, лежащим на столе. Это должна быть полноценная приемная антенна, а не "шумовая", как ее иногда называют. Совсем безответственны рекомендации (хотя они проникли даже в мануалы на упомянутые приборы) размещать телескопический штырь или проволочку вблизи источника помех (скажем, ТВ или компьютера). Такой штырь, кроме донимающих основную антенну помех (которые удастся сфазировать и подавить), примет дополнительно кучу разнообразного домашнего "мусора" (наводки от сетей и т. п.), которые подавить будет нельзя. Просто потому, что их "не слышит" основная антенна. В результате принимаемый сигнал "обогатится" всяким "мусором", принятым телескопической антенной. Выглядит это так, как будто тот источник помех, с которым мы боремся, изрядно слабеет (мы его сигналы фазируем), но зато появляется много отсутствовавшего ранее "мусора". С источниками помех дома намного лучше бороться, непосредственно устраняя их излучение (фильтры развязки, заземление корпуса и т. д.).

Вот почему вторая антенна хотя может быть и небольшой, и несогласованной, но размещаться она должна неподалеку от основной антенны - в таком месте, где она не соберет дополнительных помех. Минимальное расстояние между антеннами 0,05λ. Слишком малое расстояние приводит к узкой полосе, в которой подавляется помеха, и возникает необходимость подстраивать фазовый сдвиг в приборе при изменении рабочей частоты. Очень большое расстояние между антеннами, вопреки распространенному мнению, не приводит к улучшению параметров подавления (но и не ухудшает их). Оптимальным со всех точек зрения будет расстояние в пределах от 0,1 до 0,5λ.

При моделировании такой двухэлементной системы в MMANA необходимо установить два источника (по одному в каждую антенну), на меньшую антенну вручную поставить намного большее напряжение (скажем, 10 В) и провести оптимизацию по амплитуде и фазе меньшего источника (подключенного к большей антенне) по критерию F/B. Причем для источника с малой амплитудой надо вручную установить очень маленький шаг изменения напряжения (что-то вроде 0,0001 V). Для получения подавления в требуемом направлении поверните в MMANA всю антенную систему ("Правка - Вращать вокруг оси - Z") по азимуту так, чтобы нужное направление совпало бы с 180 градусами. Это требование ММ AN А - отношение F/B вычисляется в программе по линии 0-180 градусов.

Схема прибора и полученные результаты

Итак, нам необходим двухканальный сумматор с независимой регулировкой амплитуд в каждом канале и управляемым фазовращателем в одном из них. Устанавливая амплитуды и изменяя фазовый сдвиг, мы будем вручную решать задачу по созданию из имеющейся в наличии пары антенн однонаправленной антенной системы с минимумом в требуемом направлении.

Какие требования предъявляются к такому прибору?

  1. Конечно, необходим большой динамический диапазон. Ведь мы работаем с поступающими непосредственно с антенн сигналами, т. е. до какой-либо их фильтрации.
  2. По этой же причине крайне желательно, чтобы устройство было или полностью пассивным, или имело минимально возможное число нелинейных элементов и минимальное усиление.
  3. Очень нежелательно заметное ослабление полезного сигнала. Он обрабатывается на входе приемного тракта, поэтому его избыточное затухание приведет к снижению реальной чувствительности приемника (хотя на НЧ диапазонах это и не так уж страшно).
  4. Нужна хорошая взаимная развязка каналов. Невыполнение этого условия ведет к снижению степени подавления помехи.
  5. Желательно иметь минимальное изменение амплитуды при регулировке фазы (иначе придется много раз подстраивать - сначала амплитуды, потом фазу, и так по кругу).

Посмотрим, как выполняются эти требования в известных конструкциях.

Несложная и при том хорошая конструкция была разработана JA1DI [1]. В ней использован фазовращатель на КПЕ и потенциометре, который обеспечивает малые изменения амплитуды при варьировании фазы. Возможность для каждой частоты менять как С, так и R обеспечивает небольшое (около 6 дБ) затухание в фазовращателе. Для компенсации этого затухания используется каскад на высоколинейном полевом транзисторе с небольшим (около 10 дБ) усилением. Именно этот узел (фазовращатель с усилителем) в данной конструкции выполнен очень хорошо и продуманно. Чего, к сожалению, нельзя сказать о втором канале и сумматоре - они выполнены просто как резистивные аттенюаторы. Они не только вносят большое затухание, но и имеют очень малую межканальную развязку. Это приводит к необходимости использовать полноразмерную вспомогательную антенну и снижает степень подавления помехи.

В США выпускается недешевый (около 180 долларов США) прибор MFJ-1026 [2]. На мой взгляд, схемные решения MFJ-1026 откровенно слабые. Вот основные просчеты его создателей.

В приборе применен активный сумматор на дифференциальном каскаде. При всей линейности использованных полевых транзисторов (J310) динамического диапазона приемнику это не добавляет. Напротив. Напомним, что речь идет об антенных цепях до какой бы то ни было фильтрации.

Сумматора на двух транзисторах создателя прибора показалось мало, и для дальнейшего его "украшения" на выходе введен эмиттерный повторитель. Линейности аппарату он тоже не прибавит. Но зачем его было вообще ставить? Ведь транзистор J310 через широкополосный трансформатор прекрасно работает на нагрузку 50 Ом.

Поворот фазы скачком на 180 градусов осуществляется еще одним каскадом с использованием транзистора.

Фазовращатель в MFJ-1026 очень близок по схеме к тому, что был применен JA1DI, но существенно хуже японского. В нем вместо КПЕ установлен переключатель конденсаторов постоянной емкости. Это полбеды. Беда в том, что положений у этого переключателя всего два, а этого недостаточно для полного вращения фазы во всем частотном диапазоне прибора. Вернее, полный поворот на 180 градусов (еще 180 градусов даст переключатель 0/180) все же возможен, но на некоторых частотах коэффициент передачи фазовращателя при этом сильно падает (до -20 дБ). Чтобы снизить неравномерность, пришлось использовать низкоомную нагрузку (два резистора по 51 Ом). В результате приемлемая амплитудная неравномерность достигнута, но ценой снижения коэффициента передачи. Как следствие такого схемного решения, для компенсации этих потерь потребовался еще один усилительный каскад.

В результате выходит, что даже при использовании двух полноразмерных антенн сигналы проходят минимум через 5 (!) транзисторов. Это без всякой фильтрации, даже без диапазонных полосовых фильтров. Значит, все мощные вещательные и служебные станции во всем диапазоне от 1,8 до 30 МГц будут модулировать друг друга на пяти (!) транзисторах. Ясно, что даже при очень хорошей их линейности ничем хорошим это кончиться не может.

В моих условиях в нескольких километрах на горе расположены передающий центр ТВ (MB и ДМВ) и несколько радиовещательных станций (СВ и KB диапазоны). От плохо отлаженного передатчика этого центра я и вынужден был спасаться. Полоса 9...30 МГц у меня в приемнике закрыта шумом S9...9+40 дБ (а еще говорят, что все в порядке в Германии!). Испытания MFJ-1026 в указанных условиях подтвердили вышесказанное. Кроме постоянного прямого детектирования мощной "вещалки", в диапазоне 49 метров в вечернее время добавлялось множество "неучтенных" сигналов, исчезавших при отключении прибора.

Было бы неправильно утверждать, что в MFJ-1026 плохо все. Отдельные узлы там решены удачно:

  • ФВЧ на обоих входах с крутыми скатами, заметно ослабляющие сигналы передатчиков средневолнового вещательного диапазона;
  • защитные лампы накаливания на входах;
  • цепи коммутации RX/TX (если у вашего трансивера нет отдельного входа приемной антенны);
  • дополнительный усилитель для укороченной второй антенны.

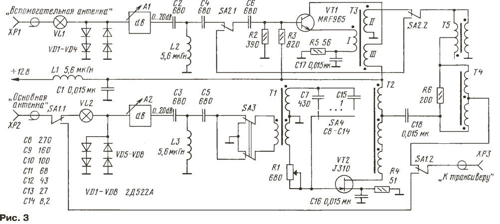
Поскольку готовой устраивающей автора схемы найти не удалось, пришлось скомбинировать собственную (рис. 3). Никаких открытий в ней не содержится, но сделана она добротно. Прибор предназначен для работы в цепи приемной антенны трансивера (т. е. у трансивера должен быть отдельный вход RX), и поэтому коммутация RX/TX не предусмотрена. Если у вашего аппарата есть только общий вход антенны, то придется ввести в прибор коммутацию RX/TX, принудительно отключающую его в режиме передачи.

Подавитель эфирных помех
(нажмите для увеличения)

Вот основные характеристики этого прибора. Рабочая полоса частот - 1,8...30 МГц. Коэффициент передачи в этой полосе частот 1, а фазу можно вращать в пределах ±180 градусов. Ослабление помехи может превышать 60 дБ. Динамический диапазон по интермодуляции при отключенном УВЧ в цепи второй антенны - не менее 110 дБ. Входное и выходное сопротивление прибора - 50 Ом.

Переключатель SA1 включает прибор. В выключенном состоянии сигнал с основной антенны (подключена к разъему ХР2) поступает сразу на выход прибора. При введении коммутации RX/TX переключатель SA1 надо заменить реле, которое в режиме передачи пустит сигнал в обход прибора.

Сигналы с обеих антенн сначала проходят идентичные пути: цепь защиты от перегрузки - аттенюатор - ФВЧ. Защита состоит из малогабаритных лампочек накаливания VL1, VL2 (6,3...13 В, 0,1..0,2 А) и диодных ограничителей VD1-VD8. Порог открывания ограничителей - около 1 В (т. е. что, по крайней мере, на 120 дБ выше чувствительности большинства KB приемников), поэтому реальный динамический диапазон они не ухудшают. Лампы VL1 и VL2 в холодном состоянии имеют сопротивление несколько ом и практически не ослабляют сигнал. Зато при передаче, если приемная антенна недалеко от передающей, то нити накала ламп будут светиться, а их сопротивление резко возрастет. Такая защита у меня успешно справляется с возложенными на нее функциями при следующих условиях: один киловатт на передачу в основной антенне и вспомогательная антенна длиной 13 м, в 3...5 м от основной. Замечу, что на некоторых диапазонах защитная лампа светится полным накалом.

Аттенюаторы я применил телевизионные (идея I4JMY), купленные по дешевке на "толкучке". В принципе, можно использовать плавные аттенюаторы 50/50 Ом из комплекта любых измерительных приборов. В крайнем случае здесь можно применить переменные резисторы группы В и сопротивлением 510...680 Ом, включенные обычным регулятором уровня. В последнем случае при регулировке затухания будет меняться входной импеданс прибора, и если используемая антенна к этому чувствительна, то кроме амплитуды будет поворачиваться еще и фаза. Это усложнит (хотя и ненамного) работу с прибором.

ФВЧ взят из MFJ-1026. Установка такого ФВЧ оправдана только в случае, если прибор будет использоваться во всей полосе частот 1,8...30 МГц. Если же предполагается использовать прибор только в нескольких полосах частот (диапазонах), то имеет большой смысл вместо ФВЧ установить полосовой фильтр с соответствующей полосой пропускания или даже несколько переключаемых фильтров.

Далее сигнал с первой антенны поступает на управляемый фазовращатель. Переключение 0/180 градусов реализуется реверсированием (переключателем SA3) входной обмотки фазорасщепляющего трансформатора Т1. Элементы С7-С15, SA4, R1 - это позаимствованный из схемы JA1DI плавный фазовращатель. Только вместо КПЕ установлены переключатель на девять положений и набор конденсаторов постоянной емкости. Это позволило разом решить две проблемы: получить минимальную паразитную емкость на корпус и большое перекрытие по емкости. При использовании КПЕ это было бы не так просто. Не следует относится к переключателю SA4 как к диапазонному - и на диапазоне 28 МГц может потребоваться емкость 270 пф, а на диапазоне 1,8 МГц иногда нужна емкость 1 пФ. Все зависит от взаимного расположения и типа антенн, а также от направления прихода помехи.

Усилитель на транзисторе VT2 с небольшим запасом компенсирует потери в фазовращателе. Понижающий Т2 обеспечивает низкое выходное сопротивление каскада - 100 Ом (столько требуется для сумматора) - без введения в прибор эмиттерного повторителя. Линейность этого усилителя определяет динамический диапазон всего прибора. Это единственный активный элемент в основном (содержащем фазовращатель) тракте прибора. Остальные элементы пассивные и ухудшить его не могут.

Трансформатор Т4 и резистор R6 - классический сумматор с высокой развязкой между входами. Имея развязку более 40 дБ между входами, он практически не вносит потерь. Единственное неудобство - это входные сопротивления сумматора (по 100 Ом). Если с выхода трансформатора Т2 получить 100 Ом не представляет труда, то на втором входе для согласования с трактом 50 Ом пришлось установить трансформатор Т5 для перехода 50/100 Ом.

В нижнем по схеме положении переключателя SA2 на вход трансформатора Т5 поступает сигнал с вспомогательной антенны. Если используется укороченная или сильно рассогласованная антенна, то, возможно, придется включить дополнительный усилитель на транзисторе VT1. В данном варианте его входное сопротивление - около 300 Ом (для моих укороченных приемных антенн так оказалось лучше), усиление по напряжению - 15 дБ, выходное сопротивление - 50 Ом.

В принципе, этот усилитель может быть любым. Это определяется характеристиками вспомогательной антенны. Тут большой простор для творчества. Может использоваться практически любой линейный УВЧ из тех, что идут в комплекте с маленькими приемными антеннами. Однако линейность УВЧ должна быть не хуже, чем у используемого приемника. Иначе снизится общий динамический диапазон. Только не относите это снижение к описываемому варианту прибора. УВЧ к маленькой вспомогательной антенне требуется в любом случае. И проблемы его перегрузки к фазированию сигнала отношения не имеют.

Поскольку прибор устанавливается на входе приемника, то, чтобы не принять дополнительных помех, его надо разместить в хорошо экранированном корпусе. Его можно изготовить, например, из фольгированного стеклотекстолита. Несмотря на несложную схему, корпус должен быть немаленьких размеров: на передней панели расположены минимум семь органов управления, причем четыре из них (R1, SA4 и оба аттенюатора) должны быть снабжены хорошо читаемыми шкалами.

Удобно следующее расположение органов управления:

  • в центре передней панели - резистор плавной регулировки фазы R1 ("Phase");
  • с обеих сторон от него - два других органа управления фазой - переключатели SA4 ("Shift") и SA3 ("0/180");
  • симметрично с обоих сторон - ручки аттенюаторов А1 ("Gain 1") и А2 ("Gain 2");
  • по краям - переключатели SA2 ("+15дБ") и SA1 ("On/Off").

Если у вас есть несколько антенн, которые могут быть использованы в качестве вспомогательных (это желательно, исходя изданных, приведенных на рис. 1 и 2), то поставьте на входе верхнего (по схеме) канала переключатель выбора вспомогательной антенны. Управление им тоже надо вывести на переднюю панель, а соответствующее число входных разъемов установить на заднюю. Большое количество переменных резисторов и переключателей позволяет легко смонтировать весь прибор навесным монтажом, соблюдая при этом обычные для ВЧ техники требования.

Детали прибора тоже выбираются из этих требований. Переменный резистор R1 должен быть безындуктивным, группы А. Катушки индуктивности L2 - L3 могут быть любого типа. Индуктивность дросселя L1 не критична. Все трансформаторы намотаны на кольцевых магнитопроводах FT50-37 (можно заменить на К12x7x5 из феррита 600НН). Трансформаторы Т1 и Т2 содержат 3x10 витков проводом ПЭВ-2 диаметром 0,3 мм, трансформатор Т4 - 2x10 витков, трансформатор Т5 -(5+5) и 10 витков, трансформатор ТЗ - 1,5 (I), 10 (II) и 8 (III) витков. Для повышения линейности прибора ток стока транзистора VT2 выбран относительно большим (25...40 мА), и этот транзистор желательно снабдить небольшим теплоотводом. Прибор можно питать от трансивера (потребляемый ток - около 100 мА).

Транзистор VT1 можно заменить на КТ610А, a VT2 - на 2SK125 или на два включенных параллельно транзистора КП307Г.

Если монтаж сделан безошибочно и ничего не напутано в фазировке обмоток трансформаторов, то прибор работает сразу и в налаживании не нуждается. Поэтому перейдем сразу к работе с прибором, т. е. к фазированию сигналов двух приемных антенн.

1. Выбираем диапазон, где имеется устойчивый мешающий шум или сигнал. Помеху от соседней по частоте станции тут использовать нельзя. Можно ориентироваться, например, на несущую AM вещательной станции. Если настройка идет в лаборатории, где нет антенн, то можно подать через тройник один и тот же сигнал с генератора сразу на оба входа. В последнем случае желательно от тройника до входов использовать кабели разной длины, чтобы получить хотя бы небольшой фазовый сдвиг между входными сигналами. АРУ приемника на этом этапе надо отключить.

2. Ставим аттенюатор А2 в положение максимального затухания, а А1 - минимального. Запоминаем (примерно) уровень помехи, принимаемый вспомогательной антенной. Если это уровень очень мал, включите УВЧ переключателем S2.

3. У аттенюатора А1 устанавливаем максимальное затухание (если был включен УВЧ - отключаем его). Регулируя аттенюатор А2, добиваемся примерно такого уровня помехи, как поступал с вспомогательной антенны.

4. Возвращаем аттенюатор А1 в минимальное затухание (если был включен ранее, то сейчас включаем УВЧ). Используя органы регулировки R1, SA4 и SA3, пытаемся "поймать" минимум. Особая примета минимума - резкое возрастание помехи при переключении SA3 (вместо противофазности она становится синфазной с обеих антенн).

5. Добившись минимума (хотя бы неявно выраженного), осторожной регулировкой обоих аттенюаторов углубляем его.

6. Циклически повторяем операции по пунктам 4 и 5 с уменьшающейся амплитудой регулирования и радуемся, что процесс, в принципе, сходящийся.

7. Если же минимум упорно не обнаруживается, причина может быть в неудачном сочетании направления прихода помехи и расположения второй антенны (см. рис.1). Попробуйте повторить все на помехе (или несущей), приходящей с другого направления, или же подключить что-то другое в качестве вспомогательной антенны. При сигнале же с генератора через тройник минимум должен найтись обязательно.

При правильной настройке и удачном расположении обеих антенн мешающий сигнал (помеха, шум) буквально "проваливается в яму" глубиной несколько десятков дБ. Причем полезный сигнал при этом (если направление его прихода не совпадает с помехой) изменяется совсем немного - на несколько дБ максимум. Более того, возможно даже возрастание полезного сигнала (если фазы его с обеих входов после фазовращателя близки).

Несколько примеров звуковых файлов, показывающие эффект от включения прибора, можно найти на страничке vvww.qsl.net/dl2kq/ant/3-15.htm.

На рис. 4 показана картинка индикатора PSK31. Полоса с резко уменьшенным шумом в середине - включенный прибор. Шумы сверху и снизу - прибор отключен.

Подавитель эфирных помех

АРУ во всех примерах включена, чтобы видеть именно улучшение отношения сигнал/помеха.

Вообще, процесс настройки весьма кропотлив и трудоемок, поэтому имеет смысл завести таблицу настроек прибора для каждого диапазона. Записав при удачной настройке положения всех органов управления, в дальнейшем можно очень быстро перестраивать прибор.

При правильной настройке любое изменение положений ручек прибора (даже уменьшение аттенюатором сигнала от одной из антенн) приводит к резкому возрастанию шума. В относительно "широких" любительских диапазонах (и если антенны расположены очень близко друг от друга) может потребоваться отдельная подстройка прибора в CW и SSB участках.

В завершение отмечу, что, не обладая никакими магическими свойствами (всего лишь пространственная избирательность), данный прибор тем не менее может быть весьма полезен. Особенно радиолюбителям, страдающим от мощных локальных источников шума и помех.

Литература

  1. qsl.net/dl2kq/ant/ja1dl.gif
  2. qsl.net/dl2kq/ant/rnfl1026-gif

Автор: И.Гончаренко (DL2KQ - EU1TT, qsl.net/dl2kq), г.Бонн, Германия

Смотрите другие статьи раздела Гражданская радиосвязь.

Читайте и пишите полезные комментарии к этой статье.

<< Назад

<< Назад

Последние новости науки и техники, новинки электроники:

Оптимальная продолжительность сна 12.11.2025

Сон играет ключевую роль в поддержании здоровья, когнитивных функций и общего самочувствия. Несмотря на широко распространенный стереотип о восьмичасовом сне, последние исследования показывают, что оптимальная продолжительность сна для большинства здоровых взрослых ближе к семи часам. Эволюционный биолог из Гарварда, Дэниел Э. Либерман, утверждает, что традиционная норма восьми часов сна - это скорее культурное наследие индустриальной эпохи, чем биологическая необходимость. По его словам, полевые исследования, проведенные в сообществах, не использующих электричество, показывают, что средняя продолжительность сна составляет 6-7 часов, что значительно отличается от общепринятого стандарта. Современные эпидемиологические данные подтверждают этот взгляд. Исследования выявили так называемую "U-образную кривую" зависимости между продолжительностью сна и рисками для здоровья. Минимальные показатели заболеваемости и смертности наблюдаются именно у людей, спящих около семи часов в сутки. ...>>

Дефицит кислорода усиливает выброс закиси азота 12.11.2025

Парниковые газы играют ключевую роль в изменении климата, а закись азота (N2O) - один из наиболее опасных среди них. Этот газ не только втрое сильнее углекислого газа в удержании тепла, но и разрушает озоновый слой. Недавнее исследование американских ученых показало, что микробы в зонах с низким содержанием кислорода активно производят N2O, усиливая глобальные климатические риски. Команда из Университета Пенсильвании изучала прибрежные воды у Сан-Диего и провела наблюдения на глубинах от 40 до 120 метров в Восточной тропической северной части Тихого океана - одной из крупнейших зон дефицита кислорода. Исследователи сосредоточились на том, как морские микроорганизмы превращают нитраты в закись азота. В ходе работы выяснилось, что существует два пути образования N2O. Один путь начинается с нитрата, другой - с нитрита. На первый взгляд более короткий путь должен быть эффективнее, однако микробы, использующие нитрат, продуцируют больше газа, поскольку этот "сырьевой" источник более д ...>>

Омега-3 помогают молодым кораллам выживать 11.11.2025

Сохранение коралловых рифов становится все более актуальной задачей в условиях глобального изменения климата. Молодые кораллы особенно уязвимы на ранних стадиях развития, когда стрессовые условия и нехватка питательных веществ могут привести к высокой смертности. Недавнее исследование ученых из Технологического университета Сиднея показывает, что специальные пищевые добавки способны существенно повысить выживаемость личинок кораллов. В ходе работы исследователи разработали особый состав "детского питания" для коралловых личинок. В него вошли масла, богатые омега-3 жирными кислотами, а также важные стерины, необходимые для формирования клеточных мембран. Личинки, получавшие эти добавки, развивались быстрее, становились крепче и демонстрировали более высокую устойчивость к стрессовым факторам. Особое внимание ученые уделили липидам. Анализ показал, что личинки активно усваивают эти вещества, что напрямую влияет на их жизнеспособность. Стерины, содержащиеся в корме, повышают устойчи ...>>

Случайная новость из Архива

Космонавты подтверждают: соль опасна 15.03.2012

Исследования, проведенные на борту Международной космической станции, подтвердили связь между чрезмерным употреблением соли и остеопорозом. В условиях невесомости остеопороз (истончение костной ткани) развивается намного быстрее, чем на Земле, поэтому изучение этой болезни на орбите представляет огромный интерес. К тому же, рацион и распорядок дня астронавтов строго контролируются, что позволяет тщательно исследовать все факторы, влияющие на развитие данного заболевания.

Остеопороз является заболеванием, которое серьезно снижает качество жизни миллионов людей. Кроме того, эта болезнь тяжелым бременем ложится на бюджет государств, например, в Европе расходы на лечение остеопороза составляют около 31 млрд долл. в год. Болезнь обычно поражает пожилых людей, поэтому рост продолжительности жизни означает резкое обострение проблемы предотвращения и лечения остеопороза.

Европейское космическое агентство провело исследование солевого баланса в организме астронавтов на борту МКС. Девять членов экипажа, в том числе астронавты ЕКА Франк Де Винн и Паоло Несполи, во время длительных полетов в 2010 и 2011 годах придерживались диеты с высоким содержанием соли.

Оказалось, что потребление соли не только поддерживает высокий уровень натрия в человеческом организме (вероятно, в коже), но также влияет на кислотно-щелочной баланс организма и метаболизм костной ткани. Таким образом, чрезмерное употребление соли повышает кислотность в организме, что может ускорить потерю костной массы из-за вымывания кальция. Результаты исследования на борту МКС однозначно указывают на необходимость снижения потребления соли всем людям, которые хотят избежать остеопороза в старости.

При этом диета с низким содержанием соли поможет и сердцу. Дело в том, что, согласно исследованию, проведенному учеными из Университета Эмори, избыток натрия в еде негативно влияет на состояние коронарных сосудов. Наблюдение за 143 парами близнецов показало, что добавление в еду даже 1 грамма натрия (2,5 грамма поваренной соли) снижает резервную скорость коронарного кровотока на 10%. Другими словами, избыток соли увеличивает риск стенокардии точно так же, как и курение.

Другие интересные новости:

▪ Измеритель запахов

▪ Химический коктейль морских черепах

▪ Чип 16-Гбит резистивной памяти RRAM

▪ Наноматериал для очистки воздуха на субмаринах

▪ Планшет Dell Venue 7 на Intel Merrifield

Лента новостей науки и техники, новинок электроники

 

Интересные материалы Бесплатной технической библиотеки:

▪ раздел сайта Шпионские штучки. Подборка статей

▪ статья Мария Склодовская-Кюри. Знаменитые афоризмы

▪ статья Почему пряники печатные? Подробный ответ

▪ статья Научный сотрудник. Должностная инструкция

▪ статья Усилитель мощности звуковой частоты на микросхеме LM1875. Энциклопедия радиоэлектроники и электротехники

▪ статья Любительский радиотелефон РТФ-92. Энциклопедия радиоэлектроники и электротехники

Оставьте свой комментарий к этой статье:

Имя:


E-mail (не обязательно):


Комментарий:




Комментарии к статье:

Петя
Неплохо, однако. Прибор - в массовую продажу !!! Не дороже 100 евро. [up]

Эдуард
Очень интересная статья. С точки зрения минимализма всё в порядке. Но трудно в реальной работе в эфире. Если всё автоматизировать, то получится не такая простая схема. А большинству радиолюбителей это к сожалению не по карману. С уважением, Эдуард.


Главная страница | Библиотека | Статьи | Карта сайта | Отзывы о сайте

www.diagram.com.ua

www.diagram.com.ua
2000-2025