Menu Home

Бесплатная техническая библиотека для любителей и профессионалов Бесплатная техническая библиотека


Стереодекодер с входным фильтром КСС. Энциклопедия радиоэлектроники и электротехники

Бесплатная техническая библиотека

Энциклопедия радиоэлектроники и электротехники / Гражданская радиосвязь

Комментарии к статье Комментарии к статье

Как простыми средствами повысить качество принимаемых стереофонических программ звукового радиовещания, интересует многих радиолюбителей. Автор статьи анализирует способ формирования частотных и фазовых характеристик радиотракта и определяет звенья, в которых с небольшими затратами возможно введение корректирующих элементов, позволяющих улучшить выделение сигнала на выходе стереодекодера.

Качество стереофонического радиоприема зависит не только от реального соотношения сигнал/шум на антенном входе приемника, но и от работы декодирующего устройства. Как известно, в стереодекодере (СД) комплексный стереосигнал (КСС) преобразуется в полярно-модулированные колебания (ПМК), а затем в выходные низкочастотные сигналы левого и правого каналов. Происходящие при этом преобразования определяют, в частности, столь важный параметр, как переходное затухание между каналами. Наилучшего разделения каналов позволяет достичь временной способ декодирования, при котором исключается восстановление поднесущей и связанные с этим нелинейные и фазовые искажения. На этом принципе работают большинство современных интегральных СД.

На качество декодирования также существенное влияние оказывает спектр входного КСС. Верхняя модулированная частота, необходимая для передачи звуковой частоты в 15 кГц, при системе стереовещания с полярной модуляцией (ПМ) и поднесущей 31,25 кГц составляет 46,25 кГц, а при системе с пилот-тоном (ПТ) и поднесущей 38 кГц - 53 кГц. Обязательным условием отсутствия искажений и хорошего разделения каналов является горизонтальная (без завала) АЧХ и линейная ФЧХ в надтональной области частот, вплоть до указанных.

В то же время наиболее типичным является радиоприемный тракт, имеющий спад АЧХ на верхних частотах КСС.

Этот спад образуется из-за ограниченной полосы пропускания тракта ПЧ и ЧМ детектора. Если частоту среза КСС по уровню - 3 дБ обозначить Fcp, а частоту поднесущей - Fпод, то переходное затухание между каналами можно рассчитать по приближенной формуле р=20 log (2 Fcp/Fпод).

Нетрудно подсчитать, что для получения разделения стереоканалов в 30 дБ необходима полоса сигналов с ПМ до 88 кГц, а сигналов с ПТ - до 107 кГц. Разумеется, эти данные являются приблизительными и не учитывают особенностей того или иного способа декодирования. Для коррекции АЧХ КСС в моделях декодеров применяют те или иные корректирующие цепи, как правило, простейшего RC-типа.

С другой стороны, чрезмерное расширение спектра КСС приводит к резкому возрастанию шумов и помех от преобразования внеполосных сигналов. Если полоса КСС ничем не ограничена, то ухудшение соотношения сигнал/шум при приеме удаленных станций может составить 20 дБ и более по сравнению с монофоническим режимом. И напротив: сужение полосы КСС является эффективным шумопонижающим приемом.

Противоречивым требованиям к КСС в наилучшей степени удовлетворяет АЧХ максимально плоская до частоты 70...80 кГц с дальнейшим резким спадом, организуемым фильтрами высоких порядков. Такая характеристика позволяет приблизиться к предельно достижимым параметрам конкретного СД по шумам и переходному затуханию между каналами.

Указанные положения нашли полное подтверждение при испытаниях двустандарного стереодекодера на микросхеме КР174ХА51. В типовой схеме включения [1] на его входе применен простейший ФНЧ первого порядка с частотой среза около 10 кГц. Спад 6 дБ/окт на частотах выше 10 кГц обеспечивает приемлемые шумовые характеристики, но уменьшает переходное затухание между каналами с 43 дБ (типовое значение без входного фильтра) до 24 дБ для сигналов с ПМ и 20 дБ для сигналов с ПТ. Кроме того, фильтром срезается верхняя часть тонального сигнала в области 10...15 кГц, что делает звучание "глухим".

В целом, несмотря на прогрессивные конструкторские решения - временной способ разделения каналов с двойной дискретизацией, дополнительное подавление пилот-тона и т. д. -упомянутый СД работал хуже, чем декодер на устаревшей микросхеме ВА1320. Еще один недостаток КР174ХА51 - неприятные щелчки в звуковом тракте при включении индикатора стереорежима. Замена микросхемы на другой экземпляр принципиальных изменений не принесла.

Для улучшения качества работы предлагаемый декодер дополнен входным фильтром КСС, формирующим необходимый вид АЧХ с возможностями ручной и автоматической корректировки. К преимуществам нового СД относится также раздельная индикация системы стереовещания, работающая бесшумно.

Основные технические характеристики

  • Переходное затухание между каналами, дБ, не хуже.....34
  • Соотношение сигнал/шум в режиме "Стерео", дБ .....50...70
  • Уровень входного сигнала, мВ......до 150
  • Коэффициент передачи......1,2
  • Потребляемый ток, мА......7

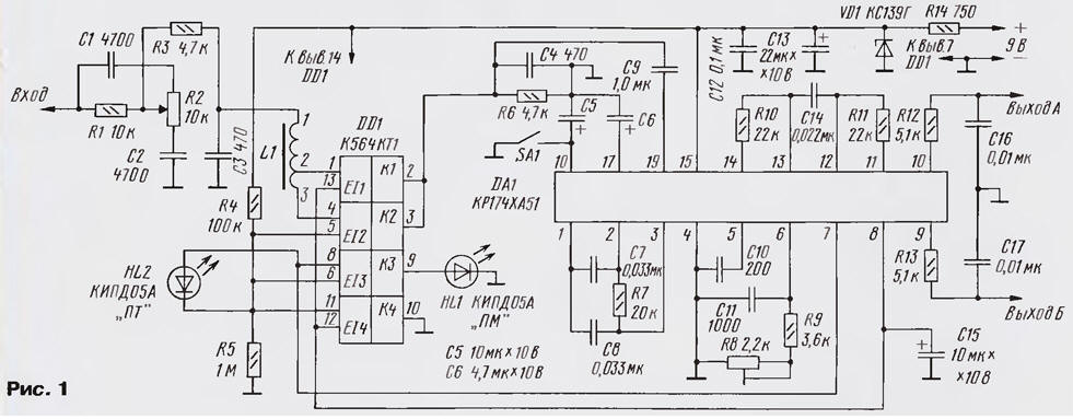
Функционально устройство состоит из трех блоков (рис. 1): входного фильтpa KCC, коммутатора на микросхеме DD1 и собственно декодера на микросхеме DA1.

Стереодекодер с входным фильтром КСС
(нажмите для увеличения)

Фильтр КСС представляет собой дальнейшую модернизацию устройства [2]. Его параметры улучшены компьютерным моделированием - уменьшена неравномерность АЧХ в тональной области и увеличена крутизна среза в надтональной. Фильтр состоит из регулируемого звена R1,R2,C1,C2 и ФНЧ 3-го порядка C3, L1, С4 с переключаемой в зависимости от системы стереовещания частотой среза. АЧХ фильтра - в режиме приема с ПТ (показаны на рис. 2).

Стереодекодер с входным фильтром КСС

Звено R1,R2, C1,C2 - мостовой регулятор верхних частот КСС. В нем с помощью переменного резистора R2 можно увеличивать или уменьшать уровень надтональных (и частично тональных) составляющих, что приводит к пропорциональному расширению или сужению стереобазы за счет изменения переходного затухания между каналами [2]. В среднем положении регулятора R2 АЧХ фильтра горизонтальна вплоть до частоты среза (см. рис.2, кривая 1), в двух крайних положениях - неравномерность ее в звуковом диапазоне не превышает 2 дБ. Регулировка захватывает лишь верхнюю часть звукового спектра - выше 10 кГц, что позволяет при уверенном приеме подчеркнуть высшие частоты и тем самым улучшить качество звучания.

Одновременно изменяется и уровень шума, он минимален в нижнем положении движка резистора R2, когда надтональная часть КСС фактически срезается и звучание близко к монофоническому. Таким образом, регулируемое звено фильтра позволяет получать адаптивное качество выходного сигнала в зависимости от входного - от расширенного "Стерео" для мощных сигналов РЧ до "Моно" - для зашумленных и искаженных, в частности, многолучевым приемом.

П-образный ФНЧ 3-го порядка собран на элементах C3, L1, С4. Этот фильтр предназначен для эффективного подавления шумов и помех от преобразования сигналов, лежащих за основной информационной полосой КСС. ФНЧ синтезирован приложением Design программы MicroCap6.0. Его параметры: частота среза в системе с ПТ - 75 кГц, в системе с ПМ - 60 кГц, крутизна спада за полосой прозрачности - 15...17 дБ/окт, характеристическое сопротивление - 4,7 кОм. Частота среза конструктивно изменяется переключением числа витков катушки L1 электронным коммутатором DD1. Благодаря компьютерному моделированию фильтр имеет гладкую АЧХ (см. рис.2) и достаточно линейную ФЧХ (рис. 3).

Стереодекодер с входным фильтром КСС

Фильтр КСС подключен к стереодекодеру (микросхема DA1) вместо удаленной входной цепи R1C1 [1]. Затухание, вносимое им (12 дБ), компенсируется большим запасом усиления микросхемы DA1 (до 14 дБ). При приеме сигналов с ПМ на выводе 8 микросхемы DA1 устанавливается низкий логический уровень, близкий к нулю. На управляющих входах 5 и 6 коммутатора DD1 имеется высокий логический уровень, подаваемый со средней точки делителя R4, R5. При этом ключ К2 по выводам 4 и 3 замкнут, вывод 3 катушки L1 соединен с конденсатором С4. Фильтр настроен на частоту среза 60 кГц. Одновременно открыт ключ КЗ и через его выводы 8 и 9 напряжение индикации с вывода 7 микросхемы DA1 подается на светодиод HL1, индицирующий режим "ПМ".

При распознавании сигналов с ПТ уровень напряжения на выводе 8 микросхемы DA1 изменяется на высокий, фактически равный напряжению питания. Этот сигнал поступает на управляющие входы 12 и 13 ключей К1 и К4 коммутатора DD1. Ключ К4, открываясь, уменьшает напряжение на средней точке делителя R4R5 до низкого уровня. Ключи К2 и КЗ при этом переключаются в непроводящее состояние, вследствие чего вывод 3 катушки отсоединяется от конденсатора С4, а светодиод HL1 гаснет. Одновременно открывается ключ К1, который соединяет вывод 2 катушки L1 с конденсатором С4. Индуктивность катушки уменьшается, что приводит к перестройке частоты среза ФНЧ до 75 кГц. Кроме того, катод светодиода HL2 оказывается соединенным с общим проводом через открытый по выводам 11 и 10 ключ К4, а на аноде его имеется напряжение, поступающее с вывода 7 микросхемы DA1. При этом светодиод HL2 индицирует режим "ПТ". Переключателем SA1 можно принудительно включить режим "Моно". В этом случае оба светодиода погашены, так как напряжение на выводе 7 микросхемы DA1 будет отсутствовать.

Допустимое напряжение питания микросхемы КР174ХА51 - 2,7...7 В. Экспериментально установлено, что характерные щелчки при включении индикатора стереорежима возникают только при напряжении питания свыше 4 В. В данном случае напряжение по выводу 15 микросхемы DA1 ограничено стабилитроном VD1 на уровне 3,9 В. При этом индикаторы HL1, HL2 включаются практически бесшумно, параметры микросхемы остаются высокими.

В стереодекодере использованы постоянные резисторы МЛТ-0,125, керамические конденсаторы - типа КМ, электролитические - импортные. Переключатель SA1 - кнопка П2К. Переменный резистор R2 - любой малогабаритный, например, СПЗ-4б, с характеристикой типа А. В связи с пониженным напряжением питания микросхемы DA1 излучатели HL1, HL2 должны иметь высокую светоотдачу при малом токе. Светодиоды КИПД05А удовлетворяют этому условию, но можно подобрать и другие с максимальной яркостью свечения, в том числе и импортные. Катушка L1 выполнена на ферритовом кольце К20х10х5 мм из феррита марки 2000НМ. Обмотка 1 - 2 содержит 110 витков, обмотка 2-3 - 30 витков провода ПЭВ 2-0,2. Добротность катушки велика, поэтому параметры ФНЧ практически не ухудшают сопротивления открытого канала микросхемы DD1 (около 270 Ом), включенного последовательно с катушкой L1.

Такие узлы устройства, как фильтр КСС и коммутатор DD1, настройки не требуют. В стереодекодере DA1 следует только подстроечным резистором R8 добиться устойчивого распознавания режима стерео "ПМ" или "ПТ" по включению соответствующего свето-диода HL1 или HL2. После этого проверяют работу регулируемого звена фильтра вращением рукоятки резистоpa R2: звучание должно изменяться oт расширенного "Стерео" до "Моно". Субъективный эффект этой регулировки хорошо описан в [2]. Рекомендуется отметить среднее положение регулятора R2, которому соответствует горизонтальная АЧХ КСС (см. рис.2] и обычный режим "Стерео".

Эффективность ФНЧ 3-го порядка легко проверить, временно включив переключатель П2К (фиксируемая кнопка) для его коммутации. При нажатии кнопки одна группа контактов П2К должна закорачивать выводы 1 - 3 катушки L1, а другая - отключать выводы конденсаторов C3, С4 от общего провода. Отключение фильтра нажатием кнопки сопровождается резким возрастанием шумов и помех даже при приеме не очень слабых сигналов. Прием удаленных и слабых сигналов в стереорежиме становится невозможным вообще. Включение ФНЧ, напротив, очищает сигнал от шумов, интерференционных свистов и т. п., при этом разделение каналов остается высоким.

В целом качество работы предлагаемого СД оказалось значительно выше, чем исходного [1]. Фильтр КСС, разумеется, может быть применен и в других декодерах. Благодаря относительно низкому характеристическому сопротивлению ФНЧ, его выход хорошо согласуется с входом практически любого СД. Для одностандартных СД коммутатор DD1 не нужен и схема значительно упрощается (рис. 4).

Стереодекодер с входным фильтром КСС

Число витков катушки L1 выбирают равным 110 - для системы стереовещания с ПТ или 140 - для ПМ. Однако для конкретного СД его лучше уточнить экспериментально. При этом катушку L1 выполняют с несколькими отводами (через 10-15 витков) и при настройке переключают их, добиваясь минимума шумов и хорошего разделения стероканалов. Эту работу лучше проводить при прослушивании звука стереотелефонами.

Литература

  1. Аленин С. Микросхемы серии К174. Двустандартный стереодекодер КР174ХА51. - Радио, 1999, № 5, с. 43-45.
  2. Пахомов А. Фильтр КСС - шумоподавитель. - Радио, 2002, № 2, с. 13, 14.

Автор: А.Пахомов, г.Зерноград Ростовской обл.

Смотрите другие статьи раздела Гражданская радиосвязь.

Читайте и пишите полезные комментарии к этой статье.

<< Назад

<< Назад

Последние новости науки и техники, новинки электроники:

Власть является ключевым фактором счастья в отношениях 11.03.2026

Исследования семейных и романтических отношений показывают, что длительное счастье пары зависит не только от привычных факторов, таких как доверие, уважение и преданность, но и от более тонких психологических аспектов. Современные ученые ищут закономерности, которые отличают действительно счастливые пары от остальных, чтобы понять, какие механизмы поддерживают гармонию в отношениях. Группа исследователей из Университета Мартина Лютера в Галле-Виттенберге и Бамбергского университета провела опрос среди 181 пары, которые состояли в совместных отношениях более восьми лет и прожили вместе хотя бы месяц. Участники заполняли анкету, описывая различные аспекты своих отношений, включая распределение обязанностей, эмоциональную поддержку и степень вовлеченности в совместные решения. Анализ данных показал интересный паттерн: пары, где оба партнера ощущали высокий уровень личной власти, оказывались наиболее счастливыми и удовлетворенными. В данном контексте под властью понимается способност ...>>

Защищенная колонка-повербанк Anker Soundcore Boom Go 3i 11.03.2026

Компания Anker представила новую модель линейки Soundcore - колонку Soundcore Boom Go 3i, ориентированную на активное использование на улице. Новинка отличается высокой степенью защиты: корпус соответствует стандарту IP68, что обеспечивает водо- и пыленепроницаемость, а ударопрочный дизайн выдерживает падение с высоты до одного метра. За качество звука отвечает 15-ваттный драйвер, обеспечивающий пик громкости до 92 дБ, а технология BassUp 2.0 усиливает низкие частоты, делая звучание более насыщенным. Колонка обладает автономностью до 24 часов, а LED-индикатор позволяет контролировать уровень заряда батареи. Кроме того, Soundcore Boom Go 3i может выполнять функцию павербанка: согласно внутренним тестам, устройство способно зарядить iPhone 17 с нуля до 40% за один час, что делает его полезным аксессуаром в походах и поездках. Среди функциональных особенностей модели стоит выделить технологию Auracast, которая улучшает подключение и позволяет создавать стереопару из двух колонок ...>>

Раннее воздержание от алкоголя перестраивает мозг и иммунитет 10.03.2026

Алкогольная зависимость - хроническое расстройство с компульсивным употреблением спиртного, которое влияет не только на поведение, но и на функционирование мозга и иммунной системы. Недавние исследования показали, что даже на ранних этапах воздержания организм начинает перестраиваться, открывая новые возможности для терапии зависимости. Ученые сосредоточились на пациентах, находящихся в первые недели абстиненции, и зафиксировали значительные изменения в мозговой активности. С помощью функциональной магнитно-резонансной томографии они выявили перестройку сетей нейронных связей, отвечающих за контроль импульсов и принятие решений. Эти изменения могут быть ключевыми для восстановления самоконтроля и снижения риска рецидива. Одновременно с нейронной перестройкой исследователи наблюдали колебания иммунной системы. В крови повышался уровень цитокинов - сигнальных белков, регулирующих воспалительные процессы. Эти данные свидетельствуют о существовании нейроиммунного взаимодействия, при ...>>

Случайная новость из Архива

Любая одежда станет компьютером 12.07.2015

Когда французский изобретатель Жозеф Мария Жаккар изобрел ткацкий станок для узорчатых материй, ставший впоследствии известным как машина Жаккарда, он не подозревал, что его фамилия станет именем нарицательным для обозначения особого вида ткани. И уж тем более он не подозревал о том, что "жаккард" станет названием секретного совместного проекта компаний Google и Levi's.

Впрочем, уже не секретного. На только что закончившейся ежегодной конференции разработчиков Google I/O 2015 представители обеих компаний объявили о "Проекте Жаккард". Его реализацией занимается подразделение компании Google по передовым технологиям и проектам, ответственное за Project Ara - инициативу по разработке бесплатной платформы с открытым аппаратным обеспечением для создания модульного смартфона, а также Project Tango - новый тип смартфона и планшета с функцией 3D-визуализации окружающего пространства.

Задачей "Проекта Жаккард" является невидимая интеграция компьютеров в предметы, материалы и одежду. В результате любые предметы обихода, начиная с мебели и кончая свитерами, смогут использоваться в качестве интерактивной поверхности со своими трекпадами, кнопками и т.п. Для этого пришлось создать специальные нити-проводники из сверхтонких металлических сплавов и материалов вроде синтетического хлопка, полиэстера или шелка и вплетать их в обычную ткань, причем таким образом, чтобы ее нельзя было отличить от "нормальной" ткани.

Предметы будут получать информацию непосредственно с поверхности материала, использованного для их создания, и передавать ее на находящийся поблизости смартфон или компьютер с помощью потребляющей мало энергии системы Wi-Fi. Для этого, помимо ткани, инженеры "Проекта Жаккард" разработали микросенсоры размером с пуговицу, которые в состоянии улавливать прикосновения и различные жесты и передавать их на другое устройство.

Кстати, специалистам Google не первым пришла в голову идея "умной ткани". В прошлом году ученые университета Фудан объявили о создании литий-ионной технологии для "аккумуляторного волокна" с помощью углеродных нанотрубок. Но Google наверняка первым доведет дело до коммерческого применения. Что можно пожелать и другому проекту Google под названием Soli, основанном на идеях Льва Термена, который в 1919 г. изобрел терменвокс - музыкальный инструмент, "управляемый" с помощью жестов. Как и будущий гаджет Google.

Другие интересные новости:

▪ Начала работу крупнейшая солнечная электростанция

▪ Система идентификации личности по радужной оболочке глаза BM-ET500

▪ Поэзия и здоровье

▪ Квантовый процессор на 127 кубитов

▪ Чип Marvell PA800 с защитой от взлома

Лента новостей науки и техники, новинок электроники

 

Интересные материалы Бесплатной технической библиотеки:

▪ раздел сайта Радиоуправление. Подборка статей

▪ статья Фортуна. Крылатое выражение

▪ статья В какой стране пьют больше всего молока? Подробный ответ

▪ статья Щетинник. Легенды, выращивание, способы применения

▪ статья Системы современных ветродвигателей. Энциклопедия радиоэлектроники и электротехники

▪ статья Усилитель мощности для QRP трансивера. Энциклопедия радиоэлектроники и электротехники

Оставьте свой комментарий к этой статье:

Имя:


E-mail (не обязательно):


Комментарий:





Главная страница | Библиотека | Статьи | Карта сайта | Отзывы о сайте

www.diagram.com.ua

www.diagram.com.ua
2000-2026