Menu Home

Бесплатная техническая библиотека для любителей и профессионалов Бесплатная техническая библиотека


Радиомикрофон. Энциклопедия радиоэлектроники и электротехники

Бесплатная техническая библиотека

Энциклопедия радиоэлектроники и электротехники / Гражданская радиосвязь

Комментарии к статье Комментарии к статье

О популярности радиомикрофонов слова излишни, все чаще любое выступление с эстрады, митинг, собрание, общественное мероприятие не обходится без них. Поскольку промышленные устройства среднего и высокого класса дороги и малодоступны, радиолюбителям здесь открыто широкое поле деятельности. Ниже мы предлагаем описание любительского радиомикрофона, хорошо спроектированного и отличающегося улучшенными параметрами по сравнению с параметрами других самоделок.

Данный радиомикрофон предназначен для озвучивания мероприятий, прослушивания детской комнаты и т. д. Устройство работает в УКВ диапазоне на частоте 87,9 МГц, специально отведенной для радиомикрофонов, и его сигналы принимают на обычный радиовещательный приемник с диапазоном УКВ-2. Дальность действия радиомикрофона в пределах прямой видимости - более 200 м

В отличие от описанных ранее [1] аналогичных конструкций, этот радиомикрофон сложнее, но обладает рядом преимуществ. В нем имеется АРУ микрофонного усилителя, что позволяет улавливать слабые звуки и устраняет сильные нелинейные искажения при громких звуках, направленных непосредственно в микрофон. У описываемого радиомикрофона относительно высокая стабильность частоты и хорошее использование питающей батареи, в частности, его работоспособность сохраняется при снижении напряжения питания от 10 до 5 В.

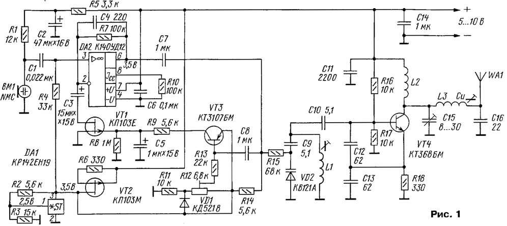
Схема и принцип действия. Схема радиомикрофона приведена на рис. 1. Передатчик собран на транзисторе VT4 по однокаскадной схеме. Такое решение для миниатюрного устройства, каким является радиомикрофон, оправдано, так как использование в передатчике отдельно задающего генератора и выходного каскада приводит к снижению его экономичности и возрастанию габаритов.

Радиомикрофон
(нажмите для увеличения)

Как известно, частота LC-генератора, работающего в области 100 МГц, существенно зависит от напряжения питания. К примеру, автор исследовал широко распространенную емкостную "трехтонку" с включением транзистора по схеме с общей базой. По такой схеме включен передатчик радиомикрофона, описанного в [1]. Уход частоты генератора составил более 1 МГц при изменении питающего напряжения от 5 до 10 В. Введение в радиомикрофон стабилизатора напряжения привело бы к увеличению потерь. Поэтому в рассматриваемом устройстве передатчик питается непосредственно от источника.

В отличие от описанных ранее, передатчик содержит два контура - контур L1C9C10C12C13VD2, задающий частоту генератора, и выходной контур L3C15C16, связанный с антенной. Это повышает стабильность генерируемой частоты.

Задающий контур подключен к транзистору VT4 по схеме Клаппа, рекомендуемой для построения задающих генераторов передатчиков [2]. Влияние изменения параметров транзистора VT4 при изменении питающего напряжения на задающий контур сведено к минимуму выбором малого коэффициента включения транзистора в контур (определяется емкостью конденсаторов С10, С12, С13). Для повышения температурной стабильности частоты применены конденсаторы С9, С10, С12, С13 с малым ТКЕ, а коэффициент включения в задающий контур варикапа VD2 невелик из-за малой емкости конденсатора С9.

Выходной П-контур позволяет согласовать антенну с выходом транзистора VT4 и улучшает фильтрацию высших гармоник. Заметим, что обычный контур ослабляет гармоники пропорционально (n2-1), а П-контур - n(n2-1), где n - номер гармоники [3]. Выходной контур настроен на частоту второй гармоники задающего контура. Это уменьшает влияние выходного контура на задающий контур через емкость перехода коллектор-база транзистора VT4, благодаря чему улучшается стабильность частоты передатчика. За счет всех этих мер уход частоты передатчика при изменении питающего напряжения от 5 до 10 В невелик и подстройки приемника в процессе работы не требуется.

Звуковой сигнал с электретного микрофона ВМ1 поступает на вход микрофонного усилителя, собранного на операционном усилителе (ОУ) DA2. Питание микрофон получает через резистор R1 и развязывающую цепь R5C2. Для снижения потребляемой мощности на месте DA2 использован микромощный ОУ К140УД12. Резистор R10 задает потребляемый ток ОУ около 0,2 мА. Большой мощности от микрофонного усилителя не требуется, потому что он нагружен на варикап, а мощность управления варикапом, представляющим собой обратносмещенный диод, крайне мала.

Резистор R7 и сопротивление участка сток-исток полевого транзистора VT1 образуют цепь отрицательной обратной связи, определяющей коэффициент усиления микрофонного усилителя. Канал полевого транзистора VT1 служит регулируемым сопротивлением в системе АРУ. При напряжении затвор-исток, близком к нулевому, сопротивление канала - около 1 кОм и коэффициент усиления микрофонного усилителя близок к 100. При возрастании напряжения до 0,5..-.1 В сопротивление канала повышается до 100 кОм, а коэффициент усиления микрофонного усилителя уменьшается до 1. Это обеспечивает почти неизменный уровень сигнала на выходе микрофонного усилителя при изменении уровня сигнала на его входе в широких пределах.

Конденсатор С4 создает спад АЧХ микрофонного усилителя в области высоких частот для уменьшения глубины модуляции на этих частотах и предотвращения расширения спектра сигнала передатчика. Конденсатор C3 блокирует цепь обратной связи усилителя DA2 по постоянному току. Через резистор R4 на неинвертирующий вход ОУ DA2 поступает напряжение смещения, необходимое при однополярном питании.

Транзистор VT3 выполняет функцию детектора системы АРУ и управляет полевым транзистором VT1. Порог срабатывания системы АРУ устанавливается подстроечным резистором R12. Когда сигнал с выхода микрофонного усилителя и отпирающее напряжение смещения с части резистора R12 в сумме сравняются с напряжением открывания перехода эмиттер-база транзистора VT3, последний открывается, подавая напряжение на затвор полевого транзистора VT1. Сопротивление канала полевого транзистора VT1 увеличивается, и коэффициент усиления микрофонного усилителя уменьшается.

Благодаря АРУ амплитуда сигнала на выходе усилителя поддерживается практически на постоянном уровне. Этот уровень можно регулировать, меняя резистором R12 напряжение смещения транзистора VT3. Цепь R9C5 задает постоянную времени срабатывания, а цепь R8C5 - постоянную времени восстановления системы АРУ. Для компенсации температурных изменений напряжения открывания перехода эмиттер- база транзистора VT3 напряжение на резистор R12 подано с диода VD1.

Транзистор VT3, цепь формирования порога срабатывания АРУ R11R12VD1 и резистор R4, через который поступает смещение на неинвертирующий вход ОУ, получают питание от стабилизатора напряжения DA1. Это же напряжение подано через резистор R14 в качестве напряжения смещения на варикап VD2. Так как емкость варикапа существенно зависит от приложенного к нему напряжения смещения, то к его стабильности предъявляются жесткие требования. Поэтому стабилизатором DA1 служит микросхема КР142ЕН19, представляющая собой стабилизатор напряжения параллельного типа [4]. Выбором резисторов R2 и R3 задают напряжение стабилизации около 3,5 В на выводе 3 микросхемы DA1. Балластным сопротивлением служит генератор тока на полевом транзисторе VT2, что повышает экономичность стабилизатора.

Детали. В устройстве допустимо использовать постоянные резисторы МЛТ, С2-23, С2-33 с допуском не более ±10 %, подстроечный резистор R12 - любой малогабаритный, керамические конденсаторы - К10-17, К10-73, КД, КТ. Конденсаторы С9, С10, С12, С13, С16 должны быть группы М47 по ТКЕ. Конденсаторы С1, С4, С11 - группы М750 или М1500 по ТКЕ. Конденсаторы С6, С7, С8, С14 - группы Н90 по ТКЕ. Подстроечный конденсатор С15 - КТ4-23. Конденсатор С2 - К50-35 или К50-68. Конденсаторы C3, С5 желательно взять с малым током утечки, например К53-18 В.

Вместо транзистора КП10ЗЕ (VT1) допустимо использовать КП10ЗИ или КП10ЗЖ. Взамен транзистора VT3 подойдет любой маломощный кремниевый с коэффициентом передачи тока не менее 100. Транзистор КТ368БМ (VT4) заменим на КТ368Б, КТ368А (М), варикап КВ121А (VD2) - на КВ121Б. ОУ К140УД12 (DA2) имеет хорошую внутреннюю частотную коррекцию, устойчив при работе с единичным коэффициентом усиления, и его замена на другие типы ОУ нежелательна (в частности, микромощный ОУ КР1407УД2 возбуждался). Импортный аналог микросхемы DA1 - TL431. Микрофон ВМ1 - электретный (NMC или отечественный МКЭ-332).

Катушка индуктивности L1 намотана на каркасе диаметром 6 мм с подстроечником от контура ФПЧ изображения модуля радиоканала телевизоров УСЦТ Число витков - 8. Обмотка выполнена виток к витку проводом диаметром 0,25 мм. Дроссель L2 намотан на резисторе 02-33-0,5 Вт сопротивлением около 1 МОм или более. Он содержит 60 витков провода диаметром 0,06 мм. Обмотка разделена на три секции по 20 витков. Намотку ведут внавал, а между секциями оставляют зазоры шириной не менее 0,5 мм. Подойдет и стандартный ВЧ дроссель индуктивностью 5 мкГн. Катушка индуктивности L3 намотана на каркасе диаметром 5 и длиной 20 мм с латунным или медным подстроечником. Автор использовал каркас с подстроечником от контурной катушки барабанного переключателя ПТК-11 от лампового телевизора. Обмотка содержит 7 витков провода диаметром 0,8 мм, намотанных виток к витку. Витки всех катушек следует закрепить клеем или лаком для предотвращения их сползания.

Монтаж устройства может быть навесным или печатным. При изготовлении микрофона следует соблюсти ряд требований. Конденсатор С6 и резистор R10 подключают как можно ближе к выводам DA2. Элементы передатчика должны иметь кратчайшие связи между собой, конденсатор С11 располагают как можно ближе к передатчику. Индуктивные элементы L1, L2, L3 должны иметь взаимно перпендикулярную ориентацию в пространстве. Ротор конденсатора 015 соединяют с общим проводом устройства.

Радиомикрофон

Конструкция антенны представлена на рис. 2. Для ее изготовления нужен медный обмоточный провод диаметром 0,8 мм, катушка содержит 17 витков, намотанных в один слой виток к витку. После намотки витки фиксируют клеем.

Налаживание. Сначала подстроечник катушки L1 следует полностью ввернуть внутрь катушки, ротор конденсатора С15 установить в среднее положение, а подстроечник катушки L3 ввернуть внутрь до середины ее обмотки. Подав напряжение питания 7,5 В, вольтметром с сопротивлением не менее 10 кОм/В измеряют напряжения в точках, указанных на схеме. Измеренные значения не должны отличаться от указанных более чем на ±0,3 В.

Затем устанавливают резистором R12 напряжение между его движком и эмиттером транзистора VT3 в пределах 0,25...0,3 В. Включают радиовещательный приемник в диапазоне УКВ-2 и настраивают его на рабочую частоту. Приемник и налаживаемый радиомикрофон располагают рядом друг с другом. Громкость приемника устанавливают соответствующей громкому разговору. Отверткой из диэлектрического материала плавно вращают подстроечник катушки L1 до появления громкого звука в громкоговорителе приемника, что будет свидетельствовать о настройке передатчика радиомикрофона на частоту приемника. Выключают приемник.

Настройку выходного контура передатчика проводят с помощью волномера. Из-за того, что выходной контур изначально расстроен, сигнал, излучаемый антенной передатчика, может быть слаб для обнаружения его волномером. Поэтому автор подключил контур волномера через конденсатор емкостью 1,5 пФ к точке соединения катушки индуктивности L3 и антенны радиомикрофона, соединив общие провода обеих устройств коротким проводником.

Настраивают волномер по максимуму показаний на рабочую частоту радиомикрофона. При расстроенном выходном контуре на антенном выходе может присутствовать сигнал с частотой задающего контура, поэтому волномер должен быть настроен именно на частоту 87,9 МГц. Диэлектрической отверткой плавно вращают поочередно ротор конденсатора С15 и подстроечник катушки L3, добиваясь максимума показаний волномера.

Когда в процессе настройки стрелка индикатора волномера начнет зашкаливать, необходимо отключить его от радиомикрофона и дальнейшую настройку вести по максимуму сигнала, излучаемого антенной, также добиваясь максимума показаний волномера.

После этого располагают рядом с радиомикрофоном источник звука, например магнитофон, громкость которого устанавливают на уровне шепота. Унеся приемник в другую комнату, включают его и настраивают на частоту радиомикрофона. Если прослушиваемый по приемнику сигнал тих и неразборчив, резистором R12 уменьшают напряжение смещения транзистора VT3, добиваясь разборчивого звучания приемника. Устанавливают громкость магнитофона на уровне крика. Если прослушиваемый по приемнику сигнал сильно искажен, резистором R12 увеличивают напряжение смещения транзистора VT3, опять добиваясь разборчивого звучания приемника. На этом налаживание заканчивают - радиомикрофон готов к работе.

Литература

  1. Макаров Д. Шпионские страсти. - Радио, 1995, № 4, с 44-46.
  2. Шумилин М. С, Козырев В. Б., Власов В. А. Проектирование транзисторных каскадов передатчиков. - М.: Радио и связь, 1987, с 231.
  3. Шульгин К. Анализ П-контура. - Радио, 1985, № 5, с 15, 16.
  4. Янушенко Е. Микросхема КР142ЕН19. - Радио, 1994, № 4, с 45. 46.

Автор: А.Наумов, г.Саранск

Смотрите другие статьи раздела Гражданская радиосвязь.

Читайте и пишите полезные комментарии к этой статье.

<< Назад

<< Назад

Последние новости науки и техники, новинки электроники:

Польза белкового завтрака 14.01.2026

Правильное питание по утрам играет ключевую роль в поддержании здоровья и контроле веса. Многочисленные исследования подтверждают, что состав завтрака может влиять на аппетит в течение всего дня и качество употребляемой пищи. Австралийские ученые провели масштабный эксперимент, который показал, что употребление белковой пищи с утра помогает дольше чувствовать сытость и предотвращает переедание. В исследовании участвовали более 9 тысяч человек среднего возраста 46 лет. В период с 2011 по 2012 год специалисты анализировали рационы респондентов, оценивая долю основных макронутриентов. В среднем участники потребляли 43% углеводов, 31% жиров, 18% белков, 2% клетчатки и 4% алкоголя. Такой рацион позволил ученым проследить взаимосвязь между утренним приемом пищи и пищевым поведением в течение дня. Выяснилось, что участники, чей завтрак содержал недостаточное количество белка, ощущали повышенный аппетит в течение дня. Они ели больше, чем необходимо, и часто выбирали продукты с высоким со ...>>

Технология SmartPower HDR 14.01.2026

Ноутбуки стремительно развиваются в плане графики и мультимедийных возможностей, но яркие дисплеи с высоким динамическим диапазоном (HDR) часто становятся серьезной нагрузкой для аккумуляторов. Длительная работа с видео высокого качества или играми в HDR приводит к быстрой разрядке батареи, что ограничивает мобильность пользователей и снижает комфорт работы. Решить эту проблему призвана новая технология SmartPower HDR, разработанная совместно компаниями Samsung Display и Intel. Суть технологии заключается в динамическом управлении напряжением OLED-панелей. Чипсет ноутбука в реальном времени анализирует пиковую яркость каждого кадра и передает эти данные контроллеру дисплея, который оптимизирует подачу напряжения в зависимости от количества активных пикселей. В отличие от традиционных режимов HDR, где яркость часто фиксируется на максимальном уровне, SmartPower HDR адаптируется к конкретному контенту, что снижает энергопотребление без потери качества изображения. Технология позвол ...>>

Недосып существенно сокращает жизнь 13.01.2026

Сон является одной из самых фундаментальных потребностей человека. Он влияет на обмен веществ, работу сердца и мозга, иммунитет и общее самочувствие. Современный ритм жизни часто заставляет людей жертвовать сном ради работы, учебы или развлечений, но ученые предупреждают: регулярный недосып может иметь далеко идущие последствия для здоровья и долголетия. Исследователи из Орегонского университета здравоохранения и науки пришли к выводу, что сон менее семи часов в сутки связан с сокращением продолжительности жизни. По данным специалистов, хроническая нехватка сна не только вызывает усталость и снижение работоспособности, но и постепенно сказывается на здоровье органов и систем, увеличивая риски развития различных заболеваний. Для анализа ученые использовали обширную национальную базу данных США, сопоставляя показатели ожидаемой продолжительности жизни на уровне штатов с результатами опросов Центров контроля и профилактики заболеваний за период с 2019 по 2025 годы. Они учитывали мно ...>>

Случайная новость из Архива

Путешествия во времени без временных парадоксов 21.12.2023

Ученые утверждают, что теоретически можно вернуться в прошлое и внести изменения, не вызывая нежелательных последствий для будущего.

Вопреки соблазнам изменить прошлое, научные исследования позволяют предположить, что путешествия во времени могут быть безопасными и лишены временных парадоксов. Однако эта безопасность сопряжена с неизбежностью изменения событий в соответствии с законами времени, что подчеркивает сложность и загадочность этого потенциального явления.

Пока никто не осуществил путешествие во времени, особенно в прошлое с целью изменить свой собственный будущий путь. Тем не менее специалисты продолжают разрабатывать теории, предполагающие возможность таких путешествий без создания временных парадоксов. Это означает, что в теории можно вернуться в прошлое и внести изменения, не нарушая законов времени. По крайней мере, так гласит теория.

Авторы нового исследования представили свою теорию, объясняющую, как теоретически совершать путешествия во времени, избегая временных парадоксов. Согласно классической динамике, зная состояние системы в определенный момент времени, можно получить информацию о всей ее истории. В то время как теория относительности Эйнштейна допускает существование временных петель, где некоторые события могут происходить одновременно в прошлом и будущем, существуя независимо.

Исследование, основанное на математических расчетах, показывает, что пространство-время может адаптироваться к изменениям, чтобы избежать временных парадоксов. Ученые считают, что события изменят свой ход, чтобы не допустить появление временных парадоксов.

Приведем пример: человек отправляется в прошлое, чтобы предотвратить распространение смертельной болезни на Земле. Если ему это удается, то, согласно расчетам, болезнь появится другим путем, и тем самым избегается временной парадокс. Таким образом, любые попытки изменить прошлое могут привести к неизбежным событиям.

Эксперты анализируют влияние детерминированных процессов на различные участки пространственно-временного континуума и демонстрируют, что замкнутые кривые времени (предсказанные теорией относительности Эйнштейна) могут соответствовать и физическим законам и правилам свободы воли.

Другие интересные новости:

▪ На полюсах Луны есть залежи льда

▪ Электрический фургон Ford E-Transit

▪ Антарктику засевают

▪ Уничтожение микросхем памяти по команде

▪ Сундук с кинофильмами

Лента новостей науки и техники, новинок электроники

 

Интересные материалы Бесплатной технической библиотеки:

▪ раздел сайта Светодиоды. Подборка статей

▪ статья В доме повешенного не говорят о веревке. Крылатое выражение

▪ статья В какой стране граждане могут свободно узнавать доходы любых других граждан? Подробный ответ

▪ статья Тисс ягодный. Легенды, выращивание, способы применения

▪ статья Усилитель для стереотелефонов с автономным питанием. Энциклопедия радиоэлектроники и электротехники

▪ статья VOX для FT-840M. Энциклопедия радиоэлектроники и электротехники

Оставьте свой комментарий к этой статье:

Имя:


E-mail (не обязательно):


Комментарий:





Главная страница | Библиотека | Статьи | Карта сайта | Отзывы о сайте

www.diagram.com.ua

www.diagram.com.ua
2000-2026