Menu Home

Бесплатная техническая библиотека для любителей и профессионалов Бесплатная техническая библиотека


Генератор двух образцовых частот для синтезаторов вещательных передатчиков. Энциклопедия радиоэлектроники и электротехники

Бесплатная техническая библиотека

Энциклопедия радиоэлектроники и электротехники / Гражданская радиосвязь

Комментарии к статье Комментарии к статье

Этот генератор предназначен для формирования сигналов двух переключаемых стабильных частот. В частности, он может быть использован в составе синтезаторов для индивидуального радиовещания при формировании как средневолновой вещательной сетки с шагом 9 кГц, так и коротковолновой с шагом 5 кГц. Но этим область его применения не ограничивается. Возможность использовать интегральные генераторы и кварцевые резонаторы на различные частоты совместно с широкими пределами изменения коэффициентов деления позволяет использовать эту конструкцию в других устройствах.

Относительная стабильность частоты генератора 0,5·10-6 оС-1 в интервале температуры от -10 до +60 оС обеспечивается термокомпенсированным кварцевым генератором ГК321-ТК-К-9М-5В [1]. Предусмотрена возможность заменить его обычным кварцевым генератором на логических элементах. Однако стабильность частоты в этом случае будет хуже.

В генераторе имеется делитель частоты с переменным коэффициентом деления, задаваемым двумя переключаемыми наборами перемычек, соответствующими двум значениям выходной может быть выбран любым четным в интервале от 2 до 512, второй - любым, кратным 4, в интервале от 4 до 1024. Коэффициент деления (выходную частоту) выбирают переключателем на два положения.

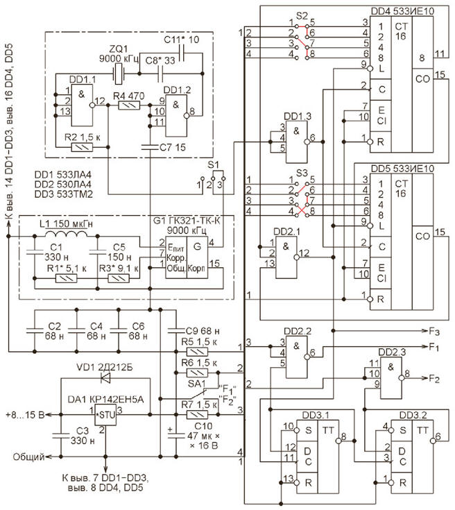
Схема генератора изображена на рис.1. Интегральный термокомпенсированный кварцевый генератор G1 (ГК321-ТК-К-9М-5В) включен по схеме, рекомендованной предприятием-изго-товителем. Дополнительно в цепи его питания установлен развязывающий фильтр из дросселя L1 и конденсаторов C1 и C5. Если перемычка S1 установлена в положение 2-3, сигнал генератора поступает на буферный усилитель на логическом элементе 3И-НЕ DD1.3, включенном инвертором.

Генератор двух образцовых частот для синтезаторов вещательных передатчиков
Рис. 1 (нажмите для увеличения)

Альтернативный кварцевый генератор выполнен на логических элементах DD1.1 и DD1.2 по схеме несимметричного мультивибратора с кварцевым резонатором в цепи обратной связи. Во втором плече мультивибратора установлен простейший ФНЧ R4C7 с частотой среза, равной удвоенной частоте кварцевого резонатора, который предотвращает возбуждение этого резонатора на гармониках основной частоты. При использовании кварцевых резонаторов на другие частоты емкость конденсатора фильтра C7 должна быть изменена в обратной пропорции. Например, для кварцевого резонатора на частоту 4,5 МГц необходим конденсатор емкостью 30 пФ.

Программируемый делитель частоты выполнен на двух микросхемах параллельных синхронных двоичных счетчиков 533ИЕ10 (DD4, DD5) и двух триггерах микросхемы 533TM2 (DD3). По переполнению счетчика DD5 на его выходе переноса CO устанавливается высокий логический уровень, который приходит на вход (выв. 13) элемента DD2.1. Сигнал с выхода старшего разряда счетчика DD4 (выв. 11), поступающий на входы (выв. 1 и 2) элемента DD2.1, предотвращает десинхронизацию (накопление задержки) спадающего перепада импульса переноса, что улучшает стабильность временного положения нарастающих перепадов импульсов на выходе этого элемента и, как следствие, снижает фазовый шум выходного сигнала генератора.

Импульс с выхода элемента DD2.1 поступает на входы параллельной загрузки L счетчиков DD4 и DD5 и разрешает запись в них кодов, заранее установленных наборами перемычек S2 и S3. По очередному тактовому импульсу происходит загрузка кодов в счетчик, дальнейший счет начинается с загруженного числа.

К примеру, если на все входы D счетчика поданы лог. 1 (высокий уровень), то в него будет записано число 255 и досчитать до переполнения ему останется лишь единицу. В этом случае коэффициент деления получится равным 256 - 255 = 1. Логические уровни на контактах 1-4 групп перемычек S2 и S3 при различных положениях переключателя SA1 приведены в табл. 1. Устанавливая перемычки между этими контактами и контактами 5-8, можно получить комбинации уровней на входах 1, 2, 4, 8 микросхем DD4 и DD5, соответствующие любым числам X от 0 до 255. Коэффициент деления получится равным N = 256 - X.

Таблица 1

Положение SA1 Логический уровень на контактах S2, S3
1 2 3 4
F1 В (1) Н (0) В (1) Н (0)
F2 В (1) В (1) Н (0) Н (0)

На выходе делителя частоты на счетчиках DD4 и DD5 имеется дополнительный двухразрядный двоичный счетчик на D-триггерах DD3.1 и DD3.2, который увеличивает общий коэффициент деления в два или четыре раза. Если переключатель SA1 находится в положении F1 логический уровень на входах (выв. 10, 11) элемента DD2.3 низкий и сигнал с выхода триггера DD3.2 на выход F2 не проходит. В то же время уровень на входах (выв. 3, 4) элемента DD2.2 высокий, поэтому на выход F1 проходят импульсы со скважностью 2 с выхода триггера DD3.1. Они следуют с частотой F1 = Fкв/((256 - X1) - 2), где FKB - частота кварцевого генератора; Х1 - число, установленное на входах D счетчиков при переключателе SA1 в положении F1.

При переводе переключателя SA1 в положение F2 импульсы на выходе элемента DD2.2 прекратятся, а на выходе элемента DD2.3 появятся и будут следовать с частотой F2 = Fкв/((256-X2) · 4), где Х2 - число на входах D счетчиков при положении F2 переключателя. На выходе F3 независимо от положения переключателя присутствуют короткие (длительностью в один период колебаний тактового генератора) импульсы. Частота их следования меньше частоты кварцевого генератора в число раз, равное установленному в данный момент коэффициенту деления частоты счетчиком на микросхемах DD4 и DD5.

Допустим, предполагается использовать описываемый генератор в качестве источника образцовой частоты 45 кГц для синтезатора, описанного в [2]. В этом случае частоту кварцевого генератора 9000 кГц нужно поделить в 9000/45 = 200 раз. С учетом деления на четыре триггерами микросхемы DD3 получим, что коэффициент деления частоты счетчиком на микросхемах DD4 и DD5 должен быть равен 200/4 = 50. Значит, при каждом переполнении необходимо записывать в его микросхемы число 256 - 50 = 20610 = 11011102. Для этого необходимо установить перемычки в соответствии с табл. 2. Так как переключать коэффициент деления в данном случае не требуется, для установки перемычек не использованы контакты 2 и 3, логические уровни на которых зависят от положения переключателя SA1. Переключаться будут лишь выходы генератора, причем частота импульсов на выходе F1 будет равна 90 кГц, а на выходе F2 - 45 кГц.

Таблица 2

Код 206 1 1 0 0 1 1 1 0
Перемычки 8-1 7-1 6-4 5-4 8-1 7-1 6-1 5-4
S3 S2

Если необходимо запрограммировать генератор на получение двух значений частоты, например, 10 и 36 кГц (это может потребоваться для создания синтезатора частоты с шагом сетки 5 и 9 кГц), то более низкую частоту целесообразно формировать на выходе F2, имеющем дополнительный делитель на четыре, а более высокую - на выходе F1 с делителем на два.

Для F1 = 36 кГц общий коэффициент деления 9000/36 = 250, а без дополнительного деления на два - 250/2 = 125. Число, которое следует записывать в счетчик при переполнении, - 256 - 125 = 13110 = 100000112. Для F2 = 10 кГц общий коэффициент деления 9000/10=900, а без дополнительного деления на четыре - 900/4 = 225. Число, которое следует записывать в счетчик при переполнении, - 256 - 225 = 3110 = 000111112. Положения, в которые в рассматриваемом случае нужно установить перемычки наборов S2 и S3, показаны в табл.3. Именно в этих положениях они изображены и выделены цветом на схеме рис. 1.

Таблица 3

Код 131 1 0 0 0 0 0 1 1
31 0 0 0 1 1 1 1 1
Перемычки 8-3 7-4 6-4 5-2 8-2 7-2 6-1 5-1
S3 S2

Если применен кварцевый генератор на другую частоту (она может достигать 20 МГц) или необходимо получить на выходах иные значения частоты, то расчеты, аналогичные приведенным выше, придется произвести самостоятельно и установить перемычки в соответствии с их результатами. При необходимости получить более двух значений выходной частоты и оперативно переключать их можно, применив вместо наборов перемычек два кодовых переключателя на 16 положений каждый.

Все детали генератора смонтированы на двусторонней печатной плате (рис. 2) размерами 90x35 мм из фольгированного стеклотекстолита толщиной 1,5 мм, изготовленной по технологии с металлизированными отверстиями. Если металлизировать их не представляется возможным, то придется выводы деталей пропаивать с обеих сторон, а в переходные отверстия впаивать отрезки луженого провода.

Генератор двух образцовых частот для синтезаторов вещательных передатчиков
Рис. 2

Расположение деталей на плате показано на рис. 3. При использовании термокомпенсированного кварцевого генератора G1 элементы ZQ1, С7, С8, С11, R2 и R4 на нее не монтируют. Кроме того, необходимо установить две дополнительные перемычки: одну - между контактными площадками, предназначенными для конденсатора C7, а другую - между левыми по рис. 3 контактными площадками для резисторов R2 и R4, Перемычку S1 устанавливают в положение 2-3.

Генератор двух образцовых частот для синтезаторов вещательных передатчиков
Рис. 3

Если будет использоваться генератор на кварцевом резонаторе ZQ1 и логических элементах DD1.1 и DD1.2, то на плату не монтируют генератор G1, дроссель L1, конденсатор С5 и резисторы R1 и R3, а перемычку S1 устанавливают в положение 1-2. Для выводов кварцевого резонатора предусмотрены две пары контактных площадок, которые используют в зависимости от его размеров. Сам резонатор крепят на плате петлей из луженого провода диаметром 0,6...0,7 мм, на который надета тонкая трубка из кембрика, полихлорвинила или фторопласта. Петлю натягивают и впаивают ее концы в имеющиеся на плате отверстия. Под кварцевый резонатор в металлическом корпусе необходимо подложить изолирующую прокладку из стеклотекстолита или толстого картона. Кварцевый резонатор в стеклянном баллоне следует перед установкой обмотать тремя-четырьмя слоями лакоткани.

Плата рассчитана на установку резисторов МЛТ или C2-23. Конденсаторы (за исключением C10) - К10-17-1б. Оксидный конденсатор C10 - К53-18 с аксиальными выводами, который можно заменить на К50-35 с выводами в одну сторону или аналогичный импортный. Для минусового вывода конденсатора с таким расположением выводов на плате имеется дополнительное отверстие. Диод 2Д212Б можно заменить любым кремниевым с допустимым прямым током не менее 500 мА. Вместо интегрального стабилизатора КР142ЕН5А подойдет импортный 7805. Дроссель L1 - ДМ-0,1. Выводы цифровых микросхем перед их установкой на плату необходимо отформовать согласно рис. 4 с помощью пинцета, тонких длинногубцев или специального приспособления.

Генератор двух образцовых частот для синтезаторов вещательных передатчиков
Рис. 4

В случае использования интегрального кварцевого генератора необходимо точно подобрать значение корректирующего сопротивления, образованного последовательным соединением резисторов R1 и R3. Оно должно соответствовать значению, указанному в паспорте конкретного экземпляра генератора. Точную установку частоты производят по частотомеру путем подборки этих резисторов при температуре 20 оС.

Если используются кварцевый резонатор и генератор на логических элементах, точную частоту генерации устанавливают подборкой конденсаторов C8 и C11. Подстроечные резисторы и конденсаторы специально не применяются, что исключает влияние на частоту нестабильности их подвижных контактов и повышает надежность работы генератора.

Предлагаемая универсальная конструкция открывает возможность собрать и отладить синтезатор (для которого предназначен описанный генератор) с любым имеющимся кварцевым резонатором, после чего заказать высокостабильный интегральный генератор на точную частоту и установить его на той же плате.

Литература

  1. Термокомпенсированные кварцевые генераторы ГК321-ТК-К - URL: bmg-quartz.ru/gk321_tk_k.html.
  2. Комаров С. Средневолновый радиовещательный синтезатор частоты. - Радио, 2012, № 9, с. 19-23; № 10, с. 21-23.

Автор: С. Комаров

Смотрите другие статьи раздела Гражданская радиосвязь.

Читайте и пишите полезные комментарии к этой статье.

<< Назад

<< Назад

Последние новости науки и техники, новинки электроники:

Открыт обращаемый драйвер старения 04.10.2025

Недавняя работа ученых из Сямэньского университета в Китае показала, что в гипоталамусе, главном регуляторе внутренних функций организма, кроется один из ключей к продлению молодости. Команда под руководством Лиге Ленга обнаружила, что снижение уровня белка менина в гипоталамусе связано с ускорением процессов старения. Менин, как выяснилось, играет важную роль в предотвращении воспаления и поддержании нормальной работы нейронов. Когда его уровень снижается, в мозге возрастает активность воспалительных сигналов, что запускает цепную реакцию возрастных изменений во всем организме - от ослабления когнитивных функций до потери плотности костей и истончения кожи. Чтобы понять, как именно менин влияет на старение, ученые вывели генномодифицированных мышей, у которых этот белок можно было выборочно отключить. Даже у молодых животных такое вмешательство быстро привело к ухудшению памяти, снижению прочности костей и эластичности кожи, а также к укорочению жизни. Эти результаты убедительно ...>>

Твердотельные батареи Panasonic 04.10.2025

Твердотельные аккумуляторы считаются следующим шагом в эволюции энергосистем: в отличие от традиционных литиево-ионных, они не содержат жидкого электролита, что существенно снижает риск возгорания и утечки. Именно на это делает ставку Panasonic, намереваясь завершить подготовку первых образцов к марту 2027 года, то есть к концу 2027 финансового года. Как сообщил технический директор подразделения Panasonic Energy Сеичиро Ватанабе, после выпуска опытных моделей клиенты проведут тесты, которые могут занять около двух лет, прежде чем начнется полноценное серийное производство. Хотя основным направлением для компании по-прежнему остаются литиево-ионные аккумуляторы, Panasonic стремится использовать свой опыт в сфере электромобильных технологий, чтобы выйти на новые рынки - прежде всего в области роботов и промышленных систем. На этом направлении японская корпорация намерена соперничать с такими компаниями, как TDK, уже закрепившимися в сегменте твердотельных решений. Интерес к новой ...>>

Кислотность океана разрушает зубы акул 03.10.2025

Мировые океаны выполняют важнейшую функцию - они поглощают около трети углекислого газа, выбрасываемого в атмосферу. Это помогает замедлять темпы глобального потепления, но имеет и обратную сторону. Растворяясь в воде, CO2 образует угольную кислоту, которая повышает концентрацию водородных ионов и приводит к снижению pH. Вода становится более кислой, а последствия этого процесса уже заметны для морских экосистем. Средний показатель кислотности океана сейчас равен примерно 8,1, тогда как еще недавно за условную норму брали значение 8,2. По прогнозам, к 2300 году уровень может упасть до 7,3 - это сделает океан почти в десять раз кислее нынешнего состояния. Для обитателей морей подобные изменения означают не просто сдвиг химического равновесия, а реальную угрозу физиологическим процессам, начиная от формирования раковин у моллюсков и заканчивая охотничьим поведением акул. Чтобы выяснить, как именно кислотная среда отражается на зубах акул, группа немецких исследователей провела эксп ...>>

Случайная новость из Архива

Кошачьи царапины и психические расстройства 07.06.2024

В последние десятилетия кошки стали неотъемлемой частью нашей жизни, выступая в роли преданных домашних питомцев. Однако, помимо их очарования, кошки могут нести в себе опасность для здоровья человека. В последние годы исследования углубились в анализ воздействия кошачьих царапин на организм и обнаружили потенциальную связь между ними и развитием определенных психических расстройств. Это вызывает серьезные вопросы о безопасности общения с домашними животными и подчеркивает необходимость дополнительных мер предосторожности при уходе за ними.

Кошки часто рассматриваются как милые и нежные домашние питомцы, но их когти могут нести в себе скрытую угрозу для человеческого здоровья. Недавние исследования показали, что бактерия Bartonella henselae, которая часто присутствует в котятине и на их когтях, может быть связана с развитием различных психических расстройств у человека.

Исследователи из Университета штата Северная Каролина провели анализ медицинских записей пациентов и обнаружили, что инфицирование бактерией Bartonella henselae может быть связано с длительными психическими расстройствами, такими как расстройства сна, мигрени, депрессия и тревожные расстройства.

В ходе исследования участвовало 33 человека, из которых у 29 были обнаружены следы бактерии в организме. При этом 24 человека сообщили о появлении на своем теле полосок, напоминающих растяжки, что может быть связано с инфицированием.

Эти результаты подчеркивают важность регулярной вакцинации домашних кошек против соответствующих заболеваний и необходимость серьезного отношения к кошачьим царапинам как к потенциальной угрозе для здоровья.

Другие интересные новости:

▪ PHILIPS DVP 630: бюджетный DVD-проигрыватель для российского рынка

▪ Беременность изменяет кости матери

▪ Печь для любителей радио

▪ Искусственная матка

▪ Острова не желают тонуть

Лента новостей науки и техники, новинок электроники

 

Интересные материалы Бесплатной технической библиотеки:

▪ раздел сайта Моделирование. Подборка статей

▪ статья Дуговая электроплавильная печь. История изобретения и производства

▪ статья От чего у людей бывает аллергия? Подробный ответ

▪ статья RS-триггер. Радио - начинающим

▪ статья Мерцающий цветок. Энциклопедия радиоэлектроники и электротехники

▪ статья Автомат для поливки растений. Энциклопедия радиоэлектроники и электротехники

Оставьте свой комментарий к этой статье:

Имя:


E-mail (не обязательно):


Комментарий:





Главная страница | Библиотека | Статьи | Карта сайта | Отзывы о сайте

www.diagram.com.ua

www.diagram.com.ua
2000-2025