Menu Home

Бесплатная техническая библиотека для любителей и профессионалов Бесплатная техническая библиотека


Пассивные регуляторы тембра. Энциклопедия радиоэлектроники и электротехники

Бесплатная техническая библиотека

Энциклопедия радиоэлектроники и электротехники / Аудиотехника

Комментарии к статье Комментарии к статье

В этой статье вниманию читателей предлагается ряд различных по схемотехнике и функциональным возможностям регуляторов тембра, которые могут быть использованы радиолюбителями при разработке и модернизации звуковоспроизводящей аппаратуры.

Основной недостаток еще недавно популярных активных регуляторов тембра состоит в использовании глубокой частотно-зависимой ООС и больших дополнительных искажениях, вносимых ими в регулируемый сигнал. Вот почему в высококачественной аппаратуре желательно применять пассивные регуляторы. Правда, и они не лишены недостатков. Самый крупный из них - значительное затухание сигнала, соответствующее диапазону регулирования. Но так как глубина регулирования тембра в современной звуковоспроизводящей аппаратуре невелика (не более 8...10 дБ), то в большинстве случаев вводить в тракт сигнала дополнительные каскады усиления не требуется.

Другой, не столь существенный недостаток таких регуляторов - необходимость применения переменных резисторов с экспоненциальной зависимостью сопротивления от угла поворота движка (группа "В"), обеспечивающих плавное регулирование. Однако простота конструкции и высокие качественные показатели все же склоняют конструкторов к применению именно пассивных регуляторов тембра.

Следует отметить, что эти регуляторы требуют низкого выходного сопротивления предшествующего им каскада и высокого входного сопротивления последующего.

Разработанный английским инженером Баксандалом еще в 1952 г. регулятор тембра [1] стал, пожалуй, самым распространенным частотным корректором в электроакустике. Классический его вариант состоит из образующих мост двух звеньев фильтра первого порядка - низкочастотного R1C1R3C2R2 и высокочастотного C3R5C4R6R7 (рис. 1,а). Аппроксимированные логарифмические амплитудно-частотные характеристики (ЛАЧХ) такого регулятора показаны на рис. 1,б. Там же приведены расчетные зависимости для определения постоянных времени точек перегиба ЛАЧХ.

Пассивные регуляторы тембра
Рис.1

Теоретически максимально достижимая крутизна АЧХ для звеньев первого порядка составляет 6 дБ на октаву, но при практически реализуемых характеристиках из-за незначительного различия частот перегиба (не более декады) и влияния предшествующих и последующих каскадов она не превышает 4...5 дБ на октаву. При регулировании тембра фильтр Баксандала меняет только наклон АЧХ без изменения частот перегиба. Вносимое регулятором на средних частотах затухание определяется соотношением n=R1/R3. Диапазон регулирования АЧХ при этом зависит не только от величины затухания п, но и от выбора частот перегиба частотной характеристики, поэтому для его увеличения частоты перегиба устанавливают в области средних частот, что, в свою очередь, чревато взаимным влиянием регулировок.

В традиционном варианте рассматриваемого регулятора R1/R3=C2/C1= =C4/C3=R5/R6=n, R2=R7=n-R1. При этом достигается приблизительное совпадение частот перегиба АЧХ в области ее подъема и спада (в общем случае они различны), что обеспечивает относительно симметричное регулирование АЧХ (спад даже в этом случае неизбежно получается более крутым и протяженным). При обычно используемом п=10 (для этого случая указаны минимальные значения номиналов элементов на рис. 1,а-3,а) и выборе частот раздела вблизи 1 кГц регулирование тембра на частотах 100 Гц и 10 кГц относительно частоты 1 кГц составляет ±14...18дБ. Как отмечалось выше, для достижения плавного регулирования переменные резисторы R2, R7 должны иметь экспоненциальную характеристику регулирования (группа "В") и, кроме того, для получения линейной АЧХ в среднем положении движков регуляторов соотношение сопротивлений верхнего и нижнего (по схеме) участков переменных резисторов также должно быть равно п. При "хайэндовском" п=2...3, что соответствует диапазону регулирования ±4...8 дБ, вполне допустимо использовать переменные резисторы с линейной зависимостью сопротивления от угла поворота движка (группа "А"), но при этом несколько огрубляется регулировка в области спада АЧХ и растягивается в области подъема, а плоская АЧХ получается отнюдь не в среднем положении движков регуляторов. С другой стороны, сопротивление секций сдвоенных переменных резисторов с линейной зависимостью лучше согласовано, что уменьшает рассогласование АЧХ каналов стереофонического усилителя, так что неравномерное регулирование в этом случае можно считать допустимым.

Наличие резистора R4 не принципиально, его назначение - снизить взаимное влияние звеньев и сблизить частоты перегиба АЧХ в области высших звуковых частот. Как правило, R4= =(0,3...1,2)'R1. Как показано ниже, от него в ряде случаев можно вообще отказаться. Для снижения влияния на регулятор предшествующих и последующих каскадов их выходное Rвых и входное Rвх сопротивления должны быть соответственно Rвых<<R3, Rвх>>R2.

Приведенный "базовый"вариант регулятора применяется обычно в радиоаппаратуре высокого класса. В бытовой аппаратуре используют несколько упрощенный вариант (рис. 2,а). Аппроксимированные логарифмические амплитудно-частотные характеристики (ЛАЧХ) такого регулятора приведены на рис. 2,6. Упрощение его высокочастотного звена привело к некоторой расплывчатости регулирования в области высших частот и к более заметному влиянию предшествующего и последующего каскадов на АЧХ в этой области.

Пассивные регуляторы тембра
Рис.2

Подобный корректор при п=2 (с переменными резисторами группы "А") был особенно популярен в простых любительских усилителях [2] конца 60-х - начала 70-х годов (главным образом, из-за малого затухания), но вскоре величина п возросла до привычных сегодня значении. Все сказанное выше относительно диапазона регулирования, согласования и выбора регуляторов справедливо и для упрощенного варианта корректора.

Если отказаться от требования симметричного регулирования АЧХ на участках их подъема и спада (кстати, необходимость спада практически не возникает), то можно еще более упростить схему (рис. 3,а). Приведенные на рис. З.б ЛАЧХ регулятора соответствуют крайним положениям движков резисторов R2, R4. Достоинство такого регулятора - простота, но поскольку все его характеристики взаимосвязаны, для удобства регулирования целесообразно выбирать п=3...10. С ростом п крутизна подъема растет, а спада - снижается. Все сказанное выше о традиционных вариантах корректора Баксандала в полной мере относится и к этому, предельно упрощенному варианту.

Пассивные регуляторы тембра
Рис.3

Однако схема регулятора тембра Баксандала и ее варианты - отнюдь не единственная возможная реализация пассивного двухполосного регулятора тембра. Вторая группа регуляторов выполнена не на базе мостов, а на базе частотно-зависимого делителя напряжения. В качестве примера изящного схемотехнического решения регулятора можно привести темброблок, в свое время использовавшийся в различных вариациях в ламповых усилителях электрогитар. "Изюминкой" данного регулятора является изменение частот перегиба АЧХ в процессе регулирования тембра, что приводит к интересным эффектам в звучании "классической" электрогитары. Базовая его схема изображена на рис. 4,а, а аппроксимированные ЛАЧХ - на рис. 4,6. Там же приведены расчетные зависимости для определения постоянных времени точек перегиба.

Пассивные регуляторы тембра
Рис.4

Нетрудно заметить, что регулировка в области низших звуковых частот изменяет частоты перегиба, не меняя наклон АЧХ. Когда движок переменного резистора R4 находится в нижнем (по схеме) положении, АЧХ на низших частотах линейна. При перемещении же движка вверх на ней появляется подъем, причем точка перегиба в процессе регулирования сдвигается в область более низких частот. При дальнейшем перемещении движка верхняя (по схеме) секция резистора R4 начинает шунтировать резистор R2, что вызывает сдвиг высокочастотной точки перегиба в область более высоких частот. Таким образом, при регулировании подъем низких частот дополняется спадом средних. Регулятор высших звуковых частот представляет собой простейший фильтр первого порядка и особенностей не имеет.

На базе этой схемы можно построить несколько вариантов темброблоков, позволяющих регулировать АЧХ в области низших и высших частот. Причем в области низших частот возможен и подъем, и спад АЧХ, а на высших - только подъем.

Вариант темброблока с регулированием частоты перегиба АЧХ в низкочастотной области показан на рис. 5,а, его ЛАЧХ - на рис. 5,6. Резистор R2 регулирует частоту перегиба АЧХ, а R5 - ее наклон. Совместное действие регуляторов позволяет получить значительные пределы и большую гибкость регулирования.

Пассивные регуляторы тембра
Рис.5

Схема упрощенного варианта темброблока приведена на рис. 6,а, его ЛАЧХ - на рис. 6,6. Он представляет собой, в сущности, гибрид низкочастотного звена темброблока, показанного на рис. 3,а, и высокочастотного звена темброблока, показанного на рис.4,а.

Пассивные регуляторы тембра
Рис.6

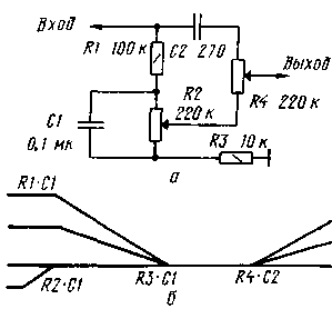
Объединив функции регулирования АЧХ в низкочастотной и высокочастотной областях, можно получить простой комбинированный регулятор тембра с одним органом управления, весьма удобный для применения в радиоприемной и автомобильной аппаратуре. Его принципиальная схема показана на рис. 7,а и ЛАЧХ - на рис. 7,б. В нижнем (по схеме) положении движка переменного резистора R1 АЧХ близка к линейной во всем диапазоне частот. При перемещении .его вверх появляется подъем на низших частотах, причем низкочастотная точка перегиба в процессе регулирования сдвигается в область более низших частот. При дальнейшем перемещении движка верхняя (по схеме) секция резистора R1 включает в работу конденсатор С1, что приводит к подъему высших частот.

Пассивные регуляторы тембра
Рис.7

При замене переменного резистора R1 переключателем (рис. 8,а и 8,б) рассмотренный регулятор превращается в простейший тон-регистр (положение 1 - classic; 2 - jazz; 3 - rock), популярный в 50-х - 60-х годах и вновь используемый в эквалайзерах магнитол и музыкальных центров в 90-х.

Пассивные регуляторы тембра
Рис.8

Несмотря на то что о регулировании тембра, казалось бы, все давно уже сказано, многообразие пассивных корректирующих цепей не исчерпывается предложенными вариантами. Немало забытых схемотехнических решений переживают сейчас второе рождение на новом качественном уровне. Весьма перспективен, например, регулятор громкости с раздельной регулировкой тонкомпенсации по низким и высоким частотам [3].

Литература

  1. Шкритек П. Справочное руководство по звуковой схемотехнике (пер. с нем.). - М.: Мир, 1991, с. 151-153.
  2. Крылов Г. Широкополосный УНЧ. - Радио, 1973, № 9, c.56,57.
  3. Шихатов А. Комбинированный блок регулирования АЧХ. - Радио, 1993, № 7, с. 16.

Автор: А. Шихатов, г. Москва; Публикация: Н. Большаков, rf.atnn.ru

Смотрите другие статьи раздела Аудиотехника.

Читайте и пишите полезные комментарии к этой статье.

<< Назад

Последние новости науки и техники, новинки электроники:

Власть является ключевым фактором счастья в отношениях 11.03.2026

Исследования семейных и романтических отношений показывают, что длительное счастье пары зависит не только от привычных факторов, таких как доверие, уважение и преданность, но и от более тонких психологических аспектов. Современные ученые ищут закономерности, которые отличают действительно счастливые пары от остальных, чтобы понять, какие механизмы поддерживают гармонию в отношениях. Группа исследователей из Университета Мартина Лютера в Галле-Виттенберге и Бамбергского университета провела опрос среди 181 пары, которые состояли в совместных отношениях более восьми лет и прожили вместе хотя бы месяц. Участники заполняли анкету, описывая различные аспекты своих отношений, включая распределение обязанностей, эмоциональную поддержку и степень вовлеченности в совместные решения. Анализ данных показал интересный паттерн: пары, где оба партнера ощущали высокий уровень личной власти, оказывались наиболее счастливыми и удовлетворенными. В данном контексте под властью понимается способност ...>>

Защищенная колонка-повербанк Anker Soundcore Boom Go 3i 11.03.2026

Компания Anker представила новую модель линейки Soundcore - колонку Soundcore Boom Go 3i, ориентированную на активное использование на улице. Новинка отличается высокой степенью защиты: корпус соответствует стандарту IP68, что обеспечивает водо- и пыленепроницаемость, а ударопрочный дизайн выдерживает падение с высоты до одного метра. За качество звука отвечает 15-ваттный драйвер, обеспечивающий пик громкости до 92 дБ, а технология BassUp 2.0 усиливает низкие частоты, делая звучание более насыщенным. Колонка обладает автономностью до 24 часов, а LED-индикатор позволяет контролировать уровень заряда батареи. Кроме того, Soundcore Boom Go 3i может выполнять функцию павербанка: согласно внутренним тестам, устройство способно зарядить iPhone 17 с нуля до 40% за один час, что делает его полезным аксессуаром в походах и поездках. Среди функциональных особенностей модели стоит выделить технологию Auracast, которая улучшает подключение и позволяет создавать стереопару из двух колонок ...>>

Раннее воздержание от алкоголя перестраивает мозг и иммунитет 10.03.2026

Алкогольная зависимость - хроническое расстройство с компульсивным употреблением спиртного, которое влияет не только на поведение, но и на функционирование мозга и иммунной системы. Недавние исследования показали, что даже на ранних этапах воздержания организм начинает перестраиваться, открывая новые возможности для терапии зависимости. Ученые сосредоточились на пациентах, находящихся в первые недели абстиненции, и зафиксировали значительные изменения в мозговой активности. С помощью функциональной магнитно-резонансной томографии они выявили перестройку сетей нейронных связей, отвечающих за контроль импульсов и принятие решений. Эти изменения могут быть ключевыми для восстановления самоконтроля и снижения риска рецидива. Одновременно с нейронной перестройкой исследователи наблюдали колебания иммунной системы. В крови повышался уровень цитокинов - сигнальных белков, регулирующих воспалительные процессы. Эти данные свидетельствуют о существовании нейроиммунного взаимодействия, при ...>>

Случайная новость из Архива

Исследование костей откроет новые прочные материалы 02.04.2020

Команда опытных специалистов по материальному инжинирингу из Нью-Йоркского Университета Корнуэлла представила проект, нацеленный на выявление принципов того, как костная ткань может самостоятельно укрепляться и как можно использовать этот принцип для того, чтобы делать известные нам материалы и устройства еще более устойчивыми и надежными в своей продолжительной и иногда даже экстремальной эксплуатации.

В частности, работа команды специалистов сосредоточилась на первом этапе на выявлении того, по какому принципу кость может сопротивляться высоким нагрузкам на себя. Оказалось, что в основе ее решетчатой структуры лежит наложение горизонтальных и вертикальных "стоек", которые не только выдерживают продолжительные циклы нагрузок, но которые могут также увеличивать устойчивость самой костной ткани. С течением возраста люди теряют в первую очередь горизонтальные костяные стойки, что существенно уменьшает уровень ее устойчивости к различным нагрузкам, а помимо этого кость становится более хрупкой и в отношении небольших нагрузок.

Создав уникальный 3D-принт такой конструкции динамического костного типа, команда специалистов установила, что имеется возможность увеличить уровень прочности такого материала, подредактировав решетку строения костной ткани - а соответственно, такой же принцип может быть применен и в отношении сторонних материалов и устройств, которые нас окружают.

Кроме того, отформатированные костяные стойки могут стать не только основным опорным пунктом в отношении увеличения прочности материала, но также своего рода основной базой для поддержания дополнительных нагрузок. Это означает, что в своем адаптированном виде такие варианты материалов могут стать частью тех же элементов космических кораблей, которым необходимо быть не только крайне прочными, но и крайне гибкими при эксплуатации.

Другие интересные новости:

▪ Лечение герпеса инфракрасным светом

▪ Гиперактивность появляется из-за дефицита внимания

▪ Лес идет в горы

▪ Эффективный солнечный элемент из обычного кремния

▪ Полеты в космос вызывают проблемы с глазами

Лента новостей науки и техники, новинок электроники

 

Интересные материалы Бесплатной технической библиотеки:

▪ раздел сайта Альтернативные источники энергии. Подборка статей

▪ статья Всеми правдами и неправдами. Крылатое выражение

▪ статья Какое дерево имеет листья, которые сначала желтые или красные, а потом зеленеют? Подробный ответ

▪ статья Лох восточный. Легенды, выращивание, способы применения

▪ статья Музыкальный автомат на микросхеме серии УМС-7,8. Энциклопедия радиоэлектроники и электротехники

▪ статья Завязывание узла, не отпуская веревки. Секрет фокуса

Оставьте свой комментарий к этой статье:

Имя:


E-mail (не обязательно):


Комментарий:





Главная страница | Библиотека | Статьи | Карта сайта | Отзывы о сайте

www.diagram.com.ua

www.diagram.com.ua
2000-2026