Menu Home

Бесплатная техническая библиотека для любителей и профессионалов Бесплатная техническая библиотека


Раздел 4. Распределительные устройства и подстанции

Распределительные устройства и подстанции напряжением выше 1 кB. Защита от грозовых перенапряжений

Бесплатная техническая библиотека

Энциклопедия радиоэлектроники и электротехники / Правила устройства электроустановок (ПУЭ)

Комментарии к статье Комментарии к статье

4.2.133. Защита от грозовых перенапряжений РУ и ПС осуществляется:

  • от прямых ударов молнии - стержневыми и тросовыми молниеотводами;
  • от набегающих волн с отходящих линий - молнеотводами от прямых ударов молнии на определенной длине этих линий защитными аппаратами, устанавливаемыми на подходах и в РУ, к которым относятся разрядники вентильные (РВ), ограничители перенапряжений (ОПН), разрядники трубчатые (щитные искровые промежутки (ИП).

Ограничители перенапряжений, остающиеся напряжения которых при номинальном разрядном токе не более чем на 10% ниже остающегося напряжения РВ или среднего пробивного напряжения РТ или ИП, называются далее соответствующими.

4.2.134. Открытые РУ и ПС 20-750 кВ должны быть защищены от прямых ударов молнии. Выполнение защиты от прямых ударов молнии не требуется для ПС 20 и 35 кВ с трансформаторами единичной мощностью 1,6 МВ·А и менее независимо от количества таких трансформаторов и от числа грозовых часов в году, для всех ОРУ ПС 20 и 35 кВ в районах числом грозовых часов в году не более 20, а также для ОРУ и ПС 220 кВ и ниже на площадках с эквивалентным удельным сопротивлением земли в грозовой сезон более 2000 Ом·м при числе грозовых часов в году не более 20.

Здания закрытых РУ и ПС следует защищать от прямых ударов молнии в районах с числом грозовых часов в году более 20.

Защиту зданий закрытых РУ и ПС, имеющих металлические покрытия кровли, следует выполнять заземлением этих покрытий. При наличии железобетонной кровли и непрерывной электрической связи отдельных ее элементов защита выполняется заземлением ее арматуры.

Защиту зданий закрытых РУ и ПС, крыша которых не имеет металлических или железобетонных покрытий с непрерывной электрической связью отдельных ее элементов, следует выполнять стержневыми молниеотводами, либо укладкой молниеприемной сетки непосредственно на крыше зданий.

При установке стержневых молниеотводов на защищаемом здании от каждого молниеотвода должно быть проложено не менее двух токоотводов по противоположным сторонам здания.

Молниеприемная сетка должна быть выполнена из стальной проволоки диаметром 6-8 мм и уложена на кровлю непосредственно или под слой негорючих утеплителя или гидроизоляции. Сетка должна иметь ячейки площадью не более 150 м2 (например, ячейка 12х12 м). Узлы сетки должны быть соединены сваркой. Токоотводы, соединяющие молниеприемную сетку с заземляющим устройством, должны быть проложены не реже чем через каждые 25 м по периметру здания.

В качестве токоотводов следует использовать металлические и железобетонные (при наличии хотя бы части ненапряженной арматуры) конструкции зданий. При этом должна быть обеспечена непрерывная электрическая связь от молниеприемника до заземлителя. Металлические элементы здания (трубы, вентиляционные устройства и пр.) следует соединять с металлической кровлей или молниеприемной сеткой.

При расчете числа обратных перекрытий на опоре следует учитывать увеличение индуктивности опоры пропорционально отношению расстояния по токоотводу от опоры до заземления к расстоянию от заземления до верха опоры.

При вводе в закрытые РУ и ПС ВЛ через проходные изоляторы, расположенные на расстоянии менее 10 м от токопроводов и других связанных с ним токоведущих частей, указанные вводы должны быть защищены РВ или соответствующими ОПН. При присоединении к магистралям заземления ПС на расстоянии менее 15 м от силовых трансформаторов необходимо выполнение условий 4.2.136.

Для расположенных на территории ПС электролизных зданий, помещений для хранения баллонов с водородом и установок с ресиверами водорода молниеприемная сетка должна иметь ячейки площадью не более 36 м2 (например, 6х6 м).

Защита зданий и сооружений, в том числе взрывоопасных и пожароопасных, а также труб, расположенных, на территории электростанций, осуществляется в соответствии с технической документацией, утвержденной в установленном порядке.

4.2.135. Защита ОРУ 35 кВ и выше от прямых ударов молнии должна быть выполнена отдельно стоящими или установленными на конструкциях стержневыми молниеотводами. Рекомендуется использовать защитное действие высоких объектов, которые являются молниеприемниками (опоры ВЛ, прожекторные мачты, радиомачты и т.п.).

На конструкциях ОРУ 110 кВ и выше стержневые молниеотводы могут устанавливаться при эквивалентном удельном сопротивлении земли в грозовой сезон: до 1000 Ом·м - независимо от площади заземляющего устройства ПС; более 1000 до 2000 Ом·м - при площади заземляющего устройства ПС 10000 м2 и более.

Установка молниеотводов на конструкциях ОРУ 35 кВ допускается при эквивалентном удельном сопротивлении земли в грозовой сезон: до 500 Ом·м - независимо от площади заземляющего контура ПС, более 500 Ом·м - при площади заземляющего контура ПС 10000 м2 и более.

От стоек конструкций ОРУ 35 кВ и выше с молниеотводами должно быть обеспечено растекание тока молнии по магистралям заземления не менее чем в двух направлениях с углом не менее 90º между соседними. Кроме того, должно быть установлено не менее одного вертикального электрода длиной 3-5 м на каждом направлении, на расстоянии не менее длины электрода от места присоединения к магистрали заземления стойки с молниеотводом.

Если зоны защиты стержневых молниеотводов не закрывают всю территорию ОРУ, дополнительно используют тросовые молниеотводы, расположенные над ошиновкой.

Гирлянды подвесной изоляции на порталах ОРУ 20 и 35 кВ с тросовыми или стержневыми молниеотводами, а также на концевых опорах ВЛ должны иметь следующее количество изоляторов:

1) на порталах ОРУ с молниеотводами:

  • не менее шести изоляторов при расположении вентильных разрядников или соответствующих им по уровню остающихся напряжений ОПН не далее 15 м по магистралям заземляющего устройства от места присоединения к нему;
  • не менее семи изоляторов в остальных случаях;

2) на концевых опорах:

  • не менее семи изоляторов при подсоединении к порталам троса ПС;
  • не менее восьми изоляторов, если трос не заходит на конструкции ПС и при установке на концевой опоре стержневого молниеотвода.

Число изоляторов на ОРУ 20 и 35 кВ и концевых опорах должно быть увеличено, если это требуется по условиям гл. 1.9.

При установке молниеотводов на концевых опорах ВЛ 110 кВ и выше специальных требований к выполнению гирлянд изоляторов не предъявляется. Установка молниеотводов на концевых опорах ВЛ 3-20 кВ не допускается.

Расстояние по воздуху от конструкций ОРУ, на которых установлены молниеотводы, до токоведущих частей должно быть не менее длины гирлянды.

Место присоединения конструкции со стержневым или тросовым молниеотводом к заземляющему устройству ПС должно быть расположено на расстоянии не менее 15 м по магистралям заземления от места присоединения к нему трансформаторов (реакторов) и конструкций КРУН 6-10 кВ.

Расстояние в земле между точкой заземления молниеотвода и точкой заземления нейтрали или бака трансформатора должно быть не менее 3 м.

4.2.136. На трансформаторных порталах, порталах шунтирующих реакторов и конструкциях ОРУ, удаленных от трансформаторов или реакторов по магистралям заземления на расстоянии менее 15 м, молниеотводы могут устанавливаться при эквивалентном удельном сопротивлении земли в грозовой сезон не более 350 Ом·м и при соблюдении следующих условий:

1) непосредственно на всех выводах обмоток 3-35 кВ трансформаторов или на расстоянии не более 5 м от них по ошиновке, включая ответвления к защитным аппаратам, должны быть установлены соответствующие ОПН 3-35 кВ или РВ;

2) должно быть обеспечено растекание тока молнии от стойки конструкции с молниеотводом по трем-четырем направлениям с углом не менее 90º между ними;

3) на каждом направлении, на расстоянии 3-5 м от стойки с молниеотводом, должно быть установлено по одному вертикальному электроду длиной 5 м;

4) на ПС с высшим напряжением 20 и 35 кВ при установке молниеотвода на трансформаторном портале сопротивление заземляющего устройства не должно превышать 4 Ом без учета заземлителей, расположенных вне контура заземления ОРУ;

5) заземляющие проводники РВ или ОПН и силовых трансформаторов рекомендуется присоединять к заземляющему устройству ПС поблизости один от другого или выполнять их так, чтобы место присоединения РВ или ОПН к заземляющему устройству находилось между точками присоединения заземляющих проводников портала с молниеотводом и трансформатора. Заземляющие проводники измерительных трансформаторов тока необходимо присоединить к заземляющему устройству РУ в наиболее удаленных от заземления РВ или ОПН местах.

4.2.137. Защиту от прямых ударов молнии ОРУ, на конструкциях которых установка молниеотводов не допускается или нецелесообразна по конструктивным соображениям, следует выполнять отдельно стоящими молниеотводами, имеющими обособленные заземлители с сопротивлением не более 80 Ом при импульсном токе 60 кА.

Расстояние Sз, м, между обособленным заземлителем молниеотвода и заземляющим устройством ОРУ (ПС) должно быть равным (но не менее 3 м):

Sз > 0,2 Rи

где Rи - импульсное сопротивление заземления, Ом, отдельно стоящего молниеотвода.

Расстояние по воздуху Sв.о, м, от отдельностоящего молниеотвода с обособленным заземлителем до токоведущих частей, заземленных конструкций и оборудования ОРУ (ПС) должно быть равным (но не менее 5 м):

Sв.о > 0,12 Rи + 0,1 H

где H - высота рассматриваемой точки на токоведущей части или оборудовании над уровнем земли, м.

Заземлители отдельно стоящих молниеотводов в ОРУ могут быть присоединены к заземляющему устройству ОРУ (ПС) при соблюдении указанных в 4.2.135 условий установки молниеотводов на конструкциях ОРУ. Место присоединения заземлителя отдельно стоящего молниеотвода к заземляющему устройству ПС должно быть удалено по магистралям заземления на расстояние не менее 15 м от места присоединения к нему трансформатора (реактора). В месте присоединения заземлителя отдельно стоящего молниеотвода к заземляющему устройству ОРУ 35-150 кВ магистрали заземления должны быть выполнены по двум-трем направлениям с углом не менее 90º между ними.

Заземлители молниеотводов, установленных на прожекторных мачтах, должны быть присоединены к заземляющему устройству ПС. В случае несоблюдения условий, указанных в 4.2.135, дополнительно к общим требованиям присоединения заземлителей отдельно стоящих молниеотводов должны быть соблюдены следующие требования:

1) в радиусе 5 м от молниеотвода следует установить три вертикальных электрода длиной 3-5 м;

2) если расстояние по магистрали заземления от места присоединения заземлителя молниеотвода к заземляющему устройству до места присоединения к нему трансформатора (реактора) превышает 15 м, но менее 40 м, то на выводах обмоток напряжением до 35 кВ трансформатора должны быть установлены РВ или ОПН.

Расстояние по воздуху Sв.с от отдельно стоящего молниеотвода, заземлитель которого соединен с заземляющим устройством ОРУ (ПС), до токоведущих частей должно составлять:

Sв.с > 0,1 H + m

где H - высота токоведущих частей над уровнем земли, м; m - длина гирлянды изоляторов, м.

4.2.138. Тросовые молниеотводы ВЛ 110 кВ и выше, как правило, следует присоединять к заземленным конструкциям ОРУ (ПС).

От стоек конструкций ОРУ 110-220 кВ, к которым присоединены тросовые молниеотводы, должны быть выполнены магистрали заземления не менее чем по двум-трем направлениям с углом не менее 90º между ними.

Тросовые молниеотводы, защищающие подходы ВЛ 35 кВ, разрешается присоединять к заземленным конструкциям ОРУ при эквивалентном удельном сопротивлении земли в грозовой сезон: до 750 Ом·м - независимо от площади заземляющего контура ПС; более 750 Ом·м - при площади заземляющего контура ПС 10000 м2 и более.

От стоек конструкций ОРУ 35 кВ, к которым присоединены тросовые молниеотводы, магистрали заземления должны быть выполнены не менее чем по двум-трем направлениям с углом не менее 90º между ними. Кроме того, на каждом направлении должно быть установлено по одному вертикальному электроду длиной 3-5 м на расстоянии не менее 5 м.

Сопротивление заземлителей ближайших к ОРУ опор ВЛ напряжением 35 кВ не должно превышать 10 Ом.

Тросовые молниеотводы на подходах ВЛ 35 кВ к тем ОРУ, к которым не допускается их присоединение, должно заканчиваться на ближайшей к ОРУ опоре. Первый от ОРУ бестросовый пролет этих ВЛ должен быть защищен стержневыми молниеотводами, устанавливаемыми на ПС, опорах ВЛ или около ВЛ.

Гирлянды изоляторов на порталах ОРУ 35 кВ и на концевых опорах ВЛ 35 кВ следует выбирать в соответствии с 4.2.135.

4.2.139. Устройство и защита подходов ВЛ к ОРУ и ПС должны отвечать требованиям, приведенным в 4.2.138, 4.2.142 - 4.2.146, 4.2.153 - 4.2.157.

4.2.140. Не допускается установка молниеотводов на конструкциях:

  • трансформаторов, к которым открытыми токопроводами присоединены вращающиеся машины;
  • опор открытых токопроводов, если к ним присоединены вращающиеся машины.

Порталы трансформаторов и опоры открытых токопроводов, связанных с вращающимися машинами, должны входить в зоны защиты отдельно стоящих или установленных на других конструкциях молниеотводов.

Указанные требования относятся и к случаям соединения открытых токопроводов с шинами РУ, к которым присоединены вращающиеся машины.

4.2.141. При использовании прожекторных мачт в качестве молниеотводов электропроводку к ним на участке от точки выхода из кабельного сооружения до мачты и далее по ней следует выполнять кабелями с металлической оболочкой либо кабелями без металлической оболочки в трубах. Около конструкции с молниеотводом эти кабели должны быть проложены непосредственно в земле на протяжении не менее 10 м.

В месте ввода кабелей в кабельное сооружение металлическая оболочка кабелей, броня и металлическая труба должны быть соединены с заземляющим устройством ПС.

4.2.142. Защита ВЛ 35 кВ и выше от прямых ударов молнии на подходах к РУ (ПС) должна быть выполнена тросовыми молниеотводами в соответствии с табл. 4.2.8.

На каждой опоре подхода, за исключением случаев, предусмотренных в 2.5.122, трос должен быть присоединен к заземлителю опоры.

Допускается увеличение по сравнению с приведенными в табл. 4.2.8 сопротивлений заземляющих устройств опор на подходах ВЛ 35 кВ и выше к ПС при числе грозовых часов в году не менее 20 - в 1,5 раза; менее 10 - в 3 раза.

Если выполнение заземлителей с требуемыми сопротивлениями заземления оказывается невозможным, должны быть применены горизонтальные заземлители, прокладываемые вдоль оси ВЛ от опоры к опоре (заземлители-противовесы) и соединяемые с заземлителями опор.

В особо гололедных районах и в районах с эквивалентным удельным сопротивлением земли более 1000 Ом·м допускается выполнение защиты подходов ВЛ к РУ (ПС) отдельно стоящими стержневыми молниеотводами, сопротивление заземлителей которых не нормируется.

Таблица 4.2.8. Защита ВЛ от прямых ударов молнии на подходах к РУ и подстанциям

Номинальное напряжение ВЛ, кВ Подходы ВЛ на опорах с горизонтальным расположением проводов Подходы ВЛ на опорах с негоризонтальным расположением проводов Наибольшее допустимое сопротивление заземляющего устройства опор, Ом, при эквивалентном удельном сопротивлении земли, Ом·м**
Длина защищенного подхода, км* Число тросов, шт. Защитный угол троса, град. Длина защищенного подхода, км* Кол-во тросов, шт. Защитный угол троса, град. До 100 Более 100 до 500 Более 500
1 2 3 4 5 6 7 8 9 10
35 1-2 2 30 1-2 1-2 30 10 15 20
110 1-3 2 20*** 1-3 1-2 20*** 10 15 20****
150 2-3 2 20*** 2-3 1-2 20*** 10 15 20****
220 2-3 2 20 2-3 2 20*** 10 15 20****
330 2-4 2 20 2-4 2 20 10 15 20****
500 3-4 2 25 - - - 10 15 20****
750 4-5 2 20-22 - - - 10 15 20****

* Выбор длины защищаемого подхода производится с учетом табл. 4.2.10 - 4.2.13.

** На подходах ВЛ 110-330 кВ с двухцепными опорами заземляющие устройства опор рекомендуется выполнять с сопротивлением вдвое меньшим указанного в табл. 4.2.8.

*** На железобетонных опорах допускается угол защиты до 30º.

**** Для опор с горизонтальным расположением проводов, устанавливаемых в земле с эквивалентным удельным сопротивлением более 1000 Ом·м, допускается сопротивление заземляющего устройства 30 Ом.

4.2.143. В районах, имеющих не более 60 грозовых часов в году, допускается не выполнять защиту тросом подхода ВЛ 35 кВ к ПС 35 кВ с двумя трансформаторами мощностью до 1,6 МВ·А каждый или с одним трансформатором мощностью до 1,6 МВ·А и наличием резервного питания.

При этом опоры подхода ВЛ к ПС на длине не менее 0,5 км должны иметь заземлители с сопротивлением, указанным в табл. 4.2.8. При выполнении ВЛ на деревянных опорах, кроме того, требуется на подходе длиной 0,5 км присоединять крепления изоляторов к заземлителю опор и устанавливать комплект трубчатых разрядников на первой опоре подхода со стороны ВЛ. Расстояние между РВ или соответствующими ОПН и трансформатором должно быть не более 10 м.

При отсутствии резервного питания на ПС с одним трансформатором мощностью до 1,6 MB·А подходы ВЛ 35 кВ к ПС должны быть защищены тросом на длине не менее 0,5 км.

4.2.144. На первой опоре подхода ВЛ 35-220 кВ к ПС, считая со стороны линии, должен быть установлен комплект трубчатых разрядников (РТ1) или соответствующих защитных аппаратов в следующих случаях:

1) линия по всей длине, включая подход, построена на деревянных опорах;

2) линия построена на деревянных опорах, подход линии - на металлических или железобетонных опорах;

3) на подходах ВЛ 35 кВ на деревянных опорах к ПС 35 кВ защита выполняется в соответствии с 4.2.155.

Установка РТ1 в начале подходов ВЛ, построенных по всей длине на металлических или железобетонных опорах, не требуется.

Сопротивления заземляющего устройства опор с трубчатыми разрядниками должны быть не более 10 Ом при удельном сопротивлении земли не выше 1000 Ом·м и не более 15 Ом при более высоком удельном сопротивлении. На деревянных опорах заземляющие спуски от этих аппаратов должны быть проложены по двум стойкам или с двух сторон одной стойки.

На ВЛ 35-110 кВ, которые имеют защиту тросом не по всей длине и в грозовой сезон могут быть длительно отключены с одной стороны, как правило, следует устанавливать комплект трубчатых разрядников (РТ2) или соответствующих защитных аппаратов на входных порталах или на первой от ПС опоре того конца ВЛ, который может быть отключен. При наличии на отключенном конце ВЛ трансформаторов напряжения вместо РТ2 должны быть установлены РВ или соответствующие ОПН.

Расстояние от РТ2 до отключенного конца линии (аппарата) должно быть не более 60 м для ВЛ 110 кВ и не более 40 м для ВЛ 35 кВ.

4.2.145. На ВЛ, работающих на пониженном относительно класса изоляции напряжении, на первой опоре защищенного подхода ее к ПС, считая со стороны линии, т.е. на расстоянии от ПС, определяемом табл. 4.2.10 - 4.2.12 в зависимости от удаления РВ или ОПН от защищаемого оборудования, должны быть установлены РТ или ИП класса напряжения, соответствующего рабочему напряжению линии.

Допускается устанавливать защитные промежутки или шунтировать перемычками часть изоляторов в гирляндах на нескольких смежных опорах (при отсутствии загрязнения изоляции промышленными, солончаковыми, морскими и другими уносами). Число изоляторов в гирляндах, оставшихся незашунтированными, должно соответствовать рабочему напряжению.

На ВЛ с изоляцией, усиленной по условию загрязнения атмосферы, если начало защищенного подхода к ПС в соответствии с табл. 4.2.10 - 4.2.12 находится в зоне усиленной изоляции, на первой опоре защищенного подхода должен устанавливаться комплект защитных аппаратов, соответствующих рабочему напряжению ВЛ.

4.2.146. Трубчатые разрядники должны быть выбраны по току КЗ в соответствии со следующими требованиями:

1) для сетей до 35 кВ верхний предел тока, отключаемого трубчатым разрядником, должен быть не менее наибольшего действующего значения тока трехфазного КЗ в данной точке сети (с учетом апериодической составляющей), а нижний предел - не более наименьшего возможного в данной точке сети значения установившегося (без учета апериодической составляющей) тока двухфазного КЗ;

2) для сетей 110 кВ и выше верхний предел тока, отключаемого трубчатым разрядником, должен быть не менее наибольшего возможного эффективного значения тока однофазного или трехфазного КЗ в данной точке сети (с учетом апериодической составляющей), а нижний предел - не более наименьшего возможного в данной точке сети значения установившегося (без учета апериодической составляющей) тока однофазного или двухфазного КЗ. При отсутствии трубчатого разрядника на требуемые значения токов КЗ допускается применять вместо них ИП.

На ВЛ 220 кВ с деревянными опорами при отсутствии трубчатых разрядников должны быть заземлены на одной-двух опорах подвески гирлянд, при этом число изоляторов должно быть таким же, как для металлических опор.

4.2.147. На ВЛ с деревянными опорами 3-35 кВ в заземляющих спусках защитных промежутков следует выполнять дополнительные защитные промежутки, установленные на высоте не менее 2,5 м от земли. Рекомендуемые размеры защитных промежутков приведены в табл. 4.2.9.

Таблица 4.2.9. Рекомендуемые размеры основных и дополнительных защитных промежутков

Номинальное напряжение, кВ Размеры защитных промежутков, м
основных дополнительных
3 20 5
6 40 10
10 60 15
20 140 20
35 250 30
110 650 -
150 930 -
150 930 -
220 1350 -
330 1850 -
500 3000 -

4.2.148. В РУ 35 кВ и выше, к которым присоединены ВЛ, должны быть установлены РВ или ОПН.

Разрядники вентильные или ОПН следует выбирать с учетом координации их защитных характеристик с изоляцией защищаемого оборудования, соответствия наибольшего рабочего напряжения наибольшему рабочему напряжению сети с учетом высших гармоник и неравномерности распределения напряжения по поверхности, а также допустимых повышений напряжения в течение времени действия резервных релейных защит при однофазном замыкании на землю, при одностороннем включении линии или переходном резонансе на высших гармониках.

При увеличенных расстояниях от защитных аппаратов до защищаемого оборудования с целью сокращения числа устанавливаемых аппаратов могут быть применены РВ или ОПН с более низким уровнем остающихся напряжений, чем это требуется по условиям координации изоляции.

Расстояния по шинам, включая ответвления, от разрядников до трансформаторов и другого оборудования должны быть не более указанных в табл. 4.2.10 - 4.2.13 (см. также 4.2.136). При превышении указанных расстояний должны быть дополнительно установлены защитные аппараты на шинах или линейных присоединениях.

Приведенные в табл. 4.2.10 - 4.2.13 наибольшие допустимые расстояния до электрооборудования соответствуют его изоляции категории "б" по государственному стандарту.

Наибольшие допустимые расстояния между РВ или ОПН и защищаемым оборудованием определяют, исходя из числа линий и разрядников, включенных в нормальном режиме работы ПС.

Количество и места установки РВ или ОПН следует выбирать, исходя из принятых на расчетный период схем электрических соединений, числа ВЛ и трансформаторов. При этом расстояния от защищаемого оборудования до РВ или ОПН должны быть в пределах допустимых и на промежуточных этапах с длительностью, равной грозовому сезону или более. Аварийные и ремонтные работы при этом не учитываются.

Таблица 4.2.10. Наибольшие допустимые расстояния от вентильных разрядников до защищаемого оборудования 35-220 кВ1), 2), 3), 4)

Номинальное напряжение, кВ Тип опор на подходах ВЛ к РУ и подстанциям Длина защи-щенного тросом подхода ВЛ, км Расстояния до силовых трансформаторов, м Расстояния до остального оборудования, м
Тупиковые РУ РУ с двумя постоянно включенными ВЛ РУ с тремя или более постоянно включенными ВЛ Тупиковые РУ РУ с двумя или более постоянно включенными ВЛ
Разрядники III гр. Разрядники II гр. Разрядники III гр. Разрядники II гр. Разрядники III гр. Разрядники II гр. Разрядники III гр. Разрядники II гр. Разрядники III гр. Разрядники II гр.
1х PBC 2х РВС 1х РВМГ 2х РВМГ 1х PBC 2х РВС 1х РВМГ 2х РВМГ 1х PBC 2х РВС 1х РВМГ 2х РВМГ 1х PBC 2х РВС 1х РВМГ 2х РВМГ 1х PBC 2х РВС 1х РВМГ 2х РВМГ
35 Опоры с горизонтальным расположением проводов 0,5 20 30 - - 30 40 - - 35 45 - - 25 40 - - 30 50 - -
1,0 40 60 - - 50 100 - - 90 120 - - 75 100 - - 100 150 - -
1,5 60 90 - - 80 120 - - 120 150 - - 100 130 - - 125 200 - -
2,0 и более 75 100 - - 100 150 - - 150 180 - - 125 150 - - 150 200 - -
Опоры с негоризонтальным расположением проводов 1,0 20 30 - - 30 40 - - 40 50 - - 40 60 - - 50 100 - -
1,5 30 50 - - 50 60 - - 60 70 - - 60 90 - - 80 120 - -
2,0 и более 45 70 - - 70 90 - - 90 100 - - 70 120 - - 90 150 - -
110 Опоры с горизонтальным расположением проводов 1,0 30 50 40 100 50 70 60 120 70 90 80 125 120 140 130 180 130 150 140 190
1,5 50 80 70 150 70 90 80 160 90 110 100 175 140 170 150 200 200 200 180 200
2,0 70 100 90 180 80 120 100 200 110 135 120 250 170 200 180 220 200 200 200 200
2,5 90 165 120 220 95 150 125 250 125 180 135 250 190 200 220 250 200 200 200 200
3,0 и более 100 180 150 250 110 200 160 250 140 200 170 250 200 200 250 250 200 200 250 250
Опоры с негоризонтальным расположением проводов 1,0 15 20 20 50 20 30 30 75 30 40 40 100 70 90 80 110 100 130 120 170
1,5 30 55 40 80 40 60 50 100 50 70 60 130 110 130 120 160 150 180 160 200
2,0 50 75 70 120 60 90 70 150 70 100 90 190 120 150 140 180 200 200 180 250
2,5 65 100 90 160 70 115 100 200 80 125 120 250 130 200 160 230 200 200 200 200
3,0 и более 80 140 120 200 80 140 130 250 95 150 140 250 150 200 180 250 200 220 220 250
150-220 Опоры с горизонтальным расположением проводов 2,0 - - 20 65 - - 60 100 - - 90 110 90 160 100 210 150 220 200 280
2,5 - - 35 75 - - 70 140 - - 100 150 110 180 120 250 170 280 250 350
3,0 и более - - 80 100 - - 90 170 - - 120 180 120 200 160 280 190 310 270 400
Опоры с негоризонтальным расположением проводов 2,0 - - 10 35 - - 35 60 - - 45 65 60 90 75 130 90 120 100 150
2,5 - - 15 70 - - 65 90 - - 80 90 80 120 100 180 120 160 140 220
3,0 - - 40 90 - - 85

1. Расстояния от РВ до электрооборудования, кроме силовых трансформаторов, не ограничиваются при числе параллельно работающих ВЛ: на напряжении 110 кВ - 7 и более; на 150 кВ - 6 и более; на 220 кВ - 4 и более.

2. Допустимые расстояния определяются до ближайшего РВ.

3. При использовании ОПН вместо РВ или при изменении испытательных напряжений защищаемого оборудования расстояние до силовых трансформаторов или другого электрооборудования определяется по формуле

Lопн = Lрв (Uисп - Uопн)/(Uисп - Uрв

где Lопн - расстояние от ОПН до защищаемого оборудования, м;

Lрв - расстояние от разрядника до защищаемого оборудования, м;

Uисп - испытательное напряжение защищаемого оборудования при полном грозовом импульсе, кВ;

Uопн, Uрв - остающееся напряжение на ОПН (РВ) при токе 5 кА - для классов напряжения 110-220 кВ; 10 кА - для классов напряжения 330 кВ и выше.

4. При отличающихся данных защищенного тросом подхода допускается линейная интерполяция допустимого расстояния.

Таблица 4.2.11. Наибольшие допустимые расстояния от вентильных разрядников до защищаемого оборудования 330 кВ1)

Тип подстанции, число ВЛ Число комплектов вентильных разрядников, тип, место установки Длина защищен-
ного тросом подхода ВЛ, км
Расстояние*, м
до силовых трансформаторов (автотрансформаторов) и шунтирующих реакторов до трансформаторов напряжения до остального оборудования
Опоры с горизон-
тальным располо-
жением проводов
Опоры с негоризон-
тальным располо-
жением проводов
Опоры с горизон-
тальным располо-
жением проводов
Опоры с негоризон-
тальным располо-
жением проводов
Опоры с горизон-

тальным располо-
жением проводов

Опоры с негоризон-
тальным располо-
жением проводов
Тупиковая, по схеме блока трансформатор-линия Один комплект вентильных разрядников II гр. у силового трансформатора 2,5 45 - 75 - 130 100
3,0 70 20 90 30 140 110
4,0 100 50 115 85 150 130
Два комплекта вентильных разряд - ников II гр.: один комплект - у силового трансфор- матора, другой - в линейной ячейке 2,5 70 - 250** - 330** 232**
3,0 120 20 320** 100 380** 270**
4,0 160 90 400** 250 450** 340**
Тупиковая, по схеме объединенный блок Два комплекта вентильных разрядников II гр. у силовых трансформаторов 2,0 70 - 210 - 335 280
2,5 110 20 240 100 340 320
3,0 150 65 260 200 355 340
Проходная с двумя ВЛ и одним трансформатором, по схеме треугольник Один комплект вентильных разрядников II гр. у силового трансформатора 2,0 80 - 160 - 390 300
2,5 110 50 210 120 410 350
3,0 150 80 250 150 425 380
Проходная с двумя ВЛ и двумя трансформаторами по схеме мостик Два комплекта вентильных разрядников II гр. у силовых трансформаторов 2,0 60 - 320 - 420 300
2,5 80 20 400 260 500 360
3,0 130 60 475 310 580 415
Проходная с двумя ВЛ и двумя трансформаторами, по схеме четырехугольник Два комплекта вентильных разрядников II гр. у силовых трансформаторов 2,0 150 - 500 - 1000 1000
2,5 200 80 700 320 1000 1000
3,0 240 140 750 470 1000 1000
Подстанция с тремя и более отходящим ВЛ и двумя трансформаторами Два комплекта вентильных разрядников II гр. у силовых трансформаторов 2,0 150 40 960 - 1000 1000
2,5 220 80 1000 400 1000 1000
3,0 300 140 1000 1000 1000 1000
Подстанция с тремя и более отходящими ВЛ и одним трансформатором Один комплект вентильных разрядников II гр. у силового трансформатора 2,0 100 30 700 - 1000 750
2 175 70 800 200 1000 1000
3,0 250 100 820

1. При отличающихся длинах защищенного подхода допускается линейная интерполяция значения допустимого расстояния.

* Соответственно п.3 примечания к табл. 4.2.10.

** От РВ, установленных у силовых трансформаторов.

Таблица 4.2.12. Наибольшие допустимые расстояния от вентильных разрядников до защищаемого оборудования 500 кВ

Тип подстанции, число ВЛ Число комплектов разрядников, тип, место установки Расстояние*, м
до силовых трансформаторов (автотрансформаторов) и шунтирующих реакторов до трансформаторов напряжения до остального электрооборудования
Тупиковая, по схеме блока трансформатор-линия Два комплекта вентильных разрядников II гр.: один комплект - у силового трансформатора, другой - в линейной ячейке или на реакторном присоединении 95 150/700 150/700
Проходная, с двумя ВЛ и одним трансформатором, по схеме треугольник Два комплекта вентильных разрядников II гр.: один комплект - у силового трансформатора, другой - на шинах, в линейной ячейке или на реакторном присоединении 130 350/700 350/900
Проходная, с двумя ВЛ и двумя трансформаторами, по схеме четырехугольник Два комплекта вентильных разрядников II гр. у силовых трансформаторов 160 350 800
Подстанция с тремя и более отходящими ВЛ и двумя трансформаторами То же 240 450 900
Подстанция с тремя и более отходящими ВЛ и одним трансформатором Один комплект вентильных разрядников II гр. у силового трансформатора 175 400 600

* Соответственно п.3 примечания к табл. 4.2.10. В значениях, указанных дробью, числитель - допустимое расстояние до ближайшего РВ (в линейной ячейке, на шинах или на реакторном присоединении), знаменатель - до РВ, установленного у силового трансформатора.

Таблица 4.2.13. Наибольшие допустимые расстояния от вентильных разрядников до защищаемого оборудования 750 кВ

Тип подстанции, число ВЛ Число комплектов разрядников, тип, место установки Расстояние*, м
до силовых трансформаторов (автотрансформаторов) и шунтирующих реакторов до трансформаторов напряжения до остального электрооборудования
Тупиковая, по схеме блок трансформатор-линия с одним шунтирующим реактором Три комплекта вентильных разрядников: один комплект - у силового трансформатора, другой - у реактора, третий - в линейной ячейке 75*** 200*** 1000
Тупиковая по схеме трансформатор-линия с двумя шунтирующими реакторами Три комплекта вентильных разрядников: первый комплект - у силового трансформатора, второй и третий - у реактора 75*** 140*** 350***
То же Четыре комплекта вентильных разрядников: первый комплект - у силового трансформатора, второй и третий - у реакторов; четвертый - в линейной ячейке 140 230 1000
Тупиковая по схеме два трансформатора - линия с одним шунтирующим реактором Три комплекта вентильных разрядников: два комплекта - у силовых трансформаторов, третий - у реактора 50*** 140*** 350*
То же Четыре комплекта вентильных разрядников: два комплекта - у силовых трансформаторов, третий комплект - у реактора, четвертый комплект - в линейной ячейке 130 230 1000
Проходная по схеме трансформатор - две линии с шунтирующими реакторами Три комплекта вентильных разрядников: один комплект - у силового трансформатора, два комплекта - у реактора 100 120 350**
Проходная по схеме два трансформатора - две линии с шунтирующими реакторами Четыре комплекта вентильных разрядников: два комплекта - у силовых трансформаторов, два комплекта - у реакторов 120 120 350**

* При расстоянии от оборудования, установленного на вводе ВЛ на подстанцию (конденсатор связи, линейный разъединитель и др.), до точки присоединения ВЛ к ошиновке подстанции - не более 45 м.

** То же, не более 90 м.

*** При использовании ОПН, в том числе в РУ с уменьшенными воздушными изоляционными промежутками, или при изменении испытательных напряжений допустимые расстояния до силовых трансформаторов (автотрансформаторов) и шунтирующих реакторов и другого электрооборудования определяются согласно п.3 примечания к табл. 4.2.10.

4.2.149. В цепях трансформаторов и шунтирующих реакторов РВ или ОПН должны быть установлены без коммутационных аппаратов между ними и защищаемым оборудованием.

Защитные аппараты при нахождении оборудования под напряжением должны быть постоянно включены.

4.2.150. При присоединении трансформатора к РУ кабельной линией 110 кВ и выше в месте присоединения кабеля к шинам РУ с ВЛ должен быть установлен комплект РВ или ОПН. Заземляющий зажим РВ или ОПН должен быть присоединен к металлическим оболочкам кабеля. В случае присоединения к шинам РУ нескольких кабелей, непосредственно соединенных с трансформаторами, на шинах РУ устанавливается один комплект РВ или ОПН. Место их установки следует выбирать возможно ближе к местам присоединения кабелей.

При длине кабеля больше удвоенного расстояния, указанного в табл. 4.2.10 - 4.2.13, РВ или ОПН с такими же остающимися напряжениями, как у защитного аппарата в начале кабеля, устанавливается у трансформатора.

4.2.151. Неиспользуемые обмотки низшего и среднего напряжений силовых трансформаторов (автотрансформаторов), а также обмотки, временно отключенные от шин РУ в грозовой период, должны быть соединены в звезду или треугольник и защищены РВ или ОПН, включенными между вводами каждой фазы и землей. Защита неиспользуемых обмоток низшего напряжения, расположенных первыми от магнитопровода, может быть выполнена заземлением одной из вершин треугольника, одной из фаз или нейтрали звезды либо установкой РВ или ОПН соответствующего класса напряжения на каждой фазе.

Защита неиспользуемых обмоток не требуется, если к ним постоянно присоединена кабельная линия длиной не менее 30 м, имеющая заземленную оболочку или броню.

4.2.152. Для защиты нейтралей обмоток 110-150 кВ силовых трансформаторов, имеющих изоляцию, пониженную относительно изоляции линейного конца обмотки и допускающую работу с разземленной нейтралью, следует устанавливать ОПН, обеспечивающие защиту их изоляции и выдерживающие в течение нескольких часов квазиустановившиеся перенапряжения при обрыве фазы линии.

В нейтрали трансформатора, изоляция которой не допускает разземления, установка разъединителей не допускается.

4.2.153. Распредустройства 3-20 кВ, к которым присоединены ВЛ, должны быть защищены РВ или ОПН, установленными на шинах или у трансформаторов. В обоснованных случаях могут быть дополнительно установлены защитные емкости. Вентильный разрядник или ОПН в одной ячейке с трансформатором напряжения должен быть присоединен до его предохранителя.

При применении воздушной связи трансформаторов с шинами РУ 3-20 кВ расстояния от РВ и ОПН до защищаемого оборудования не должны превышать 60 м при ВЛ на деревянных опорах и 90 м при ВЛ на металлических опорах.

При присоединении трансформаторов к шинам кабелями расстояния от установленных на шинах РВ или ОПН до трансформаторов не ограничиваются.

Защита подходов ВЛ 3-20 кВ к ПС молниеотводами по условиям грозозащиты не требуется.

На подходах ВЛ 3-20 кВ с деревянными опорами к ПС на расстоянии 200-300 м от ПС должен быть установлен комплект защитных аппаратов (РТ1). На ВЛ 3-20 кВ, которые в грозовой сезон могут быть длительно отключены с одной стороны, следует устанавливать защитные аппараты (РТ2) на конструкции ПС или на концевой опоре того конца ВЛ, который может быть длительно отключен. Расстояние от РТ2 до отключенного выключателя по ошиновке должно быть не более 10 м. При мощности трансформатора до 0,63 МВ·А допускается не устанавливать трубчатые разрядники на подходах ВЛ 3-20 кВ с деревянными опорами.

При невозможности выдержать указанные расстояния, а также при наличии на отключенном конце ВЛ трансформаторов напряжения вместо РТ2 должны быть установлены РВ или ОПН. Расстояние от РВ до защищаемого оборудования должно быть при этом не более 10 м, для ОПН - увеличенное пропорционально разности испытательного напряжения ТН и остающегося напряжения ОПН. При установке РВ или ОПН на всех вводах ВЛ в ПС и их удалении от подстанционного оборудования в пределах допустимых значений по условиям грозозащиты защитные аппараты на шинах ПС могут не устанавливаться. Сопротивление заземления разрядников РТ1 и РТ2 не должны превышать 10 Ом при удельном сопротивлении земли до 1000 Ом·м и 15 Ом при более высоком удельном напряжении.

На подходах к подстанциям ВЛ 3-20 кВ с металлическими и железобетонными опорами установка защитных аппаратов не требуется. Однако при применении на ВЛ 3-20 кВ изоляции, усиленной более чем на 30% (например, из-за загрязнения атмосферы), на расстоянии 200-300 м от ПС и на ее вводе должны быть установлены ИП.

Металлические и железобетонные опоры на протяжении 200-300 м подхода к ПС должны быть заземлены с сопротивлением не более приведенных в табл. 2.5.35.

Защита ПС 3-20 кВ с низшим напряжением до 1 кВ, присоединенных к ВЛ 3-20 кВ, должна выполняться РВ или ОПН, устанавливаемыми со стороны высокого и низкого напряжения ПС.

В случае присоединения ВЛ 3-20 кВ к ПС с помощью кабельной вставки в месте присоединения кабеля к ВЛ должен быть установлен комплект РВ или ОПН. В этом случае заземляющий зажим разрядника, металлические оболочки кабеля, а также корпус кабельной муфты должны быть соединены между собой по кратчайшему пути. Заземляющий зажим разрядника должен быть соединен с заземлителем отдельным спуском. Если ВЛ выполнена на деревянных опорах, на расстоянии 200-300 м от конца кабеля следует устанавливать комплект защитных аппаратов. При длине кабельной вставки более 50 м установка РВ или ОПН на ПС не требуется. Сопротивление заземлителя аппарата должно быть не более значений, приведенных в табл. 2.5.35.

Молниезащита токопроводов 3-20 кВ осуществляется как молниезащита ВЛ соответствующего класса напряжения.

4.2.154. Кабельные вставки 35-220 кВ при их длине менее 1,5 км должны быть защищены с обеих сторон защитными аппаратами. Кабели 35-110 кВ защищаются РВС III группы или РТ, а кабели напряжением 220 кВ - РВ II группы или соответствующими ОПН. При длине кабеля 1,5 км и более на ВЛ с металлическими и железобетонными опорами установка разрядников или ограничителей по концам кабеля не требуется.

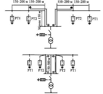
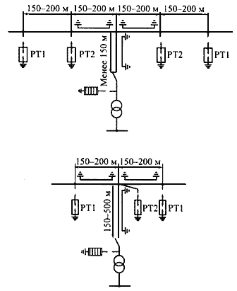
4.2.155. Защиту ПС 35-110 кВ с трансформаторами мощностью до 40 MB·А, присоединенных к ответвлениям протяженностью менее требуемой длины защищаемого подхода (см. табл. 4.2.8 и 4.2.10) от действующих ВЛ без троса, допускается выполнять по упрощенной схеме (рис. 4.2.18), включающей:

  • разрядники вентильные; устанавливаются на ПС на расстоянии от силового трансформатора не более 10 м при использовании РВ III группы и не более 15 м при использовании РВ II группы. При этом расстояние от РВ до остального оборудования не должно превышать соответственно 50 и 75 м. Расстояние до ограничителей определяется так же, как было указано ранее в табл. 4.2.10 - 4.2.13;
  • тросовые молниеотводы подхода к ПС на всей длине ответвления; при длине ответвления менее 150 м следует дополнительно защищать тросовыми или стержневыми молниеотводами по одному пролету действующей ВЛ в обе стороны от ответвления;
  • комплекты защитных аппаратов РТ1, РТ2 с сопротивлением заземлителя не более 10 Ом, устанавливаемые на деревянных опорах: РТ2 - на первой опоре с тросом со стороны ВЛ или на границе участка, защищаемого стержневыми молниеотводами; РТ1 - на незащищенном участке ВЛ на расстоянии 150-200 м от РТ2.

При длине подхода более 500 м установка комплекта трубчатых разрядников РТ1 не требуется.

Защита ПС, на которых расстояния между РВ и трансформатором превышают 10 м, выполняется в соответствии с требованиями, приведенными в 4.2.148.

Упрощенную защиту ПС, в соответствии с указанными выше требованиями, допускается выполнять и в случае присоединения ПС к действующим ВЛ с помощью коротких подходов (рис. 4.2.19). При этом трансформаторы должны быть защищены РВ II группы или соответствующими ОПН.

Выполнение упрощенной защиты ПС, присоединенных к вновь сооружаемым ВЛ, не допускается.


Рис. 4.2.18. Схемы защиты от грозовых перенапряжений ПС, присоединенных к ВЛ ответвлениями длиной до 150 и более 150 м


Рис. 4.2.19. Схемы защиты от грозовых перенапряжений ПС, присоединенных к ВЛ с помощью заходов длиной до 150 и более 150 м

4.2.156. В районах с удельным сопротивлением земли 1000 Ом·м и более сопротивление заземления разрядников РТ1 и РТ2 35-110 кВ, устанавливаемых для защиты ПС, которые присоединяются к действующим ВЛ на ответвления или с помощью коротких заходов, должно быть не более 30 Ом. При этом заземлитель РТ2 должен быть соединен с заземляющим устройством ПС.

4.2.157. Коммутационные аппараты, устанавливаемые на опорах ВЛ до 110 кВ, имеющих защиту тросом не по всей длине, как правило, должны быть защищены защитными аппаратами, устанавливаемыми на тех же опорах со стороны потребителя. Если коммутационный аппарат нормально отключен, разрядники должны быть установлены на той же опоре с каждой стороны, находящейся под напряжением.

При установке коммутационных аппаратов на расстоянии до 25 м по длине ВЛ от места подключения линии к ПС или распределительному пункту установка защитных аппаратов на опоре, как правило, не требуется. Если коммутационные аппараты в грозовой сезон нормально отключены, то со стороны ВЛ на опоре должны быть установлены защитные аппараты.

На ВЛ напряжением до 20 кВ с железобетонными и металлическими опорами допускается не устанавливать защитные аппараты для защиты коммутационных аппаратов, имеющих изоляцию того же класса, что и ВЛ.

Установка коммутационных аппаратов в пределах защищаемых тросом подходов ВЛ, которые указаны в 4.2.155, 4.2.162 и расстояний по табл. 4.2.10 допускается на первой опоре со стороны линии, а также на следующих опорах подхода при условии равной прочности их изоляции.

Сопротивление заземляющих устройств аппаратов должно удовлетворять требованиям, приведенным в 2.5.129.

4.2.158. Ответвление от ВЛ, выполняемое на металлических и железобетонных опорах, должно быть защищено тросом по всей длине, если оно присоединено к ВЛ, защищенной тросом по всей длине. При выполнении ответвлений на деревянных опорах в месте их присоединений к ВЛ должен быть установлен комплект защитных аппаратов.

4.2.159. Для защиты секционирующих пунктов 3-10 кВ должны быть установлены защитные аппараты - по одному комплекту на концевой опоре каждой питающей ВЛ с деревянными опорами. При этом заземляющие спуски защитных аппаратов следует присоединять к заземляющему устройству переключательного пункта.

Смотрите другие статьи раздела Правила устройства электроустановок (ПУЭ).

Читайте и пишите полезные комментарии к этой статье.

<< Назад

Последние новости науки и техники, новинки электроники:

Стерильного нейтрино не существует 15.01.2026

В физике элементарных частиц поиск новых, пока не обнаруженных объектов играет ключевую роль в понимании устройства Вселенной. Иногда такие поиски приводят к громким открытиям, а иногда - к не менее важным отрицательным результатам, которые позволяют отбросить неверные направления. Именно к таким случаям относится недавний вывод ученых о судьбе стерильного нейтрино - одной из самых интригующих гипотетических частиц последних десятилетий. Исследователи из американской лаборатории Fermilab официально сообщили, что им не удалось найти доказательства существования стерильного нейтрино. К такому выводу пришла команда эксперимента MicroBooNE после многолетнего анализа столкновений нейтрино, которые ранее рассматривались как возможный намек на существование четвертого типа этих частиц. Предполагалось, что стерильное нейтрино взаимодействует с материей исключительно через гравитацию, что делало его крайне трудным объектом для обнаружения. В рамках современной физики нейтрино известны в т ...>>

Беспроводные наушники и колонки Fender 15.01.2026

Музыкальная индустрия постепенно адаптируется к цифровым технологиям, и известный производитель музыкальных инструментов Fender расширяет свое присутствие за пределы гитар и усилителей, представляя современные решения для прослушивания музыки. Новые беспроводные наушники и Bluetooth-колонки Fender объединяют богатый звук, модульность и удобство использования как для дома, так и для профессиональной работы. Флагманской новинкой стали наушники Fender Mix, отличающиеся модульной конструкцией. Динамики подключаются к оголовью через порт USB Type-C и могут быть сняты вместе с амбушюрами, что облегчает уход и транспортировку. Один из динамиков оснащен встроенным адаптером USB Type-C для подключения к источнику звука без потерь, поддерживая кодеки LDHC и Fire, а также функцию Auracast. На другом динамике размещен съемный аккумулятор, который обеспечивает до 100 часов работы без активного шумоподавления; при включении ANC время работы сокращается до 52 часов. Наушники доступны по цене $299 ...>>

Польза белкового завтрака 14.01.2026

Правильное питание по утрам играет ключевую роль в поддержании здоровья и контроле веса. Многочисленные исследования подтверждают, что состав завтрака может влиять на аппетит в течение всего дня и качество употребляемой пищи. Австралийские ученые провели масштабный эксперимент, который показал, что употребление белковой пищи с утра помогает дольше чувствовать сытость и предотвращает переедание. В исследовании участвовали более 9 тысяч человек среднего возраста 46 лет. В период с 2011 по 2012 год специалисты анализировали рационы респондентов, оценивая долю основных макронутриентов. В среднем участники потребляли 43% углеводов, 31% жиров, 18% белков, 2% клетчатки и 4% алкоголя. Такой рацион позволил ученым проследить взаимосвязь между утренним приемом пищи и пищевым поведением в течение дня. Выяснилось, что участники, чей завтрак содержал недостаточное количество белка, ощущали повышенный аппетит в течение дня. Они ели больше, чем необходимо, и часто выбирали продукты с высоким со ...>>

Случайная новость из Архива

Электронный измеритель счастья Hitachi 15.02.2015

Компания Hitachi разработала носимое устройство, способное работодателям узнавать об эмоциональном состоянии своих сотрудников. Имея результат, руководство может принимать те или иные решения относительно условий работы подчиненных.

Входящая в конгломерат Hitachi Group компания Hitachi High-Technologies, занимающаяся выпуском широкого спектра продукции - от томографов до оборудования для травления полупроводников, - представила устройство для измерения уровня счастья, сообщает Wall Street Journal.

Устройство предназначено для измерения счастья в группах сотрудников, например, работающих в конкретном офисе. Для этого все они должны надеть на шею или прикрепить к одежде "измеритель счастья" - небольшой плоский прибор, сопоставимый по размеру с банковской картой.

Измеритель оснащен акселерометром. Он регистрирует движения различного типа, включая ходьбу, набор текста на клавиатуре, когда человек встает, садится и кивает головой. Регистрация происходит 50 раз в секунду. Такие данные, полученные со всей группы сотрудников, отправляются в облако Hitachi, где происходит их обработка.

На основе анализа активности сотрудника и его физиологических параметров выявляется его эмоциональное состояние. Руководитель группы может воспользоваться облачным сервисом и узнать, в каком настроении пребывают его подчиненные.

Согласно многочисленным исследованиям, продуктивность сотрудников компаний зависит от их эмоционального состояния. По этой причине некоторые работодатели регулярно проводят опросы в коллективе, стремясь улучшить условия труда. В Hitachi говорят, что их изобретение позволит отказаться от таких опросов и реагировать на потребности сотрудников быстрее.

Hitachi High-Technologies планирует опробовать новое устройство на собственных служащих.

Заказчикам измерители будут доступны бесплатно с условием оплаты сопутствующего облачного сервиса. Стоимость обслуживания одного устройства составит $830 в год.

Другие интересные новости:

▪ LG выпустит телефон с гибким OLED-дисплеем

▪ Цемент при комнатной температуре

▪ Спортсменам вредят любые удары по голове

▪ Технические характеристики очков-компьютера Glass

▪ 3-портовое зарядное устройство HTC 65W GaN

Лента новостей науки и техники, новинок электроники

 

Интересные материалы Бесплатной технической библиотеки:

▪ раздел сайта Музыканту. Подборка статей

▪ статья Феникс. Крылатое выражение

▪ статья Какая птица несет самые мелкие по сравнению с собственными размерами яйца? Подробный ответ

▪ статья Мерчендйзер. Типовая инструкция по охране труда

▪ статья Два генератора на КМОП микросхеме. Энциклопедия радиоэлектроники и электротехники

▪ статья Четырехканальный кассетный рекордер. Энциклопедия радиоэлектроники и электротехники

Оставьте свой комментарий к этой статье:

Имя:


E-mail (не обязательно):


Комментарий:





Главная страница | Библиотека | Статьи | Карта сайта | Отзывы о сайте

www.diagram.com.ua

www.diagram.com.ua
2000-2026