Menu Home

Бесплатная техническая библиотека для любителей и профессионалов Бесплатная техническая библиотека


Раздел 1. Общие правила

Заземление и защитные меры электробезопасности. Область применения. Термины и определения

Бесплатная техническая библиотека

Энциклопедия радиоэлектроники и электротехники / Правила устройства электроустановок (ПУЭ)

Комментарии к статье Комментарии к статье

1.7.1. Настоящая глава Правил распространяется на все электроустановки переменного и постоянного тока напряжением до 1 кВ и выше и содержит общие требования к их заземлению и защите людей и животных от поражения электрическим током как в нормальном режиме работы электроустановки, так и при повреждении изоляции.

Дополнительные требования приведены в соответствующих главах ПУЭ.

1.7.2. Электроустановки в отношении мер электробезопасности разделяются на:

  • электроустановки напряжением выше 1 кВ в сетях с глухозаземленной или эффективно заземленной нейтралью (см. 1.2.16);
  • электроустановки напряжением выше 1 кВ в сетях с изолированной или заземленной через дугогасящий реактор или резистор нейтралью;
  • электроустановки напряжением до 1 кВ в сетях с глухозаземленной нейтралью;
  • электроустановки напряжением до 1 кВ в сетях с изолированной нейтралью.

1.7.3. Для электроустановок напряжением до 1 кВ приняты следующие обозначения:

  • система TN - система, в которой нейтраль источника питания глухо заземлена, а открытые проводящие части электроустановки присоединены к глухозаземленной нейтрали источника посредством нулевых защитных проводников;
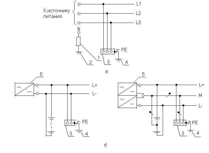
  • система TN-С - система TN, в которой нулевой защитный и нулевой рабочий проводники совмещены в одном проводнике на всем ее протяжении (рис. 1.7.1);
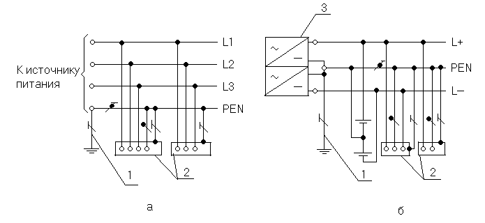
  • система TN-S - система TN, в которой нулевой защитный и нулевой рабочий проводники разделены на всем ее протяжении (рис. 1.7.2);
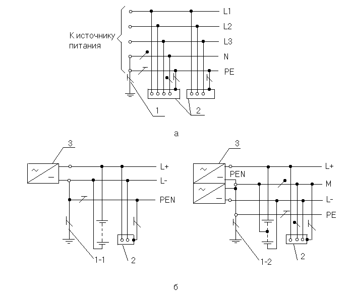
  • система TN-C-S - система TN, в которой функции нулевого защитного и нулевого рабочего проводников совмещены в одном проводнике в какой-то ее части, начиная от источника питания (рис. 1.7.3);
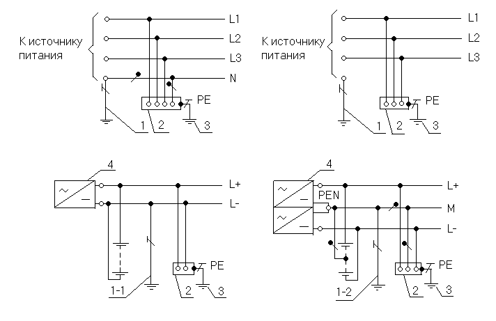
  • система IT - система, в которой нейтраль источника питания изолирована от земли или заземлена через приборы или устройства, имеющие большое сопротивление, а открытые проводящие части электроустановки заземлены (рис. 1.7.4);
  • система ТТ - система, в которой нейтраль источника питания глухо заземлена, а открытые проводящие части электроустановки заземлены при помощи заземляющего устройства, электрически независимого от глухозаземленной нейтрали источника (рис. 1.7.5).

Первая буква - состояние нейтрали источника питания относительно земли:

  • Т - заземленная нейтраль;
  • I - изолированная нейтраль.

Вторая-буква - состояние открытых проводящих частей относительно земли:

  • Т - открытые проводящие части заземлены, независимо от отношения к земле нейтрали источника питания или какой-либо точки питающей сети;
  • N - открытые проводящие части присоединены к глухозаземленной нейтрали источника питания.

Последующие (после N) буквы - совмещение в одном проводнике или разделение функций нулевого рабочего и нулевого защитного проводников:

  • S - нулевой рабочий (N) и нулевой защитный (РЕ) проводники разделены;
  • С - функции нулевого защитного и нулевого рабочего проводников совмещены в одном проводнике (PEN-проводник);
  • N - - нулевой рабочий (нейтральный) проводник;
  • РЕ - - защитный проводник (заземляющий проводник, нулевой защитный проводник, защитный проводник системы уравнивания потенциалов);
  • PEN - - совмещенный нулевой защитный и нулевой рабочий проводники.


(нажмите для увеличения)

Нулевой защитный и нулевой рабочий проводники совмещены в одном проводнике:

  • 1 - заземлитель нейтрали (средней точки) источника питания;
  • 2 - открытые проводящие части;
  • 3 - источник питания постоянного тока

Рис. 1.7.1. Система TN-C переменного (а) и постоянного (б) тока.


(нажмите для увеличения)

Нулевой защитный и нулевой рабочий проводники разделены:

  • 1 - заземлитель нейтрали источника переменного тока;
  • 1-1 - заземлитель вывода источника постоянного тока;
  • 1-2 - заземлитель средней точки источника постоянного тока;
  • 2 - открытые проводящие части;
  • 3 - источник питания

Рис. 1.7.2. Система TN-S переменного (а) и постоянного (б) тока.


(нажмите для увеличения)

Нулевой защитный и нулевой рабочий проводники совмещены в одном проводнике в части системы:

  • 1 - заземлитель нейтрали источника переменного тока;
  • 1-1 - заземлитель вывода источника постоянного тока;
  • 1-2 - заземлитель средней точки источника постоянного тока;
  • 2 - открытые проводящие части;
  • 3 - источник питания

Рис. 1.7.3. Система TN-C-S переменного (а) и постоянного (б) тока.


(нажмите для увеличения)

Открытые проводящие части электроустановки заземлены. Нейтраль источника питания изолирована от земли или заземлена через большое сопротивление:

  • 1 - сопротивление заземления нейтрали источника питания (если имеется);
  • 2 - заземлитель;
  • 3 - открытые проводящие части;
  • 4 - заземляющее устройство электроустановки;
  • 5 - источник питания

Рис. 1.7.4. Система IT переменного (а) и постоянного (б) тока.


(нажмите для увеличения)

Открытые проводящие части электроустановки заземлены при помощи заземления, электрически независимого от заземлителя нейтрали:

  • 1 - заземлитель нейтрали источника переменного тока;
  • 1-1 - заземлитель вывода источника постоянного тока;
  • 1-2 - заземлитель средней точки источника постоянного тока;
  • 2 - открытые проводящие части;
  • 3 - заземлитель открытых проводящих частей электроустановки;
  • 4 - источник питания

Рис. 1.7.5. Система ТТ переменного (а) и постоянного (б) тока.

1.7.4. Электрическая сеть с эффективно заземленной нейтралью - трехфазная электрическая сеть напряжением выше 1 кВ, в которой коэффициент замыкания на землю не превышает 1,4.

Коэффициент замыкания на землю в трехфазной электрической сети - отношение разности потенциалов между неповрежденной фазой и землей в точке замыкания на землю другой или двух других фаз к разности потенциалов между фазой и землей в этой точке до замыкания.

1.7.5. Глухозаземленная нейтраль - нейтраль трансформатора или генератора, присоединенная непосредственно к заземляющему устройству. Глухозаземленным может быть также вывод источника однофазного переменного тока или полюс источника постоянного тока в двухпроводных сетях, а также средняя точка в трехпроводных сетях постоянного тока.

1.7.6. Изолированная нейтраль - нейтраль трансформатора или генератора, неприсоединенная к заземляющему устройству или присоединенная к нему через большое сопротивление приборов сигнализации, измерения, защиты и других аналогичных им устройств.

1.7.7. Проводящая часть - часть, которая может проводить электрический ток.

1.7.8. Токоведущая часть - проводящая часть электроустановки, находящаяся в процессе ее работы под рабочим напряжением, в том числе нулевой рабочий проводник (но не PEN-проводник).

1.7.9. Открытая проводящая часть - доступная прикосновению проводящая часть электроустановки, нормально не находящаяся под напряжением, но которая может оказаться под напряжением при повреждении основной изоляции.

1.7.10. Сторонняя проводящая часть - проводящая часть, не являющаяся частью электроустановки.

1.7.11. Прямое прикосновение - электрический контакт людей или животных с токоведущими частями, находящимися под напряжением.

1.7.12. Косвенное прикосновение - электрический контакт людей или животных с открытыми проводящими частями, оказавшимися под напряжением при повреждении изоляции.

1.7.13. Защита от прямого прикосновения - защита для предотвращения прикосновения к токоведущим частям, находящимся под напряжением.

1.7.14. Защита при косвенном прикосновении - защита от поражения электрическим током при прикосновении к открытым проводящим частям, оказавшимся под напряжением при повреждении изоляции.

Термин повреждение изоляции следует понимать как единственное повреждение изоляции.

1.7.15. Заземлитель - проводящая часть или совокупность соединенных между собой проводящих частей, находящихся в электрическом контакте с землей непосредственно или через промежуточную проводящую среду.

1.7.16. Искусственный заземлитель - заземлитель, специально выполняемый для целей заземления.

1.7.17. Естественный заземлитель - сторонняя проводящая часть, находящаяся в электрическом контакте с землей непосредственно или через промежуточную проводящую среду, используемая для целей заземления.

1.7.18. Заземляющий проводник - проводник, соединяющий заземляемую часть (точку) с заземлителем.

1.7.19. Заземляющее устройство - совокупность заземлителя и заземляющих проводников.

1.7.20. Зона нулевого потенциала (относительная земля) - часть земли, находящаяся вне зоны влияния какого-либо заземлителя, электрический потенциал которой принимается равным нулю.

1.7.21. Зона растекания (локальная земля) - зона земли между заземлителем и зоной нулевого потенциала.

Термин земля, используемый в главе, следует понимать как земля в зоне растекания.

1.7.22. Замыкание на землю - случайный электрический контакт между токоведущими частями, находящимися под напряжением, и землей.

1.7.23. Напряжение на заземляющем устройстве - напряжение, возникающее при стекании тока с заземлителя в землю между точкой ввода тока в заземлитель и зоной нулевого потенциала.

1.7.24. Напряжение прикосновения - напряжение между двумя проводящими частями или между проводящей частью и землей при одновременном прикосновении к ним человека или животного.

Ожидаемое напряжение прикосновения - напряжение между одновременно доступными прикосновению проводящими частями, когда человек или животное их не касается.

1.7.25. Напряжение шага - напряжение между двумя точками на поверхности земли, на расстоянии 1 м одна от другой, которое принимается равным длине шага человека.

1.7.26. Сопротивление заземляющего устройства - отношение напряжения на заземляющем устройстве к току, стекающему с заземлителя в землю.

1.7.27. Эквивалентное удельное сопротивление земли с неоднородной структурой - удельное электрическое сопротивление земли с однородной структурой, в которой сопротивление заземляющего устройства имеет то же значение, что и в земле с неоднородной структурой.

Термин удельное сопротивление, используемый в главе для земли с неоднородной структурой, следует понимать как эквивалентное удельное сопротивление.

1.7.28. Заземление - преднамеренное электрическое соединение какой-либо точки сети, электроустановки или оборудования с заземляющим устройством.

1.7.29. Защитное заземление - заземление, выполняемое в целях электробезопасности.

1.7.30. Рабочее (функциональное) заземление - заземление точки или точек токоведущих частей электроустановки, выполняемое для обеспечения работы электроустановки (не в целях электробезопасности).

1.7.31. Защитное зануление в электроустановках напряжением до 1 кВ - преднамеренное соединение открытых проводящих частей с глухозаземленной нейтралью генератора или трансформатора в сетях трехфазного тока, с глухозаземленным выводом источника однофазного тока, с заземленной точкой источника в сетях постоянного тока, выполняемое в целях электробезопасности.

1.7.32. Уравнивание потенциалов - электрическое соединение проводящих частей для достижения равенства их потенциалов.

Защитное уравнивание потенциалов - уравнивание потенциалов, выполняемое в целях электробезопасности.

Термин уравнивание потенциалов, используемый в главе, следует понимать как защитное уравнивание потенциалов.

1.7.33. Выравнивание потенциалов - снижение разности потенциалов (шагового напряжения) на поверхности земли или пола при помощи защитных проводников, проложенных в земле, в полу или на их поверхности и присоединенных к заземляющему устройству, или путем применения специальных покрытий земли.

1.7.34. Защитный (РЕ) проводник - проводник, предназначенный для целей электробезопасности.

Защитный заземляющий проводник - защитный проводник, предназначенный для защитного заземления.

Защитный проводник уравнивания потенциалов - защитный проводник, предназначенный для защитного уравнивания потенциалов.

Нулевой защитный проводник - защитный проводник в электроустановках до 1 кВ, предназначенный для присоединения открытых проводящих частей к глухозаземленной нейтрали источника питания.

1.7.35. Нулевой рабочий (нейтральный) проводник (N) - проводник в электроустановках до 1 кВ, предназначенный для питания электроприемников и соединенный с глухозаземленной нейтралью генератора или трансформатора в сетях трехфазного тока, с глухозаземленным выводом источника однофазного тока, с глухозаземленной точкой источника в сетях постоянного тока.

1.7.36. Совмещенные нулевой защитный и нулевой рабочий (PEN) проводники - проводники в электроустановках напряжением до 1 кВ, совмещающие функции нулевого защитного и нулевого рабочего проводников.

1.7.37. Главная заземляющая шина - шина, являющаяся частью заземляющего устройства электроустановки до 1 кВ и предназначенная для присоединения нескольких проводников с целью заземления и уравнивания потенциалов.

1.7.38. Защитное автоматическое отключение питания - автоматическое размыкание цепи одного или нескольких фазных проводников (и, если требуется, нулевого рабочего проводника), выполняемое в целях электробезопасности.

Термин автоматическое отключение питания, используемый в главе, следует понимать как защитное автоматическое отключение питания.

1.7.39. Основная изоляция - изоляция токоведущих частей, обеспечивающая в том числе защиту от прямого прикосновения.

1.7.40. Дополнительная изоляция - независимая изоляция в электроустановках напряжением до 1 кВ, выполняемая дополнительно к основной изоляции для защиты при косвенном прикосновении.

1.7.41. Двойная изоляция - изоляция в электроустановках напряжением до 1 кВ, состоящая из основной и дополнительной изоляций.

1.7.42. Усиленная изоляция - изоляция в электроустановках напряжением до 1 кВ, обеспечивающая степень защиты от поражения электрическим током, равноценную двойной изоляции.

1.7.43. Сверхнизкое (малое) напряжение (СНН) - напряжение, не превышающее 50 В переменного и 120 В постоянного тока.

1.7.44. Разделительный трансформатор - трансформатор, первичная обмотка которого отделена от вторичных обмоток при помощи защитного электрического разделения цепей.

1.7.45. Безопасный разделительный трансформатор - разделительный трансформатор, предназначенный для питания цепей сверхнизким напряжением.

1.7.46. Защитный экран - проводящий экран, предназначенный для отделения электрической цепи и/или проводников от токоведущих частей других цепей.

1.7.47. Защитное электрическое разделение цепей - отделение одной электрической цепи от других цепей в электроустановках напряжением до 1 кВ с помощью:

  • двойной изоляции;
  • основной изоляции и защитного экрана;
  • усиленной изоляции.

1.7.48. Непроводящие (изолирующие) помещения, зоны, площадки - помещения, зоны, площадки, в которых (на которых) защита при косвенном прикосновении обеспечивается высоким сопротивлением пола и стен и в которых отсутствуют заземленные проводящие части.

Смотрите другие статьи раздела Правила устройства электроустановок (ПУЭ).

Читайте и пишите полезные комментарии к этой статье.

<< Назад

Последние новости науки и техники, новинки электроники:

Лабораторная модель прогнозирования землетрясений 30.11.2025

Предсказание землетрясений остается одной из самых сложных задач геофизики. Несмотря на развитие сейсмологии, ученые все еще не могут точно определить момент начала разрушительного движения разломов. Недавние эксперименты американских исследователей открывают новые горизонты: впервые удалось наблюдать микроскопические изменения в контактной зоне разломов, которые предшествуют землетрясению. Группа под руководством Сильвена Барбота обнаружила, что "реальная площадь контакта" - участки, где поверхности разлома действительно соприкасаются - изменяется за миллисекунды до высвобождения накопленной энергии. "Мы открыли окно в сердце механики землетрясений", - отмечает Барбот. Эти изменения позволяют фиксировать этапы зарождения сейсмического события еще до появления традиционных сейсмических волн. Для наблюдений ученые использовали прозрачные акриловые материалы, через которые можно было отслеживать световые изменения в зоне контакта. В ходе искусственного моделирования примерно 30% ко ...>>

Музыка как естественный анальгетик 30.11.2025

Ученые все активнее исследуют немедикаментозные способы облегчения боли. Одним из перспективных направлений становится использование музыки, которая способна воздействовать на эмоциональное состояние и когнитивное восприятие боли. Новое исследование международной группы специалистов демонстрирует, что даже кратковременное прослушивание любимых композиций может значительно снижать болевые ощущения у пациентов с острой болью в спине. В эксперименте участвовали пациенты, обратившиеся за помощью в отделение неотложной помощи с выраженной болью в спине. Им предлагалось на протяжении десяти минут слушать свои любимые музыкальные треки. Уже после этой короткой сессии врачи фиксировали заметное уменьшение интенсивности боли как в состоянии покоя, так и при движениях. Авторы исследования подчеркивают, что музыка не устраняет саму причину боли. Тем не менее, она воздействует на эмоциональный фон пациента, снижает уровень тревожности и отвлекает внимание, что в сумме приводит к субъективном ...>>

Алкоголь может привести к слобоумию 29.11.2025

Проблема влияния алкоголя на стареющий мозг давно вызывает интерес как у врачей, так и у исследователей когнитивного старения. В последние годы стало очевидно, что границы "безопасного" употребления спиртного размываются, и новое крупное исследование, проведенное международной группой ученых, вновь указывает на это. Работы Оксфордского университета, выполненные совместно с исследователями из Йельского и Кембриджского университетов, показывают: даже небольшие дозы алкоголя способны ускорять когнитивный спад. Команда проанализировала данные более чем 500 тысяч участников из британского биобанка и американской Программы миллионов ветеранов. Дополнительно был выполнен метаанализ сорока пяти исследований, в общей сложности включавших сведения о 2,4 миллиона человек. Такой масштаб позволил оценить не только прямую связь между употреблением спиртного и развитием деменции, но и влияние генетической предрасположенности. Один из наиболее тревожных результатов касается людей с повышенным ге ...>>

Случайная новость из Архива

Нановакцина защитит от никотина мозг 09.05.2012

Противотабачная нановакцина запускает в организме иммунный ответ, направленный против никотина, и лишающий курильщика желаемых ощущений.

Недавно созданная в Бостоне компания Selecta Biosciences занимается разработкой принципиально нового подхода к избавлению от табачной зависимости, в основе которого лежит стимуляция долгосрочного иммунного ответа против никотина с помощью нановакцины.

Очевидно, что никотин не является вирусом, однако специалисты компании считают, что с ним можно бороться так же, как с вирусом. Разработанные ими наночастицы запускают в организме процесс формирования специализированных антител, связывающих молекулы никотина. Размер формирующихся в результате комплексов предотвращает их проникновение в мозг через гематоэнцефалический барьер и, соответственно, формирование ощущений, зависимость от которых испытывают курильщики.

Таким образом, вакцина не подавляет желание закурить, а устраняет эффект, испытываемый при выкуривании сигареты. Целью такой вакцинации, продолжительность действия которой составляет до нескольких лет, является отказ от курения из-за невозможности подавить с его помощью ощущения, вызываемые зависимостью от никотина. В то же время, вице-президент компании Питер Келлер признает, что выкуривание нескольких сигарет подряд может истощить резервы иммунной системы и доставить курильщику определенное удовольствие.

В прошлом году нановакцина против курения успешно прошла лабораторные испытания и в настоящее время ее безопасность тестируется на добровольцах в рамках 1 фазы клинического исследования.

В случае успеха компания планирует заняться разработкой нановакцин против различных заболеваний, в том числе малярии. Преимущество вакцин, активным компонентом которых являются специальным образом синтезированные наночастицы, заключается в их дешевизне, достигаемой за счет легкости производства больших количеств наночастиц.

Другие интересные новости:

▪ Обновлены требования ЕС к энергопотреблению приборов в спящем режиме

▪ Психическое здоровье фокусников

▪ Графен для микрочипов

▪ Apple переводит компьютеры на собственные процессоры

▪ Камни, производящие кислород

Лента новостей науки и техники, новинок электроники

 

Интересные материалы Бесплатной технической библиотеки:

▪ раздел сайта Электромонтажные работы. Подборка статей

▪ статья Правила безопасного вождения велосипеда и мопеда. Основы безопасной жизнедеятельности

▪ статья Вращаются ли другие планеты? Подробный ответ

▪ статья Игуасу. Чудо природы

▪ статья Целитовый лак. Простые рецепты и советы

▪ статья Ящик-молния. Секрет фокуса

Оставьте свой комментарий к этой статье:

Имя:


E-mail (не обязательно):


Комментарий:





Главная страница | Библиотека | Статьи | Карта сайта | Отзывы о сайте

www.diagram.com.ua

www.diagram.com.ua
2000-2025