Бесплатная техническая библиотека
Высокоэффективный преобразователь частоты. Энциклопедия радиоэлектроники и электротехники

Энциклопедия радиоэлектроники и электротехники / Узлы радиолюбительской техники. Смесители, преобразователи частоты
Комментарии к статье
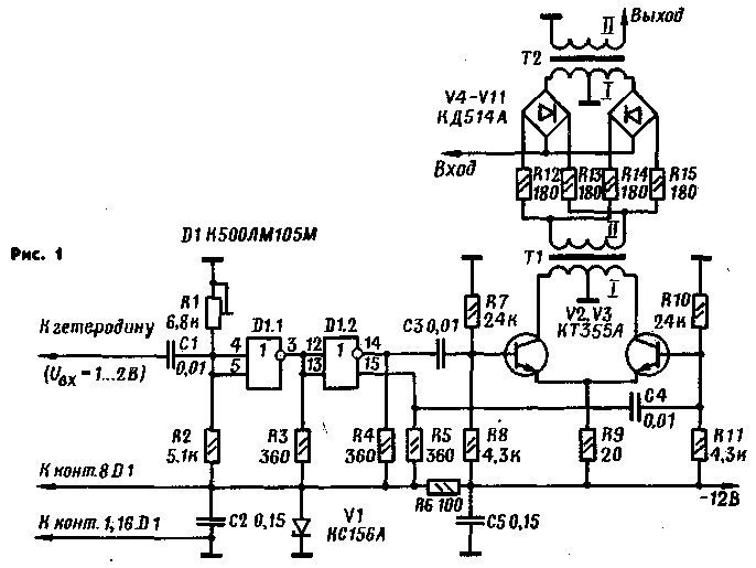
Преобразователь частоты, схема которого приведена на рис. 1, обеспечивает высокий динамический диапазон трансивера. Он состоит из двух ключей на диодах V4-V11, включенных по мостовой схеме, и узла управления. Связь между узлом управления и ключами трансформаторная (Т1).
Элементы D1.1 и D1.2 из синусоидального напряжения гетеродина формируют прямоугольные импульсы с крутизной фронта не более 2 нс. Эти импульсы затем усиливаются дифференциальным усилителем на транзисторах V2, V3. Преобразователь балансируют резистором R1, который определяет равенство длительностей отрицательных и положительных управляющих импульсов. Трансформатор Т1, конструктивно выполненный с короткозамкнутым витком, обеспечивает связь усилителя с диодными ключами при минимальных искажениях управляющих импульсов. Резисторы R12-R15 ограничивают максимальный ток через открытый ключ, а падающее на них напряжение, являющееся обратным для диодов закрытого ключа, определяет максимальную амплитуду входного преобразуемого сигнала. Очевидно, что вход и выход преобразователя взаимообратимы. Заземлять вход преобразователя по постоянному току не обязательно.
Рис.1 (нажмите для увеличения)
Данный преобразователь испытывался в качестве смесителя приемника с малошумящим трактом усиления по ПЧ и электромеханическим фильтром на входе. Согласование выхода смесителя c ЭМФ обеспечивал трансформатор. В качестве гетеродина использовался кварцевый генератор на частоту 5,2 МГц, При этом были получены следующие результаты.
Чувствительность при отношении сигнал/шум 10 дБ составила 1,8 мкВ. Уровень преобразуемого полезного сигнала падал на 1 дБ, когда уровень мешающего сигнала, расположенного вне полосы пропускания тракта ПЧ, достигал 1,6 В (эфф).
Уровень интермодуляционных составляющих 3-го порядка (по методу, описанному в журнале "Радио", 1981, № 3) был не более -100 дБ. Последний параметр можно улучшить на 6...10 дБ, использовав фильтр ПЧ с малыми потерями, например кварцевый и усилитель ПЧ с более высокой чувствительностью.
В дифференциальном усилителе желательно использовать транзисторы с одинаковым коэффициентом h21э. Транзисторы КТ355А можно заменить на КТ368 с любым буквенным индексом. Вместо D1.1 и D1.2 можно применить логические элементы "ИЛИ-НЕ" серии К500 или К100 с любым числом входов. Если в формирователе управляющих импульсов будет использован быстродействующий триггер, то частота гетеродина должна быть вдвое больше требуемой. Балансировка осуществляется автоматически.
Рис.2
Корпус трансформаторов Т1 и Т2 с короткозамкнутым витком (см. рис. 2) латунный, желательно с посеребренной поверхностью. Вдоль него сделаны продольные пропилы для выводов. Все обмотки выполнены на отдельных кольцевых магнитопроводах из феррита М2000НМ1 (типоразмер К 12х5х5,5). Обмотки изолированы от сердечника лакотканью или фторопластовой лентой. Обмотка I у Т1 и Т2 содержит 10 витков (отвод от 5-го витка), обмотка II - 5 витков провода ПЭЛШО 0,12, равномерно распределенных на кольце. Данные приведены для диапазона частот гетеродина 2...30 МГц (для более низких частот число витков необходимо увеличить), при этом выходное сопротивление источника сигнала и сопротивление нагрузки для преобразователя должны быть в пределах 50...75 Ом. Все резисторы в преобразователе - МЛТ-0,125, конденсаторы - К.М-6.
Монтаж преобразователя необходимо выполнить по возможности с наилучшей симметрией и тщательной экранировкой. Цепь питания должна иметь высокочастотную развязку. Эти меры нужны, чтобы уменьшить излучение на частотах гармоник гетеродина.
Авторы: В. Дроздов, UA3AAOJ, С. Жуков, UA3ACV, г. Москва; Публикация: Н. Большаков, rf.atnn.ru
Смотрите другие статьи раздела Узлы радиолюбительской техники. Смесители, преобразователи частоты.
Читайте и пишите полезные комментарии к этой статье.
<< Назад
Последние новости науки и техники, новинки электроники:
Хорошо управляемые луга могут компенсировать выбросы от скота
15.02.2026
Животноводство, особенно разведение крупного рогатого скота, часто обвиняют в значительном вкладе в глобальное потепление из-за мощного парникового газа - метана, который выделяется при пищеварении у жвачных животных. Это вызывает острые политические споры и призывы к сокращению потребления мяса. Однако ученые напоминают, что полная картина климатического воздействия отрасли не ограничивается только выбросами от животных: огромную роль играет окружающая экосистема - пастбища, почва и растительность, которые способны активно поглощать углекислый газ из атмосферы.
Исследователи из Университета Небраски-Линкольна решили глубже изучить этот баланс. Группа под руководством профессора Галена Эриксона сосредоточилась на том, как правильно организованные пастбища накапливают углерод в растениях и грунте благодаря естественным процессам, стимулируемым выпасом скота. Ученые подчеркивают, что при достаточном уровне осадков и грамотном управлении такие луга превращаются в мощные природные погло ...>>
NASA тестирует инновационную технологию крыла
15.02.2026
Коммерческая авиация ежегодно расходует колоссальные объемы керосина, что сказывается не только на бюджете авиакомпаний, но и на состоянии окружающей среды. В 2024 году глобальные затраты на авиационное топливо достигли 291 миллиарда долларов, и эта сумма продолжает расти. Чтобы справиться с этими вызовами, NASA активно работает над технологиями, способными заметно повысить аэродинамическую эффективность самолетов. Одним из самых перспективных направлений стало создание специальной конструкции крыла, которая максимизирует естественный ламинарный поток воздуха и минимизирует сопротивление.
В январе 2026 года специалисты NASA Armstrong Flight Research Center успешно провели важный этап наземных испытаний концепции Crossflow Attenuated Natural Laminar Flow (CATNLF). Для эксперимента под фюзеляж исследовательского самолета F-15B закрепили вертикально ориентированную масштабную модель высотой около 0,9 м (3 фута), напоминающую узкий киль. Такая компоновка позволила подвергнуть прототип р ...>>
Забота о внуках очень полезна для здоровья мозга
14.02.2026
Общение между поколениями приносит радость всей семье, но мало кто задумывается, насколько активно бабушки и дедушки, заботящиеся о внуках, поддерживают свою умственную форму. Регулярное взаимодействие с детьми стимулирует мозг пожилых людей, помогая сохранять память, скорость мышления и общую когнитивную активность.
Новые научные данные подтверждают, что такая добровольная помощь не только важна для общества, но и может замедлять возрастные изменения в мозге.
Исследователи из Тилбургского университета в Нидерландах провели анализ, чтобы понять, приносит ли уход за внуками реальную пользу здоровью пожилых людей. Ведущий автор работы Флавия Черечес отметила, что многие бабушки и дедушки регулярно присматривают за детьми, и оставался открытым вопрос, насколько это положительно сказывается на их собственном благополучии, особенно в плане когнитивных функций.
Ученые поставили цель выяснить, способен ли регулярный уход за внуками замедлить снижение памяти и других умственных способ ...>>
Случайная новость из Архива Очиститель-генератор
24.03.2015
Бактерии, очищая воду, дадут электричество. Как правило, очистка сточных вод - процесс, связанный с одними тратами, однако его можно сделать и немного прибыльным.
Например, те органические вещества, от которых очищают воду, запасли много энергии в своих химических связях. Если их просто разложить, энергия потеряется. А вот если этим займутся специальные бактерии, которые станут в процессе питания создавать пару из протона и электрона, да если еще этих бактерий поселить на электроде, через который они смогут отдавать свой электрон в цепь, - тогда химическая энергия превратится в электрическую.
Эта идея не нова, многие исследователи брались за создание бактериальной топливной ячейки, но мало у кого получилось что- то путное. Очередную попытку сделали Луис Сесар Кольминарес и Роман Нетцер: работая по проекту норвежского инновационного центра SINTEF, они создали ячейку для переработки сточных вод.
Исследователи долго подбирали культуры бактерий и в конце концов добились успеха: лабораторная установка способна давать достаточно электричества, чтобы запитать небольшой вентилятор. Сточные воды поступают с молочной фермы, находящейся неподалеку: они насыщены органическими кислотами, которые очень понравились бактериям. Впрочем, батарея должна работать и на воде другого состава.'
"Мы не рассчитываем добыть много электричества, однако наша установка дешевая, а процесс очистки энергоемок", - говорит Нетцер.
|
Другие интересные новости:
▪ Нанотрубочный включатель
▪ Интернет по веревке
▪ Спектроскопия в пещере
▪ Парниковый газ - в дело
▪ Кремниевый оптический передатчик
Лента новостей науки и техники, новинок электроники
Интересные материалы Бесплатной технической библиотеки:
▪ раздел сайта Строителю, домашнему мастеру. Подборка статей
▪ статья Уотергейт. Крылатое выражение
▪ статья Каков возраст Земли? Подробный ответ
▪ статья Работа на книговставочной машине типа ВЕ-22 и т.п.. Типовая инструкция по охране труда
▪ статья Передача данных. Справочник
▪ статья Комбинированный блок питания, 220/0-12 и 0-215 вольт 0,5 ампера. Энциклопедия радиоэлектроники и электротехники
Оставьте свой комментарий к этой статье:
Главная страница | Библиотека | Статьи | Карта сайта | Отзывы о сайте

www.diagram.com.ua
2000-2026