Menu Home

Бесплатная техническая библиотека для любителей и профессионалов Бесплатная техническая библиотека


Источники питания для LCD и LED дисплеев. Энциклопедия радиоэлектроники и электротехники

Бесплатная техническая библиотека

Энциклопедия радиоэлектроники и электротехники / Блоки питания

Комментарии к статье Комментарии к статье

Жидкокристаллические (LCD) индикаторы и дисплеи на основе светоизлучающих диодов (LED) могут работать от обычных источников питания. Однако это не является лучшим способом подачи питания. Ниже будут показаны варианты включения с использованием специализированных микросхем - регуляторов напряжения, которое выпускается фирмой MAXIM.

Использование цифрового потенциометра для регулирования светодиодной подсветки

Выпускаемый 5-ти разрядный программируемый потенциометр DS 1050 используется в качестве основного элемента широтно-импульсного модулятора (ШИМ). Изменение ширины импульса от 0 до 100% с шагом в 3, 125%. Управление потенциометром осуществляется по двухпроводному последовательному интерфейсу, совместимому с I2C, с адресацией до восьми DS 1050 на двухпроводной шине. Схемное решение управления яркостью светодиодной подсветкой жидкокристаллического индикатора представлено на рис. 1.

Источники питания для LCD и LED дисплеев. Схемное решение управления яркостью светодиодной подсветкой жидкокристаллического индикатора
Рис. 1.

Эта схема не предназначена для управления напряжением контраста жидкокристаллического индикатора. Используемый в этом примере символьный дисплей 20х4 типа DMC 20481фирмы Optrex имеет желто - зеленую светодиодную подсветку. Прямое падение напряжения на светодиодах составляет 4,1 Вольта, а максимальный прямой ток - 260 мА.

Изменяя скважность широтно - импульсного модулятора, тем самым изменяется подводимая мощность к светодиодам. Когда импульс составляет 100% времени цикла режима - имеем максимальную подачу мощности питания и, соответственно, максимальную яркость свечения. И, наоборот, когда импульс цикла составляет 0%, яркость свечения также нулевая.

Управление ШИМ - модулятором довольно простое. Единственное требование, чтобы светодиоды не мигали. Наши глаза не могут видеть мигание при частоте от 30 Гц и выше. Самый "медленный" DS1050 работает на частоте 1 кГц. Этого вполне достаточно и для визуального наблюдения и минимизации электромагнитного излучения. Необходимо выбрать МОП - транзистор Q1 так, чтобы он мог непосредственно управляться от 5-ти вольтового широтно-импульсного модулятора, напряжение которого меняется от "земли" до Vcc. По умолчанию при включении питания скважность ШИМ равна 2. Транзистор Q1, управляемый ШИ-сигналом, может коммутировать ток величиной 260 мА, который необходим для светодиодной подсветки. Напряжение порога затвора транзистора Q1 составляет 2-4 Вольта. Диод D1 типа 1N4001 используется для снижения Vcc до 4,3 вольт, что меньше максимального прямого падения напряжения на светодиодах. Резистор вместо указанного диода не используется из-за большой мощности рассеяния. Для надежного закрытия МОП-транзистора ставят резистор R3, что исключает "плавающий" режим затвора Q1.

Конденсатор С1 используется в качестве фильтра питания, должен хорошо работать на высокой частоте и устанавливается максимально близко к выводам U1, при минимальном расстоянии до источника питания.

Цифровой потенциометр DS 1050 - 001 устанавливается аппаратно с адресом А=000. Программу для микроконтроллера типа 8051 можно взять в приложении к "App. note 163" на сайте фирмы MAXIM.

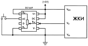
Для управления контрастом жидкокристаллических индикаторов (ЖКИ) вместо традиционных механических потенциометров предлагается использовать цифровой потенциометр типа DS1668/1669 Dallastats или DS 1803. Приборы DS1668/1669 были выбраны, потому что они обеспечивают как кнопочное, так и микроконтроллерное управление токосъемного контакта. Важно также, что эти приборы имеют внутреннюю энергонезависимую память, которая позволяет сохранять положение токосъемника без подачи электропитания. На рис. 2. представлена схема для управления контрастом для ЖКИ с использованием цифрового потенциометра DS 1669.

Источники питания для LCD и LED дисплеев. Схема для управления контрастом для ЖКИ с использованием цифрового потенциометра DS 1669
Рис. 2. .

Конечно, здесь может быть применен и сдвоенный цифровой потенциометр типа DS 1803.

Жидкокристаллический модуль (LCM) запитывается от 5 Вольт. Это же напряжение поступает на DS 1669, сопротивление которого 10 кОм. Терминал токосъемника соединяется непосредственно с вводом питания Vo драйвера LCM.

Применение цифрового потенциометра позволяет уменьшить размеры устройства, существенно увеличить долговечность и перевести управление на системный микроконтроллер.

Ну, а теперь снова вернемся к управлению светодиодами. С увеличением популярности цветных жидкокристаллических дисплеев в мобильных телефонах, "карманных" компьютерах, цифровых камерах и пр. становятся популярными источниками освещения белые светодиоды.

Белый свет могут обеспечить либо флуоресцентные лампы с холодным катодом (CCFLS), либо белые светодиоды. Из-за размера, сложности, высокой стоимости CCFLS, долгое время был единственным источником белого цвета. Но теперь они сдают свои позиции белым светодиодам. Им не требуется высокое напряжение (200 - 500 В переменного тока) и большой трансформатор для получения такого напряжения. И хотя прямое падение напряжения на белом светодиоде (от 3 до 4В) выше, чем на красном (1,8В) или зеленом (2,2 - 2,4В), все равно для них требуются достаточно простые источники питания. Яркость белого светодиода управляется изменением проходящего через него тока. Полная яркость происходит при токе 20 mA. С уменьшением проходящего через светодиод тока яркость уменьшается. Для цифровых камер и мобильных телефонов обычно требуются от 2 до 3 светодиодов. Может быть 2 способа группового включения светодиодов: параллельный и последовательный.

При последовательном включении светодиодов величина тока через каждый будет гарантированно одинаковая. Но такое включение требует более высокого напряжения, чем при параллельном включении. При параллельном включении напряжение примерно равно прямому падению напряжения на одном светодиоде вместо падения напряжения на всем ряде светодиодов. Однако яркость диодов может быть различной из-за разброса прямого падения напряжения на светодиодах, следовательно, разных токов, если они не регулируются. Напряжения батареи в большинстве случаев недостаточно для свечения белого светодиода, поэтому необходимо применять конвертор DC/DC. При этом желательно параллельное включение светодиодов, т. к. преобразователи DC/DC наиболее эффективны при малом отношении повышенного выходного напряжения к входному.

Параллельное включение светодиодов

Есть три основных способа параллельного подключения светодиодов, как показано на рис. 3.

Источники питания для LCD и LED дисплеев. Три основных способа параллельного подключения светодиодов
Рис. 3.

  1. Независимое регулирование тока через каждый диод.
  2. Токи регулируются балластными резисторами от источника с регулируемым напряжением, соответствующему прямому падению напряжения на светодиоде.
  3. От источника с регулируемым током получают напряжение, равное падению напряжения на регулируемом светодиоде и резисторе, и с помощью балластных резисторов регулируют ток через остальные светодиоды.

Рассмотрим поподробнее эти варианты включения

Простой способ управления током, протекающим через светодиоды, состоит в использовании микросхемы, специально разработанной для этих целей. Схема включения представлена на рис. 4. Здесь показана дешевая микросхема MAX1916, которая позволяет регулировать ток через 3 белых светодиода. Абсолютная точность тока составляет 10%, а токи, протекаемые через светодиоды, отличаются не более 0,3%. Это наиболее важная характеристика, так как световые потоки от каждого светодиода должны быть одинаковыми. При полной яркости свечения ток через светодиод равен 20 mA. В этом случае достаточно 225 мВ, превышающие падение напряжения на светодиодах, чтобы микросхема поддерживала установленное значение тока. Установка тока через светодиоды производится с помощью резистора Rset. Уравнение для расчета тока имеет следующий вид.

где:
Iled - ток, протекаемый через светодиод [mA]
230 - коэффициент преобразования микросхемы
Uout - выходное напряжение регулятора
Uset = 1, 215 В
Rset -резистор, устанавливаемый между выходом регулятора и входом SET MAX1916 (кОм).

Источники питания для LCD и LED дисплеев
Рис. 4.

Абсолютный ток тоже должен управляться, но яркость будет изменяться в целом для всего устройства (например, дисплей телефона). Изменение яркости можно получить подачей на вход разрешения (EN) микросхемы сигнала с широтно-импульсной модуляцией. Максимальная яркость будет при 100% ширине импульса, а при 0% - светодиод не светит.

Использование источника питания с регулируемым выходным напряжением

Этот способ включения менее точен, так как не регулируются индивидуальные токи через каждый светодиод. Как можно увеличить абсолютную точность протекаемых токов и соответствия их через каждый диод?

Ток через светодиод рассчитывается по формуле:

Iled = (Vout - Vd)/R

Из за производственных разбросов даже при одинаковых токах прямое падение напряжения на светодиоде (Vd) может быть различным. Можно записать отношение двух токов через 2 диода

I1/I2 = R2/R1 [(Vout - Vd1)/(Vout - Vd2)]

Принимая во внимание, что резисторы имеют высокую точность (это допустимо), имеем:

I1/I2 = (Vout - Vd1)/(Vout - Vd2)

Отсюда следует, что отношение (разница) токов через диоды тем меньше, чем выше выходное напряжение источника питания. Нужно иметь в виду, что сближение значений токов через светодиоды оплачивается более высокой потребляемой мощностью. Поэтому можно рекомендовать напряжение на выходе регулятора равное 5 Вольт.

Для получения такого напряжения можно использовать простые преобразователи типа MAX 1595 (Uвых = 5В, Iвых = 125 мA), или использовать преобразователи MAX1759 с регулируемым выходом. Таким образом, изменяя выходное напряжение регулятора можно корректировать токи в светодиодах до нужного уровня (например, 20 мA). Если нет возможности корректировать ток регулируемым на выходе источника питания напряжения, то параллельно балластным резисторам R1a:R3a ставят резисторы и МОП - транзисторы, как показано на рис. 5. Включая и выключая логическим уровнем МОП - транзисторы, можно подключать или отключать дополнительные резисторы R1в:.R3в, эффективно изменяя значение балластного резистора.

Источники питания для LCD и LED дисплеев
Рис. 5.

Использование преобразователя с регулируемым выходным током. На рис. 3с показан принцип использования преобразователя с регулируемым выходным током. В этом сценарии ток через один из диодов (рис. 3с - D1) преобразован в падение напряжения на резисторе R1 и именно это напряжение поддерживается преобразователем. Преобразователь может быть ключевого типа, на переключаемых конденсаторах или линейным регулятором.

Уравнение для тока через светодиод такое же, что представлено выше.

Ix = (Vout - Vdx)/Rx (1)

Но в этом случае Vout не регулируется, а I1 регулируется и его значение составляет

I1 = Vo.c / R1 (2)

где: Vo.c - напряжение обратной связи снимаемое с резистора R1.

Поскольку регулируется ток только одного диода, разное прямое падение напряжения на светодиодах может вызывать различие протекаемых через них токов. В этом случае можно использовать следующее. Разделим резистор на 2 части: R1 = R1A + R1B и подставим в уравнение (1), а значение R1 в уравнении (2) заменим на R1В. Для R2 и R3 не требуется разбиения резисторов. Их значения должны быть равны R1A + R1B. Теперь на выходе регулятора будет поддерживаться напряжение, определяемое падением напряжения на резисторе R1B, как показано на рис. 6. Если уставка от R1B равна напряжению R1, то усилитель рассогласования останется в прежнем состоянии, выходное напряжение регулятора повысится, что обеспечит согласование токов через каждый светодиод.

Источники питания для LCD и LED дисплеев
Рис. 6.

Последовательное включение светодиодов

Главное преимущество при включении светодиодов в последовательную цепочку состоит в том, что через все диоды протекает одинаковый ток и яркость свечения получается одинаковой. Недостаток при таком включении: требуется более высокое напряжение, так как падение напряжения на каждом светодиоде суммируется. Даже 3 белых светодиода требуют напряжение 9 - 12 вольт. Обычно для такого включения используются ключевые регуляторы, как наиболее эффективные преобразователи для этих целей. На рисунке 7 представлена схема включения ключевого регулятора MAX 1848, предназначенного для управления тремя белыми светодиодами, включенными последовательно. Прибор может запитываться от 2,6 до 5,5 вольт при выходном напряжении до 13 вольт. Входной диапазон рассчитан на одну Li-ионную батарею или 3 NiCD/NiMH батареи. Рабочая частота регулятора - 1,2 мГц, что позволяет использовать внешние компоненты с минимальными габаритами. На выходе ШИМ сигнал. Избыточное напряжение выпрямляется и подается на светодиоды. Ток через светодиоды и, таким образом, яркость может быть отрегулирована с помощью напряжения снимаемого с ЦАП или отфильтрованного ШИМ сигнала, подаваемого на вход CTRL микросхемы MAX 1848. Эффективность MAX 1848 при работе со светодиодами достигает 87%.

Источники питания для LCD и LED дисплеев
Рис. 7

Для больших дисплеев, где требуется много светодиодов, можно использовать ключевой регулятор MAX 1698 (см. рис. 8). Микросхема может работать от входного напряжения всего 0,8 Вольта, а выходное напряжение ограничено рабочим напряжением внешнего n - канального МОП-транзистора. Низкое, до 300 mB напряжение обратной связи (вывод FB) способствует максимальной эффективности схемы, которая достигает 90%. Яркость светодиода регулируется с помощью потенциометра, у которого щетка соединяется с выводом ADJ микросхемы. Потенциометр может быть использован как аналоговый, так и цифровой.

Источники питания для LCD и LED дисплеев
Рис. 8

Конечно, число микросхем, которые используются для питания и подсветки в жидкокристаллических и светодиодных дисплеях, не ограничено представленными в статье наименованиями. Если читатель захочет подобрать необходимые для его конкретного случая микросхемы, то нет ничего проще, как войти на сайт maxim-ic.com и там ознакомиться с характеристиками выпускаемой продукции.

Использованы информационные материалы фирмы MAXIM.

Автор: А. Шитиков; Публикация: radioradar.net

Смотрите другие статьи раздела Блоки питания.

Читайте и пишите полезные комментарии к этой статье.

<< Назад

Последние новости науки и техники, новинки электроники:

Впервые преоодолена передача ВИЧ от матери к ребенку 02.01.2026

Проблема вертикальной передачи ВИЧ - от матери к ребенку - остается одной из ключевых задач глобальной медицины. Недавний отчет Всемирной организации здравоохранения (ВОЗ) демонстрирует историческое достижение: Бразилия впервые в своей истории полностью преодолела этот путь передачи вируса. Страна стала 19-й в мире и первой с населением более 100 миллионов человек, которая достигла такого результата. Достижения Бразилии основаны на комплексных медицинских программах, обеспечивающих своевременный доступ к диагностике и терапии для всех слоев населения. ВОЗ официально подтвердило, что уровень передачи ВИЧ от матери к ребенку снизился до менее двух процентов. Более 95% беременных женщин в стране получают регулярный скрининг на ВИЧ и необходимое лечение в рамках стандартного ведения беременности. Изначально программа тестировалась в крупных муниципалитетах и штатах с населением более 100 тысяч человек, а затем была масштабирована на всю страну. Такой подход позволил унифицировать ста ...>>

Нанослой германия увеличивает эффективность солнечных батарей на треть 02.01.2026

Разработка высокоэффективных солнечных батарей остается одной из ключевых задач современной энергетики. Недавнее исследование южнокорейских ученых позволило повысить производительность тонкопленочных солнечных элементов почти на 30%, что открывает новые перспективы для возобновляемых источников энергии, гибкой электроники и сенсорных устройств. Команда исследователей сосредоточилась на элементах на основе моносульфида олова (SnS) - нетоксичного и доступного материала, который идеально подходит для гибких солнечных панелей. До настоящего времени эффективность SnS-устройств оставалась низкой из-за проблем на границе контакта с металлическим электродом. В этой области возникали структурные дефекты, диффузия элементов и электрические потери, что существенно ограничивало возможности таких батарей. "Этот интерфейс был главным барьером для достижения высокой производительности", - отмечает профессор Джейонг Хо из Национального университета Чоннам. Для решения этих проблем ученые предлож ...>>

Электростатическое решение для борьбы с льдом и инеем 01.01.2026

Борьба с льдом и инеем на транспортных средствах и критически важных поверхностях зимой остается сложной и затратной задачей. Ученые из Virginia Tech разработали инновационную технологию, способную разрушать лед и иней без использования тепла или химических реагентов, что открывает новые возможности для безопасной и экологичной зимней эксплуатации транспорта. Исследователи обнаружили, что лед и иней образуют кристаллическую решетку с так называемыми ионными дефектами - заряженными участками, способными перемещаться под воздействием электрического поля. Эти дефекты являются ключом к управлению прочностью льда и его удалением с поверхностей. Когда на замерзшую поверхность подается положительный электрический заряд, отрицательные ионные дефекты притягиваются к источнику поля. Это вызывает разрушение кристаллической решетки льда, в результате чего часть льда буквально "отскакивает" от поверхности. Такой эффект позволяет удалять лед без применения внешнего тепла или химических средств ...>>

Случайная новость из Архива

Профессиональный монитор RadiForce RX350 29.11.2015

Компания EIZO славится высококачественными мониторами, в том числе, и общего назначения. Но уникальной ее делает другая продукция - специализированные дисплейные решения для медицины, научных исследований, промышленности и других сфер. Для этих областей компания нередко анонсирует уникальные, не имеющие аналогов в мире модели мониторов - чего стоит модель FlexScan EV2730Q с соотношением сторон 1:1 и разрешением 1920 х 1920. Новая модель, RadiForce RX350 также весьма любопытна.

В первую очередь, она любопытна тем, что в эпоху засилья формата 16:9 имеет "устаревшее" и "непопулярное" соотношение сторон 4:3. А еще точнее - 3:4, поскольку режимом этого монитора по умолчанию является портретный. Диагональ матрицы IPS составляет 21,3 дюйма, а разрешение 1536 х 2048; именно таким максимальным разрешением могли похвастаться в свое время лучшие мониторы на базе CRT. Максимальная яркость RX350 внушает уважение, поскольку составляет 1000 кд/м2; впрочем, для калибровки рекомендуется установить режим 500 кд/м2. Уровень контрастности тоже высок - 1500 к 1, что выше типичных для IPS-матриц показателей.

Время отклика 25 миллисекунд, но данная модель не предназначена для игр. Ее основное назначение - медицина, а точнее, просмотр рентгеновских снимков высокого разрешения, компьютерных и МРТ-томограмм, в том числе, синтезированных трехмерных. Поскольку речь идет о человеческом здоровье, а то и жизни, здесь крайне важна максимальная точность отображения, поэтому RadiForce RX350 обладает полноценной поддержкой 10-битного цвета и оснащен средствами, позволяющими достичь максимальной четкости изображения (Sharpness Recovery). Предусмотрено две версии покрытия экрана, антибликовое (Anti-Glare coating) и минимизирующее зеркальный эффект (Anti-Reflection coating).

Новинка может работать в режиме цепочки, поскольку оснащена проходным интерфейсом DisplayPort. Любопытно, что в официальном списке совместимых графических карт указаны, в основном, профессиональные модели AMD, поставляемые заказчикам под маркой EIZO MED-X. Что касается прочих характеристик RadiForce RX350, то он укомплектован эргономичной подставкой, позволяющей развернуть его в пейзажный режим, но поддерживается и стандартное крепление VESA 100 х 100. C подставкой монитор весит 8,1 килограмма, максимальный уровень энергопотребления составляет 89 ватт.

Другие интересные новости:

▪ 31" монитор LG 31MU95 с разрешением 4096x2160 точек

▪ Умное биде от LG Uplus

▪ Изменение скорости движения отдельных объектов на видео

▪ МОП-транзистор 160 А для автомобильного применения от Toshiba

▪ AUO выпустит AMOLED-панели 4,3 дюйма

Лента новостей науки и техники, новинок электроники

 

Интересные материалы Бесплатной технической библиотеки:

▪ раздел сайта Личный транспорт: наземный, водный, воздушный. Подборка статей

▪ статья Благими намерениями вымощена дорога в ад. Крылатое выражение

▪ статья Где проходят марафоны, в которых люди соревнуются одновременно с лошадьми? Подробный ответ

▪ статья Монтажник пластиковых и алюминиевых конструкций. Типовая инструкция по охране труда

▪ статья Светодиодное устройство Мигающие огни. Энциклопедия радиоэлектроники и электротехники

▪ статья Одна против восьми. Секрет фокуса

Оставьте свой комментарий к этой статье:

Имя:


E-mail (не обязательно):


Комментарий:




Комментарии к статье:

Андрей
Вернулся к интересному варианту "Недоделанного" мной аппарата на Z80.Есть серия статей из РТВЕ за 1987 год,но нет окончания из РТВЕ #1 и #2 за 1988 год. В Архиве только #4 и #8. Эта Статья мало что дала по другой "Безумной" Идейке:Что делать с Древним Ноутбуком.Нужны Материалы про подключению LCD монитора COMPAQ LTE 5300 к DVM интерфейсу... [cry]


Главная страница | Библиотека | Статьи | Карта сайта | Отзывы о сайте

www.diagram.com.ua

www.diagram.com.ua
2000-2025