Menu Home

Бесплатная техническая библиотека для любителей и профессионалов Бесплатная техническая библиотека


Блок питания-таймер, 220/9 вольт 1 ампер. Энциклопедия радиоэлектроники и электротехники

Бесплатная техническая библиотека

Энциклопедия радиоэлектроники и электротехники / Блоки питания

Комментарии к статье Комментарии к статье

Предлагаемый вниманию читателей блок питания предназначен для работы совместно с радиоприемниками, магнитолами и другой бытовой аппаратурой среднего класса, не имеющей встроенного таймера. Кроме того, он может быть использован как таймер с фиксированным временем срабатывания для управления любыми устройствами, питаемыми от осветительной сети.

От аналогичных устройств блок питания отличается повышенными эксплуатационными качествами: удобным кнопочным управлением, полным отключением от сети из любого режима (кнопкой, по сигналу таймера, при коротком замыкании на выходе), включаемым и регулируемым одной кнопкой таймером.

Основные технические характеристики

  • Коэффициент стабилизации выходного напряжения, не менее......130
  • Максимальный ток нагрузки, А .....1
  • Выходное напряжение, В .....9
  • Потребляемый ток, мА, не более.....15
  • Время срабатывания таймера, мин.....5/10/15/20/25

Устройство (рис. 1) состоит из собственно блока питания на трансформаторе Т1, диодном мосте VD1, микросхемном стабилизаторе напряжения DA1: узла ручного и автоматического отключения от сети, включающего симистор VS1, реле К1, транзистор VT1, и таймера с времязадающими R8-R12C7 и разрядными VT2R4 цепями, а также узла управления на микросхеме DD1.

Блок питания-таймер, 220/9 вольт 1 ампер

Отличительная особенность блока питания - наличие отключающего узла, выполненного на симисторе VS1, включенном в цепь первичной обмотки сетевого трансформатора ТТ. Благодаря этому достигается отключение всего устройства от сети со стороны питающего напряжения, причем примененное схемное решение гораздо проще и надежнее, чем, например, описанное в статье [1]. Состоянием симистора VS1 управляют кнопка SB1 "Вкл" и блокирующие контакты реле К1.1. Конденсаторы С1 - С4 устраняют мультипликативный фон и помехи сети.

Реле К1 с сопутствующими элементами работает в узле автоматического отключения блока. Для включения реле использован импульсный принцип, позволяющий существенно уменьшить потребляемый ток. Выключение реле, в результате которого происходит отключение всего устройства от сети, возможно в трех случаях: вручную - кнопкой SB2 "Выкл"; по сигналу таймера - транзистором VT1, подключенным параллельно кнопке; при перегрузке или замыкании на выходе или на входе стабилизатора DA1.

В качестве порогового элемента применен полевой транзистор VT1 с большой крутизной передаточной характеристики и малым сопротивлением открытого канала, что способствует четкому срабатыванию таймера. К затвору транзистора через резистивныи делитель R2R3 подключен времязадающий конденсатор С7. Наличие делителя обусловлено стремлением получить максимальное время выдержки при небольших номиналах элементов зарядной цепи. Его эффективность иллюстрирует промоделированная в Micro-Cap 7.1.0 зарядная характеристика конденсатора С7 (рис. 2), которая получена для первой ступени таймера при R12 = 300 кОм, С7 = 470 мкФ.

Блок питания-таймер, 220/9 вольт 1 ампер

На графике видно, что без делителя транзистор VT1 открывается при напряжении на затворе 1,8 В (точка 1 на графике), а время выдержки равно 31 с. С делителем R2R3 это время увеличивается почти в 10 раз (точка 2), поскольку конденсатор С7 заряжается теперь до почти в четыре раза большего напряжения. Для других ступеней постоянную времени определяют включенные в этот момент резисторы R8-R12 матрицы узла управления. Транзистор VT2 предназначен для быстрой разрядки вре-мяэадающего конденсатора С7 перед каждым новым циклом работы таймера.

Основное отличие таймера - оригинальное устройство управления, выполненное на десятичном счетчике DD1. Управляют счетчиком по входу CN, к которому подключена кнопка SB3. В свою очередь, выходы микросхемы соединены с резистивно-диодной матрицей R8-R12VD2-VD6. Диоды VD2-VD6 необходимы для развязывания активного выхода микросхемы (на котором присутствует высокий уровень), от других, соединенных в этот момент с общим проводом. Назначение цепи C11R7 - установка счетчика в нулевое состояние при включении. Конденсатор С10 подавляет "дребезг" контактов кнопки SB3 и предотвращает проникновение на вход CN внешних помех, способных вызвать ложное срабатывание счетчика.

Устройство работает следующим образом. Чтобы включить блок питания, нажимают на кнопку SB1, в результате чего симистор VS1 открывается и на устройство поступает питающее напряжение. Импульс тока зарядки конденсатора С6 включает реле К1, контакты которого К1.1 блокируют кнопку SB1, оставляя все устройство во включенном состоянии. Резистор R1 задает ток удержания реле К1 на уровне примерно 10 мА.

В таком режиме блок обеспечивает питание магнитолы или радиоприемника стабилизированным напряжением 9 В. При этом он полностью защищен от перегрузки и короткого замыкания: в случае резкого увеличения тока нагрузки напряжение на выходе микросхемы DA1 падает, ток удержания реле К1 становится недостаточным и реле, выключаясь, обесточивает все устройство, закрывая симистор VS1.

Для "ручного" (без выдержки времени) выключения блока и питаемой им аппаратуры кратковременно нажимают на кнопку SB2. Это приводит к выключению реле К1, контакты которого К1.1 размыкают управляющую цепь симистора VS1, а последний, закрываясь, отключает устройство от сети.

Работа таймера нуждается в отдельном пояснении. При включении питания таймер устанавливается в нулевое состояние подачей на вход R счетчика DD1 короткого импульса сброса через конденсатор С11. После этого на выходе 0 (вывод 3) появляется единичный сигнал, на всех остальных выходах - нулевой. Напряжение высокого уровня с выхода 0 через резистор R4 поступает на базу транзистора VT2, открывая его. Транзистор VT2 участком коллектор-эмиттер шунтирует конденсатор С7 и разряжает его, если на нем был остаточный заряд. Это - цикл подготовки таймера к работе.

Дальнейшая работа таймера обеспечивается управлением всего одной кнопкой, без всяких дополнительных переключений, характерных для других устройств, например, [2]. Режим работы задается ступенчато, числом кратковременных нажатий на кнопку SB3. Каждое нажатие приводит к переключению счетчика на один шаг и установке соответствующей выдержки времени. После первого нажатия на кнопку SB3 счетчик DD1 отсчитывает один импульс, в результате чего на выходе 1 (вывод 2) устанавливается единичный сигнал. Транзистор VT2 закрывается, а напряжение с выхода 1, близкое к напряжению питания, через диод VD6 и резистор R12 поступает на конденсатор С7, заряжая его. Остальные выходы микросхемы DD1 в этот момент развязаны закрытыми диодами VD2-VD5, препятствующими разрядке конденсатора на общий провод.

По мере зарядки конденсатора С7 напряжение на затворе транзистора VT1 возрастает. Постоянная времени цепи R12С7 первой ступени выбрана такой, что время достижения порогового уровня составляет около 5 мин. По истечении этого времени транзистор VT1 открывается и шунтирует обмотку реле К1, которое, выключаясь, отключает все устройство, как описано выше.

При двукратном нажатии на кнопку SB3 единичный сигнал появляется уже на выходе 2 (вывод 4). Соответственно, теперь зарядная цепь образована двумя последовательно включенными резисторами R11 и R12, что увеличивает время выдержки до 10 мин. Нажимая на кнопку SB3 несколько раз (до пяти), программируют таймер на нужное время работы в пределах 5/10/15/20/25 мин. Последнее нажатие останавливает счетчик, запрещая дальнейший счет, поскольку установлено максимальное время выдержки. Это достигается подачей на вход CP счетчика DD1 единичного сигнала с выхода 5 (вывод 1).

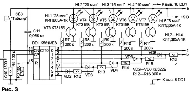
Несколько усложнив узел управления, можно получить еще более удобное циклическое управление с индикацией. Как это сделать, показано на рис. 3. Алгоритм работы счетчика изменен подачей единичного сигнала с выхода 6 (вывод 5) микросхемы DD1 на вход R. Кроме того, теперь выходы счетчика 1-5 соединены с узлом индикации, собранном на транзисторах VT3-VT7 и светодиодах HL1-HL5.

Блок питания-таймер, 220/9 вольт 1 ампер

В этом устройстве каждое нажатие на кнопку SB3, помимо переключения режима выдержки, приводит к включению одного из светодиодов, индицирующих соответствующий режим. Пятое нажатие не фиксируется, а следующее шестое - вновь переводит счетчик в нулевое состояние. При этом конденсатор С7 разряжается и ни один светодиод не светится - таймер выключен. Далее, нажимая на кнопку SB3 и ориентируясь по светодиодам HL1-HL5, можно вновь запрограммировать таймер на нужное время. Таким образом, здесь реализован бесконечный цикл управления с индикацией, весьма удобный на практике.

В блоке питания, рассчитанном на ток нагрузки 1 А, применен стандартный сетевой трансформатор Т10-3 (Т1), вторичные обмотки которого соединены последовательно. Разумеется, можно использовать и любой другой трансформатор, напряжение на вторичной обмотке которого под нагрузкой не менее 8,5 В. Вместо симистора КУ208Г допустимо применение ТС106-10, рассчитанного на больший ток и имеющего меньшие габариты. Микросхема К561ИЕ8 заменима аналогами из серий 564, К176. В устройстве применено реле РЭС55А исполнения РС4.569.600-01, но его можно заменить другим малогабаритным герконовым реле с напряжением срабатывания 4...6 В и током удержания не более 7 мА. Все три кнопки управления - нефиксируемые на основе микропереключателей МП7. Транзисторы КТ315Б можно заменить на КТ315Г, причем, для того чтобы яркость светодиодов в устройстве рис. 3 была одинаковой и достаточной, транзисторы VT3- VT7 следует подобрать по коэффициенту передачи тока h21Э = 100...120. Использовать транзисторы с коэффициентом передачи более 140 не рекомендуется, поскольку в этом случае ток светодиодов превысит максимально допустимое значение (6 мА). Вместо красных светодиодов КИПД05А-1К допустимо применение КИПД05Б-1Л (зеленые), КИПД05В-1Ж (желтые), но следует иметь в виду, что яркость свечения индикатора уменьшится примерно вдвое.

Универсальность предложенного устройства заключается и в том, что оно может быть использовано как отдельный таймер, управляющий бытовыми электроприборами по сетевому напряжению. В этом случае нагрузку мощностью до 1 кВт (для симистора КУ208Г) или до 2 кВт (для симистора ТС 106-10) подключают параллельно первичной обмотке трансформатора Т1, как показано на рис. 1. Блок питания в этом случае необходим только для питания самого таймера, соответственно, мощность сетевого трансформатора Т1 может быть уменьшена до нескольких ватт, емкость конденсатора С5 уменьшена примерно в десять раз, а конденсатор С9 вовсе исключен. Вместо моста VD1 можно установить маломощные кремниевые диоды. Все описанные выше функции в этом случае сохраняются, но коммутация нагрузки осуществляется с "высоковольтной стороны", причем отключение от сети и нагрузки и таймера происходит одновременно.

Налаживания устройство не требует. Единственное, что может потребоваться - регулировка времени срабатывания таймера резисторами R8-R12 на рис. 1 (R12-R16 на рис. 3), особенно на верхних ступенях, где ток зарядки соизмерим с током утечки конденсатора С7 и током делителя R2R3.

В заключение отметим, что предложенный таймер допускает широкие возможности модернизации. Так, число ступеней регулирования может быть увеличено до десяти (по числу выходов микросхемы DD1), а время выдержки каждой ступени изменено в любую сторону подбором резисторов R8-R12.

Литература

  1. Прокопцев Ю. Приставка-автомат к блоку питания. - Радио, 1997, № 5, с. 39,40.
  2. Нечаев И. Таймеры для радиоприемника. - Радио. 1993. № 3. с. 34.

Автор: А.Пахомов, г.Зерноград Ростовской обл.

Смотрите другие статьи раздела Блоки питания.

Читайте и пишите полезные комментарии к этой статье.

<< Назад

Последние новости науки и техники, новинки электроники:

Хорошо управляемые луга могут компенсировать выбросы от скота 15.02.2026

Животноводство, особенно разведение крупного рогатого скота, часто обвиняют в значительном вкладе в глобальное потепление из-за мощного парникового газа - метана, который выделяется при пищеварении у жвачных животных. Это вызывает острые политические споры и призывы к сокращению потребления мяса. Однако ученые напоминают, что полная картина климатического воздействия отрасли не ограничивается только выбросами от животных: огромную роль играет окружающая экосистема - пастбища, почва и растительность, которые способны активно поглощать углекислый газ из атмосферы. Исследователи из Университета Небраски-Линкольна решили глубже изучить этот баланс. Группа под руководством профессора Галена Эриксона сосредоточилась на том, как правильно организованные пастбища накапливают углерод в растениях и грунте благодаря естественным процессам, стимулируемым выпасом скота. Ученые подчеркивают, что при достаточном уровне осадков и грамотном управлении такие луга превращаются в мощные природные погло ...>>

NASA тестирует инновационную технологию крыла 15.02.2026

Коммерческая авиация ежегодно расходует колоссальные объемы керосина, что сказывается не только на бюджете авиакомпаний, но и на состоянии окружающей среды. В 2024 году глобальные затраты на авиационное топливо достигли 291 миллиарда долларов, и эта сумма продолжает расти. Чтобы справиться с этими вызовами, NASA активно работает над технологиями, способными заметно повысить аэродинамическую эффективность самолетов. Одним из самых перспективных направлений стало создание специальной конструкции крыла, которая максимизирует естественный ламинарный поток воздуха и минимизирует сопротивление. В январе 2026 года специалисты NASA Armstrong Flight Research Center успешно провели важный этап наземных испытаний концепции Crossflow Attenuated Natural Laminar Flow (CATNLF). Для эксперимента под фюзеляж исследовательского самолета F-15B закрепили вертикально ориентированную масштабную модель высотой около 0,9 м (3 фута), напоминающую узкий киль. Такая компоновка позволила подвергнуть прототип р ...>>

Забота о внуках очень полезна для здоровья мозга 14.02.2026

Общение между поколениями приносит радость всей семье, но мало кто задумывается, насколько активно бабушки и дедушки, заботящиеся о внуках, поддерживают свою умственную форму. Регулярное взаимодействие с детьми стимулирует мозг пожилых людей, помогая сохранять память, скорость мышления и общую когнитивную активность. Новые научные данные подтверждают, что такая добровольная помощь не только важна для общества, но и может замедлять возрастные изменения в мозге. Исследователи из Тилбургского университета в Нидерландах провели анализ, чтобы понять, приносит ли уход за внуками реальную пользу здоровью пожилых людей. Ведущий автор работы Флавия Черечес отметила, что многие бабушки и дедушки регулярно присматривают за детьми, и оставался открытым вопрос, насколько это положительно сказывается на их собственном благополучии, особенно в плане когнитивных функций. Ученые поставили цель выяснить, способен ли регулярный уход за внуками замедлить снижение памяти и других умственных способ ...>>

Случайная новость из Архива

Многофункциональный микроконтроллер Toshiba с ядром ARM Cortex-M0 03.09.2014

Компания Toshiba Electronics Europe (TEE) представила новый продукт в серии микроконтроллеров TX00 на базе ядра ARM Cortex-M0. Микроконтроллер TMPM037FWUG предназначен для систем управления электродвигателями в таком оборудовании, как принтеры (обычные и многофункциональные), потребительские электронные устройства, цифровые приборы, а также в оборудовании для автоматизации производства.

При разработке очень сложных систем управления электродвигателями от современных устройств требуется целый ряд функций, в том числе несколько каналов связи для обмена данными с главным блоком управления и с периферийными устройствами, а также интерфейсы для считывания числовых данных с датчиков. Кроме того, необходим таймер, формирующий импульсы для управления электродвигателем, например шаговым двигателем или двигателем постоянного тока.

Микроконтроллер производится в корпусе LQFP64, имеющем размер всего 10x10 мм и всего лишь 64 вывода с шагом 0,5 мм. Микроконтроллер TMPM037FWUG содержит 8-канальный 10-разрядный АЦП и 10-канальный 16-разрядный таймер с программируемым генератором импульсов.

Кроме того, в микроконтроллер интегрирован 6-канальный последовательный интерфейс (5 каналов шины SIO/UART и 1 канал шины I2C), что делает ненужным использование микросхемы расширения интерфейса и снижает затраты на производство. В микроконтроллере применяется также технология Bit Banding, которая позволяет получать доступ к отдельным битам и управлять ими. Благодаря этому можно повысить эффективность работы с отдельными битами и оптимизировать использование небольшого объема памяти, состоящей из 128 Кбайт флеш-памяти NAND и 16 Кбайт оперативной памяти SRAM.

Благодаря использованию такого же ядра ARM Cortex-M0, как в сериях TX03 и TX04, микроконтроллер TMPM037FWUG повышает эффективность разработок и позволяет снизить затраты на них: для всех этих серий можно применять одни и те же средства разработки для средних и больших систем. Ядро M0 способно работать с максимальной тактовой частотой 20 МГц в диапазоне рабочих напряжений 2,3-3,6 В.

Другие интересные новости:

▪ Новый IEEE 802.15.4 трансивер CC2520 для сетей ZigBee

▪ Самовосстанавливающееся стекло для смартфонов

▪ Новое оконное стекло полезнее для человека

▪ Новый 64-разрядный RISC-микропроцессор TMPR4955BFG-300

▪ Телефон Philips Xenium E560 с рекордным временем работы

Лента новостей науки и техники, новинок электроники

 

Интересные материалы Бесплатной технической библиотеки:

▪ раздел сайта Крылатые слова, фразеологизмы. Подборка статей

▪ статья Итак, она звалась Татьяной. Крылатое выражение

▪ статья Зачем владелец одной фирмы в 1960-х годах подарил всем мальчишкам в его квартале по новой рогатке? Подробный ответ

▪ статья Станочник деревообрабатывающих станков, занятый обработкой заготовок на сверлильных станках. Типовая инструкция по охране труда

▪ статья Лазерный тир. Энциклопедия радиоэлектроники и электротехники

▪ статья Конструирование ламповых усилителей. Энциклопедия радиоэлектроники и электротехники

Оставьте свой комментарий к этой статье:

Имя:


E-mail (не обязательно):


Комментарий:





Главная страница | Библиотека | Статьи | Карта сайта | Отзывы о сайте

www.diagram.com.ua

www.diagram.com.ua
2000-2026