Menu Home

Бесплатная техническая библиотека для любителей и профессионалов Бесплатная техническая библиотека


Универсальный прибор для проверки ИИП. Энциклопедия радиоэлектроники и электротехники

Бесплатная техническая библиотека

Энциклопедия радиоэлектроники и электротехники / Блоки питания

Комментарии к статье Комментарии к статье

При разработке и испытании импульсных источников питания радиолюбители нередко сталкиваются с ситуацией, когда вроде бы правильно собранный блок питания "отказывается" работать. Достаточно ошибочно изменить полярность хотя бы одного из нескольких выпрямительных диодов на выходе устройства или нарушить фазировку любой обмотки трансформатора, и последствия могут быть самыми непредсказуемыми, вплоть до повреждения весьма дорогих ШИМ контроллеров и коммутирующих транзисторов. Предотвратить такое неприятное явление поможет универсальный испытатель, о котором пойдет речь в этой статье.

Следует обратить внимание на тот факт, что во время проверки ИИП используются два независимых источника питания. Один из них, слаботочный (Imax=0,2 А), с выходным напряжением 10... 15 В после дополнительной стабилизации микросхемой DA1 на уровне 8 В питает цепи управления, индикации и защиты устройства. Второй, сильноточный (Imax=5А), является источником испытательного напряжения для проверяемых элементов. Для этой цели удобно использовать штатный сетевой выпрямитель ИИП. Поэтому, хотя трансформатор Т1 и оптрон U1 в устройстве обеспечивают гальваническую развязку между названными источниками, во время проверки, чтобы избежать поражения электрическим током, следует помнить о том, что цепь, соединенная с транзистором VT2 и резистором R9, находится под напряжением сети.

Если амплитуда напряжения пилообразных импульсов на резисторе R9 превысит некоторое пороговое значение, при котором ток излучающего диода оптрона U1 будет достаточным для открывания его фототранзистора, сигнал перегрузки с коллектора последнего запретит прохождение импульсов от генератора. Включенный параллельно участку коллектор-эмиттер фототранзистора конденсатор C3 небольшой емкости повышает помехоустойчивость устройства.

В описываемом испытателе применен коммутирующий транзистор IRFBC40, у которого максимальный ток стока равен 6,2 А, а напряжение сток-исток - 600 В. Пороговый уровень тока выбран 5 А, а напряжение срабатывания защиты составит 0,33 Ом х 5 А = 1,65 В. Мощность, рассеиваемая датчиком тока (R9) при коэффициенте заполнения импульсов D - 1, должна быть не менее (1,65)2/0,33 - 8,25 Вт. Когда прибор используют для оценки нагрузочной способности ИИП (D=0,2), этаже мощность должна быть не менее 8,25x0,2 = 1,65 Вт. Если же испытатель предполагается использовать только для проверки индуктивных элементов ИИП, как в нашем случае, с учетом пилообразной формы импульсов тока мощность резистора должна быть не менее 1,65x0,5=0,825 Вт.

Универсальный прибор для проверки ИИП
(нажмите для увеличения)

Конечно, импортный транзистор можно заменить отечественным КП707В2 или аналогичным, но для них параметры датчика тока необходимо будет пересчитать в соответствии с приведенными выше соотношениями и учесть при налаживании устройства.

Рассмотрим работу цепей защиты на элементах DD2.1 и DD2.2.

К верхнему по схеме входу RS-триггера (вывод 8 DD2) подключена цепь R3C2, постоянная времени которой равна 8,2 мс. Она обеспечивает временную задержку появления на входе высокого уровня, необходимую, чтобы триггер узла защиты привести в исходное состояние.

Такая особенность проиллюстрирована на рис. 2 наличием временного интервала tmin между включением устройства и началом проверки ИИП.

Универсальный прибор для проверки ИИП

Практически это накладывает ограничения на очередность включения двух названных независимых источников питания: сначала следует включить слаботочный, затем - сильноточный, а выключать в обратной последовательности, сначала сильноточный, затем - слаботочный. Соблюдение этого правила предотвратит повреждение коммутирующего транзистора VT2 первым же импульсом в момент включения устройства. Кроме того, рекомендую при первом включении ИИП не подавать полное сетевое напряжение, а плавно увеличивать его, например, с помощью лабораторного автотрансформатора.

В случае перегрузки коммутирующего транзистора RS-триггер переключается в нулевое состояние. На выводах 1, 13 элементов DD1.3 и DD1.4 высокий уровень сменяется низким, и дальнейшее прохождение импульсов блокируется. Переключившийся RS-триггер отключает светодиод HL2 "Проверка" и включает светодиод HL1 "Перегрузка". Генератор на элементах DD2.3 и DD2.4 вырабатывает предупреждающий звуковой сигнал. После выключения питания и устранения перегрузки через некоторое время, необходимое для разрядки конденсаторов С1 и С2, устройство готово к повторному включению.

Применение устройства для оценки тока насыщения дросселя, используемого в выходном фильтре ИИП, имеет свои особенности. Рассмотрим их подробнее.

На рис. 3 показана схема подключения испытателя в этом случае.

Универсальный прибор для проверки ИИП

Блок питания (БП) - сильноточный: его максимальный ток должен превышать выбранное для цепей защиты прибора пороговое значение 5 А. Параллельно испытываемому дросселю подключают диод VD1. Здесь допустимо использовать КД212А или подобный. Частота коммутации может оказаться очень большой, особенно для дросселей с индуктивностью в сотни и тысячи микрогенри. Поэтому на время измерения параметров дросселя, возможно, потребуется значительнее уменьшение рабочей частоты при неизменной (или регулируемой) длительности импульса. Быстродействие также можно повысить введением стабилитрона VD2 с рабочим напряжением, несколько превышающим измерительное. Желательно также, чтобы напряжение на выходе БП было регулируемым.

Параллельно резистору R9 испытателя подключают осциллограф. Возможные варианты А и Б наблюдаемых диаграмм падения напряжения на датчике тока Ur9, а также напряжения U3-и на затворе коммутирующего транзистора показаны на рис. 4.

Универсальный прибор для проверки ИИП

Как известно, напряжение U, приложенное к дросселю, вызывает линейное увеличение тока Д1 в нем. Эта зависимость математически выражается уравнением AI=(U/L)Δt или, другими словами, напряжение 1 В, приложенное к дросселю с индуктивностью 1 Гн, вызовет через 1 с увеличение тока в нем на 1 А. Если числитель и знаменатель дроби в правой части равенства умножить на коэффициент 10-6, получаем важное следствие: для определения изменения тока Д1 в амперах в формулу можно подставлять индуктивность в микрогенри, а время - в микросекундах, что мы и будем использовать при измерениях.

Предположим, что на выходе БП установлено напряжение U = 20 В, и при некотором выбранном дросселе диаграмма напряжения UR9 принимает вид А (рис. 4). Оценим свойства дросселя.

Очевидно, что пиковое значение тока I = U/R = 0,4/0,33 - 1,2 А, и можно сделать заключение, что оцениваемый дроссель окажется вполне работоспособным при фильтрации тока вплоть до 1,2 А. Более того, с помощью испытателя можно оценить индуктивность дросселя, для чего необходимо воспользоваться соотношением L = (U/AI)At. Подставляя соответствующие значения, получим L = (20/1,2)2 - 33 мкГн. Конечно, на точность определения влияют многие показатели: допуск номинала токоизмерительного резистора, погрешность измерения напряжения и временного интервала с помощью осциллографа, токоограничивающий эффект в измерительной цепи, обусловленный активным сопротивлением дросселя и резистором R9, и некоторые другие факторы. Но по самым грубым оценкам, суммарная погрешность измерения индуктивности дросселя этим методом не превысит 20 %. Такая точность вполне достаточна для оценки фильтрующих свойств дросселя в составе выходного фильтра ИИП.

Теперь, не меняя дроссель, увеличим напряжение на выходе БП до 40 В и при этом получим вариант Б диаграммы, показанной на рис. 4. Важно, чтобы пиковое значение напряжения UR9 при этом не превысило порогового уровня, установленного для цепей защиты, иначе измерения будут невозможны. Как видно из рисунка, это условие выполнено. Вычисления, аналогичные предыдущим, позволяют сделать выводы:

  • предельное значение тока (ток насыщения) составляет 1,5 А;
  • индуктивность дросселя равна 34,5 мкГн.

Незначительное несоответствие результатов указывает на возросшую погрешность измерений, что связано с затруднениями при определении точки перегиба на кривой Б. Обычно для этого используют изготовленный из бумаги трафарет, прикладываемый к изоСражению кривой на экране осциллографа, как это иллюстрирует линия В на рис. 4. Поэтому во время проведения измерений целесообразно уменьшать напряжение на выходе БП до значения, при котором диаграмма принимает строго линейный вид, подобный линии А, и использовать полученные результаты для оценки индуктивности дросселя и тока насыщения в нем.

Увеличение вероятности возникновения насыщения в дросселе при небольшом токе связано с применением замкнутых магнитопроводов из материала с высокой магнитной проницаемостью (более 200). Чтобы избежать насыщения, следует использовать кольца из магнитодиэлектрика на основе альсифера или молибден-пермаллоевых сплавов либо вводить немагнитный зазор. Если сравнить ферритовые кольцевые, Ш-образные и броневые магнитопроводы, следует признать, что более технологичны в смысле создания немагнитного зазора два последних, хотя и не исключено применение в качестве слабонасыщающихся магнитопроводов отрезков ферритовых стержней, используемых в радиоприемниках для магнитных антенн (чем ниже магнитная проницаемость, тем лучше).

И последний вариант применения прибора при испытаниях ИИП - в качестве регулируемого эквивалента нагрузки, причем нагрузки импульсной, что особенно актуально для источников питания, используемых в составе УМЗЧ. Пиковая, максимальная, средняя, музыкальная, тепловая и ряд других терминов, характеризующих мощность, производную от импульсных воздействий, не зря были придуманы специалистами для оценки этого класса радиоустройств. Конечно, в данном случае генератор в испытателе необходимо перестроить на диапазон звуковых частот и предусмотреть регулировку коэффициента заполнения коммутирующих импульсов, как это было рекомендовано в начале статьи. При измерениях следует обратить внимание на тепловой режим микросхемы DA1 и транзистора VT1. Возможно, при коэффициенте заполнения импульсов, близком к 1, потребуется их замена более мощными элементами.

В зависимости от выходной мощности и выходного напряжения ИИП понадобятся несколько резисторов сопротивлением в единицы-десятки ом с рассеиваемой мощностью 30...50 Вт. При их отсутствии в качестве эквивалента нагрузки допустимо использование автомобильных ламп с рабочим напряжением 12 В, причем среди них легко подобрать экземпляры, рассчитанные на номинальный ток от долей до десятков ампер. Если максимальной рассеиваемой мощности при токе через коммутирующий транзистор, равном 5 А, окажется недостаточно для полной нагрузки ИИП, высоковольтный полевой транзистор IRFBC40 можно заменить низковольтным, например, IRFZ48N, у которого максимальный постоянный (средний) ток - 45 А, а импульсный - до 210 А.

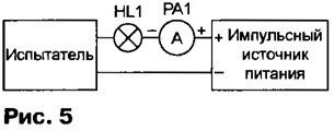
Схема соединений при использовании прибора в качестве регулируемого эквивалента импульсной нагрузки приведена на рис. 5.

Универсальный прибор для проверки ИИП

Включенный в измерительную цепь амперметр покажет среднее значение тока. Если показания амперметра разделить на коэффициент заполнения импульсов, получим амплитудное (пиковое) значение тока в цепи нагрузки. При коэффициенте заполнения импульсов, близком к 1, нагрузка для ИИП максимальная.

Коммутирующий транзистор VT2 в испытателе следует установить на теплоотвод площадью 100...200 см2. Микросхемный стабилизатор КР1157ЕН802А заменим зарубежным аналогом 78L82 или более мощными регулируемыми отечественными КР142ЕН12А, КР142ЕН12Б. Микросхему К561ТЛ1 допустимо заменить на К561ЛА7. Вместо КТ505Б можно использовать любой высокочастотный транзистор средней мощности соответствующей структуры. Пьезокерамический звукоизлучатель НА1 - любой доступный. Диоды КД522Б заменимы любыми маломощными кремниевыми, например, серий КД521, КД522, оптрон - любой из серий АОТ127, АОТ128. Светодиоды - любые с хорошо видимым свечением при токе около 5 мА. Конденсатор С1 - любой оксидный указанной емкости, остальные - любые керамические. Все резисторы - МЛТ, С1-4, С2-23, за исключением импортного R9.

Трансформатор Т1 - импульсный ФИТ-5. Если такой найти не удалось, трансформатор изготавливают самостоятельно. Его магнитопроводом служат два сложенных вместе кольца К10x6x3 из феррита с магнитной проницаемостью 1500...2000. Острые кромки колец скругляют надфилем, магнитопровод покрывают изоляционным лаком и после его высыхания наматывают 100 витков в два провода ПЭЛШО 0,12. Подключать трансформатор следует с учетом фазировки обмоток I и II, показанной на рис. 1.

Трансформатор можно также изготовить на основе броневых магнитопроводов Б14 или Б18. В этом случае обмотки, содержащие по 50...70 витков провода ПЭВ-2 0,12-0,17, следует надежно заизолировать друг от друга.

Налаживание устройства начинают с проверки параметров импульсов на выходе генератора (вывод 10 DD1). При необходимости их корректируют подбором емкости конденсатора С4 и сопротивления резисторов R4 и R6. Затем отсоединяют верхний по схеме вывод резистора R10 и подключают его к плюсовому выводу регулируемого источника питания, минусовый вывод которого соединяют с выводом 2 оптрона U1. Плавно увеличивая напряжение, регистрируют момент пропадания импульсов на выходах элементов DD1.3, DD1.4. Подбирая резистор R10, добиваются отсутствия импульсов при напряжении 1,65±0,05 В, после чего восстанавливают соединение.

На следующем этапе подбором резистора R5 устанавливают ток светодиодов HL1, HL2 около 5 мА. В последнюю очередь проверяют полярность импульсов на затворе транзистора VT2. Если они не соответствуют рис. 2, меняют фазировку одной из обмоток трансформатора Т1.

Завершающий этап - контроль работоспособности коммутирующего транзистора VT2, для чего устройство подключают к сетевому выпрямителю проверяемого ИИП в соответствии с рис. 5. В ИИП обязательно должны быть выключатель сетевого напряжения, плавкий предохранитель на 2 А и цепь ограничения пускового тока. В качестве нагрузки используют осветительную лампу на напряжение 220 В мощностью 60 Вт. Желательно, но не обязательно в цепь включить амперметр постоянного тока с пределом измерения 0,5 А. После включения сетевого выпрямителя на испытатель несколько раз подают и снимают питающее напряжение 10...15 В. При работающем генераторе лампа будет светиться в полнакала, а амперметр покажет ток примерно 0,08 А. Соблюдая осторожность, с помощью осциллографа контролируют импульсы на стоке транзистора VT2. Если транзистор неисправен, лампа будет светиться наполовину ярче обычного и не будет реагировать на выключение питающего напряжения прибора. Неисправный транзистор следует заменить, и после дополнительной проверки устройство готово к работе.

Для расширения возможностей прибор можно дополнить двумя переключателями, коммутирующими наборы резисторов R4, R6 и конденсатора С4 разных номиналов, с помощью которых устанавливают несколько фиксированных значений частоты и коэффициента заполнения импульсов.

Автор: С.Косенко, г.Воронеж

Смотрите другие статьи раздела Блоки питания.

Читайте и пишите полезные комментарии к этой статье.

<< Назад

Последние новости науки и техники, новинки электроники:

Кислотность океана разрушает зубы акул 03.10.2025

Мировые океаны выполняют важнейшую функцию - они поглощают около трети углекислого газа, выбрасываемого в атмосферу. Это помогает замедлять темпы глобального потепления, но имеет и обратную сторону. Растворяясь в воде, CO2 образует угольную кислоту, которая повышает концентрацию водородных ионов и приводит к снижению pH. Вода становится более кислой, а последствия этого процесса уже заметны для морских экосистем. Средний показатель кислотности океана сейчас равен примерно 8,1, тогда как еще недавно за условную норму брали значение 8,2. По прогнозам, к 2300 году уровень может упасть до 7,3 - это сделает океан почти в десять раз кислее нынешнего состояния. Для обитателей морей подобные изменения означают не просто сдвиг химического равновесия, а реальную угрозу физиологическим процессам, начиная от формирования раковин у моллюсков и заканчивая охотничьим поведением акул. Чтобы выяснить, как именно кислотная среда отражается на зубах акул, группа немецких исследователей провела эксп ...>>

Почтовый космический корабль Arc 03.10.2025

Космические технологии становятся частью инфраструктуры, способной повлиять на логистику, медицину и даже военную сферу. Идея использовать орбиту как глобальный склад для срочных поставок звучала еще недавно как научная фантастика, но стартап Inversion пытается превратить ее в практическое решение. Компания Inversion появилась в начале 2021 года благодаря Джастину Фиаскетти и Остину Бриггсу, которые на тот момент были студентами Бостонского университета. Их замысел состоял в том, чтобы сделать возможной доставку грузов не только через спутниковые сети данных, но и в буквальном смысле - физических предметов. В основе лежит простая мысль: если космос обеспечивает доступ к любой точке Земли, то и грузы должны перемещаться тем же маршрутом. Уже за три года работы команда из 25 специалистов успела построить демонстрационный аппарат "Ray". Его запуск состоялся в рамках миссии SpaceX Transporter-12. Устройство весом 90 килограммов проверяло ключевые технологии Inversion, включая двухком ...>>

Лазерное обогащение урана 02.10.2025

Ядерная энергия остается одним из ключевых источников стабильного электричества, особенно для стран с растущими потребностями в энергоснабжении. Однако обеспечение бесперебойных поставок топлива для атомных станций требует современных технологий обогащения урана, которые одновременно эффективны и безопасны. Американская компания Global Laser Enrichment (GLE) делает значительный шаг в этом направлении, завершив масштабное тестирование лазерной технологии обогащения урана. Демонстрационная программа была проведена на объекте в Уилмингтоне, Северная Каролина. Тестирование технологии SILEX (Separation of Isotopes by Laser EXcitation), разработанной австралийской Silex Systems, стартовало в мае 2025 года и продлится до конца года. В ходе экспериментов компания планирует получить сотни фунтов низкообогащенного урана (LEU), который может быть использован в качестве топлива для атомных электростанций. GLE была создана в 2007 году для коммерциализации лазерных методов обогащения урана в С ...>>

Случайная новость из Архива

Новая технология 3D-печати сложных объектов на основе целлюлозы 05.04.2020

Группа исследователей Швейцарской высшей технической школы Цюриха нашла способ обработки целлюлозы с помощью 3D-печати, чтобы создавать объекты практически неограниченной сложности, которые содержат большое количество целлюлозы.

Новая технология объединяет метод прямой рукописной печати (DIW) и процесс уплотнения материала, который позволяет увеличить содержание целлюлозы в отпечатанном объекте до 27%.

Сначала ученые напечатали предмет с помощью "водных чернил". В состав чернил входит только вода, в которой были размешаны частицы целлюлозы и волокна размером в несколько сотен нанометров. Содержание целлюлозы составляет от шести до 14% от всего объема чернил.

Затем напечатанный предмет ученые поместили в ванну с органическими растворителями. Поскольку целлюлоза не любит органические растворители, ее частицы стремятся прилипнуть друг к другу. Так частицы целлюлозы уплотняются и осаживаются в предмете.

На следующем этапе исследователи погрузили объекты в раствор, содержащий светочувствительный пластиковый прекурсор (так называемый "предшественник" пластика, вещество, из которого пластик получают). Когда растворитель удалили выпариванием, пластиковые прекурсоры проникли в каркас предмета на основе целлюлозы. Затем, чтобы прекурсоры превратились в твердый пластик, на напечатанный предмет направили ультрафиолетовый свет. Это позволило получить композиционный материал с содержанием целлюлозы выше 27%: то есть содержание частиц целлюлозы увеличилось с 6-14% до 27%.

В зависимости от типа используемого пластикового прекурсора они могут регулировать механические свойства печатных объектов: например, эластичность или прочность. Это позволяет создавать твердые или мягкие детали.

Используя этот метод, исследователи смогли изготовить различные композитные объекты, в том числе очень хрупкие: например, "скульптуру" пламени толщиной всего один миллиметр. Есть у технологии один недостаток: уплотнение напечатанных деталей с толщиной стенки более пяти миллиметров приводит к искажению структуры, поскольку поверхность уплотняющего объекта сжимается быстрее, чем его ядро.

Из нового материала в будущем можно будет делать, например, упаковку и даже хрящевые имплантаты. Данная технология также может представлять интерес для автомобильной промышленности. Японские автомобилестроители уже создали прототип спортивного автомобиля, для которого детали кузова сделаны почти полностью из материалов на основе целлюлозы.

Другие интересные новости:

▪ Частое использование смартфона вредит позвоночнику

▪ Саундбар Sonos Arc Ultra

▪ 40-киловатная беспроводная зарядка электромобилей

▪ Полностью автономный шаттл

▪ Генератор тестовых сигналов для телевидения высокой четкости

Лента новостей науки и техники, новинок электроники

 

Интересные материалы Бесплатной технической библиотеки:

▪ раздел сайта Усилители мощности. Подборка статей

▪ статья Консервный нож. История изобретения и производства

▪ статья Откуда пришли в Америку индейцы? Подробный ответ

▪ статья Гидромобиль. Личный транспорт

▪ статья Инфракрасная система дистанционного управления. Энциклопедия радиоэлектроники и электротехники

▪ статья Превращение четырех карт. Секрет фокуса

Оставьте свой комментарий к этой статье:

Имя:


E-mail (не обязательно):


Комментарий:





Главная страница | Библиотека | Статьи | Карта сайта | Отзывы о сайте

www.diagram.com.ua

www.diagram.com.ua
2000-2025