Menu Home

Бесплатная техническая библиотека для любителей и профессионалов Бесплатная техническая библиотека


Лабораторный импульсный блок питания

Бесплатная техническая библиотека

Энциклопедия радиоэлектроники и электротехники / Блоки питания

Комментарии к статье Комментарии к статье

Особенность двуполярного источника питания, предлагаемого вниманию читателей, - наличие в каждом плече импульсной и линейной ступеней регулирования, что позволило снизить падение напряжения и мощность на регулирующем транзисторе и, соответственно, уменьшить размеры теплоотвода. Устройство, которое автор успешно эксплуатирует более пяти лет, получилось, возможно, не вполне оптимальным, но мы надеемся, что радиолюбители смогут доработать его, используя имеющуюся элементную базу, под свои задачи.

Основная проблема, которая возникает при изготовлении блока питания, работающего в широком интервале выходного напряжения и с большим током нагрузки, - обеспечить минимальную рассеиваемую мощность на регулирующем элементе и, соответственно, получить максимальный КПД устройства в целом.

Один из путей решения этой задачи состоит в использовании трансформатора с многосекционной обмоткой [1]. Основные недостатки - необходимость манипулировать переключателем что очень неудобно, и сложность изготовления трансформатора.

Наиболее удачное решение - импульсный регулируемый источник с последующей фильтрацией пульсаций компенсационным стабилизатором. Усложнение устройства компенсируется малыми размерами теплоотводов, поскольку падение напряжения, а следовательно, и мощность, выделяемую на регулирующем транзисторе линейного стабилизатора, можно сделать минимальными и независимыми от напряжения на нагрузке.

За основу был взят лабораторный блок питания, описанный в [2]. Главный его недостаток - весьма громоздкий дроссель, который резко увеличивает массу и габариты устройства. В предлагаемом варианте источника первичное регулирование напряжения осуществляется на высокой частоте (15...50 кГц), поэтому дроссель выполнен на ферритовом магнитопроводе, что значительно уменьшило габариты и массу прибора

Основные технические характеристики

  • Выходное двуполярное напряжение, В......3...30
  • Максимальный ток нагрузки, А......3
  • Эффективное значение напряжения пульсаций при максимальном токе нагрузки, мВ......30
  • Пределы регулирования тока срабатывания системы защиты, А......0,25...3
  • Коэффициент стабилизации при изменении напряжения сети от 190 до 240 В......500

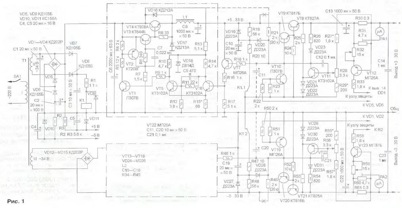
Схема источника питания показана на рис. 1. Штрихпунктирной линией выделены одинаковые узлы в обоих плечах. Рассмотрим работу устройства на примере источника плюсового напряжения.

Лабораторный импульсный блок питания
(нажмите для увеличения)

Переменное напряжение вторичной обмотки сетевого трансформатора Т выпрямляет диодный мост VD1-VD4 и фильтрует конденсатор Сб. Затем постоянное напряжение поступает на коммутирующий транзистор VT4 импульсного стабилизатора и на триггер Шмитта, собранный на транзисторах VT5, VT6, напряжение питания которого стабилизировано параметрическим стабилизатором R13VD18.

В начальный момент после включения блока питания датчик напряжения - транзистор VT7 закрыт, транзистор VT5 триггера Шмитта открыт, а транзисторы VT1 и VT2 закрыты. Транзистор VT3 открыт током, протекающим через его эмиттерный переход и резисторы R6 R7. Следовательно, коммутирующий транзистор VT4 тоже открыт. Конденсатор С8 начинает заряжаться. Напряжение на нем возрастает до тех пор, пока не станет близким к установленному выходному. Дальнейшее увеличение напряжения на конденсаторе С8 приведет к открыванию датчика напряжения VT7 и срабатыванию триггера Шмитта. В результате транзисторы VT1 и VT2 откроются, а транзисторы VT3 и VT4 закроются.

Затем в работу включается дроссель L1 На ряжение самоиндукции открывает диод VD17, и энергия, накопленная в дросселе, передается в нагрузку.

После исчерпания запаса энергии в дросселе диод VD17 закрывается, а ток в нагрузку поступает из конденсатора С8 Напряжение на нем начинает уменьшаться, и в какой-то момент закроется датчик напряжения VT7. Триггер Шмитта переключится (транзистор VT6 будет закрыт, а транзистор VT5 открыт), транзисторы VT1 и VT2 закроются а транзисторы VT3 и VT4 откроются. Конденсатор С8 вновь начнет заряжаться.

Диод VD16 защищает коммутирующий транзистор VT4 в аварийных ситуациях, например, при выходе из строя диода VD17 или потере емкости конденсатором С6.

Компенсационный стабилизатор на транзисторах VT8, VT9, VT11 собран по простой схеме и особенностей не имеет.

Для плавного увеличения выходного напряжения после включения блока питания и предотвращения срабатывания защиты при значительной емкостной нагрузке применены элементы R19, VD20, С10. В момент включения конденсатор С10 заряжается по двум цепям: через резистор R19 и резистор R21, диод VD20. Напряжение на конденсаторе (и базе транзистора VT9) медленно в течение около 0,5 с возрастает. Соответственно также увеличивается и напряжение на выходе, пока стабилизатор не войдет в установившийся режим. Далее диод VD20 закрывается, а конденсатор С10 дозаряжается через резистор R19 и в дальнейшем на работу стабилизатора не влияет.

Диод VD19 нужен для быстрой разрядки конденсатора С10 после выключения блока питания и при уменьшении выходного напряжения. В этом случае напряжение на конденсаторе С8 уменьшается быстрее чем на С10 диод VD19 открывается и напряжение на обоих конденсаторах снижается одновременно.

Кроме того, для быстрого уменьшения выходного напряжения при выключении блока питания применено реле К1. После включения блока в сеть на реле К1 через резистор R1 подается напряжение с выпрямителя на диодах VD7 VD8 Выпрямленное напряжение фильтрует конденсатор C3 небольшой емкости. Реле срабатывает, его контакты К1.1 размыкаются и не влияют на работу стабилизатора.

При выключении блока напряжение на конденсаторе C3 исчезает быстрее, чем на С6, поэтому реле К1 практически сразу отпускает его контакты К1.1 замыкаются и конденсатор С10 быстро разряжается через резистор R20. В этот момент открывается диод VD20 и напряжение на базе транзистора VT9 уменьшается почти до нуля. Напряжение на выходе стабилизатора пропадает.

Цепь R26VD23 служит для ускоренной разрядки конденсатора С13 и конденсаторов в нагрузке при установлении меньших значений напряжения. В этом случае напряжение на коллекторе транзистора VT11 становится меньше, чем напряжение на выходе блока, диод VD23 открывается и конденсатор С13 разряжается по цепи: резистор R26, диод VD23, участок коллектор-эмиттер транзистора VT11 и диоды VD21, VD22. В установившемся режиме цепь R26VD23 на работу блока не влияет.

Конденсатор С12 предотвращает самовозбуждение стабилизатора. Конденсаторы С14 и С23 подключены непосредственно к выходным клеммам блока питания для уменьшения высокочастотных пульсаций.

Цепь R6C7 нужна для уменьшения времени закрывания транзисторов VT3, VT4. Если транзистор VT3 открыт, на резисторе R6 создается падение напряжения, плюсом приложенное к базе транзистора. В такой же полярности заряжается конденсатор С7. Когда транзистор VT2 откроется, через его участок коллектор-эмиттер нижняя по схеме обкладка конденсатора соединится с эмиттером транзистора VT3. Таким образом, к эмиттер-ному переходу транзистора VT3 будет приложено закрывающее напряжение, что способствует его форсированному закрыванию, а значит, и закрыванию коммутирующего транзистора VT4.

Когда срабатывает защита (при перегрузке или замыкании в нагрузке), на базу транзистора VT10 через делитель R22R23 поступает открывающее его напряжение. В результате база транзистора VT9 оказывается соединенной с общим проводом через участок коллектор-эмиттер открытого транзистора VT10. Напряжение на выходе блока пропадает.

Отметим особенности построения минусового канала блока питания. Импульсный стабилизатор и триггер Шмитта остались без изменений. Компенсационный стабилизатор выполнен на транзисторах другой проводимости, и регулирующий элемент VT21 включен в цепь минусовой линии питания. Это упростило связь компенсационного стабилизатора с узлом защиты. Триггер Шмитта (на транзисторах VT17, VT18) подключен непосредственно к транзистору VT20. Функцию датчика напряжения выполняет транзистор VT18 триггера Шмитта. Чтобы при выключении блока питания выходные напряжения пропадали синхронно в обоих плечах, использовано общее реле К1 (контакты К1.2).

Узел защиты питают от двуполярного источника напряжения. Это позволяет весьма просто управлять обоими плечами блока питания [3]. Минусовое напряжение формирует умножитель на диодах VD5, VD6 и конденсаторах С1, С2 и на уровне -5 В стабилизирует параметрический стабилизатор R2VD10.

Схема узла защиты показана на рис. 2.

Лабораторный импульсный блок питания
(нажмите для увеличения)

Когда ток нагрузки достигнет установленного значения, падение напряжения на резисторе R30 (см. рис. 1) станет достаточным для открывания транзистора VT12. На вход S (вывод 14) триггера DD1 поступает высокий уровень, и он переключится в единичное состояние. На выходе инвертора DD2.1 появится низкий уровень, который через диод VD1 и резистор R50 воздействует на транзистор VT19 (см. рис. 1), что приведет к открыванию последнего и закрыванию составного транзистора VT20VT21. Напряжение на выходе минусового источника пропадет.

На выходе же инвертора DD2.3 появится единичный сигнал, воздействующий через диод VD5 и резистор R22 (см. рис. 1) на транзистор VT10, что в целом приводит к закрыванию и плюсового плеча. Светодиод HL1 "+" сигнализирует о наличии перегрузки именно в плюсовом плече блока питания. Аналогично узел защиты работает и в случае перегрузки минусового источника.

Таким образом, где бы ни возникла перегрузка, отключаются оба плеча стабилизаторов, и такое состояние будет сохраняться сколь угодно долго, пока не будет нажата кнопка SB1 "Возврат". В этом случае высокий уровень воздействует на входы R (выводы 3 и 15) и переключит триггеры в нулевое состояние. Работоспособность стабилизаторов восстановится. Конденсатор C3, шунтирующий контакты кнопки SB1, нужен для установки триггеров в нулевое состояние в момент включения блока в сеть. Резисторы R1, R2 служат для установки уровня чувствительности защиты. Конденсаторы С1, С2, шунтирующие входы S триггеров, предотвращают ложные срабатывания узла защиты от импульсных помех, наведенных в соединительных проводниках. Диоды VD1-VD6 нужны для развязки выходов микросхем.

Сетевой трансформатор в блоке питания можно использовать любой, обеспечивающий необходимую мощность. В авторском варианте применен готовый трансформатор ТС-180-2. Первичная обмотка оставлена без изменений. Она содержит 680 витков провода ПЭВ-1 0,69 Все вторичные обмотки удалены, а на их место намотаны новые обмотки II и III, содержащие по 105 витков провода ПЭВ-1 1,25. Трансформатор можно изготовить самостоятельно на основе магнитопровода ПЛ21 х45.

Дроссели L1 и L2 намотаны на броневых магнитопроводах Б-30 из феррита М2000НМ. Обмотки содержат по 18 витков жгута, составленного из девяти проводов ПЭВ-2 0,4. Зазор между половинами магнито ровода - 0,2 ..0,5 мм.

Диоды КД202Р (VD1-VD4, VD12- VD15), которые размещены на небольших теплоотводах, можно заменить другими, рассчитанными на прямой ток не менее 3 А и необходимое обратное напряжение. Вместо диодов КД105Б (VD5-VD9) и Д223А (VD19-VD23, VD27-VD31) допустимо использовать любые из серий КД208, КД209. Диоды Д9Б (VD1-VD6, рис. 2) заменимы любыми из серий КД521, КД522.

Реле К1 - РЭС48А исполнения РС4 590 202 на рабочее напряжение 12 В. Лучше подобрать реле на большее напряжение, например, РЭС48А исполнения РС4.590.207 с напряжением 27 В. В этом случае следует использовать токоограничивающий резистор R1 меньшего сопротивления и мощности.

Транзисторы КТ644Б (VT3, VT15) заменимы на КТ644А, КТ626В, в крайнем случае на КТ816В, КТ816Г или КТ814В, КТ814Г. На месте транзисторов VT1, VT10, VT13 допустимо использовать любые кремниевые с допустимым напряжением коллектор-эмиттер не менее 60 В. Вместо транзисторов МП26A (VT7, VT12, VT19, VT22 и VT1, рис. 2) можно применить любые из серий МП25, МП26; вместо КТ3102А (VT5, VT6, VT11, VT17, VT18) - КТ315В-КТ315Е, КТ3102Б. Транзистор КТ827А (VT8) заменим любым из этой или из серии КТ829, а также КТ908А, КТ819Г, транзистор КТ825А (VT21) - любым из этой или из серии КТ853, а также КТ818Г Вместо транзисторов КТ908А (VT4, VT16) лучше применить КТ945А с большим максимальным током коллектора.

Транзистор МП37Б (VT23) следует подобрать по максимальному напряжению коллектор-эмиттер, поскольку он работает на границе допустимого значения.

Транзисторы VT4, VT8, VT16, VT21 и диоды VD17, VD25 установлены на небольшие теплоотводы размерами соответственно 50x50x5 и 40x30x3 мм.

Микросхемы серии 564 заменимы соответствующими аналогами серии К561.

Оксидные конденсаторы С6 и С15 составлены из двух К50-24 по 1000 мкФ и двух К52-1Б по 100 мкФ, все на напряжение 63 В, включенных параллельно. Конденсаторы С1, С2, С10, С11, С19, С20 - К50-6, C3, С4, С5, С13, С22 - К50-16, С12, С14, С21, С23 - К73-17.

Микроамперметры РА1, РА2 - М4205 на ток 100 мкА. Все детали устройства заранее проверяют. В авторском варианте источник питания собран на нескольких платах навесным монтажом.

При налаживании блока лучше всего воспользоваться осциллографом. Его подключают к эмиттеру транзистора VT4. Движок резистора R28 устанавливают в среднее положение, а резистор R22 временно выпаивают. Включают блок питания в сеть. На эмиттере транзистора VT4 должны появиться прямоугольные импульсы. Если напряжение отсутствует, в первую очередь следует убедиться, что реле К1 сработало. В противном случае подбором резистора R1 добиваются, чтобы реле срабатывало при минимальном напряжении сети (190 В). После этого измеряют напряжение коллектор-эмиттер транзистора VT8. Оно должно быть в пределах 1,5...2 В и сохраняться при изменении выходного напряжения.

Переключение импульсного стабилизатора происходит, когда напряжение коллектор-база транзистора VT9 примерно равно 0,9 В. Если его необходимо увеличить, в цепь эмиттера транзистора VT7 следует включить один или несколько диодов в прямом направлении. Частота переключения в небольшой степени зависит от сопротивления резисторов R17 (с его уменьшением частота уменьшается) и R15 (с его увеличением частота уменьшается).

Резисторами R27 и R29 подбирают минимальное и максимальное значения выходного напряжения (3 и 30 В).

Теперь к выходу стабилизатора подключают нагрузку (или ее эквивалент) сопротивлением около 3 Ом мощностью не менее 27 Вт, предварительно установив напряжение на выходе примерно 5 В. Плавно увеличивая выходное напряжение, следят, чтобы ток в нагрузке не превышал 3 А. Кроме того, следует контролировать форму импульсов. Если длительность пауз между импульсами станет меньше 1/5 периода, возможен срыв колебаний. В этом случае необходимо увеличить индуктивность дросселя, применив магнитопровод больших размеров или увеличив число витков.

Затем калибруют микроамперметр, измеряющий ток нагрузки. Для измерения напряжения на выходе блока питания можно включить микроамперметр с добавочным резистором сопротивлением около 300 кОм.

Далее впаивают резистор R22. Движок резистора R32 устанавливают в верхнее (по схеме) положение, а резистором R28 - минимальное напряжение. К выходу стабилизатора подключают резистор сопротивлением 40 Ом. Включают блок питания в сеть и, увеличивая выходное напряжение, устанавливают ток нагрузки 250 мА. Затем с помощью резистора R1 (см. рис. 2) добиваются, чтобы сработала защита и включился светодиод HL1. Для источника отрицательного напряжения минимальный ток срабатывания защиты устанавливают резистором R2.

После этого движок резистора R32 передвигают в нижнее (по схеме) положение. Сопротивление нагрузки уменьшают и устанавливают ток 3 А. Перемещая движок резистора R32 вверх (по схеме), замечают момент срабатывания защиты. Теперь следует измерить сопротивление выведенной части резистора R32, поставить резистор близкого номинала и отградуировать его по току срабатывания защиты.

Аналогично налаживают плечо минусового напряжения.

В заключение измеряют осциллографом напряжение пульсаций при максимальном токе нагрузки. Если пульсации превышают 30 мВ, устанавливают дополнительные конденсаторы С11 и С20 (на схеме рис. 1 показаны штриховыми линиями). Может оказаться, что при быстром повороте движка резистора R28 (R56) выходное напряжение еще изменяется, хотя движок уже неподвижен В этом случае верхний вывод резистора R21 нужно выпаять и соединить с коллектором транзистора VT4 (показано штриховой линией). Нижний вывод резистора R49 также следует выпаять и подключить к точке соединения элементов R2, С2, VD6 (см. рис. 1). Сопротивление резисторов R21 и R49 при этом необходимо увеличить до 20 кОм.

КПД компенсационного стабилизатора можно повысить, если на месте VT8 и VT21 применить транзисторы с меньшим напряжением насыщения коллектор-эмиттер, учитывая рекомендации [4].

Вместо МП37Б (VT23) лучше использовать германиевый транзистор с большим допустимым напряжением коллектор-эмиттер, например, ГТ404В, ГТ404Г.

Литература

  1. Ануфриев А. Мощные лабораторные блоки питания.- Сб.: В помощь радиолюбителю, вып. 108, с. 54-70. - М.: Патриот, 1990.
  2. Муш В. Мощный высокостабильный блок питания. - Радоо, 1978 № 7, с 56-58
  3. Мансуров М. Лабораторный блок питания с триггерной защитой - Радио, 1990 № 4, с. 66-70.
  4. Машненков В., Миронов А. Повышение КПД стабилизаторов напряжения - Радио, 1986, № 2, с. 30-32.

Автор: Г.Балашов, г.Шадринск Курганской обл.

Смотрите другие статьи раздела Блоки питания.

Читайте и пишите полезные комментарии к этой статье.

<< Назад

Последние новости науки и техники, новинки электроники:

Власть является ключевым фактором счастья в отношениях 11.03.2026

Исследования семейных и романтических отношений показывают, что длительное счастье пары зависит не только от привычных факторов, таких как доверие, уважение и преданность, но и от более тонких психологических аспектов. Современные ученые ищут закономерности, которые отличают действительно счастливые пары от остальных, чтобы понять, какие механизмы поддерживают гармонию в отношениях. Группа исследователей из Университета Мартина Лютера в Галле-Виттенберге и Бамбергского университета провела опрос среди 181 пары, которые состояли в совместных отношениях более восьми лет и прожили вместе хотя бы месяц. Участники заполняли анкету, описывая различные аспекты своих отношений, включая распределение обязанностей, эмоциональную поддержку и степень вовлеченности в совместные решения. Анализ данных показал интересный паттерн: пары, где оба партнера ощущали высокий уровень личной власти, оказывались наиболее счастливыми и удовлетворенными. В данном контексте под властью понимается способност ...>>

Защищенная колонка-повербанк Anker Soundcore Boom Go 3i 11.03.2026

Компания Anker представила новую модель линейки Soundcore - колонку Soundcore Boom Go 3i, ориентированную на активное использование на улице. Новинка отличается высокой степенью защиты: корпус соответствует стандарту IP68, что обеспечивает водо- и пыленепроницаемость, а ударопрочный дизайн выдерживает падение с высоты до одного метра. За качество звука отвечает 15-ваттный драйвер, обеспечивающий пик громкости до 92 дБ, а технология BassUp 2.0 усиливает низкие частоты, делая звучание более насыщенным. Колонка обладает автономностью до 24 часов, а LED-индикатор позволяет контролировать уровень заряда батареи. Кроме того, Soundcore Boom Go 3i может выполнять функцию павербанка: согласно внутренним тестам, устройство способно зарядить iPhone 17 с нуля до 40% за один час, что делает его полезным аксессуаром в походах и поездках. Среди функциональных особенностей модели стоит выделить технологию Auracast, которая улучшает подключение и позволяет создавать стереопару из двух колонок ...>>

Раннее воздержание от алкоголя перестраивает мозг и иммунитет 10.03.2026

Алкогольная зависимость - хроническое расстройство с компульсивным употреблением спиртного, которое влияет не только на поведение, но и на функционирование мозга и иммунной системы. Недавние исследования показали, что даже на ранних этапах воздержания организм начинает перестраиваться, открывая новые возможности для терапии зависимости. Ученые сосредоточились на пациентах, находящихся в первые недели абстиненции, и зафиксировали значительные изменения в мозговой активности. С помощью функциональной магнитно-резонансной томографии они выявили перестройку сетей нейронных связей, отвечающих за контроль импульсов и принятие решений. Эти изменения могут быть ключевыми для восстановления самоконтроля и снижения риска рецидива. Одновременно с нейронной перестройкой исследователи наблюдали колебания иммунной системы. В крови повышался уровень цитокинов - сигнальных белков, регулирующих воспалительные процессы. Эти данные свидетельствуют о существовании нейроиммунного взаимодействия, при ...>>

Случайная новость из Архива

Управление молниями с помощью лазерного луча 23.01.2023

Молния является одним из самых энергичных природных явлений, в процессе которого за долю секунды высвобождаются миллионы вольт, что может быть разрушительным - отключение электричества, пожары, травмы и даже смерти.

Долгое время лучшим способом защититься от молнии считался громоотвод - огромная металлическая палка, прикрепленная к самому высокому зданию. Эта простая конструкция, по сути, притягивает электричество и безопасно направляет его в землю. Однако одной из проблем является то, что подобные громоотводы имеют ограниченный радиус действия - например, 10-метровый громоотвод способен защитить лишь территорию радиусом в 10 метров вокруг себя. То есть для защиты крупного здания или аэропорта фактически потребуется гигантский громоотвод. Но, похоже, ученые нашли выход.

Физик Орельен Хуар из лаборатории прикладной оптики Французского национального центра научных исследований в Париже и его коллеги выдерживали многочасовую грозовую активность, чтобы проверить, может ли лазер отводить удары молнии от критической инфраструктуры.

Исследователи продемонстрировали работу новой более эффективной системы - по сути, ученые научились отклонять разряды молнии с помощью мощного лазера, направленного в небо.

По словам автора исследования Жан-Пьера Вольфа, лазерный громоотвод представляет собой луч лазера, направленный в облака во время шторма - таким образом он прокладывает путь наименьшего сопротивления для прохождения электричества. Более того, лазерный луч может простираться намного дальше, чем громоотвод, а значит и защищать большую территорию.

Ученые объясняют, что когда в атмосферу излучаются лазерные импульсы высокой мощности, внутри луча образуются нити очень интенсивного света. Они пронизывают молекулы азота и кислорода, которые присутствуют в воздухе, которые, в свою очередь, высвобождают свободные электроны для движения. В итоге ионизированный воздух, который также называют "плазмой", становится электрическим проводником.

Для демонстрации своей концепции ученые разработали лазерную систему со средней мощностью 1 кВт и пульсирующую приблизительно тысячу раз в секунду, высвобождая 1 джоуль энергии за импульс.

Лазерную систему установили на вершине Зентиса, который является самой высокой горой в Швейцарских Альпах. Ученые отмечают, что лазер был установлен рядом с башней, которая ежегодно привлекает порядка сотни ударов молнии.

Исследователи отмечают, что лазер был направлен в небо рядом с вершиной башни - основной целью было попытаться привлечь молнию к лучу до того, как она достигнет обычного громоотвода башни. За период тестирования ученые зафиксировали четыре удара молнии.

Другие интересные новости:

▪ Удивительные свойства винограда в микроволновке

▪ Летучие мыши притворяются осами

▪ Винтовка с возможностью обновлений

▪ Самая редкая комбинацию цвета волос и глаз

▪ Заправь мобильник сиропом

Лента новостей науки и техники, новинок электроники

 

Интересные материалы Бесплатной технической библиотеки:

▪ раздел сайта Электродвигатели. Подборка статей

▪ статья Предел, его же не прейдеши. Крылатое выражение

▪ статья Почему могущественный мидийский царь Астиаг выдал любимую дочь за малозначительного персидского царька? Подробный ответ

▪ статья Выбленочный узел. Советы туристу

▪ статья Общие сведения о лаках и политуре. Простые рецепты и советы

▪ статья Релейная защита. Защита блоков генератор - трансформатор. Энциклопедия радиоэлектроники и электротехники

Оставьте свой комментарий к этой статье:

Имя:


E-mail (не обязательно):


Комментарий:





Главная страница | Библиотека | Статьи | Карта сайта | Отзывы о сайте

www.diagram.com.ua

www.diagram.com.ua
2000-2026