Menu Home

Бесплатная техническая библиотека для любителей и профессионалов Бесплатная техническая библиотека


ШИ-стабилизатор тока

Бесплатная техническая библиотека

Энциклопедия радиоэлектроники и электротехники / Радиолюбителю-конструктору

Комментарии к статье Комментарии к статье

Устройство, о котором идет речь в этой статье, обеспечивает стабильный ток в нагрузке (среднее значение). Его выходной ток - импульсы с постоянной амплитудой и переменной скважностью. Подобные устройства, по мнению авторов, можно использовать, например, для зарядки аккумуляторов и в электрохимии.

В настоящее время импульсные стабилизаторы благодаря своей высокой экономичности и оптимальным массогабаритным показателям вытесняют устройства линейного регулирования. Один из эффективных способов регулирования напряжения и мощности на нагрузке - широтно-импульсное (ШИ) управление, когда частота импульсов остается неизменной, а варьируется их скважность. Именно так регулируется выходное напряжение в большинстве импульсных источников питания, в том числе и самых современных телевизионных приемниках и другой аппаратуре. Тем не менее существуют устройства, где необходимо стабилизировать не напряжение, а ток в нагрузке - нити накаливания (подогревателя) в кинескопе и осветительных приборах, при управлении процессами гальванизации и электролиза и для зарядки автомобильных аккумуляторных батарей.

Описываемый ШИ-стабилизатор тока может быть использован при решении перечисленных задач.

ШИ-стабилизатор тока

Основные технические параметры

  • Входное напряжение, В......17...18
  • Среднее значение выходного тока, А......3
  • Частота коммутирующих импульсов, Гц......200
  • Ток срабатывания защиты от замыкания, А......20

Принцип действия такого стабилизатора, функциональная схема которого представлена на рис. 1, чрезвычайно прост.

Генератор постоянного тока G1 через измерительный элемент Е1 и коммутатор S1 подключен к нагрузке Rн. Коммутатор управляется формирователем длительности импульса E2. Сигнал включения формирователя (а следовательно, и коммутатора) вырабатывает генератор импульсов G2. При достижении требуемого значения выходного тока сигнал с измерительного элемента Е1 через усилитель A1 воздействует на формирователь E2, который отключает коммутатор. Генератор G2 управляет частотой импульсов, а формирователь E2 - их скважностью. Таким образом, изменяя скважность коммутирующих импульсов, можно регулировать среднее значение выходного тока в цепи нагрузки.

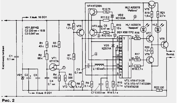
Как видно из рис. 1, ШИ-стабилизатор тока состоит всего из пяти элементов. Но необходимость в некоторых сервисных функциях (защита от замыканий в цепи нагрузки, индикация рабочего и аварийного режимов) несколько усложняет устройство (рис. 2).

ШИ-стабилизатор тока
(нажмите для увеличения)

Импульсные помехи входного напряжения сглаживает конденсатор фильтра С1. Поскольку входное напряжение превышает допустимое для питания микросхемы DD1, резистор R22 и стабилитрон VD1 формируют необходимое напряжение, которое дополнительно фильтруют конденсаторы С2 и C3. Генератор на однопереходном транзисторе VT1 вырабатывает импульсы экспоненциальной формы с частотой следования около 200 Гц (рис. 3, диаграмма 1). Частоту импульсов можно регулировать подборкой резистора R1, конденсатора C4, а также изменением сопротивления резистора R2. Транзисторы VT2, VT3 формируют более крутые фронты и спады этих импульсов и доводят их амплитуду до напряжения питания микросхемы (рис. 3, диаграмма 2) для управления триггером (входы S1 и R1 микросхемы DD1). Поскольку при включении напряжения питания задержанный на небольшое время цепью C5L1 импульс, подаваемый на входы S1, S3, S4 триггеров, устанавливает на их выходах 1, 3, 4 высокий уровень, транзистор VT7 закрыт, а открытый транзистор VT8 через резистор R20 подключает к минусу вторичного источника питания базу транзистора VT9. Ток от блока питания начинает проходить по цепи: измерительный резистор R11, транзистор VT9, нагрузка.

После зарядки конденсатора С4 первый импульс от генератора по входу S1 не изменит состояние триггера (S1-R1), на выходе 1 микросхемы остается высокий уровень. Ток нагрузки создает на измерительном резисторе R11 падение напряжения, которое через резисторы R12, R13 приложено к зашунтированному конденсатором С6 эмиттерному переходу транзистора VT5. Форма напряжения на его базе показана на рис. 3, диаграмма 3. В начальный момент конденсатор разряжен, а транзистор VT5 закрыт. Через некоторое время после начала зарядки напряжение на эмиттерном переходе транзистора VT5 достигает уровня его открывания. Конденсатор С6 разряжается. На резисторе R9, а следовательно, и на входе R1 микросхемы DD1 формируется импульс напряжения (рис. 3, диаграмма 4). На выходе 1 устанавливается низкий уровень, транзистор VT7 открывается и замыкает эмиттерный переход транзистора VT9. Ток через нагрузку прекращается. С приходом от генератора на транзисторе VT1 следующего импульса процесс повторяется. Подстроечным резистором R13 изменяют момент открывания транзистора VT5 и, следовательно, регулируют среднее значение тока нагрузки, форма импульсов которого показана на рис. 3, диаграмма 5. Так как выбранное амплитудное значение выходного тока составляет 6 А, для импульсного тока со скважностью, равной 2, следует отрегулировать его среднее значение 3 А.

Стабилизация тока осуществляется следующим образом. С уменьшением сопротивления нагрузки выходной ток увеличивается. Это вызовет увеличение падения напряжения на измерительном резисторе R11, что приведет к более раннему открыванию транзистора VT5 и уменьшению длительности импульсов выходного тока. В результате среднее значение тока нагрузки останется постоянным, равным 3 А. Аналогично происходит стабилизация при увеличении выходного тока, вызванном повышением питающего напряжения на входе устройства. С уменьшением амплитудного значения тока нагрузки, обусловленным либо уменьшением питающего напряжения, либо увеличением сопротивления нагрузки, скважность импульсов тока уменьшается, и его среднее значение остается прежним.

Функцию защиты стабилизатора от замыканий в нагрузке выполняет узел на транзисторе VT4. В случае увеличения выходного тока до 20 А падение напряжения на резисторе R11 становится достаточным для включения стабилитрона VD2. Открывшийся транзистор VT4 формирует на резисторе R14 импульс напряжения, подаваемый на входы R3, R4 микросхемы DD1. Конденсатор С7, шунтирующий резистор R14, ослабляет импульсные помехи в цепи защиты. На выходе 3 микросхемы появляется низкий уровень. Ранее открытый транзистор VT8 закрывается, исключая прохождение базового тока транзистора VT9. Последующие импульсы по входу S1 микросхемы фиксируют высокий уровень на ее выходе 1 и закрытое состояние транзистора VT7, поэтому транзистор VT9 остается закрытым. Ток в нагрузке прекращается и становится возможным только после выключения и повторного включения стабилизатора.

Поскольку входы микросхемы S3, S4 и R3, R4 объединены попарно, на ее выходах 3 и 4 единичный и нулевой сигналы появляются синхронно. Открытому состоянию транзистора VT8 соответствует высокий уровень на выходе 4; светодиод HL1 выключен. При срабатывании защиты по цепи HL1, R18 протекает ток и светодиод сигнализирует об аварийном режиме.

Для индикации рабочего режима использован транзистор VT6: ток проходит по его коллекторной цепи - последовательно соединенным токоограничительному резистору R21 и светодиоду HL2, свечение которого свидетельствует о протекании тока нагрузки.

В стабилизаторе тока применены постоянные резисторы МЛТ; подстроечные резисторы R2 и R13 - СП3-38б. Резистор R11 может быть либо самодельный проволочный, либо заводского изготовления мощностью не менее 4 Вт. Конденсатор С2 - К50-35, остальные - керамические К10-17-1б, возможна их замена на КМ, КЛС и др. Дроссель L1 - высокочастотный - ДМ-0,2 индуктивностью от 60 до 200 мкГн. Стабилитрон VD1 - любой с напряжением стабилизации 12...14 В. Светодиод HL1 желательно выбрать с красным цветом свечения: АЛ307А, АЛ307АМ, АЛ307Б, АЛ307БМ или серии АЛ102, а светодиод HL2 - зеленым или желтым: АЛ307В-АЛ307Е. Вместо микросхемы К561ТР2 можно установить К564ТР2, если с помощью пинцета предварительно отформовать ее выводы. Однопереходный транзистор - КТ117 с любым буквенным индексом; в крайнем случае его можно заменить на общеизвестный аналог из двух маломощных кремниевых транзисторов различной структуры. Транзисторы КТ208А и КТ312В заменимы на приборы серий КТ361, КТ3107 и КТ315, КТ3102 соответственно, с любым буквенным индексом. По коэффициенту усиления подборка транзисторов не требуется. Мощный составной транзистор КТ825 тоже может быть с любым индексом, но если их несколько, желательно после измерений выбрать с наименьшим напряжением насыщения коллектор-эмиттер при токе коллектора 3...6 А.

Все элементы, за исключением транзистора КТ825, смонтированы на печатной плате из одностороннего фольгированного стеклотекстолита толщиной 1...1,5 мм размерами 80x45 мм. Транзистор КТ825 устанавливают на теплоотвод с охлаждающей поверхностью около 200 см2.

Для налаживания устройства потребуется мощный лабораторный источник питания с допустимым током не менее 10 А, например Б5-21. Предположим, что при токе в нагрузке I = 6 А напряжение на ней достигает 15 В и более в зависимости от температуры окружающего воздуха (раствора) и концентрации раствора. Из закона Ома легко рассчитать сопротивление эквивалента нагрузки R = U/I = 2,5 Ом. Мощность резистора Р = I ( U = 90 Вт. Этому условию удовлетворяют четыре параллельно соединенных резистора ПЭВТ-25 сопротивлением 10 Ом. Для исключения повреждения элементов устройства большим током налаживание следует проводить в два этапа. На первом - подключают эквивалент нагрузки - резистор МЛТ-2 сопротивлением 100 Ом, ток нагрузки в этом случае составит около 150 мА. Чтобы создать на измерительном резисторе R11 падение напряжения около 1 В, его сопротивление следует выбрать равным 6,8 Ом, мощность - 0,25 Вт.

После подсоединения рассчитанных элементов (R11=6,8 Ом, Rн=100 Ом) начинается первый этап налаживания. Включают питание и измеряют напряжение на стабилитроне VD1, которое должно составлять 12...14 В. С помощью осциллографа контролируют импульсы на базе транзистора VT2, при необходимости резистором R2 регулируют период их следования Т=5 мс. При отсутствии усиленных импульсов на коллекторах транзисторов VT2 и VT3 придется подобрать резистор R5. Затем контролируют импульсы на коллекторе транзистора VT5 и определяют интервал регулирования резистором R13. Осциллографом проверяют наличие и форму импульсов тока на эквиваленте нагрузки: резистором R13 устанавливают форму импульсов "меандр", при этом должен светиться светодиод HL2 "Работа". Изменение напряжения от блока питания должно приводить к изменению скважности импульсов соответствующим образом. Кратковременно резистором сопротивлением 18 Ом шунтируют эквивалент нагрузки (такая нагрузка создает ток в выходной цепи 0,6 А и соответствующее ему падение напряжения на измерительном резисторе 4 В, которое равно падению напряжения на резисторе R11 сопротивлением 0,2 Ом при токе 20 А). Импульсы на нагрузке должны исчезнуть, и включится светодиод HL1 "Авария". После отключения блока питания и повторного включения нормальная работа устройства должна восстановиться. Если защита от замыканий не срабатывает, необходимо подобрать стабилитрон VD2 и резистор R10. На этом первый этап налаживания завершается.

На втором этапе устанавливают резистор R11 с указанным на рис. 2 сопротивлением и подключают эквивалент нагрузки сопротивлением 2,5 Ом. Резистор R20 временно переключают от коллектора транзистора VT8 к его эмиттеру. После включения блока питания измеряют падение напряжения на резисторе R11, нагрузке, участке эмиттер-коллектор транзистора VT9. Оно должно составить 1,2, 15 и 1,5...2,5 В соответственно. Изменяя напряжение на выходе блока питания по моменту вхождения транзистора VT9 в режим насыщения, определяют минимально необходимое напряжение питания устройства. Блок питания (для повышения КПД желательно применить импульсный), с которым предполагают эксплуатировать ШИ-стабилизатор, следует отрегулировать на это напряжение, а затем подключить его вместо лабораторного: падение напряжения на перечисленных элементах должно остаться прежним. Его несоответствие указывает на недостаточную мощность импульсного блока питания. Если мощность блока достаточна, восстанавливают подключение резистора R20, вместо эквивалента нагрузки подсоединяют реальную нагрузку и амперметр на 5 А. Резистором R13 ток нагрузки устанавливают равным 3 А, после чего амперметр можно отключить. Устройство готово к эксплуатации.

Авторы: В.Жуков, В.Косенко, С.Косенко, г.Воронеж

Смотрите другие статьи раздела Радиолюбителю-конструктору.

Читайте и пишите полезные комментарии к этой статье.

<< Назад

Последние новости науки и техники, новинки электроники:

Открыт обращаемый драйвер старения 04.10.2025

Недавняя работа ученых из Сямэньского университета в Китае показала, что в гипоталамусе, главном регуляторе внутренних функций организма, кроется один из ключей к продлению молодости. Команда под руководством Лиге Ленга обнаружила, что снижение уровня белка менина в гипоталамусе связано с ускорением процессов старения. Менин, как выяснилось, играет важную роль в предотвращении воспаления и поддержании нормальной работы нейронов. Когда его уровень снижается, в мозге возрастает активность воспалительных сигналов, что запускает цепную реакцию возрастных изменений во всем организме - от ослабления когнитивных функций до потери плотности костей и истончения кожи. Чтобы понять, как именно менин влияет на старение, ученые вывели генномодифицированных мышей, у которых этот белок можно было выборочно отключить. Даже у молодых животных такое вмешательство быстро привело к ухудшению памяти, снижению прочности костей и эластичности кожи, а также к укорочению жизни. Эти результаты убедительно ...>>

Твердотельные батареи Panasonic 04.10.2025

Твердотельные аккумуляторы считаются следующим шагом в эволюции энергосистем: в отличие от традиционных литиево-ионных, они не содержат жидкого электролита, что существенно снижает риск возгорания и утечки. Именно на это делает ставку Panasonic, намереваясь завершить подготовку первых образцов к марту 2027 года, то есть к концу 2027 финансового года. Как сообщил технический директор подразделения Panasonic Energy Сеичиро Ватанабе, после выпуска опытных моделей клиенты проведут тесты, которые могут занять около двух лет, прежде чем начнется полноценное серийное производство. Хотя основным направлением для компании по-прежнему остаются литиево-ионные аккумуляторы, Panasonic стремится использовать свой опыт в сфере электромобильных технологий, чтобы выйти на новые рынки - прежде всего в области роботов и промышленных систем. На этом направлении японская корпорация намерена соперничать с такими компаниями, как TDK, уже закрепившимися в сегменте твердотельных решений. Интерес к новой ...>>

Кислотность океана разрушает зубы акул 03.10.2025

Мировые океаны выполняют важнейшую функцию - они поглощают около трети углекислого газа, выбрасываемого в атмосферу. Это помогает замедлять темпы глобального потепления, но имеет и обратную сторону. Растворяясь в воде, CO2 образует угольную кислоту, которая повышает концентрацию водородных ионов и приводит к снижению pH. Вода становится более кислой, а последствия этого процесса уже заметны для морских экосистем. Средний показатель кислотности океана сейчас равен примерно 8,1, тогда как еще недавно за условную норму брали значение 8,2. По прогнозам, к 2300 году уровень может упасть до 7,3 - это сделает океан почти в десять раз кислее нынешнего состояния. Для обитателей морей подобные изменения означают не просто сдвиг химического равновесия, а реальную угрозу физиологическим процессам, начиная от формирования раковин у моллюсков и заканчивая охотничьим поведением акул. Чтобы выяснить, как именно кислотная среда отражается на зубах акул, группа немецких исследователей провела эксп ...>>

Случайная новость из Архива

Винчестеры My Passport Ultra от WD 20.05.2013

Компания Western Digital сообщила о выпуске новой серии внешних жестких дисков - My Passport Ultra. В состав линейки вошли модели объемом 500 ГБ, 1 и 2 ТБ, причем две первые доступны для заказа уже прямо сейчас, а версия с наибольшим объемом памяти поступит в продажу заметно позже - в третьем квартале.

Среди особенностей My Passport Ultra в WD называют высокую скорость передачи данных (за счет использования интерфейса USB 3.0), поддержку аппаратного шифрования данных, и прочный корпус (на все HDD новой серии распространяется трехлетняя гарантия, действующая во всех странах мира). Все накопители линейки поставляются с фирменным ПО WD SmartWare Pro, которое позволяет производить резервное копирование данных не только на сам HDD, но и в облачное хранилище Dropbox.

Длина и ширина всех представителей серии одинаковы - 110 х 82 мм соответственно, а вот толщина разнится: у модели объемом 500 ГБ она составляет 12,8 мм, у модели объемом 1 ТБ - 15,4 мм, у модели объемом 2 ТБ - 20,9 мм. В комплект поставки каждого HDD входит матерчатый чехол, призванный предохранить накопитель от царапин во время транспортировки.

WD уже объявила стоимость My Passport Ultra объемом 500 ГБ и 1 ТБ - $100 и $130 соответственно. Цена накопителей объемом 2 ТБ будет объявлена позднее.

Другие интересные новости:

▪ Использование памяти 3D V-NAND позволит создать SSD 10 Тбайт

▪ Мосты и тоннели Нью-Йорка оборудуют системами распознавания лиц

▪ Вред от электронных сигарет перевешивает пользу

▪ Влагостойкий и пылезащищенный ридер PocketBook 640

▪ Компактный переносной холодильник на солнечных батареях

Лента новостей науки и техники, новинок электроники

 

Интересные материалы Бесплатной технической библиотеки:

▪ раздел сайта Микрофоны, радиомикрофоны. Подборка статей

▪ статья Ручная и автоматическая установка баланса белого. Искусство видео

▪ статья Способны ли люди ощущать направленный на них взгляд? Подробный ответ

▪ статья Микроскопы Левенгука. Детская научная лаборатория

▪ статья Трехэлементная направленная антенна с вертикальной поляризацией (HB9RU). Энциклопедия радиоэлектроники и электротехники

▪ статья Обзор по антеннам Дельта-2. Энциклопедия радиоэлектроники и электротехники

Оставьте свой комментарий к этой статье:

Имя:


E-mail (не обязательно):


Комментарий:





Главная страница | Библиотека | Статьи | Карта сайта | Отзывы о сайте

www.diagram.com.ua

www.diagram.com.ua
2000-2025