Menu Home

Бесплатная техническая библиотека для любителей и профессионалов Бесплатная техническая библиотека


Расчет сетевого трансформатора источника питания. Энциклопедия радиоэлектроники и электротехники

Бесплатная техническая библиотека

Энциклопедия радиоэлектроники и электротехники / Блоки питания

Комментарии к статье Комментарии к статье

В линейных источниках питания, ставших уже "классическими", основной элемент - сетевой трансформатор, обычно понижающий, который уменьшает сетевое напряжение до требуемого уровня. О том, как правильно его рассчитать (выбрать магнитопровод, рассчитать диаметр обмоточного провода, число витков в обмотках и т. д.), пойдет речь в предлагаемой статье.

Как выбрать магнитопровод

По конструктивному исполнению магнитопроводы для сетевых трансформаторов подразделяют на броневые, стержневые и тороидальные, а по технологии изготовления - на пластинчатые (рис. 1) и ленточные (рис. 2). На рис. 1 и 2 обозначены магнитопроводы: а) - броневые, б) - стержневые, в) - тороидальные.

Расчет сетевого трансформатора источника питания

В трансформаторах малой (до З00 Вт) и средней мощности (до 1000 Вт) чаще используют ленточные магнитопроводы [1 ]. А среди ленточных наиболее применимы стержневые магнитопроводы. Они имеют ряд преимуществ по сравнению, например, с броневыми [2]:

  1. Меньшая приблизительно на 25 % масса при одинаковой мощности трансформатора.
  2. Меньшая примерно на 30 % индуктивность рассеяния.
  3. Выше КПД.
  4. Меньшая чувствительность к внешним электромагнитным полям, поскольку ЭДС помех, наведенные в обмотках, которые расположены на разных стержнях, имеют противоположные знаки и взаимно компенсируются.
  5. Большая поверхность охлаждения обмоток.

Однако стержневым магнитопроводам присущи и недостатки:

  1. Все еще значительная индуктивность рассеяния.
  2. Необходимость изготовления двух катушек.
  3. Меньшая защищенность катушек от механического воздействия.

В тороидальных трансформаторах практически весь магнитный поток проходит по магнитопроводу, поэтому индуктивность рассеяния у них минимальная, однако сложность изготовления обмоток весьма высока.

На основании вышесказанного выбираем стержневой ленточный магнитопровод [3]. Подобные магнитопроводы изготавливают следующих типов: ПЛ-стержневой ленточный; ПЛВ - стержневой ленточный наименьшей массы; ПЛМ - стержневой ленточный с уменьшенным расходом меди; ПЛР - стержневой ленточный наименьшей стоимости.

На рис. 3 показаны обозначения габаритных размеров магнитопровода: А - ширина; Н - высота; а - толщина стержня; b - ширина ленты; с - ширина окна; h - высота окна; h1 - высота ярма.

Расчет сетевого трансформатора источника питания

Стержневым магнитопроводам присвоено сокращенное обозначение, например, ПЛ8х 12,5x16, где ПЛ - П-образный ленточный, 8 - толщина стержня, 12,5 - ширина ленты, 16 - высота окна. Размеры магнитопроводов ПЛ и ПЛР приведены в табл. 1 и 2.

Расчет сетевого трансформатора источника питания

Расчет сетевого трансформатора источника питания

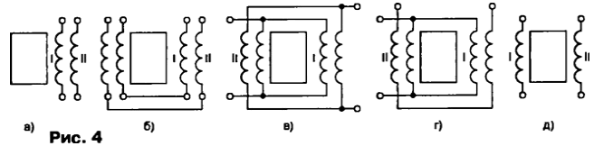
Варианты размещения катушек на магнитопроводе

Различные варианты расположения катушек на стержнях магнитопровода сравним по одному из основных параметров трансформаторов - индуктивности рассеяния, которую рассчитаем по формуле из [2]

где μ0 = 4π·10-7 Гн/м - магнитная постоянная; w, - число витков первичной обмотки; вср.об - средняя длина витка обмоток, см; b - толщина обмоток, см; h - высота обмотки, см. Эта формула получена при условии, что обмотки - цилиндрические, не секционированы и расположены концентрически. Схемы соединения обмоток для всех вариантов показаны на рис. 4.

Расчет сетевого трансформатора источника питания

Сравнительные расчеты проведем для трансформатора на магнитопроводе ПЛx10x12,5x40, имеющего одну первичную и одну вторичную обмотки. Чтобы все расчетные варианты находились в одинаковых условиях, примем толщину обмоток b = с/4 и число витков первичной обмотки w1 = 1000.

Расчет сетевого трансформатора источника питания

Рассмотрим первый вариант, когда первичная и вторичная обмотки расположены на одном стержне (рис. 4, а). Чертеж катушки показан на рис. 5. Сначала рассчитаем среднюю длину витка обмоток

а затем индуктивность рассеяния катушки первого варианта

Во втором варианте первичная и вторичная обмотки разделены на две равные части, которые размещены на двух стержнях (рис. 4, б). Каждая катушка состоит из половины обмотки W1 и половины w2. Чертеж катушек показан на рис. 6. Вычислим индуктивность рассеяния одной катушки (W1 = 500), а затем результат удвоим, поскольку катушки одинаковы:

Две первичные обмотки в третьем варианте расположены в двух катушках на разных стержнях, каждая из которых содержит по 1000 витков. Обе первичные обмотки соединены параллельно. Вторичная обмотка также размещена в двух катушках на разных стержнях, причем возможны два случая: две полуобмотки с полным числом витков, соединенные параллельно (рис. 4, в), или вторичная обмотка разделена на две полуобмотки с вдвое меньшим числом витков, соединенные последовательно (рис. 4, г). Чертеж катушек показан на рис. 6. В этом варианте индуктивность рассеяния такая же, как и во втором варианте: LS3 = LS2 = 2,13 мГн.

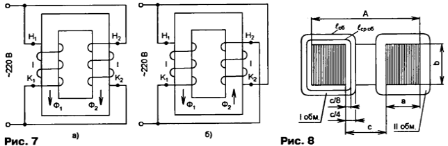
Следует помнить, что во втором и третьем вариантах первичные и вторичные обмотки и полуобмотки должны быть включены согласно, чтобы создаваемые ими магнитные потоки в магнитопроводе имели одинаковое направление. Другими словами, магнитные потоки должны суммироваться, а не вычитаться. На рис. 7, а показано неправильное подключение, а на рис. 7, б - правильное.

Расчет сетевого трансформатора источника питания

Необходимость соблюдения правил соединения обмоток и полуобмоток - недостаток второго и третьего вариантов. Кроме того, в третьем варианте суммарный магнитный поток от первичной обмотки вдвое больше по сравнению с другими, что может привести к насыщению магнитопровода и, как следствие, к искажению синусоидальной формы напряжения. Поэтому применять третий вариант включения обмоток на практике следует осторожно.

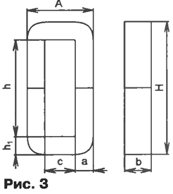
В четвертом варианте первичная обмотка полностью расположена на одном стержне магнитопровода, а вторичная - на другом (рис. 4, д). Чертеж катушек показан на рис. 8. Поскольку обмотки расположены не концентрически, для расчета индуктивности рассеяния воспользуемся формулой из [2]:

где b = с/4 - толщина обмоток, см; Rвн = воб/(2π) - внешний радиус обмотки, см; воб = 2а+2b+2πb - наружная длина витка обмотки, см. Вычислим наружную длину витка и внешний радиус обмотки: = 6,5 см; Rвн = 1,04 см. Подставляя рассчитанные значения в формулу для вычисления индуктивности рассеяния, получим LS4 = 88,2 мГн.

Кроме рассмотренных четырех существует еще много других вариантов расположения обмоток на стержнях магнитопровода, однако во всех остальных случаях индуктивность рассеяния больше, чем во втором и третьем вариантах.

Анализируя полученные результаты, можно сделать следующие выводы:

  1. Индуктивность рассеяния минимальна во втором и третьем вариантах расположения обмоток и находится в таком соотношении: LS4>>LS1>>LS2 = LS3.
  2. У трансформаторов третьего варианта две одинаковые первичные обмотки, поэтому они более тяжелые, трудоемкие и дорогие, чем во втором варианте.

Следовательно, при изготовлении трансформаторов малой мощности следует выбирать схему соединения и расположение обмоток, рассмотренные во втором варианте. Вторичные полуобмотки можно соединять и последовательно, если необходимо получить более высокое напряжение на выходе, и параллельно, если требуется больший выходной ток.

Краткие сведения о материалах магнитопроводов

До сих пор мы не учитывали потери в реальном трансформаторе, которые складываются из потерь в магнитопроводе - на вихревой ток и перемагничивание (гистерезис): в расчетах их учитывают как мощность потерь в стали Рст, и потери в обмотках - как мощность потерь в меди Рм. Итак, суммарная мощность потерь в трансформаторе равна:

P∑ = Рст + Рм = Рв.т + Рг + Рм,

где Рв.т - мощность потерь на вихревой ток; Рг - мощность потерь на гистерезис.

Для их уменьшения сталь подвергают термообработке - удаляют углерод, а также легируют - добавляют кремний, алюминий, медь и другие элементы. Все это повышает магнитную проницаемость, уменьшает коэрцитивную силу и, соответственно, потери на гистерезис. Кроме того, сталь подвергают холодной или горячей прокатке для получения необходимой структуры (текстуры проката).

В зависимости от содержания легирующих элементов, структурного состояния, магнитных свойств стали маркируют четырехзначными числами, например, 3412.

Первая цифра означает класс электротехнической стали по структурному состоянию и классу прокатки: 1 - горячекатаная изотропная; 2 - холоднокатаная изотропная; 3 - холоднокатаная анизотропная с ребровой текстурой.

Вторая цифра - процент содержания кремния: 0 - нелегированная сталь с суммарной массой легирующих элементов не более 0,5 %; 1 - легированная с суммарной массой свыше 0,5, но не более 0,8 %; 2 - 0,8...1,8 %; 3 - 1,8...2,8 %; 4 - 2,8...3,8 %; 5 - 3,8...4,8 %.

Третья цифра - группа по основной нормируемой характеристике (удельные потери и магнитная индукция): 0 - удельные потери при магнитной индукции 1,7 Тл на частоте 50 Гц (Pij/so); 1 - потери при магнитной индукции 1,5 Тл на частоте 50 Гц (P1,5/50); 2 - при индукции 1 Тл на частоте 400 Гц (Р1/400); 6 - индукция в слабых магнитных полях при напряженности 0,4 А/м (В0,4); 7 - индукция в средних магнитных полях при напряженности 10 А/м (В10) или 5 А/м (В5).

Первые три цифры обозначают тип электротехнической стали.

Четвертая цифра - порядковый номер типа стали.

Магнитопроводы трансформаторов для бытовой техники изготавливают из холоднокатаной текстурованной стали марок 3411-3415 [3] с нормированными удельными потерями при магнитной индукции 1,5 Тл на частоте 50 Гц и удельным сопротивлением 60·10-8 Ом·м. Параметры некоторых марок электротехнической стали приведены в табл. 3.

Расчет сетевого трансформатора источника питания

Холоднокатаная электротехническая сталь обладает более высокими магнитными характеристиками. Кроме того, более гладкая поверхность позволяет увеличить коэффициент заполнения объема магнитопровода (ксТ) до 98 % [4].

Исходные данные для расчета трансформатора

Рассчитаем трансформатор, имеющий первичную и две одинаковые вторичные обмотки, со следующими параметрами: эффективное (действующее) напряжение первичной обмотки U1 = 220 В; эффективное (действующее) напряжение вторичных обмоток U2 = U3 = 24 В;

эффективный (действующий) ток вторичных обмоток l2 = I3 = 2А. Частота сетевого напряжения f = 50 Гц.

Коэффициент трансформации равен отношению напряжения на первичной к напряжению на разомкнутой (ЭДС) вторичной обмотке. При этом пренебрегают погрешностью, возникающей из-за отличия ЭДС от напряжения на первичной обмотке:

где w1 и w2 - число витков, соответственно, первичной и вторичной обмоток; Е1 и Е2 - ЭДС первичной и вторичной обмоток.

Ток в первичной обмотке равен:

Габаритная мощность трансформатора равна:

В процессе расчета необходимо определить размеры магнитопровода, число витков всех обмоток, диаметр и примерную длину обмоточного провода, мощность потерь, полную мощность трансформатора, КПД, максимальные габариты и массу.

Расчет магнитопровода трансформатора

Методика расчета размеров и других параметров взята, в основном, из [1].

Сначала рассчитаем произведение площади поперечного сечения стержня на площадь окна магнитопровода. Стержнем называют участок магнитопровода (axbxh), на котором размещена катушка:

где В - магнитная индукция, Тл; j - плотность тока в обмотках, А/мм2; η - КПД трансформатора, n - число стержней магнитопровода; кс - коэффициент заполнения сечения магнитопровода сталью; км - коэффициент заполнения окна магнитопровода медью.

Рекомендуемые значения магнитной индукции и средние значения плотности тока, КПД и коэффициента заполнения окна для частоты f - 50 Гц приведены в табл. 4.

Расчет сетевого трансформатора источника питания

Коэффициент заполнения сечения магнитопровода для сталей 3411-3415 равен 0,95...0,97, а для сталей 1511-1514 - 0,89...0,93.

Для расчета принимаем В = 1,35 Тл; j = 2,5 А/мм2; η = 0,95; Кc = 0,96; км = 0,31; n = 2:

Толщину стержня магнитопровода вычисляют по формуле

Подходящий магнитопровод выбирают по табл. 1 и 2. При выборе следует стремиться к тому, чтобы сечение магнитопровода было близко к квадрату, поскольку в этом случае расход обмоточного провода минимален.

Ширину ленты магнитопровода рассчитывают по формуле

Выбираем магнитопровод ПЛР18х25, у которого а - 1,8 см; b = 2,5 см; h = 7,1см;

Расчет обмоток трансформатора

Вычислим ЭДС одного витка по формуле

Рассчитаем приблизительно падение напряжения на обмотках:

Затем вычислим число витков первичной обмотки:

вторичных обмоток:

Рассчитаем диаметр обмоточного провода без изоляции по формуле

Подставив числовые значения, получим диаметр провода первичной:

и вторичных обмоток:

По табл. 5 выбираем марку и диаметр обмоточного провода в изоляции [5]: для первичной обмотки - ПЭЛ или ПЭВ-1 di = 0,52 мм; для вторичных - ПЭЛ или ПЭВ-1 d2 = d3 = 1,07 мм.

Расчет сетевого трансформатора источника питания

Уточняем число витков обмоток. Для этого вначале уточним падение напряжения на обмотках:

Рассчитаем среднюю длину витка, используя рис. 5 или 6:

а затем и длину провода в обмотках:

Уточненные значения падения напряжения на обмотках равны:

С учетом полученных значений вычислим число витков первичной:

и вторичных обмоток:

Рассчитаем массу провода обмоток:

где m1 и m2 - погонная масса проводов, соответственно, первичной и вторичных обмоток из табл. 5.

Массу магнитопровода определяем по табл. 2: Мм = 713 г.

Масса трансформатора без учета массы деталей крепления равна М = = 288+2-165+713 = 1331 г. Максимальные размеры: (Ь+с)х(А+с)хН = 43x72x107 мм. Коэффициент трансформации k = W1/W2 = 1640/192 = 8,54.

Расчет мощности потерь

Потери в магнитопроводе равны:

где руд - удельные потери в магнитопроводе из табл. 3. Предположим, что магнитопровод изготовлен из стальной ленты 3413 толщиной 0,35 мм, тогда по табл. 3 находим, что удельные потери в таком магнитопроводе равны 1,3 Вт/кг. Соответственно, потери в магнитопроводе Рст = 0,713-1,3 = 0,93 Вт.

Потери в обмотке - на активном сопротивлении проводов - вычислим по формуле

где r1, r2 - активное сопротивление, соответственно, первичной и вторичных обмоток, I'1 - ток первичной обмотки с учетом потерь:

где r1м, r2м - погонное сопротивление проводов, соответственно, первичной и вторичных обмоток из табл. 5.

Пересчитаем ток вторичных обмоток в ток первичной обмотки:

Ток первичной обмотки с учетом потерь равен:

где η = 0,95 - КПД трансформатора из табл. 4 для мощности 100 Вт. Потери в обмотках равны:

Полная мощность трансформатора с учетом потерь равна:

КПД трансформатора рассчитаем по формуле

Изготовление трансформатора

Изготавливать трансформатор будем по второму варианту, рассмотренному выше. Расположение катушек показано на рис. 6. Для этого необходимо изготовить две катушки, каждая из которых содержит половину витков первинной и каждой из вторичных обмоток: w'1 = 820 витков провода ПЭЛ (или ПЭВ-1) диаметром 0,52 мм; w'2=w'3= 96 витков провода ПЭЛ (или ПЭВ-1) диаметром 1,07 мм.

Поскольку трансформатор имеет малые мощность и габариты, катушки можно изготовить бескаркасными. Толщина катушки b ≤ с/2 = 9 мм, ее высота hK ≤ 71 мм.

Число витков в слое первичной обмотки

число слоев

Число витков в слое вторичной обмотки

число слоев

Обмотки наматывают на деревянной оправке, изготовленной в точном соответствии с размерами участка магнитопровода, на котором будут расположены катушки (18x25x71 мм). К торцам оправки прикрепляют щечки.

Несмотря на то, что обмоточные провода покрыты эмалевой изоляцией и потому обладают высокой электрической прочностью, обычно между слоями обмотки прокладывают дополнительную, например, бумажную изоляцию. Чаще всего для изолирования обмоток от магнитопровода и между собой применяют трансформаторную бумагу толщиной 0,1 мм. Рассчитаем максимальное напряжение между двумя соседними слоями первичной обмотки

Поскольку напряжение между слоями небольшое, дополнительную изоляцию можно укладывать через слой или сделать ее более тонкой, например, использовать конденсаторную бумагу. Между первичной и вторичными следует поместить экранирующую обмотку - один незамкнутый виток тонкой медной фольги или один слой обмоточного провода, которая препятствует проникновению помех из сети во вторичные обмотки и наоборот.

Расчет сетевого трансформатора источника питания

Сначала оправку обматывают тремя слоями бумажной ленты (рис. 9), лепестки ленты приклеивают к щечкам. Затем наматывают первичную обмотку, прокладывая каждый слой изоляцией. Между первичной, экранирующей и вторичными обмотками прокладывают два слоя изоляции. Общая толщина изготовленных катушек не превышает 8 мм.

Проверка трансформатора

Собранный трансформатор сначала проверяют в режиме холостого хода - без нагрузки. При сетевом напряжении 220 В ток в первичной обмотке

напряжение на вторичных обмотках

Напряжение на вторичных обмотках можно точно измерить только вольтметром с высоким входным сопротивлением. Окончательно напряжение на вторичных обмотках трансформатора измеряют при номинальной нагрузке.

Литература

  1. Линде Д. П. и др. Справочник по радиоэлектронным устройствам. Под ред. А. А. Куликовского. Т. 2. - М.: Энергия, 1978.
  2. Горский А. Н. и др. Расчет электромагнитных элементов источников вторичного электропитания. - М.: Радио и связь, 1988.
  3. Сидоров И. Н. и др. Малогабаритные магнитопроводы и сердечники. Справочник. - М.: Радио и связь. 1989.
  4. Герасимов В. Г. и др. Электротехнический справочник. Т. 1. - М.: Энергия, 1980.
  5. Малинин Р. М. Справочник радиолюбителя-конструктора. - М.: Энергия, 1978

Автор: В.Першин, г.Ильичевcк Одесской обл., Украина

Смотрите другие статьи раздела Блоки питания.

Читайте и пишите полезные комментарии к этой статье.

<< Назад

Последние новости науки и техники, новинки электроники:

Власть является ключевым фактором счастья в отношениях 11.03.2026

Исследования семейных и романтических отношений показывают, что длительное счастье пары зависит не только от привычных факторов, таких как доверие, уважение и преданность, но и от более тонких психологических аспектов. Современные ученые ищут закономерности, которые отличают действительно счастливые пары от остальных, чтобы понять, какие механизмы поддерживают гармонию в отношениях. Группа исследователей из Университета Мартина Лютера в Галле-Виттенберге и Бамбергского университета провела опрос среди 181 пары, которые состояли в совместных отношениях более восьми лет и прожили вместе хотя бы месяц. Участники заполняли анкету, описывая различные аспекты своих отношений, включая распределение обязанностей, эмоциональную поддержку и степень вовлеченности в совместные решения. Анализ данных показал интересный паттерн: пары, где оба партнера ощущали высокий уровень личной власти, оказывались наиболее счастливыми и удовлетворенными. В данном контексте под властью понимается способност ...>>

Защищенная колонка-повербанк Anker Soundcore Boom Go 3i 11.03.2026

Компания Anker представила новую модель линейки Soundcore - колонку Soundcore Boom Go 3i, ориентированную на активное использование на улице. Новинка отличается высокой степенью защиты: корпус соответствует стандарту IP68, что обеспечивает водо- и пыленепроницаемость, а ударопрочный дизайн выдерживает падение с высоты до одного метра. За качество звука отвечает 15-ваттный драйвер, обеспечивающий пик громкости до 92 дБ, а технология BassUp 2.0 усиливает низкие частоты, делая звучание более насыщенным. Колонка обладает автономностью до 24 часов, а LED-индикатор позволяет контролировать уровень заряда батареи. Кроме того, Soundcore Boom Go 3i может выполнять функцию павербанка: согласно внутренним тестам, устройство способно зарядить iPhone 17 с нуля до 40% за один час, что делает его полезным аксессуаром в походах и поездках. Среди функциональных особенностей модели стоит выделить технологию Auracast, которая улучшает подключение и позволяет создавать стереопару из двух колонок ...>>

Раннее воздержание от алкоголя перестраивает мозг и иммунитет 10.03.2026

Алкогольная зависимость - хроническое расстройство с компульсивным употреблением спиртного, которое влияет не только на поведение, но и на функционирование мозга и иммунной системы. Недавние исследования показали, что даже на ранних этапах воздержания организм начинает перестраиваться, открывая новые возможности для терапии зависимости. Ученые сосредоточились на пациентах, находящихся в первые недели абстиненции, и зафиксировали значительные изменения в мозговой активности. С помощью функциональной магнитно-резонансной томографии они выявили перестройку сетей нейронных связей, отвечающих за контроль импульсов и принятие решений. Эти изменения могут быть ключевыми для восстановления самоконтроля и снижения риска рецидива. Одновременно с нейронной перестройкой исследователи наблюдали колебания иммунной системы. В крови повышался уровень цитокинов - сигнальных белков, регулирующих воспалительные процессы. Эти данные свидетельствуют о существовании нейроиммунного взаимодействия, при ...>>

Случайная новость из Архива

Электровелосипед Miloo Adventure Beast 14.10.2024

Швейцарская компания Miloo представила свою новейшую модель электровелосипеда Adventure Beast, которая уже успела привлечь внимание благодаря своим рекордным характеристикам. Этот электробайк не только сочетает в себе высокие технические параметры и легкость, но и предлагает пользователям исключительные возможности для езды как по городу, так и по бездорожью.

Adventure Beast представляет собой модель класса S-Pedelec, что означает поддержку скорости до 45 км/ч, и при этом это самый легкий велосипед в своем классе. В самой легкой комплектации электровелосипед весит всего 17 кг, что является рекордом для гравийных велосипедов с такой мощностью и скоростью. Это делает его удобным как для городских поездок, так и для путешествий по пересеченной местности.

Одной из ключевых особенностей Adventure Beast является мощный электродвигатель, доступный в двух вариантах. Самая мощная версия обеспечивает до 1000 Вт мощности и крутящий момент в 100 Нм, что является самыми высокими показателями в данном сегменте. Благодаря этому велосипед способен справляться с любыми подъемами и сложными участками дороги, обеспечивая комфортную и быструю поездку.

Adventure Beast также предлагает множество инновационных и удобных функций, которые делают его идеальным как для повседневных поездок, так и для более долгих путешествий. Например, модель оснащена карбоновыми багажными стойками с LED-подсветкой и встроенными указателями поворота, что повышает безопасность в темное время суток. Дополнительные крепления для вещей и бутылок делают велосипед еще более практичным для длительных поездок.

Скорость велосипеда можно регулировать в зависимости от потребностей: базовая версия поддерживает скорость до 25 км/ч, а версия с максимальной скоростью в 45 км/ч обеспечивает еще более динамичную и быструю езду. Надежность и безопасность езды гарантируются 4-поршневой тормозной системой SRAM G2 с дисками диаметром 180 мм.

Одним из важных показателей электровелосипедов является запас хода на одном заряде, и в этом плане Miloo Adventure Beast демонстрирует выдающиеся результаты. Со стандартной батареей емкостью 708 Втч велосипед может проехать до 80 км. Для тех, кто планирует более продолжительные поездки, доступны опциональные батареи емкостью до 812 Втч, что увеличивает дальность до 100 км. Если же установить дополнительную батарею на 678 Втч, запас хода увеличится до впечатляющих 160 км.

Помимо этого, велосипед оснащен передовыми компонентами, такими как трансмиссия SRAM NX Eagle с 12 передачами и высококачественными покрышками Schwalbe G-Overland 28x2.0, которые обеспечивают отличное сцепление с дорогой и комфортную езду по различным покрытиям. Встроенная компактная фара E-MARK с двумя режимами освещения гарантирует хорошую видимость и безопасность при езде в ночное время.

Цена на базовую версию Miloo Adventure Beast с поддержкой скорости до 25 км/ч начинается от 7499 швейцарских франков, а версия, позволяющая развивать скорость до 45 км/ч, стоит на 500 франков дороже. При этом производитель предлагает широкий спектр опций для модернизации велосипеда, что позволяет адаптировать его под индивидуальные нужды, хотя это может заметно увеличить итоговую стоимость.

Miloo Adventure Beast - это пример того, как современные технологии могут сочетаться с легкостью и удобством, предлагая пользователям универсальный и высокопроизводительный электровелосипед.

Другие интересные новости:

▪ Ионный мини-двигатель протестирован на орбите

▪ Учебники из космоса

▪ Прозрачный чип памяти

▪ Умные очки Sharp с камерой Spectacles

▪ Материнская плата MSI Z87 MPOWER MAX AC

Лента новостей науки и техники, новинок электроники

 

Интересные материалы Бесплатной технической библиотеки:

▪ раздел сайта Светодиоды. Подборка статей

▪ статья В своем репертуаре. Крылатое выражение

▪ статья Как возникли основные религии? Подробный ответ

▪ статья Бутень клубненосный. Легенды, выращивание, способы применения

▪ статья Усилитель на микросхеме TDA2611, 4,5 ватта. Энциклопедия радиоэлектроники и электротехники

▪ статья Цветные огни. Химический опыт

Оставьте свой комментарий к этой статье:

Имя:


E-mail (не обязательно):


Комментарий:




Комментарии к статье:

Гость
В принципе помогло формулы тока пирипешу и сайту [up] [up]

Валерий
Отличная таблица [up]

Николай
Хороший материал [up]

Анатолий
Номально-полезная статья, кратко и доходчиво про стержневые трансформаторы. [up]

Гость
Отлично, что есть таблицы по типоразмерам железа.


Главная страница | Библиотека | Статьи | Карта сайта | Отзывы о сайте

www.diagram.com.ua

www.diagram.com.ua
2000-2026