Menu Home

Бесплатная техническая библиотека для любителей и профессионалов Бесплатная техническая библиотека


О простых и мощных стабилизаторах напряжения. Энциклопедия радиоэлектроники и электротехники

Бесплатная техническая библиотека

Энциклопедия радиоэлектроники и электротехники / Стабилизаторы напряжения

Комментарии к статье Комментарии к статье

Самостоятельное изготовление мощных (а главное, простых схемотехнически!) стабилизаторов напряжения (СН) и блоков питания (БП) весьма актуально. Заводские мощные БП (СН) бывает непросто приобрести, да и цены на эти изделия очень высокие (от десятков до сотен у.е., в зависимости от параметров). Поскольку производитель делает БП не для себя, то экономит на всем возможном.

Специалисты могут вам сделать мощный БП под заказ. Познакомившись с начинкой, покупатель осознает, что заплатил 70...90% цены БП за дизайн (ящик). Современные БП импульсного типа могут быть весьма сложными схемотехнически, поэтому даже опытному специалисту бывает сложно восстановить работоспособность БП (а бывает, что ремонт невозможен).

О целесообразности изготовления мощного БП говорит фактор надежности, которую любитель может себе позволить в плане "перерасхода" материалов (железа меди и пр.) и комплектующих. Здесь производитель нам не конкурент, а мы не будем переживать за перегрев какого-либо компонента или узла. Если же требуется мощный БП, способный заменить во многих ситуациях автомобильный аккумулятор, то зачастую выгоднее и проще применять СН непрерывного действия. Дело в том, что парк мощных радиоэлектронных средств (РЭС) постоянно растет и обновляется. Так, автомобильные РЭС весьма разнообразны и очень "прожорливы" по энергопотреблению (аудиокомплексы, трансиверы, охранные системы, преобразователи). Для одной лишь проверки, не говоря уже о ремонте РЭС, требуется иметь очень мощный БП (СН), способный работать с токами нагрузки 20...30 А и более. Кстати, любители, повторившие БП [1, рис.7], остались довольны его работой.

О транзисторах. Чтобы реализовать на практике характеристики БП [1], нужно воспользоваться рекомендациями, изложенными в [2]. Особо заинтересовал любителей вопрос замены мощных транзисторов структуры p-n-p типа КТ8102 доступными транзисторами структуры n-p-n типов КТ802, КТ803, КТ808, КТ819. К сожалению, транзисторы КТ8101, КТ8102 еще малодоступны для нашей глубинки. Более того, именно в глубинку идут бракованные КТ8101, КТ8102, их легко можно выявить стрелочным омметром, т.к. они "звонятся" во все стороны. Такие бракованные изделия можно выявить даже без измерителя [3]. Используем любой выпрямитель на 30 В и резистор 30 кОм (рис.1).

О простых и мощных стабилизаторах напряжения

У исправного транзистора амперметр не зафиксирует ничего. Но даже плохие транзисторы с Uкэ=5...10 В я не выбрасывал. Они способны работать в низковольтных ключевых схемах и в качестве аналогов мощных стабилитронов. Практика показывает, что только транзисторы с малыми утечками токов работают долго и безотказно. Кстати, я считаю, что раньше транзисторы делали "на совесть". Три транзистора КТ803А надежнее одного КТ8101.

Мне довелось прибором [3] проверять многие зарубежные транзисторы, там и понятия нет о таких цифрах утечек, как в наших ТУ. Я изготовил также портативный измеритель Uкэ.макс [4] для проверки в условиях радиорынка, поскольку транзисторы нужно подбирать по параметрам (и приобретение брака недопустимо).

Для менее дефицитных транзисторов КТ802, 803,808, 819 нужен запас по рассеиваемой мощности около 50%, особенно когда число транзисторов 5-10 и больше. Каждый транзистор должен быть проверен и подобран для работы в параллель. Случайный набор транзисторов в батарею приводит к цепной реакции отказов, стоит лишь СН хорошо нагрузить по мощности.

Такая мера, как увеличение эмиттерных сопротивлений (на 100%), к сожалению, не распространяется на случайные экземпляры при количестве более 5. Лишь предварительный отбор всех транзисторов по h21Э и Uкэ.нас позволит заметно уменьшить величины эмиттерных сопротивлений и тем самым снизить бесполезно рассеиваемую на них мощность. Итак, чтобы отобрать транзисторы для параллельного режима работы, необходимо измерить h21Э каждого транзистора при токе Iк=Iн.макс/N, где Iн.макс - максимальный ток для всей батареи СН; N - количество транзисторов, включенных параллельно. Кстати, h21Э для всей батареи транзисторов не должен превышать 100 (но и быть меньше 20). Поэтому транзисторы КТ8101 и КТ8102, имеющие h21Э>200 вообще ненадежны в мощных линейных схемах.

Но это еще не все. Нужно проверить транзисторы по рассеиваемой мощности, т.е. включить их на нагрузку, соответствующую 50...70% от максимальной мощности, и "помучить" их длительное время. Более чем 10-летняя практика показывает, что данная процедура является необходимой и достаточной для длительной и безотказной работы батареи транзисторов в мощных СН. При этом надо помнить, что перегрев кристалла транзистора - его "смерть". Поэтому проверять на мощность нужно аккуратно, зная требуемую площадь теплоотвода и желательно температуру. Дело в том, что при повышении температуры максимальная мощность снижается, что эквивалентно снижению потенциальных возможностей БП. Указанным методом устанавливали до 20 (!) шт. транзисторов типов КТ803, КТ808, КТ819 и др.

Кстати, если каждый транзистор батареи установить на свой теплоотвод, то правильность подбора транзисторов можно проверить по одинаковому нагреву теплоотводов.

Очень важно правильно выбрать напряжения БП. Транзисторы греются и выходят из строя чаще всего при минимальном напряжении (приближение к режиму короткого замыкания). Проверку делают так: к выходу СН подключают осциллограф, а первичную обмотку силового трансформатора подключают через ЛАТР и уменьшают напряжение на выходе ЛАТРа до тех пор, пока на выходе СН появятся пульсации. Ток в нагрузке СН при этом должен быть максимальным. Нужно определиться с запасом на колебания напряжения электросети. Если используется сетевой стабилизатор напряжения, то задача упрощается. Автор использовал для питания мощных БП параллельный режим включения стареньких, но весьма надежных феррорезонансных стабилизаторов типа СН-315. Включив параллельно 2-3 таких стабилизатора, получаем мощность 600...900 Вт [6].

Беда в том, что резкое повышение напряжения в сети приводит к повышению напряжения на выходе выпрямителя, а следовательно, к повышению падения напряжения на транзисторах, что может вывести их из строя из-за тепловой перегрузки.

Если уменьшить сопротивления резисторов в эмиттерах до 0,1 Ом, то частично выравнять разброс параметров транзисторов можно включением в цепь базы транзисторов резисторов сопротивлением до 10 Ом. Включение этих резисторов почти всегда гарантирует устранение самовозбуждения СН. Самовозбуждение - настоящий бич для большинства схем СН. Транзисторы в СН при этом сгорают мгновенно, причем при мощности в нагрузке намного меньше номинальной.

Мощные транзисторы (источники тепла) необходимо разносить по радиатору подальше друг от друга. Очень хорошо подходит сам корпус БП. Недостаток при этом - длинные соединительные провода между схемой СН и мощными транзисторами. Поэтому вблизи вывода базы каждого мощного транзистора включают дроссель (20...100 мкГн). Используя отрезки ферритовых стержней от контуров ВЧ-аппаратуры, можно самостоятельно изготовить такие дроссели, наматывая провод D0,5...0,6 мм в один слой и заливая потом эпоксидным клеем.

Корпус БП на 30 А изготавливали из двух П-образных алюминиевых пластин толщиной 2...3 мм. На нижней части корпуса размещали 4 (8) транзистора, на верхней - 6 (12). В скобках указано количество транзисторов для более мощного варианта на 50 А. Большой плюс схемы [1, рис.7] в том, что все корпуса транзисторов соединены с общим проводом схемы СН. Поэтому больших затруднений в плане крепежа и монтажа 10-20 транзисторов не возникает. Еще проще обстоит дело с пластмассовыми КТ819. Они стоят буквально копейки, но встречаются бракованные партии (не выдерживают по мощности даже 30 Вт).

Многие любители гоняются за металлическими КТ819АМ-ГМ, считая их лучше, чем пластмассовые. Но, согласно справочным данным, для пластмассовых КТ819А-Г максимальная мощность уменьшается с температурой на 0,6 Вт/°С, т.е. каждые 10° "съедают" 6 Вт, а у металлических этот коэффициент составляет 1 Вт/°С, т.е. на 10° "съедается" 10 Вт! Вот в чем выгодны "старые" транзисторы типа 2Т803, которые держат свои 60 Вт до 50°С.

А что же с КТ8101 и КТ8102? В справочной литературе умалчивается о тепловых факторах, а гарантируемая максимальная мощность справедлива только для температур ниже 25°С. А ведь радиатор будет прогреваться на несколько десятков градусов выше!

Итак, проще всего и дешевле установить в мощном СН транзисторы типа КТ819Б-Г из расчета один транзистор на каждые 2...2,5 А выходного тока (транзисторы КТ803 - на один транзистор 3 А). Поскольку изгибать листовой материал корпуса затруднительно, то корпус изготавливают из шести частей. Так как нижняя часть прогревается сильнее, то на ней устанавливают меньше транзисторов, чем на верхней.

СН, изготовленные по такой методике подбора транзисторов, ремонтировать приходилось очень редко, разве что из-за халатности владельца БП (мощные БП лучше никому не давать в аренду). Кроме того, СН не помешает оборудовать тепловой защитой: перегрелся теплоотвод, и СН отключается. Одна из проверенных временем схем термореле показана на рис.3.

О простых и мощных стабилизаторах напряжения

Терморезистор R3 типа ММТ-4. Он является датчиком температуры, поэтом закреплен на теплоотводе мощных транзисторов в месте, где температура максимальна. Нужно позаботиться об электрической изоляции корпуса терморезистора R3 от теплоотвода, т.к. один из его выводов является его корпусом. Но если схема рис.3 питается от отдельного выпрямителя, то изолировать корпус R3 не нужно. Транзистор КТ829 можно заменить КТ972 или составить аналог транзистора Дарлингтона на транзисторах КТ315 и КТ815 (817). Схема некритична к типу терморезистора, который при 25°С может иметь сопротивление от 1,5 до 4,7 кОм.

В качестве R1 лучше использовать многооборотный резистор (им устанавливают порог срабатывания: чем меньше его сопротивление, тем выше температура отключения). Данную схему можно устанавливать в любой БП. Важно, чтобы питающее напряжение превышало 14...15 В (напряжение срабатывания реле составляет 12 В). Генератор тока рис.3 можно выполнить по любой известной схеме. Хорошо подходит генератор тока на полевом транзисторе. Если требуется повышенная стабильность порога срабатывания, то в качестве VD2 применяют Д818Е, R3 увеличивают до 10 кОм, подбирают R1 и R2. Рабочий ток генератора тока устанавливают 11 мА. Температуру срабатывания термозащиты устанавливают в пределах 50...80°С, не выше.

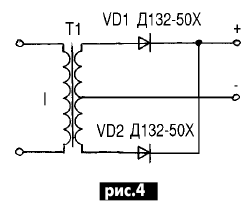
О диодах. Мощные диоды хотя и дорогие, но приобрести их легче, чем мощные транзисторы. Например, Д122-40 нужно брать как прямой полярности (без знака Х), так и обратной (со знаком Х). Это позволяет вместо трех теплоотводов обойтись двумя [5]. Подойдут и "древние" В50, В200 и др. Можно обойтись двумя диодами и одним теплоотводом (рис.4). Эта схема предназначена для диодов, у которых катоды соединены с корпусом.

О простых и мощных стабилизаторах напряжения

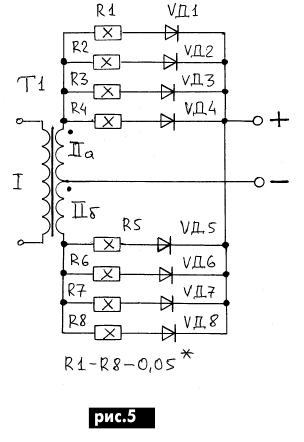
А если не удалось достать диоды с рабочим током больше 30 А? Можно обойтись и 10-амперными, включив их по схеме рис.5. Только не нужно "выжимать" из диодов максимальный ток (не более 7,5 А). Использовались диоды типов Д242(А), Д214(А), Д215(А), Д231(А), КД213А. Предпочтение отдается диодам с буквенным индексом А, т.к. у них тепловые потери меньше. Наши диоды надежнее импортных, у тех максимальный ток можно смело уменьшать в 1,5 раза, а то и больше.

О простых и мощных стабилизаторах напряжения

Очень удобен диод КД213А. У них катод - корпус, поэтому десяток таких диодов можно крепить одной планкой. Не нужны изолирующие прокладки и хитроумные фланцы, используемые в промышленных системах крепежа диодов КД2997, КД2999. Последние диоды имеют рабочий ток больше, чем КД213 (КД2999 - 20 А, КД2997 - 30 А), поэтому для них сопротивление резисторов уменьшается до 0,02 Ом.

В данном выпрямителе прекрасно работают современные диоды с барьером Шотки. Нужно лишь отбирать экземпляры с наименьшими утечками (это можно делать даже стрелочным омметром, так как утечки огромные по сравнению с кремниевыми диодами). Диоды типа КД2998 выгоднее применять в мостовом выпрямителе. Для диодов Шотки не нужны выравнивающие резисторы, их можно спокойно ставить в параллель (рис.6).

О простых и мощных стабилизаторах напряжения

О резисторах. Их количество в схеме рис.5 может отпугнуть. Но изготовить их просто. Это отрезки эмалированного провода D0,6 мм длиной 80...100 см, намотанные на любую оправку. Такой резистор может выдержать мощность намного больше 5...10 Вт.

Не следует экономить на радиаторах. На каждый диод нужно не менее 100 см2 площади радиатора, так как при температуре выше 75°С максимальный средний ток нужно снижать.

О фильтрующих конденсаторах. Хорошо подходят батареи 2000 мкФЧ50 В, как по цене, так и по надежности. Их количество выбирают из соотношения 1000 мкФ на каждый 1 А тока. Если СН часто будут эксплуатировать при токе свыше 20 А, то следует предусмотреть запас емкости, исходя уже из соотношения 2000 мкФ на 1 А тока. Эти конденсаторы больше всего боятся температуры и пульсаций, поэтому размещать их нужно в наиболее холодном месте БП. А величину пульсаций можно уменьшить только увеличением емкости.

О трансформаторе. Использовались разные варианты. Рассмотрим самые простые и дешевые ТС-270. Магнитопровод этого сетевого трансформатора способен отдать в нагрузку 500 Вт и более. Потолок зависит от нескольких факторов: диаметра провода первичной обмотки, качества сборки сердечника, и, как ни странно, насколько "посадили" железо. Последний фактор легко обнаруживается измерением тока холостого хода (Iхх). Если Iхх≤0,25 А, то трансформатор в норме. Если Iхх≤0,35 А, то такой трансформатор напряженно работал много лет. Если Iхх≤0,5 А, то трансформатор лучше использовать при мощностях менее 270 Вт.

При мощностях до 300 Вт первичную обмотку перематывать не нужно. Но так как в данном случае нужна мощность порядка 600 Вт, то использовались два трансформатора ТС-270. Первичные обмотки соединяли параллельно, а вторичные - последовательно (на одном - обмотка IIа, на другом - IIб).

Обычно для 30-амперного варианта каждую из обмоток наматывают двойным проводом D1,8...2,2 мм или тройным D1,5 мм.

Составленная с учетом всего вышесказанного схема СН показана на рис.7.

О простых и мощных стабилизаторах напряжения
(нажмите для увеличения)

Литература:

  1. Зызюк А.Г. Простые мощные стабилизаторы напряжения//Электрик. 2001. - №9, 10.
  2. Зызюк А.Г. О блоке питания и ИОН//Электрик. - 2003. - №2.
  3. Зызюк А.Г. Подбор транзисторов для мощных УМЗЧ//Радіоаматор. 2001. - №6.
  4. Зызюк А.Г. Переносной вариант измерителя Uкэ.макс//Электрик. 2002. - №8.
  5. Зызюк А.Г. О ремонте и модернизации двухконфорочных электроплиток бытовых типа ЭПТ-2-2,0/220 "ТЭЛПА-2М" и не только об этом//Электрик. - 2003. - №10.
  6. Зызюк А.Г. Стабилизация сетевого напряжения на селе//Радіоаматор. - 2002. - №12.

Автор: А.Г. Зызюк

Смотрите другие статьи раздела Стабилизаторы напряжения.

Читайте и пишите полезные комментарии к этой статье.

<< Назад

Последние новости науки и техники, новинки электроники:

Хорошо управляемые луга могут компенсировать выбросы от скота 15.02.2026

Животноводство, особенно разведение крупного рогатого скота, часто обвиняют в значительном вкладе в глобальное потепление из-за мощного парникового газа - метана, который выделяется при пищеварении у жвачных животных. Это вызывает острые политические споры и призывы к сокращению потребления мяса. Однако ученые напоминают, что полная картина климатического воздействия отрасли не ограничивается только выбросами от животных: огромную роль играет окружающая экосистема - пастбища, почва и растительность, которые способны активно поглощать углекислый газ из атмосферы. Исследователи из Университета Небраски-Линкольна решили глубже изучить этот баланс. Группа под руководством профессора Галена Эриксона сосредоточилась на том, как правильно организованные пастбища накапливают углерод в растениях и грунте благодаря естественным процессам, стимулируемым выпасом скота. Ученые подчеркивают, что при достаточном уровне осадков и грамотном управлении такие луга превращаются в мощные природные погло ...>>

NASA тестирует инновационную технологию крыла 15.02.2026

Коммерческая авиация ежегодно расходует колоссальные объемы керосина, что сказывается не только на бюджете авиакомпаний, но и на состоянии окружающей среды. В 2024 году глобальные затраты на авиационное топливо достигли 291 миллиарда долларов, и эта сумма продолжает расти. Чтобы справиться с этими вызовами, NASA активно работает над технологиями, способными заметно повысить аэродинамическую эффективность самолетов. Одним из самых перспективных направлений стало создание специальной конструкции крыла, которая максимизирует естественный ламинарный поток воздуха и минимизирует сопротивление. В январе 2026 года специалисты NASA Armstrong Flight Research Center успешно провели важный этап наземных испытаний концепции Crossflow Attenuated Natural Laminar Flow (CATNLF). Для эксперимента под фюзеляж исследовательского самолета F-15B закрепили вертикально ориентированную масштабную модель высотой около 0,9 м (3 фута), напоминающую узкий киль. Такая компоновка позволила подвергнуть прототип р ...>>

Забота о внуках очень полезна для здоровья мозга 14.02.2026

Общение между поколениями приносит радость всей семье, но мало кто задумывается, насколько активно бабушки и дедушки, заботящиеся о внуках, поддерживают свою умственную форму. Регулярное взаимодействие с детьми стимулирует мозг пожилых людей, помогая сохранять память, скорость мышления и общую когнитивную активность. Новые научные данные подтверждают, что такая добровольная помощь не только важна для общества, но и может замедлять возрастные изменения в мозге. Исследователи из Тилбургского университета в Нидерландах провели анализ, чтобы понять, приносит ли уход за внуками реальную пользу здоровью пожилых людей. Ведущий автор работы Флавия Черечес отметила, что многие бабушки и дедушки регулярно присматривают за детьми, и оставался открытым вопрос, насколько это положительно сказывается на их собственном благополучии, особенно в плане когнитивных функций. Ученые поставили цель выяснить, способен ли регулярный уход за внуками замедлить снижение памяти и других умственных способ ...>>

Случайная новость из Архива

Общие интересы и убеждения для крепких отношений 08.04.2025

Что делает отношения крепкими и долгосрочными? Этот вопрос волнует людей во всем мире, и на него попытались ответить ученые из Бингемтонского университета в Нью-Йорке. Их исследование проливает свет на распространенное мнение о том, что противоположности притягиваются, и дает новые аргументы в пользу различных стратегий построения гармоничного союза.

Исследователи привлекли к участию около 200 пар, анализируя их взаимодействие на протяжении длительного времени. Оказалось, что различие во взглядах и интересах может внести в отношения свежесть, помогая партнерам узнавать что-то новое и расширять кругозор. Однако на практике такие союзы сталкиваются с определенными трудностями. Примерно пятая часть участников исследования решила расстаться, причем большинство из них состояли в парах, где партнеры были во многом похожи.

Согласно выводам психологов, успех отношений во многом зависит от того, насколько люди готовы идти на компромиссы и проявлять уважение к партнеру. Различия в характерах и взглядах могут сыграть положительную роль, если партнеры дополняют друг друга. Например, если один человек более эмоционален, а другой рационален, это помогает находить баланс в сложных ситуациях. Однако такие союзы требуют большего терпения и гибкости.

Тем не менее, нельзя однозначно утверждать, что только различия делают отношения крепкими. Многие люди чувствуют себя комфортнее с теми, кто разделяет их убеждения и интересы, поскольку это создает атмосферу безопасности и взаимопонимания. В таких парах меньше конфликтов на фоне разницы взглядов, но они могут столкнуться с рутиной и недостатком новых впечатлений.

Таким образом, универсальной формулы для идеальных отношений не существует. Главный фактор стабильности - это умение партнеров слышать друг друга, идти на уступки и поддерживать взаимное уважение. В конечном счете, независимо от того, насколько похожи или различны люди, успех их союза определяется не только совпадением взглядов, но и способностью строить гармоничное взаимодействие.

Другие интересные новости:

▪ Новые цифровые контроллеры Freescale

▪ Алмаз рассказывает о происхождении жизни

▪ Сверхпроводящий электродвигатель Toshiba

▪ Компьютер управляется мимикой

▪ Однокристальная система Dimensity 9000

Лента новостей науки и техники, новинок электроники

 

Интересные материалы Бесплатной технической библиотеки:

▪ раздел сайта Культурные и дикие растения. Подборка статей

▪ статья Обеспечение безопасности технических средств и технологических процессов. Основы безопасной жизнедеятельности

▪ статья Почему в названиях товаров IKEA нет цифр? Подробный ответ

▪ статья Горошек мышиный. Легенды, выращивание, способы применения

▪ статья Реле времени на двух транзисторах своими руками. Энциклопедия радиоэлектроники и электротехники

▪ статья УКВ тюнер на микросхеме К174ХА34. Энциклопедия радиоэлектроники и электротехники

Оставьте свой комментарий к этой статье:

Имя:


E-mail (не обязательно):


Комментарий:





Главная страница | Библиотека | Статьи | Карта сайта | Отзывы о сайте

www.diagram.com.ua

www.diagram.com.ua
2000-2026