Menu Home

Бесплатная техническая библиотека для любителей и профессионалов Бесплатная техническая библиотека


Автоматизация работы и защита от перегрузок электродвигателей насосов мощностью 180...250 Вт. Энциклопедия радиоэлектроники и электротехники

Бесплатная техническая библиотека

Энциклопедия радиоэлектроники и электротехники / Электродвигатели

Комментарии к статье Комментарии к статье

Незаменимыми помощниками садоводов и огородников (при наличии рядом расположенного водоема или колодца) являются электронасосы мощностью 180...250 Вт типа "Малыш", "Струмок". Но иногда случаются неприятности и с этими трудягами: выход из строя из-за несоответствия нормам сетевого напряжения, перегрева обмотки статора электродвигателя, заклинивания ротора и, как следствие, повышения до недопустимого тока через обмотку статора, отсутствие воды в водоеме или ее мутность.

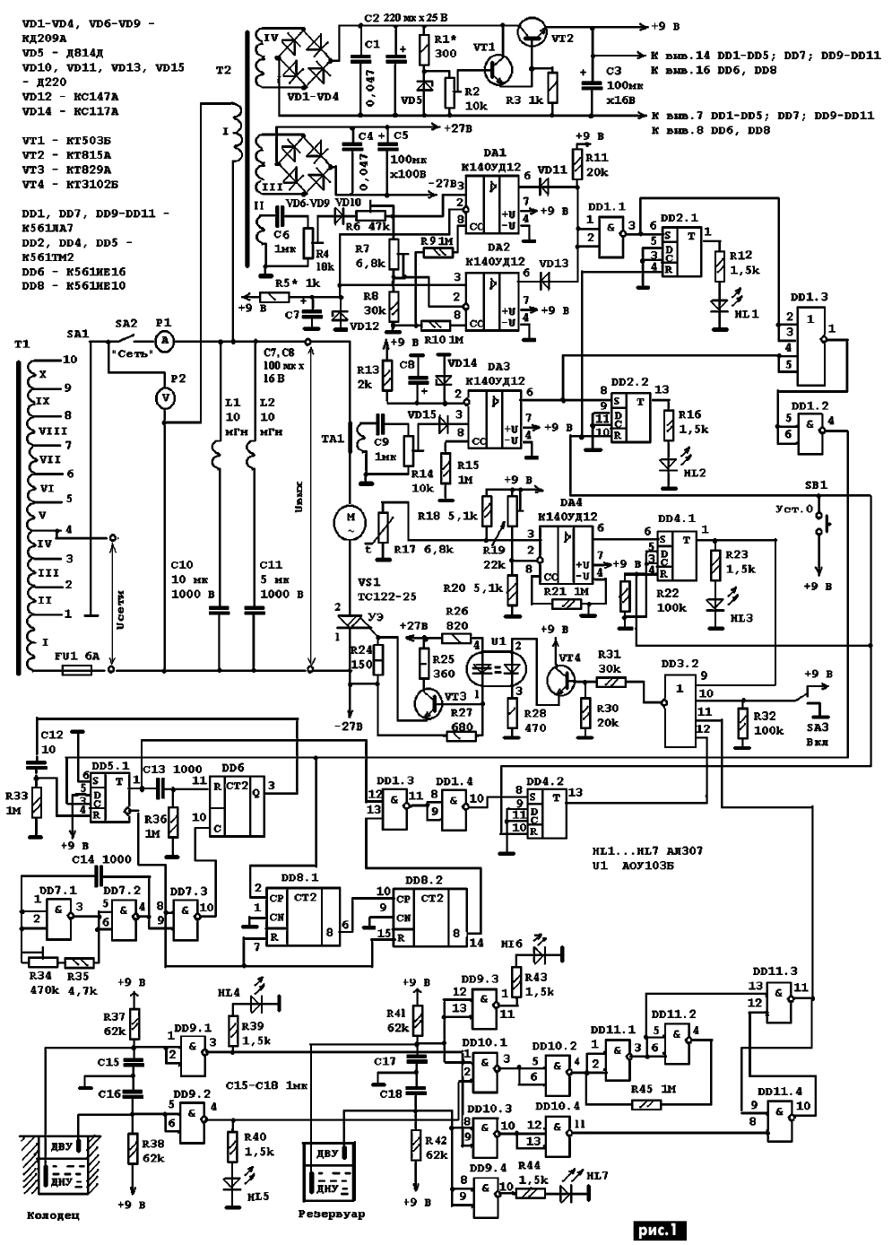
Практически от всех бед спасет вашего друга разработанная мной схема автоматического управления и защиты от предельно допустимых режимов работы электронасосов мощностью 180...250 Вт (рис.1). На первый взгляд схема очень сложная, но это не так. В схеме применены цифровые и аналоговые микросхемы, которые практически не требуют наладки.

Автоматизация работы и защита от перегрузок электродвигателей насосов мощностью 180...250 Вт
(нажмите для увеличения)

Предохранитель FU1 применен в схеме для подстраховки. Кому не известно, что пока перегорает предохранитель, выгорает полтелевизора? Электроника действует гораздо быстрее и надежнее при защите любого аппарата, механизма. Кроме того, в схеме отсутствуют релейные элементы. В наше время только в крайних случаях, безвыходных ситуациях необходимо применять реле, контакторы, магнитные пускатели, ведь существуют оптроны, тиристоры, симисторы... Вместо дорогих и не очень надежных механических контактов необходимо применять вышеуказанные электронные приборы.

Регулятор напряжения сети построен на автотрансформаторе Т1 и переключателе SA1. Даже если в вашем доме стабильное напряжение 200...230 В, не спешите игнорировать его применение. Соберите эту схему и опробуйте, в каком диапазоне питающих напряжений электродвигатель насоса обеспечивает необходимую мощность на валу. Если, например, этот диапазон будет составлять 170...230 В, установите переключателем SA1 выходное напряжение регулятора сети около 190 В. В дальнейшем мы установим нижний допустимый предел напряжения 170 В, подаваемого на обмотку статора двигателя, а верхний - 210 В. В этом случае надежность и долговечность обмотки статора электродвигателя возрастет, да и потребляемая мощность снизится.

Регулятор напряжения сети рассчитан на минимальное напряжение в вашем доме 140 В и максимальное 260 В (чтобы получить Uвх=220 В). Следует отметить, что в автотрансформаторах по сравнению с силовыми трансформаторами первичная обмотка может быть намотана проводом в 2-3 раза тоньше. Если переделать сетевой трансформатор мощностью 200 Вт в автотрансформатор, то можно будет подключать нагрузку до 400...600 Вт. Можно использовать переделанный силовой трансформатор телевизора УЛПЦТИ-61 (ТС-270-1), у которого первичная обмотка I (1-2-3) содержит 318 витков провода ПЭВ-1 D0,91 мм (выводы I-I). Для этого необходимо разобрать трансформатор, удалить все вторичные обмотки и экранирующую фольгу. Сверху оставшейся первичной обмотки необходимо намотать обмотки II-X проводом D0,8...1 мм. Обмотки II-IV содержат по 19 витков; обмотки V-X - по 35 витков каждая. Контакты переключателя SA1 должны быть рассчитаны на ток не менее 10 А (можно применить обычный 3-4-секционный галетный переключатель, включив соответствующие контакты секций параллельно). Вольтметр переменного тока должен иметь предел измерения 250...300 В. Амперметр должен иметь предел измерения 10 А.

На контурах L1C10, L2C11 выполнен источник реактивной мощности с подавлением гармонических искажений на 5-й и 7й гармониках. Этот источник применен для повышения КПД устройства. Номиналы конденсаторов С10, С11 и дросселей L1, L2 выбраны ориентировочно, хотя если применить даже эти номиналы, вы все равно окажетесь в выигрыше. Для более точного расчета этих номиналов необходимо измерить индуктивность обмотки статора электродвигателя насоса и произвести расчет, пользуясь рекомендациями [1].

Работой электронасоса управляет симистор VS1 (ТС122-25). Выходной формирователь построен на элементе "ИЛИ" DD3.2, транзисторах VT3, VT4 и тиристорной оптопаре U1. Если хотя бы на одном из входов DD3.2 присутствует лог."1", то на базе транзистора VT4 - лог."0" и он закрыт.

Светодиод оптопары не светится, отсутствует положительный потенциал на базе VT4, и он закрыт. На управляющем электроде симистора VS1 нет положительного потенциала, он закрыт, на обмотку статора электродвигателя насоса не подается питающее напряжение, насос выключен.

Если на всех входах DD3.2 присутствует лог."0", на базе транзистора VT4 - положительный потенциал, он открыт, светится светодиод оптопары, через открытый тиристор оптопары положительный потенциал подается на базу транзистора VT3, он открывается, положительный потенциал появляется на управляющем электроде симистора VS1, он открывается, электронасос включается в работу.

Трансформатор Т1 мощностью 10...20 Вт любого типа. Напряжения на его обмотках: U(wII) 12 В; U(wIII) 20 В; U(wIV) 12 В при выходном напряжении регулятора, выбранном переключателем SA1.

Стабилизированный источник питания 9 В выполнен на диодах VD1-VD4, стабилитроне VD5 и транзисторах VT1, VT2. Источник питания 27 В выполнен на диодном мосте VD6-VD9.

Чтобы электронасос был включен в работу, необходимо, чтобы на всех входах DD3.2 был лог."0". Включают насос переводом переключателя SA3 в нижнее по схеме положение.

Автоматическое включение или выключение электронасоса в зависимости от количества воды в водоеме или колодце и наполняемом резервуаре производится при помощи схемы на цифровых микросхемах DD9-DD11. Светодиоды HL1-HL4 указывают, находятся ли в воде соответствующие датчики уровня воды. Работа данной схемы описана в [2]. Если нет необходимости в применении какого-либо датчика уровня воды, его просто не подключают к схеме. Если нет необходимости в автоматизации, данную схему просто не собирают, а вывод 11 элемента DD3.2 подключают к общему проводу.

Схема защиты электродвигателя насоса от перегрева собрана на операционном усилителе (ОУ) К140УД12, используемом как компаратор, и триггере DD4.1. Естественно, можно применить и другие операционные усилители с соответствующими цепями коррекции. Терморезистор R17 приклеивают к обмотке статора эпоксидной смолой. Заодно центруют ротор электродвигателя, смазывают подшипники и т.д. Подстроечным резистором R19 выставляют необходимый порог срабатывания компаратора, например, при температуре +80°С. Если температура обмотки статора не превышает данного уровня, то напряжение на инверсном входе ОУ DA4 будет более положительно, чем на прямом, и на его выходе 6 будет низкий потенциал. Триггер DD4.1 будет находиться в состоянии "0", и на входе 9 элемента "ИЛИ" DD3.2 будет уровень лог."0", разрешающий работу электронасоса. При повышении температуры обмотки статора до +80°С сопротивление терморезистора R17 возрастает до такой величины, что на прямом входе ОУ DA4 положительный потенциал становится больше, чем на инверсном, и компаратор скачком принимает положение положительного насыщения. На его выходе 6 появляется лог."1", триггер DD4 устанавливается в состояние "1".

На входе 9 элемента "ИЛИ" DD3.2 появляется лог."1", что приводит к выключению насоса. Свечение светодиода HL3 указывает на превышение температуры обмотки статора электродвигателя насоса выше допустимой. Триггер DD4.1 останется в единичном состоянии и, соответственно, электронасос будет выключенным до тех пор, пока не будет нажата кнопка SB1 "Уст.0".

Схема защиты электродвигателя насоса от превышения тока обмотки статора выполнена на ОУ DA3, используемом как компаратор. Количество витков трансформатора тока ТА1 подбирают экспериментально таким образом, чтобы при нормальной работе электродвигателя насоса напряжение на его обмотке составляло 2,5...3 В. На инверсный вход DA3 подается опорное напряжение 1,7 В. Амплитуда напряжения на прямом входе 3 должна быть около 1,5 В (выставляют подстроечным резистором R14). В этом случае при нормальном режиме работы электронасоса на выходе 6 DA3 будет уровень лог."0", триггер DD2.2 будет находиться в нулевом состоянии.

Если ток через обмотку статора будет выше допустимого, то амплитуда положительных импульсов на прямом входе 3 ОУ DA3 превысит величину опорного напряжения на инверсном входе и компаратор будет опрокидываться в состояние положительного насыщения (см. временные диаграммы рис.2).

Автоматизация работы и защита от перегрузок электродвигателей насосов мощностью 180...250 Вт

На выходе компаратора появляются импульсы положительной полярности, которые устанавливают триггер DD2.2 в единичное состояние. Светодиод HL2 будет светиться, что указывает на превышение током обмотки статора допустимой нормы. Одновременно импульсы с выхода 6 DA3 через элемент "ИЛИ" DD3.1 и инвертор DD1.2 поступают на вход одновибратора, выполненного на элементах DD5.1, DD6, DD7.1, DD7.2, DD7.3, и на счетчик импульсов DD8.1, DD8.2 (одновибратор описан в [3]). Первым же импульсом (см. рис.2) одновибратор опрокидывается в единичное состояние. Подстроечным резистором R34 длительность импульса одновибратора выставляют в пределах 7...9 с.

Счетчик импульсов выполнен на микросхеме DD8. Уровень лог."1" на выходе 14 счетчика DD8.2 при наличии импульсов на входе 2 DD8.1 появляется через 5,12 с. Если это произошло, на входах 12, 13 элемента "И" DD3 появляется лог."1", которая через инвертор DD1.4 устанавливает триггер DD4.2 в состояние лог."1" (выход 13), эта "1" подается на вход 12 элемента "ИЛИ" DD3.2 и включает электронасос. Если за эти 5,12 с нет перегрузки по току, например, при запуске насоса, одновибратор все равно вырабатывает одиночный импульс длительностью 7...9 с, но на входе 13 элемента "И" DD1.3 лог."1" не появляется и электронасос не выключится. После запуска насоса (если светится светодиод HL2) необходимо установить в "0" триггер DD2.2 нажатием кнопки SB1.

Схема защиты электронасоса от несоответствия необходимым нормам напряжения, подаваемого на обмотку статора, выполнена на двухпороговом компараторе DA1, DA2, работа которого описана в [4]. Подстроечным резистором R4 на катоде диода VD10 выставляют амплитуду положительных импульсов около 9 В. Настраивают двухпороговый компаратор согласно указаниям [4].

Если ваш электронасос, к примеру, нормально работает в диапазоне питающих напряжений от 170 до 210 В, то нижний и верхний пороги срабатывания компаратора необходимо выставить именно приэтих напряжениях. Когда напряжение на электродвигателе насоса будет ниже 170 В или выше 210 В, на выходе двухпорогового компаратора (аноды диодов VD11, VD13) появятся положительные импульсы, которые установят триггер DD2.1 в состояние лог."1". Свечение светодиода HL1 укажет на несоответствие нормам напряжения. Одновременно вышеуказанные импульсы через элемент "ИЛИ" DD3.1 и инвертор DD1.2 поступают на вход одновибратора и счетчика импульсов. Аналогично, как и в случае превышения предельно допустимого тока, через 5,12 с электронасос выключится. Если время несоответствия величины напряжения необходимым параметрам не будет превышать 5,12 с, электродвигатель останется в работе. Свечение светодиода HL1 необходимо погасить нажатием кнопки SB1 "Уст.0".

В обоих рассматриваемых случаях (время несоответствия не превышает 5,12 с) счетчики DD8.1, DD8.2 обнуляются лог."1" на входах 7 и 15 с инверсного выхода 2 триггера DD5.1 одновибратора через 7...9 с.

Наладка. В первую очередь необходимо узнать при каком диапазоне напряжений ваш электронасос обеспечивает необходимую мощность на валу с помощью регулятора напряжения сети. Затем при отключенной нагрузке необходимо наладить блок питания. Подбором резистора R1 выставить ток через стабилитрон VD5 в пределах 5...10 мА. Подстроечным резистором R2 установить напряжение на выходе стабилизатора (конденсатор С3) 9 В. Проверить напряжение на конденсаторе С5 (24...30 В).

Установить вместо электронасоса лампу накаливания мощностью 200 Вт. Переключатель SA1 установить в выбранное вами положение в зависимости от параметров вашей сети и электронасоса. Переключатель SA3 установить в верхнее по схеме положение ("Выкл"). Установить переключатель SA2 ("Сеть") в нижнее по схеме положение. Нажать кнопку SB1 ("Уст."0").

Подать напряжение +9 В на вывод 13 элемента "ИЛИ" DD3.2. Лампа должна засветиться (свидетельство того, что выходной формирователь и симистор исправны). Если будет светиться любой из светодиодов HL1-HL3, то будет светиться и электролампа. В этом случае необходимо отпаять резистор R31. Если электролампа погаснет, то это тоже свидетельствует о работоспособности выходного формирователя и симистора.

Далее по вышеизложенной методике настраивают схему, что не составляет большого труда, так как все выполнено по принципам вычислительной техники ("0" или "1").

Литература:

  1. Маньковский А.Н. Регулятор мощности для активно-индуктивной нагрузки до 15 кВт//Электрик. - 2001. - №6. - С.21.
  2. Маньковский А.Н. Полная автоматизация устройства управления электронасосом//Электрик. - 2001. - №1. - С.22-23.
  3. Маньковский А.Н. Генератор одиночных импульсов и измеритель длительности одиночных импульсов//Радіоаматор. - 2001. - №2. - С.20-22.
  4. Маньковский А.Н. Устройство переключения с автоматическим зарядным устройством//Электрик. - 2001. - №3. С.21.

Автор: А.Н. Маньковский

Смотрите другие статьи раздела Электродвигатели.

Читайте и пишите полезные комментарии к этой статье.

<< Назад

Последние новости науки и техники, новинки электроники:

Оптимальная продолжительность сна 12.11.2025

Сон играет ключевую роль в поддержании здоровья, когнитивных функций и общего самочувствия. Несмотря на широко распространенный стереотип о восьмичасовом сне, последние исследования показывают, что оптимальная продолжительность сна для большинства здоровых взрослых ближе к семи часам. Эволюционный биолог из Гарварда, Дэниел Э. Либерман, утверждает, что традиционная норма восьми часов сна - это скорее культурное наследие индустриальной эпохи, чем биологическая необходимость. По его словам, полевые исследования, проведенные в сообществах, не использующих электричество, показывают, что средняя продолжительность сна составляет 6-7 часов, что значительно отличается от общепринятого стандарта. Современные эпидемиологические данные подтверждают этот взгляд. Исследования выявили так называемую "U-образную кривую" зависимости между продолжительностью сна и рисками для здоровья. Минимальные показатели заболеваемости и смертности наблюдаются именно у людей, спящих около семи часов в сутки. ...>>

Дефицит кислорода усиливает выброс закиси азота 12.11.2025

Парниковые газы играют ключевую роль в изменении климата, а закись азота (N2O) - один из наиболее опасных среди них. Этот газ не только втрое сильнее углекислого газа в удержании тепла, но и разрушает озоновый слой. Недавнее исследование американских ученых показало, что микробы в зонах с низким содержанием кислорода активно производят N2O, усиливая глобальные климатические риски. Команда из Университета Пенсильвании изучала прибрежные воды у Сан-Диего и провела наблюдения на глубинах от 40 до 120 метров в Восточной тропической северной части Тихого океана - одной из крупнейших зон дефицита кислорода. Исследователи сосредоточились на том, как морские микроорганизмы превращают нитраты в закись азота. В ходе работы выяснилось, что существует два пути образования N2O. Один путь начинается с нитрата, другой - с нитрита. На первый взгляд более короткий путь должен быть эффективнее, однако микробы, использующие нитрат, продуцируют больше газа, поскольку этот "сырьевой" источник более д ...>>

Омега-3 помогают молодым кораллам выживать 11.11.2025

Сохранение коралловых рифов становится все более актуальной задачей в условиях глобального изменения климата. Молодые кораллы особенно уязвимы на ранних стадиях развития, когда стрессовые условия и нехватка питательных веществ могут привести к высокой смертности. Недавнее исследование ученых из Технологического университета Сиднея показывает, что специальные пищевые добавки способны существенно повысить выживаемость личинок кораллов. В ходе работы исследователи разработали особый состав "детского питания" для коралловых личинок. В него вошли масла, богатые омега-3 жирными кислотами, а также важные стерины, необходимые для формирования клеточных мембран. Личинки, получавшие эти добавки, развивались быстрее, становились крепче и демонстрировали более высокую устойчивость к стрессовым факторам. Особое внимание ученые уделили липидам. Анализ показал, что личинки активно усваивают эти вещества, что напрямую влияет на их жизнеспособность. Стерины, содержащиеся в корме, повышают устойчи ...>>

Случайная новость из Архива

Видеоигры развивают детский интеллект 08.08.2025

Вопрос о влиянии видеоигр на детскую психику и умственные способности давно вызывает споры среди педагогов, родителей и ученых. В то время как одна часть общества считает видеоигры пустой тратой времени или даже угрозой, все больше исследований начинают ставить под сомнение это однозначное мнение. Новая научная работа шведских исследователей вносит важные коррективы в этот дискурс, предлагая более сбалансированный взгляд на роль интерактивных цифровых развлечений в когнитивном развитии ребенка.

Еще в 2022 году международная группа ученых, в которую вошел нейробиолог Торкель Клингберг из Каролинского института, опубликовала результаты масштабного исследования, в котором приняли участие почти десять тысяч американских детей в возрасте 9-10 лет. Специалисты зафиксировали среднесуточные цифровые привычки участников: около двух с половиной часов уходило на просмотр видео и телевизора, один час - на видеоигры, и примерно полчаса - на общение в интернете. Через два года когнитивные способности более чем пяти тысяч детей из той же выборки были проверены повторно.

Выводы оказались неожиданными для тех, кто традиционно считает экранное время исключительно вредным. Те дети, которые играли в видеоигры дольше среднего, показали прирост IQ на 2,5 балла выше по сравнению с остальными. Это улучшение проявлялось в ряде задач, включающих понимание текста, работу с визуальной информацией, кратковременную память, адаптивное мышление и способность к саморегуляции.

Важно отметить, что подобной связи между уровнем интеллекта и потреблением других видов цифрового контента - таких как социальные сети или телевизионные программы - обнаружено не было. Эти формы досуга, согласно полученным данным, не оказывают ни положительного, ни отрицательного влияния на когнитивное развитие.

Для обеспечения объективности результатов ученые тщательно контролировали такие переменные, как генетическая предрасположенность и социально-экономический статус семьи. Это позволило отделить влияние видеоигр от других возможных факторов, оказывающих воздействие на умственные способности ребенка.

Тем не менее, авторы исследования подчеркивают, что обнаруженная корреляция не обязательно означает наличие прямой причинно-следственной связи. Кроме того, работа не дифференцировала видеоигры по жанрам или платформам, не затрагивала вопросы сна, физической активности и эмоционального состояния детей. По словам Клингберга, все эти аспекты требуют отдельного рассмотрения, прежде чем делать окончательные выводы о пользе или вреде видеоигр.

Другие интересные новости:

▪ Бухгалтерам - низкие потолки

▪ Препарат для стимуляции роста новых зубов

▪ Оптоэлектронное реле серии FTR-SL

▪ Экологически чистый материал - заменитель натуральной кожи

▪ Аналого-цифровой преобразователь LTC2255

Лента новостей науки и техники, новинок электроники

 

Интересные материалы Бесплатной технической библиотеки:

▪ раздел сайта Конспекты лекций, шпаргалки. Подборка статей

▪ статья Джами (Абдуррахман Нураддин ибн Ахмад Джами). Знаменитые афоризмы

▪ статья Кто возглавлял мятеж богов-олимпийцев против Зевса? Подробный ответ

▪ статья Дубровник обыкновенный. Легенды, выращивание, способы применения

▪ статья Тепловые насосы для отопления и горячего водоснабжения. Энциклопедия радиоэлектроники и электротехники

▪ статья Схема универсального кабеля (GSM box). Энциклопедия радиоэлектроники и электротехники

Оставьте свой комментарий к этой статье:

Имя:


E-mail (не обязательно):


Комментарий:





Главная страница | Библиотека | Статьи | Карта сайта | Отзывы о сайте

www.diagram.com.ua

www.diagram.com.ua
2000-2025