Menu Home

Бесплатная техническая библиотека для любителей и профессионалов Бесплатная техническая библиотека


Трансформаторы питания на частоту 50 Гц. Энциклопедия радиоэлектроники и электротехники

Бесплатная техническая библиотека

Энциклопедия радиоэлектроники и электротехники / Блоки питания

Комментарии к статье Комментарии к статье

Трансформаторы питания входят в состав большого количества схем стабилизирующих и нестабилизирующих источников питания вторичного электропитания бытовой и любительской радиоэлектронной аппаратуры, работающей от сети переменного тока. Трансформатор - это статический электромагнитный аппарат. С помощью трансформатора преобразуется электрическая энергия переменного тока с одними параметрами в электрическую энергию с другими параметрами. Таким образом, при помощи трансформатора возможно понижение и повышение напряжения и тока, а также происходит электрическая изоляция выходных каналов электропитания от сети и друг от друга.

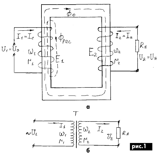
Работа трансформатора основана на взаимодействии электромагнитного поля первичной обмотки трансформатора на вторичные обмотки. Первичная (сетевая) обмотка подключается к сети переменного тока U1 с частотой тока 50 Гц или от 400 до 5000 Гц, а ко вторичным обмоткам подключают потребители электрической энергии (нагрузка). На рис.1,а изображена упрощенная схема трансформатора, а на рис.1,б - схема его включения. Обмотки трансформатора размещаются на общем магнитопроводе, изготовленном (для лучшей магнитной связи) из ферромагнитного материала.

Трансформаторы питания на частоту 50 Гц

Магнитный поток Фо замыкается по магнитопроводу и наводит в первичной и вторичной обмотках ЭДС соответственно Е1 и Е2. С учетом падения напряжения на активном сопротивлении r1 первичной и r2 вторичной обмоток Е1=U1 - r1I1, а Е2=U2+r2I2. Но часть магнитного потока замыкается и рассеивается в воздушной среде, так называемый Фрас, который действует только на витки первичной обмотки. Этот Фрас стараются уменьшить, таким образом увеличить КПД трансформатора. Это и есть режим работы трансформатора на номинальную нагрузку. Имеются также режимы холостого хода и короткого замыкания. Таким образом, основным элементом трансформатора является магнитопровод (сердечник).

Для сердечника трансформаторов, работающих на частоте 50 Гц, в основном применяют специальную электротехническую горячекатаную сталь марок 1511, 3412. Выпускается сталь этих марок в виде листов толщиной 0,35 и 0,5 мм. Применяется также сталь холоднокатаная марок 3411 и 3412. Она выпускается в виде листов толщиной 0,35; 0,5мм и в виде лент толщиной 0,28; 0,3; 0,35; 0,5 мм.

Холоднокатаные стали обладают большей, чем горячекатаные стали, магнитной индукцией, поэтому трансформаторы из холоднокатаных ста-

лей получаются меньших габаритов и веса при одной и той же мощности. Для трансформаторов, работающих на частоте 50 Гц, используют электротехническую сталь толщиной 0,15-0,5 мм, на частоте от 400 до 5000 Гц - сталь толщиной 0,05-0,08 мм. В зависимости от требований, предъявляемых к трансформатору (мощность, стоимость, удельная характеристика), применяют пластинчатый или ленточный магнитопровод.

Основные типы и размеры пластин трансформаторов приведены на рис.2, где: а - E-образная; б - Ш-образные пластины различных типов: Ш - с h>2,5...3l1; Шу - с умеренным основанием и h>3l1; Ша - с h>l1; Шб - с h<l1; в, г, д - Ш-образные пластины с немагнитным зазором h1 и h>l1; е - П-образные пластины: Пн - с h>l1 и Пу - с h>2,5l1.

Трансформаторы питания на частоту 50 Гц

Таким образом, в зависимости от конструкции магнитопровода трансформаторы подразделяются на пластинчатые броневые (Ш-образные) и пластинчатые (П-образные). Они изображены на рис.3.

Трансформаторы питания на частоту 50 Гц

Магнитопроводы для силовых трансформаторов собирают только внахлест (вперекрышку). Для трансформаторов применяют и ленточные сердечники. Такие трансформаторы имеют значительно меньшее поле рассеивания, т.е. создают меньше наводок на окружающие элементы схемы и детали создаваемого устройства. Это позволяет располагать их рядом с функциональными узлами высокочувствительной радиоаппаратуры. Сердечник Ш-образного трансформатора обозначают названием типа и цифрами, определяющими ширину среднего стержня l (рис.3,а) или боковых (рис.3,б) и толщину В магнитопровода.

Конструктивные параметры магнитоповода

Минимальная площадь поперечного сечения стержня

Sс=B(l-∆l),

где В - толщина набора; l - ширина набора; ∆l - предельное отклонение.

Минимальная площадь окна набора

Sок = l1(h-∆h),

где l1 -ширина окна набора; h-высота окна; ∆h-предельное отклонение.

Для магнитопроводов ШI, ШШ, ШП (рис.4,а-ж)

Трансформаторы питания на частоту 50 Гц

Средняя длина магнитной линии силового поля сердечника

Iср=h-1[h+2l1+1,18(H-h) + 0,4I/H-I

Для магнитопровода ШУ (рис.4,д)

lср=2(h+l1)+1,57l.

Для магнитопровода ПН, ПУ (рис.4,е)

lср=2(h+l1)+1,57(H-h);

lо=2l+2В+2,5l1+8δк,

где lо-средняя длина проводника электрического тока сердечника; δк-суммарное значение зазора и толщины каркаса трансформатора (в пределах 0,55-1,5 мм).

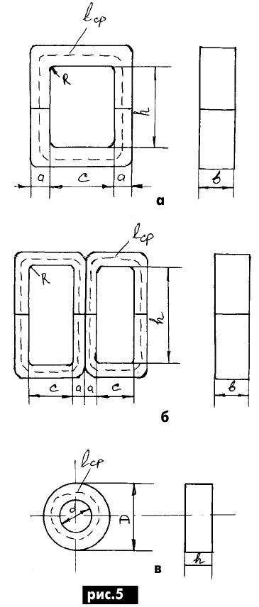
Для облегчения изготовления ленточные магнитопроводы делают разрезными. Место стыка хорошо полируют и при сборке хорошо стягивают, чтобы не было потерь магнитного потока, и чтобы трансформатор не гудел. Неразрезные ленточные магнитопроводы обладают более (на 20-30%) высокой магнитной индукцией, т.е. обладают магнитными потерями. Но намотка таких трансформаторов гораздо сложнее. Намотку неразрезных трансформаторов делают на специальных станках или в домашних условиях с помощью челнока. Ленточные сердечники трансформаторов делят на стержневые (рис.5,а), броневые (рис.5,б) и кольцевые (рис.5,в), где а - толщина навивки; b - ширина ленты; с - ширина окна; h - высота окна; R - внутренний радиус (от 5 до 2 мм в зависимости от толщины ленты). Стержневые конструкции делят на ПЛ - П-образные ленточные; ПЛМ - П-образные ленточные с уменьшенным отношением ширины окна к толщине намотки (с/а <1); ПЛР - П-образные ленточные с размерами геометрии с наименьшей стоимостью трансформатора.

Трансформаторы питания на частоту 50 Гц

Броневые конструкции делят на ШЛ - Ш-образные ленточные; ШЛМ - Ш-образные ленточные с уменьшенным отношением ширины окна к толщине навивки; ШЛО - Ш-образные ленточные с увеличенным отношением ширины ленты к толщине навивки (b/а>3); ШЛР - Ш-образные ленточные с геометрией наименьшей стоимости трансформатора.

Выбираем сердечник для трансформатора, чтобы получить наименьшую стоимость, объем и массу: типа ПЛ - для низковольтовых трансформаторов мощностью более 500 В А; типа ПЛМ - для низковольтовых трансформаторов с мощностью более 100 В А и когда требуется наименьшее поле рассеивания; типа ШЛМ - для мощности 100 В А и с ограниченным падением напряжения на обмотках. Идеальным, конечно, является трансформатор с ленточным кольцевым сердечником. У него очень небольшой поток рассеивания, малое магнитное сопротивление и небольшая чувствительность к внешним магнитным полям.

Трансформатор имеет три режима работы: холостого хода, номинальной нагрузки и короткого замыкания. При режиме Х.Х. через первичную обмотку w1 (рис. 1) протекает Iх и создает в сердечнике основной магнитный поток Фх. Полезная мощность, отдаваемая трансформатором, равна нулю. Из сети потребляется активная мощность, которая определяется только потерями (в зависимости от материала сердечника) в самом сердечнике трансформатора. Iх имеет и реактивную составляющую, которая ведет к ухудшению коэффициента мощности соsϕ питающей сети. Этот режим для трансформатора не опасен.

Режим короткого замыкания (короткое замыкание или малая нагрузка во вторичной цепи) опасен и способен вызывать повреждение (нагрев и даже воспламенение) трансформатора. В режиме номинальной нагрузки напряжение на вторичной обмотке является комплексной величиной и зависит от значения и характера сопротивления нагрузки.

Обмотки трансформаторов броневой и стержневой конструкции изготовляют обычно на каркасах, но применяют и бескаркасную (гильзовую). Обмотки кольцевых сердечников изготовляют на кольцевых каркасах или на магнитопроводе, обмотанным какой-либо изоляцией. Каркасы изготовляют из электрокартона, пластмассы, просто картона. Каркасы желательно пропитывать специальными лаками или влагозащитными компаундами. Обмотки располагают одна над другой или одна рядом с другой. Трансформаторы малой мощности обычно выполняют на пластинчатых или ленточных сердечниках броневой конструкции. Обмотки в этом случае размещают на среднем стержне. При изготовлении трансформаторов средней и большой мощности лучше использовать магнитопроводы стержневой конструкции. Обмотки располагают на каркасах двух боковых стержней.

Сетевую обмотку (первичная) обычно наматывают первой на каркасе. Далее наматывают вторичные обмотки. Желательно между первичной и вторичными обмотками располагать электростатический экран. Его изготовляют или изолированным проводом в один слой, или одним незамкнутым витком фольги. Один конец такого электростатического экрана соединяют с шасси или с общим проводом аппарата, что дает возможность ослабить наводки и помехи, проникающие через межвитковую и межобмоточную емкости из сети и наоборот. Это очень актуально в настоящее время, так как в нашей действительности обычно работает очень много различных радио- и электроаппаратов, дающих помехи в питающую сеть. Особенно много помех дают импульсные блоки питания современной радиоаппаратуры ширпотреба.

При намотке трансформаторов на "кольце" обмотки необходимо располагать равномерно по окружности сердечника. Обмотки со средней точкой лучше всего мотать сразу двумя проводами одновременно. Далее соединяют начало одной обмотки с концом другой, чтобы получить среднюю точку. Так получается хорошая симметрия обмотки. Наматываемые обмотки обязательно необходимо изолировать друг от друга. Это делается с помощью кабельной бумаги, лакоткани, фторопластовой ленты, просто бумаги и т. д. При изготовлении высоковольтных обмоток их необходимо изолировать через каждые 2-3 слоя. Очень хороша для этих целей полиэтилентерефталатная пленка толщиной до 59 мкм.

Обмотки бытовых трансформаторов наматывают медными (редко алюминиевыми) изолированными круглыми (реже прямоугольными) проводами. Очень хорошо для этой цели подходят провода круглого сечения с высокопрочной (винифлексовой) изоляцией типа ПЭВ-1, ПЭВ-2. Провод типа ПЭЛ (изоляция масляносмоляным лаком) в настоящее время применяют реже. Провод марки ПЭВ-1, ПЭВ-2 выпускается диаметром от 0,03 до 2,5 мм. Пробивное напряжение у этих проводов в зависимости от диаметра от 600 и до 2500 В. Так же применяют провод повышенной теплостойкости типа ПЭТ и ПЭТВ.

Степень заполнения окна сердечники медью определяется коэффициентом заполнения окна Кок = Sм/Sок. Это отношение общей пло-

шади сечения меди провода обмоток к площади окна сердечника. Для бытовой аппаратуры значение Кок при расчетах берут таким:

Это для обмоточных проводов ПЭЛ, ПЭВ, ПЭТ, ПЭТВ круглого сечения.

При определении температуры нагрева трансформатора необходимо учитывать плотность тока в обмотках J и теплоизлучающую поверхность обмоток трансформатора.

Необходимый диаметр провода для намотки обмоток (без изоляции):

dм = 1,13(I/J)1/2,

где I - действующий ток в обмотке; J - заданная плотность тока.

При намотке обмоток виток к витку плотного прилегания витков друг к другу никогда не получится, поэтому необходимо учитывать и коэффициент укладки Кук. Для проводов диаметром от 0,05 до 0,1 мм равен 0,83-0,85, для диаметра от 0,1 до 0,56 мм равен 0,92-0,93, а выше он равен 0,95. Необходимо учитывать и коэффициент разбухания Краз за счет недостаточного натяга провода. Так, для провода диаметром до 0,5 мм Краз=1,05...1,07, а более 0,5 мм Краз=1,1...1,12.

Расчет трансформатора

Определяют габаритную мощность трансформатора для обмоток со средней точкой

  n
Рг= 0,5(Рн.тр+1/hтр∑KвiUiIi),
  i=2

где Квi - коэффициент, учитывающий тип выпрямителя (0,71-для двухполупериодного выпрямления, 1 - для мостовых схем выпрямления и с удвоением напряжения); n-количество вторичных обмоток трансформатора; Рн.тр - суммарная мощность вторичных обмоток; hтр зависит от Рн.тр. (рис. 6, где 1 - кольцевой; 2 - стержневой и броневой магнитопровод)

  n
Рн.тр= ∑ UiIi,
  i=2

где Ui, Ii - напряжение и ток вторичных обмоток.

Трансформаторы питания на частоту 50 Гц

Если обмотки без средней точки

Рг=0,5 Рн.тр(1+1/hтр)

Для однополупериодной схемы выпрямления

Рг=0,5 Рн.тр(1+Кв.i);

Кв.i=(1-I2д)1/2,

где Iд - отношение среднего тока в нагрузке к действующему току обмотки.

После нахождения Рг определяют произведение окна сердечника, который занимают обмотки, на площадь поперечного сечения стали:

SсSок=[Рг(1+hтр)102/4КфfсBJKсКокhтр]

где Кф - коэффициент формы кривой напряжения (1,11 для синосуидальной формы); Кс-коэффициент заполнения сердечника сталью равен 0,8-,95 (меньшее значение соответствует более тонкому листу или ленте электротехнической стали).

Автор: О.Г. Рашитов

Смотрите другие статьи раздела Блоки питания.

Читайте и пишите полезные комментарии к этой статье.

<< Назад

Последние новости науки и техники, новинки электроники:

Вкусовые пристрастия формируются еще в утробе 30.05.2026

Предпочтения человека к еде закладываются задолго до первого прикорма. Современная наука подтверждает, что ребенок начинает знакомиться с ароматами и вкусами пищи еще до рождения, через околоплодные воды. Новое международное исследование показало, что регулярное потребление определенных продуктов беременной женщиной может формировать долгосрочные пищевые предпочтения у ребенка, сохраняющиеся даже спустя годы после появления на свет. Ученые из университетов Великобритании, Франции и Нидерландов провели эксперимент с участием беременных женщин. Одной группе будущих мам давали капсулы с порошком капусты кейл, другой - с порошком моркови. Реакцию детей на эти запахи проверяли в три этапа: сначала в утробе матери с помощью 4D-УЗИ на поздних сроках беременности, затем в возрасте трех месяцев и, наконец, когда детям исполнилось три года. Результаты оказались весьма убедительными. Дети женщин, принимавших порошок кейла, положительно реагировали на запах этой капусты, но негативно - на ар ...>>

Монитор Philips 24B2D5300 с двумя экранами 120 Гц 30.05.2026

Компания Philips разработала интересное устройство, которое решает эту задачу элегантно и технологично. Новый монитор 24B2D5300 оснащен сразу двумя полноценными экранами - один спереди, другой сзади. Такая конструкция особенно востребована в банках, на рецепциях, в медицинских центрах и коворкингах, где важна прозрачность взаимодействия. Обе панели монитора представляют собой IPS-матрицы с диагональю 23,8 дюйма и разрешением Full HD (1920x1080 пикселей). Каждая из них поддерживает частоту обновления 120 Гц, что пока остается редкостью для бизнес-ориентированных моделей. Высокая частота обновления обеспечивает плавное изображение даже при динамичном контенте, делая работу за монитором более комфортной и презентации - более качественными. Пользователи могут выбирать между двумя основными режимами работы: дублирование одного и того же изображения на оба экрана или использование дисплеев как полностью независимых. Благодаря этому сотрудник может видеть на своей стороне рабочую информ ...>>

Цыплята из искусственного яйца, напечатанного на 3D-принтере 29.05.2026

Компания Colossal Biosciences, известная своими амбициозными инициативами по "воскрешению" вымерших животных, достигла важного прорыва. Специалистам удалось вырастить цыплят из полностью искусственного яйца, созданного с помощью 3D-печати. Эта технология рассматривается как значительный шаг на пути к возможному возрождению одного из самых впечатляющих представителей исчезнувшей фауны - гигантского моа. Южноостровной гигантский моа (Dinornis robustus) был одной из самых высоких птиц в истории Земли. Самки этого нелетающего родственника страусов могли вырастать выше двух метров и дотягиваться до пищи на высоте до 3,6 метра. Эти гиганты обитали в Новой Зеландии, однако полностью исчезли примерно в XV веке после активной охоты со стороны первых поселенцев-маори. Теперь Colossal Biosciences пытается вернуть подобных птиц в современный мир с помощью передовых биоинженерных решений. Искусственное яйцо, разработанное компанией, состоит из титановой решетчатой оболочки, изготовленной на 3 ...>>

Случайная новость из Архива

Батарея как часть корпуса 30.03.2021

Ученые придумали аккумуляторный элемент, который не добавляет автомобилю дополнительной массы, так как является компонентом кузова.

Аккумуляторы добавляют довольно много дополнительной массы электрическим транспортным средствам. Но ученые нашли способ исправить это: они создали батарею, которая может одновременно быть частью корпуса авто

Тяжелые и громоздкие батареи являются одним из главных факторов, ограничивающих свободу передвижения электрических транспортных средств - самолетов, автомобилей и дронов. Исследователи со всего мира бьются над тем, чтобы создать батареи с максимально высокой плотностью хранения энергии.

В 2018 году ученые из Технологического университета Чалмерса опубликовали исследование, в котором описали новый тип углеродного волокна с правильным расположением кристаллов. Это волокно сочетало в себе высокую жесткость, необходимую для использования его в качестве конструкционного материала автомобиля, и способность сохранять электрический заряд.

Теперь эти же исследователи сконструировали из углеволокна целую аккумуляторную батарею, которая оказалась в 10 раз эффективнее аналогов. Батарея состоит из отрицательного электрода, изготовленного из углеродного волокна, и положительного электрода из алюминиевой фольги, покрытой фосфатом железа-лития. Электроды разделены слоем стекловолокна, который служит структурной матрицей электролита. Этот слой одновременно позволяет ионам лития перемещаться между электродами, как и в обычной батарее, и помогает распределять механическую нагрузку на различные части конструкции.

Исследователи называют свою разработку "безмассовым" устройством хранения энергии, потому что, в отличие от обычной батареи, оно не увеличивает массу транспортного средства. По крайней мере в теории. Несомненно, это большой плюс технологии, однако ее применение требует некоторых компромиссов. Например, плотность хранения энергии у такого аккумулятора составляет 24 Втч/кг - примерно в 5 раз меньше, чем у существующих литий-ионных аккумуляторов. Но такие конструкционные материалы можно использовать вместе с привычными батареями, что позволит увеличить пробег машины на одном заряде.

Другие интересные новости:

▪ Глобальное потепление откроет Северный полюс для навигации

▪ 600-вольтовые CoolMOS транзисторы P7 от Infineon

▪ Масса протона разгадана

▪ Как победить зависимость от смартфонов

▪ Самый маленький микрофон в мире

Лента новостей науки и техники, новинок электроники

 

Интересные материалы Бесплатной технической библиотеки:

▪ раздел сайта Микрофоны, радиомикрофоны. Подборка статей

▪ статья Лучше гибель, но со славой, чем бесславных дней позор. Крылатое выражение

▪ статья Что такое радий? Подробный ответ

▪ статья Оценщик. Должностная инструкция

▪ статья Выпрямитель с малым уровнем пульсаций. Энциклопедия радиоэлектроники и электротехники

▪ статья Источник питания с гальванической развязкой. Энциклопедия радиоэлектроники и электротехники

[an error occurred while processing this directive] Оставьте свой комментарий к этой статье:

Имя:


E-mail (не обязательно):


Комментарий:





Главная страница | Библиотека | Статьи | Карта сайта | Отзывы о сайте

www.diagram.com.ua

www.diagram.com.ua
2000-2026