Menu Home

Бесплатная техническая библиотека для любителей и профессионалов Бесплатная техническая библиотека


Тиристорный стабилизированный источник питания с возможностью регулировки и защитой от перегрузок по току. Энциклопедия радиоэлектроники и электротехники

Бесплатная техническая библиотека

Энциклопедия радиоэлектроники и электротехники / Блоки питания

Комментарии к статье Комментарии к статье

Предлагаю вниманию читателей тиристорный регулируемый стабилизатор напряжения с защитой от перегрузок. Эта конструкция будет весьма эффективна при питании нагрузок, не критичных к пульсациям питающего напряжения, например, для двигателей постоянного тока и любых других приборов, потребляющих значительную мощность и требующих стабильного (по среднему значению) напряжения питания с возможностью регулировки.

Его предельные технические характеристики определяются характеристиками двух схемотехнических фрагментов - тиристора и выпрямительного моста. Система управления является универсальной, она рассчитана и создана так, чтобы исключить из конструктива дорогостоящие и/или дефицитные элементы.

Функциональная схема показана на рис.1.

Тиристорный стабилизированный источник питания с возможностью регулировки и защитой от перегрузок по току
(нажмите для увеличения)

Сразу хочу предупредить, что попытки питать всю систему от одного источника, не увенчались успехом. Слишком велики наводки различных цепей друг на друга через источник питания, что сильно ухудшает стабильность выходного напряжения. А создание источника питания с низким выходным сопротивлением в этом конструктиве является делом неоправданным с точки зрения затрат и количества элементов.

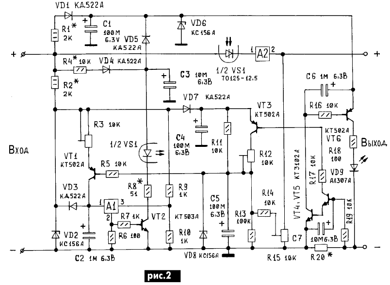
Принципиальная схема показана на рис.2, где R1, R2, R4 - гасящие резисторы цепей питания, причем сопротивление R4 может быть примерно в пять раз больше сопротивления R1, R2 из-за отбора тока с конденсатора С3, имеющего форму короткого импульса. Все остальное время С3 заряжается.

Тиристорный стабилизированный источник питания с возможностью регулировки и защитой от перегрузок по току

Сопротивления резисторов можно рассчитать по закону Ома для любого напряжения питания блока. В общем случае

R = (U - Uст)/I,

где R - необходимое сопротивление; U - действующее значение приложенного напряжения; Uст напряжение стабилизации стабилитрона; I - ток, необходимый для питаемой схемы и протекающий через этот резистор.

При больших U и малых Uст значением Uст можно пренебречь.

При расчетах не забывайте о мощности, рассеиваемой на резисторе, P = UI, где P - мощность, Вт; U - действующее значение приложенного напряжения, В; I ток, протекающий через резистор, А. Напоминаю, что для надежной работы резистора максимальная мощность, рассеиваемая на нем, должна быть примерно на двадцать процентов ниже номинальной.

На С2 и А1 собран одновибратор, генерирующий импульс длительностью не менее 100 мс, который через буферный транзистор VT2 зажигает светодиод оптотиристора, открывая его.

Схему узла А1 можно выполнить по рис.3 или 4.

Тиристорный стабилизированный источник питания с возможностью регулировки и защитой от перегрузок по току

Следует заметить, что схема на рис.3 работает стабильнее, чем однопереходной транзистор. Длительность импульса должна быть примерно в 10 раз больше минимальной паспортной длительности импульса открывающего тиристор. Диод VD3 обеспечивает синхронизацию одновибратора с полуволнами питающего напряжения, разряжая С2 в момент нулевого питающего напряжения. Узел R3, VT1 является управляемым источником тока заряда С2, что позволяет плавно регулировать время заряда. Резистор R6 определяет ширину импульса одновибратора. Следует отметить, что его сопротивление должно быть меньше сопротивлений R9, R10 опорного делителя. При использовании варианта блока А1 по рис.3 сопротивление R9, R10 может быть 10 кОм без заметного ухудшения характеристик. При использовании варианта блока А1 по рис.4 выводы однопереходного транзистора устанавливайте в соответствующие отверстия печатной платы без коррекции разводки, так как плата является универсальной.

Узел R4, VD4, C3 - цепь питания светодиода оптотиристора. Излишек напряжения "сбрасывается" через диод VD5. Светодиод оптотиристора пришлось снабдить отдельным источником питания из-за большого номинального питающего тока, что дает на водки на остальные цепи. О нецелесообразности внутреннего источника питания с низким выходным сопротивлением было сказано выше. Резистор R8 определяет ток светодиода оптотиристора. Предлагать четкую методику расчета этого резистора я не рискну по причине того, что мне попадались оптотиристоры с большим разбросом параметров светодиода. Этот элемент просто подберите. Предельное паспортное значение постоянного тока светодиода оптотиристора ТО125 равно 80 мА.

Узел VD7, C4 обеспечивает интегратор сигналов обратной связи стабильным питанием. Резистор R11 спрямляет характеристику регулировки выходного напряжения. Без него регулировка выходного напряжения в области малых напряжений будет более плавной, но более резкой в области высоких частот.

Узел VT3, R12 - еще один управляемый ключ. Его функция запирать VT1 при наличии перегрузки. Степень влияния сигналов обратной связи на интегратор определяется сопротивлением резистора R12. Узел C5, R14 собственно и является интегратором.

Интегрируется напряжение на нагрузке, величина которого определяется резистором R15. Следует отметить, что при питании блока от больших напряжений, таких, как напряжение сети 220 В, необходимо либо брать проволочный R15, либо увеличить его сопротивление примерно в 10 раз. В этом нетрудно убедиться, рассчитав мощность, выделяемую на этом резисторе по формуле, приведенной выше для расчета мощностей гасящих резисторов в цепях питания. Резистор R13 улучшает параметры интегратора по току утечки С5.

Можете поэкспериментировать с этим резистором или вообще исключить его, но параметров схемы это не улучшит. Стабилитрон VD8 рекомендуется устанавливать при работе блока в области больших напряжений, но это элемент безопасности, не являющийся обязательным. Поэтому установочное место для него на плате не предусмотрено.

Узел VT4, VT5 - усилитель сигнала датчика тока. Транзисторы открываются, если напряжение на базе VT5 будет примерно на 1,2 В больше, чем на эмиттере VT4. При экспериментах не рекомендую путать нагрузки коллекторов.

При включении, как показано на схеме, базоэмиттерный ток VT5 почти постоянен, а у VT4 со значительными пульсациями. Теперь прикиньте, что будет, если поменять коллекторные нагрузки этих транзисторов местами.

Узел R19, C7 - интегратор сигнала датчика тока. Если при использовании блока А2 и небольших токах нагрузки еще можно без него обойтись, то при отсутствии А2 весь формирователь сигнала датчика тока начинает работать в импульсном режиме. Поэтому работа всей системы расстраивается.

Резистор R20 - датчик тока (проволочный резистор). Его подбирайте по своему усмотрению, но учитывайте, если система защиты от перегрузок по току будет срабатывать при среднем токе большем, чем допустимые средние токи диодного моста или тиристора, то в ней нет смысла. Напряжение срабатывания защиты равно 1,2 В и, исходя из этого рассчитывайте сопротивление R20 по закону Ома: R = 1, 2/Imax, где R - сопротивление резистора, Ом, Imax - требуемое значение среднего тока в нагрузке.

Транзистор VT6 управляет светодиодом VD9, индицирующим режим перегрузки по току. Конденсатор C6 устраняет мерцание VD9 и смягчает режим работы усилителя сигнала датчика тока. Узел R1, VD1, C1, VD6 - цепь питания светодиода VD9.

Если не планируете индицировать состояние перегрузки, то можете исключить элементы R1, VD1, C1, C6, R16, VT6, R18, VD9, VT4. При этом эмиттер VT5 присоедините прямо к общему проводу. В этом случае напряжение срабатывания защиты, снимаемое с R20, составит примерно 0,6 В, что необходимо учитывать при расчетах сопротивления резистора R20.

Схема блока А2 показана на рис.5. Он обеспечивает уровень постоянной составляющей в нагрузке. Дроссель L1 используется как балласт. При открывании тиристора диоды выпрямительного моста работают в режиме тока короткого замыкания, подзаряжая конденсаторы фильтра. В этот момент L1 создает реактивное сопротивление в цепи, чем спасает диоды моста и тиристор от бросков тока, превышающих допустимый предел, а также избавляет их от перегрева и повышает долговечность системы.

Тиристорный стабилизированный источник питания с возможностью регулировки и защитой от перегрузок по току

Диод устраняет выбросы напряжения самоиндукции, чем предотвращает сбои в системе управления. Дроссель L2 выполняет роль балластного резистора по переменной составляющей.

Особенности конструкции

Можете заменить R18 либо стабилитроном КС133, либо еще одним светодиодом. Это имеет смысл делать для более стабильной работы оптотиристора и при необходимости наличия второго светодиода, например для дополнительной индикации. VD6 также можно заменить цепочкой из двух или трех последовательно включенных светодиодов. Можно заменить светодиодом и стабилитрон КС133, включенный последовательно. Они будут индицировать наличие питания в цепях блока.

Вместо VD5 можно установить между катодом VD4 и общим проводом стабилитрон с напряжением стабилизации 4,7...6,2 В. Можно варьировать этими цепями как хотите, но не нарушайте условия, при котором все цепи блока питаются напряжением в пределах 4,7...6,2 В.

Вместо датчика тока R20 можно установить переменный или подстроечный резистор, желательно проволочный. Это даст вам возможность плавно регулировать уровень срабатывания защиты по току.

Об особенностях платы

Разводка печатной платы со стороны дорожек показано на рис.6.

Тиристорный стабилизированный источник питания с возможностью регулировки и защитой от перегрузок по току

Она сконструирована таким образом, чтобы при отсутствии надобности в блоке А2 можно было просто укоротить ее. Линия, по которую следует укорачивать, обозначена штрихпунктиром. Предусмотрена возможность установки элементов питающей цепи для дополнительного светодиода, например, для индикации напряжения сети или любого другого высокого переменного напряжения. Принципиальная схема этой цепи изображена на рис.7.

Тиристорный стабилизированный источник питания с возможностью регулировки и защитой от перегрузок по току

Отверстия большого диаметра обозначены как точка, обведенная кругом. Все отверстия, диаметр которых не обозначен на рисунке, имеют диаметр 2 мм. Эти отверстия настоятельно рекомендую пистонировать. Это избавит вас от множества мелких неприятностей при монтаже и эксплуатации блока.

С внешними цепями плата стыкуется посредством разъема РП10-15. Этот разъем достаточно распространен, допускает токи до 10 А на контакт и, компенсируя мелкое неудобство проводного подключения его контактов к схеме, дает возможность легко вынести за пределы платы любой необходимый элемент. Например, установить VS1 на радиатор и вынести из платы R20, сделав его переменным. Разъем крепят к плате с помощью двух уголков, под которые в плате выполняют по два отверстия. Надежнее и удобнее ставить на плату гнездовую часть разъема. В нее чаще попадает мусор и чистить ее, конечно, удобнее на снятой плате, а не на менее удобном для доступа шасси.

На плате предусмотрены установочные места для подстроечных резисторов типа СП3-38б (лежачие). Если планируется эксплуатировать блок вне помещений или в агрессивной атмосфере, насыщенной парами кислот, щелочей, при повышенной влажности или запыленности, устанавливайте герметично закрытые резисторы. Соответственно расположению их выводов скорректируйте положение отверстий и монтажных площадок для них. Сам блок покройте лаком типа УР, Шерлак, в крайнем случае, канифолью, разведенной спиртом.

Не ленитесь закрепить на плате проволочной скобой конденсаторы фильтра блока А2. Для этого специально оставлены соответствующие отверстия. Для улучшения теплорассеивания элементов R1, R2, R4, R20 при монтаже оставьте их приподнятыми над платой примерно на 5 мм.

Сердечники дросселей фильтра А2 крепят к плате винтами М4х25 через соответствующие отверстия. Для того чтобы сердечник не треснул, проложите между ним и винтом мягкую шайбу, можно текстолитовую.

В силовом выпрямителе использованы диоды КД213 (при работе с напряжениями ниже 200 В) или любые другие достаточно мощные.

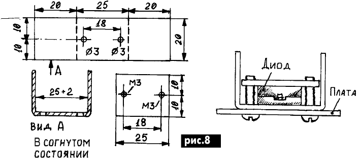
Простые в изготовлении и достаточно эффективные радиаторы показаны на рис.8.

Тиристорный стабилизированный источник питания с возможностью регулировки и защитой от перегрузок по току

Конструкция состоит из П-образной скобы мягкого алюминия толщиной 2...3 мм и прижимной пластины из дюраля такой же толщины с резьбовыми отверстиями.

Прижимную пластину можно выполнить и из другого материала, но это ухудшит теплоотвод. Данная конструкция радиатора рассчитана на диоды КД213, КД212 или аналогичные. При использовании других диодов возможно придется откорректировать положение и размеры крепежных отверстий.

Оптотиристор ТО125 крепят к плате двумя винтами М3 через соответствующие отверстия. Эти же винты обеспечивают электрический контакт анода со схемой.

Светодиод оптотиристора подключают к соответствующим контактам на плате посредством провода и резистора R8, как навесного элемента.

Детали

Все резисторы типа МЛТ, МТ, ВС, С2-ХХ с мощностями, соответствующими указанным на схеме. Конденсаторы электролитические типа К53-1, К53-4. Они имеют всеклиматическое исполнение. Можете, конечно, взять и К50-ХХ, но я вам это очень не советую. Цена нагрузки и надежности может быть гораздо выше.

Стабилитроны - на напряжение 4,7...6,2 В с любыми буквенными индексами и желательно все одного типа (КС147, КС447, КС156, КС456, КС162). Можно заменить: КТ502 на КТ203, КТ209, КТ3107, КТ501 с любой буквой, КТ503 на КТ3102 с любой буквой, КТ3102 на КТ342, хуже если КТ503. Все с любыми буквенными индексами. КД522 на КД521 или любые другие с постоянным прямым током до 50 мА и обратным напряжением не меньше 15 В. Дроссели блока А2 намотаны на броневых сердечниках Б30...Б36. L1 содержит 10...30 витков провода ПЭЛ 0,8...ПЭЛ 1,2, L2 содержит 50...100 витков провода ПЭЛ 0,6...ПЭЛ 1,0. В этих дросселях желательно устроить немагнитный зазор 0,1...0,5 мм.

Для этого слегка зашкурьте торец чашки и промажьте его любым водостойким клеем. После этого наклейте чашку на лист обычной, а лучше конденсаторной бумаги. После высыхания клея лишнюю бумагу удалите так, чтобы в чашку свободно входила катушка. Эту операцию можно проделать с обеими чашками. Все зависит от толщины имеющейся бумаги. Чтобы избежать неприятного гудения витков или чашек дросселя на больших токах нагрузки, окуните собранный и стянутый дроссель в расплавленный воск, парафин, стеарин на 3...5 с. Дайте свободно стечь лишнему наполнителю.

Настройка

Правильно рассчитанный и собранный блок требует соответствующей установки подстроечных резисторов. Вначале установите движки резисторов R3, R12, R15 в среднее положение. Если блок не работает, тогда проверьте напряжения питания. Если необходимо, то подберите сопротивления гасящих резисторов в цепях питания. Возможно, ток светодиода оптотиристора слишком мал. Тогда подберите R8. Вместо него можно впаять цепь из последовательно соединенных постоянного 10 Ом и переменного 100 Ом резисторов. Не следует выбирать крайние значения тока светодиода. Весь этот процесс лучше контролировать осциллографом. Напоминаю, что предельное паспортное значение постоянного тока светодиода для ТО125 лежит в пределах 80 мА.

Напоследок хочу выразить надежду, что на эту схему обратят внимание производители ИМС. Тогда можно всерьез подумать об одной, более сложной, но более мощной цепи питания с единым гасящим элементом и двумя-тремя внешними конденсаторами на всю схему. Для нас, разработчиков и эксплуатационщиков, работа с одной дешевой ИМС в подобном блоке гораздо упростится. А рынок для такого стабилизатора может быть весьма велик.

Автор: В.Б.Ефименко

Смотрите другие статьи раздела Блоки питания.

Читайте и пишите полезные комментарии к этой статье.

<< Назад

Последние новости науки и техники, новинки электроники:

Питомцы как стимулятор разума 06.10.2025

Помимо эмоциональной поддержки, домашние питомцы могут оказывать заметное воздействие на когнитивные процессы, особенно у пожилых людей. Новое масштабное исследование показало, что общение с кошками и собаками не просто улучшает настроение - оно действительно способствует замедлению возрастного снижения умственных способностей. Работа проводилась в рамках проекта Survey of Health, Ageing and Retirement in Europe (SHARE), охватывающего период с 2004 по 2022 год. В исследовании приняли участие тысячи европейцев старше 50 лет. Анализ показал, что владельцы домашних животных демонстрируют более устойчивые когнитивные функции по сравнению с теми, кто не держит питомцев. Особенно выражен эффект оказался у владельцев кошек и собак. Согласно данным ученых, владельцы собак дольше сохраняют хорошую память, в то время как хозяева кошек медленнее теряют способность к быстрому речевому взаимодействию. Исследователи связывают это с тем, что ежедневное взаимодействие с животными требует внимани ...>>

Мини-ПК ExpertCenter PN54-S1 06.10.2025

Компания ASUSTeK Computer презентовала новый мини-компьютер ASUS ExpertCenter PN54-S1. Устройство ориентировано на пользователей, которым важно сочетание производительности, энергоэффективности и универсальности - от офисных задач до мультимедийных проектов. В основе ExpertCenter PN54-S1 лежит современная аппаратная платформа AMD Hawk Point, использующая архитектуру Zen 4. Это поколение чипов отличается улучшенным управлением энергопотреблением и повышенной вычислительной мощностью. Новинка доступна в конфигурациях с процессорами Ryzen 7260, Ryzen 5220 и Ryzen 5210, представленных AMD в начале 2025 года. Таким образом, устройство охватывает широкий диапазон задач - от базовых офисных до ресурсоемких вычислений. Корпус мини-ПК выполнен из прочного алюминия и имеет размеры 130&#215;130&#215;34 мм, что делает его практически незаметным на рабочем столе или за монитором. Несмотря на компактность, внутренняя компоновка позволяет установить два модуля оперативной памяти SO-DIMM ...>>

Глазные капли, возвращающие молодость зрению 05.10.2025

С возрастом человеческий глаз постепенно теряет способность четко видеть на близком расстоянии - развивается пресбиопия, или возрастная дальнозоркость. Этот естественный процесс связан с утратой эластичности хрусталика и ослаблением цилиарной мышцы, отвечающей за фокусировку. Миллионы людей по всему миру сталкиваются с необходимостью носить очки для чтения или прибегают к хирургическим методам коррекции. Однако исследователи из Центра передовых исследований пресбиопии в Буэнос-Айресе представили решение, которое может стать удобной и неинвазивной альтернативой - специальные глазные капли, способные улучшать зрение на длительный срок. Разработку возглавила Джованна Беноцци, директор Центра. По ее словам, цель исследования состояла в том, чтобы предоставить пациентам с пресбиопией эффективный и безопасный способ коррекции зрения без хирургического вмешательства. Новые капли, созданные на основе пилокарпина и диклофенака, показали убедительные результаты: уже через час после первого пр ...>>

Случайная новость из Архива

Неуязвимая электроника 15.03.2013

Команде ученых и инженеров удалось создать крошечный микрочип, усилитель мощности миллиметровых волн, который способен восстанавливать работоспособность даже после серьезных повреждений. Ученые из Калифорнийского технологического института создали электронику, которая самовосстанавливается после повреждений. Прибору на ее основе будут не страшны короткие замыкания, радиационное облучение, механические повреждения и т.д. В ходе экспериментов различные части микрочипа даже уничтожали мощным лазером, но все равно "умная" схема восстанавливала работоспособность менее чем за секунду. При этом чип настолько мал, что на мелкую монету могут поместиться 76 таких устройств.

"Это было невероятно впечатляюще. Мне кажется, что мы были свидетелями следующего шага в эволюции интегральных схем, - говорит один из разработчиков уникальной технологии Али Хаджимири. - Мы буквально взорвали половину усилителя и испарили многие из его компонентов, включая транзисторы. Тем не менее, он смог восстановиться и продемонстрировал почти максимальную производительность".

До сих пор даже мелкие неисправности часто оказываются фатальными для интегральных микросхем. Специалисты из Калифорнийского технологического института решили создать микрочипы, обладающие чем-то вроде "иммунной системы", которая обнаружит проблему и восстановит работоспособность чипа. В результате удалось создать прототип подобной микросхемы. "Неуязвимый" усилитель мощности включает множество надежных датчиков, которые контролируют температуру, ток, напряжение и потребляемую мощность. Информация с этих датчиков подается на центральный процессор, который выступает в качестве 'мозга' системы. Процессор анализирует эффективность работы усилителя и, если это необходимо, переключает функции тех или иных компонент.

Интересно, что "мозг" не функционирует на основе алгоритмов, то есть не обязательно заранее предугадывать всевозможные типы поломок. Вместо этого процессор делает выводы на основе совокупных показаний датчиков. Проще говоря, система всегда автоматически находит оптимальную конфигурацию для максимальной производительности, "не интересуясь" причиной поломки. Таким образом, сложные микросхемы могут автоматически поддерживать высокую эффективность работы в самых разных условиях, например при перегреве или падении напряжения. В случае серьезного повреждения такая микросхема сохранит хотя бы минимальную работоспособность, что в некоторых ситуациях может спасти жизни людей.

Сегодня без электроники невозможно представить ни одну область деятельности. Фактически, наша цивилизация базируется именно на компьютерах, и надежность этих машин имеет первостепенное значение. "Неразрушаемые" микросхемы несомненно станут важным шагом к сверхнадежным космическим кораблям, автомобилям, самолетам и т.д.

Другие интересные новости:

▪ Формат 4K скоро станет популярным

▪ Крошечный электромобиль Rimono

▪ Операционные усилители STMicroelectronics TSX561, TSX562, TSX564

▪ Новый рекорд по скорости беспроводной передачи данных

▪ Электрический ток из микроволн

Лента новостей науки и техники, новинок электроники

 

Интересные материалы Бесплатной технической библиотеки:

▪ раздел сайта Аккумуляторы, зарядные устройства. Подборка статей

▪ статья Поехал для порядка, а возвратился пьян. Крылатое выражение

▪ статья Какая страна импортирует мусор для перерабатывающих заводов? Подробный ответ

▪ статья Вяз гладкий. Легенды, выращивание, способы применения

▪ статья Включение низковольтных электролитических конденсаторов. Энциклопедия радиоэлектроники и электротехники

▪ статья Преобразователь на микросхеме CD4047, 12/220 вольт. Энциклопедия радиоэлектроники и электротехники

Оставьте свой комментарий к этой статье:

Имя:


E-mail (не обязательно):


Комментарий:





Главная страница | Библиотека | Статьи | Карта сайта | Отзывы о сайте

www.diagram.com.ua

www.diagram.com.ua
2000-2025