Menu Home

Бесплатная техническая библиотека для любителей и профессионалов Бесплатная техническая библиотека


Силовой коммутатор с удаленным управлением. Энциклопедия радиоэлектроники и электротехники

Бесплатная техническая библиотека

Энциклопедия радиоэлектроники и электротехники / Телефония

Комментарии к статье Комментарии к статье

Предлагаемое устройство предназначено для работы в телефонной сети общего пользования. Оно позволяет дистанционно, используя телефонную линию, включать и выключать сетевые электроприборы малой и средней (до 1 кВт) мощности. Устройство имеет четыре канала, (управляет четырьмя нагрузками). Количество каналов можно произвольно увеличить путем наращивания. Питание коммутатора осуществляется от сети переменного тока 220 В. Подключать устройство в месте его установки к телефонной линии можно без соблюдения полярности параллельно местному телефонному аппарату (МТА).

В дежурном режиме устройство не нагружает линию, не реагирует на речевые сигналы и импульсные или DTMF-сигналы набора номера, поступающие с МТА или из линии. Удаленное управление нагрузками коммутатора (изменение их состояний) проводится только в режиме занятия им линии. Коммутатор занимает линию после поступления на МТА с АТС определенного количества входящих вызывных сигналов (посылок.). Для управления нагрузками используются стандартные DTMF-сигналы, поступающие с удаленного телефонного аппарата (УТА), с которым у коммутатора установилось соединение. Если УТА не имеет функции DTMF-набора, управлять можно с биппера, который подносится пользователем к микрофону микротелефонной трубки УТА.

Коммутатор работает в интерактивном режиме, т.е. не только принимает из линии команды управления, но и выдает в линию сигналы, по которым пользователь может судить о выполнении своих команд и о текущем состоянии нагрузок.

Каждая из нагрузок имеет собственный адрес - трехзначную комбинацию, состоящую из цифр 0 - 9, символов #, * и букв A, B, C, D. Устройство воспринимает четыре команды: включить нагрузку с некоторым адресом, выключить нагрузку с некоторым адресом, запросить текущее состояние нагрузки с некоторым адресом и освободить линию. Устройство выдает в линию три вида сигналов: "оповещение пользователя о занятии линии" - прерывистый сигнал с основным тоном 1024 Гц длительностью 3,5 - 4 с; "оповещение пользователя о включенном состоянии нагрузки с некоторым адресом" непрерывный сигнал с основным тоном 1024 Гц длительностью 2 с; оповещение пользователя о выключенном состоянии нагрузки с некоторым адресом" - прерывистый сигнал с основным тоном 1024 Гц длительностью 2 с. Если после занятия коммутатором линии из нее не поступают DTMF-сигналы в течение 1-2 мин, происходит автоматическое освобождение линии с возвратом устройства в дежурный режим.

Электрические параметры коммутатора, касающиеся его взаимодействия с телефонной линией, не выходят за рамки, установленные для телефонных аппаратов любого класса сложности [1]. Собственные и управляющие сигналы устройства по частоте лежат в пределах полосы пропускания телефонного канала (0,3 - 3 кГц).

На базе предлагаемого устройства можно создать систему дистанционного дискретного регулирования какого-либо параметра или систему индивидуального оповещения большого числа (теоретически до 163) абонентов по одной телефонной линии, например, в пределах одного учреждения.

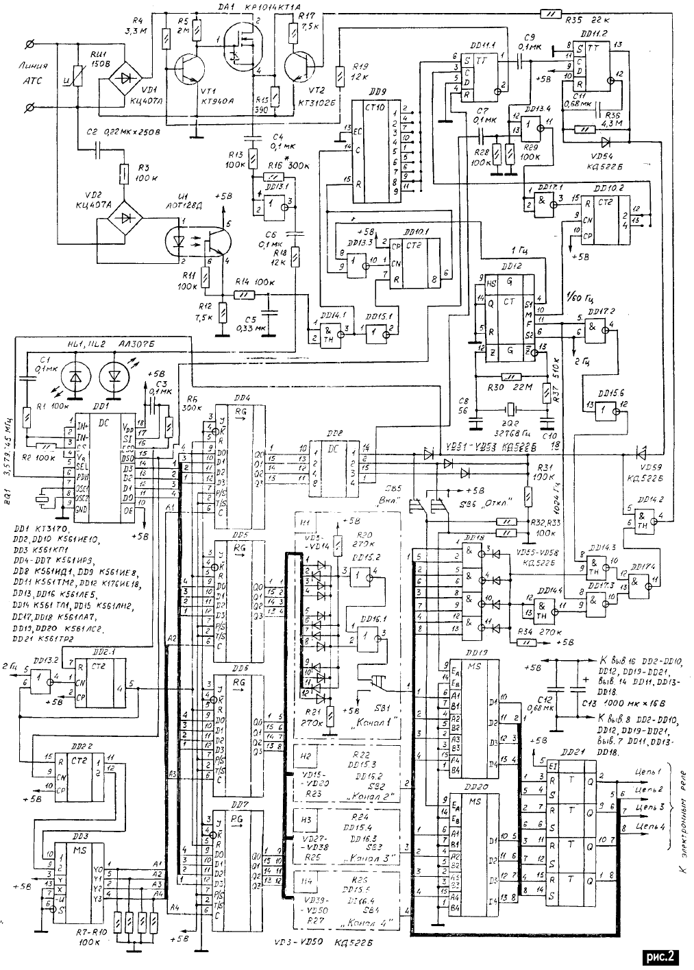
Структурная схема коммутатора приведена на рис.1, а принципиальная схема логического (цифрового) блока устройства - на рис.2.

Силовой коммутатор с удаленным управлением
(нажмите для увеличения)

Силовой коммутатор с удаленным управлением
(нажмите для увеличения)

Узел сопряжения с линией, выполненный на VD1, DA1, VT1, VT2, обеспечивает занятие линии, прием из нее DTMF-сигналов, образующих адресно-командные посылки (АКП), ввод в линию собственных сигналов устройства. Узел формирования вызывных сигналов, выполненный на VD2, U1, DD14.1, формирует из вызывных посылок АТС импульсы цифровых уровней. Узел управления режимом (DD9DD11, DD15.1, DD13.3, DD13.4, DD17.1) подсчитывает вызывные импульсы и вырабатывает сигнал занятия линии после поступления заданного их количества. Приемник DTMF-сигналов (DD1) совместно с регистрами хранения АКП (DD4-DD7) формирует в параллельном виде коды поступивших из линии адресов и команд.

Дешифраторы адресов каналов (VD3VD50, DD15.2-DD15.5, DD16) формируют на своих выходах сигналы, открывающие доступ к триггерам состояний каналов (DD21). Изменение состояний этих триггеров осуществляется сигналами узла формирования команд и линейных сигналов (DD8, DD18-DD20, DD14.2-DD14.4, DD17.3, DD17.4). Этот же узел проводит опрос триггеров и выдает в линию соответствующие сигналы. Синхронизатор, выполненный на микросхеме DD12, является источником импульсных последовательностей 1, 2, 1024 и 1/60 Гц, которые необходимы для работы устройства. Все эти частоты стабилизированы кварцевым резонатором ZQ2.

В дежурном режиме на выв.6 счетчика DD10.1 высокий уровень, который блокирует счет DD10.1 поступающих с выв.4 DD12 импульсов 1 Гц. Счетчик DD9 обнулен, его счет также запрещен высоким уровнем с выв.6 DD10.1. Триггер DD11.1 находится в низком состоянии, транзистор VT1 открыт высоким уровнем на выв.2 DD11.1, и транзисторный ключ DA1 разомкнут. Линия не нагружена. На выв.5 счетчика DD21 высокий уровень, который блокирует счет DD2.1 поступающих с выв.6 DD12 импульсов 2 Гц. Этот же уровень запрещает счет счетчику DD2.2 и прием данных регистрам DD4-DD7. При поступлении из линии вызывных посылок АТС на выв.2 DD15.1 появляются положительные импульсы, синфазные с огибающей посылок. Каждый из этих импульсов обнуляет DD10.1.

Низкий уровень на выв.6 DD10.1 после обнуления удерживается около 7 с, поэтому при паузе между импульсами около 4 с [1] счетчику DD9 разрешается их счет. Один из выходов DD9 (выв.9 DD9) соединен со входом "S" (выв.6) триггера DD11.1. По окончании восьмого импульса на выв.9 DD9 появляется высокий уровень, переводящий DD11.1 в высокое состояние. Низкий уровень с выв.2 DD11.1 запирает транзистор VT1, ключ DA1 замыкается, и линия нагружается сопротивлением параллельно включенных резисторов R15 и R17 (транзистор VT2 открыт). Перемычкой между одним из выходов DD9 и входом "S" DD11.1 можно установить количество звонков, после которого коммутатор будет занимать линию (от одного до девяти). После занятия линии примерно через 7 с происходит обнуление и запрет счета DD9 высоким уровнем с выв.6 DD10.1, однако это не оказывает влияния на состояние триггера DD11.1. В случае, если до поступления заданного количества звонков на МТА снимается трубка, обнуление и запрет счета DD9 происходят через 7 с после последнего поступившего звонка, и устройство остается в дежурном режиме.

В момент занятия линии положительным перепадом с выв.1 DD11.1 запускается одновибратор DD11.2, и обнуляется счетчик DD10.2. Высокий уровень с выв.13 DD11.2 разрешает в течение 3,5 - 4 с прохождение через DD14.2 прерывистого сигнала с основным тоном 1024 Гц. Через VT2 этот сигнал поступает в линию и оповещает пользователя о ее занятии коммутатором. После этого устройство ожидает прихода из линии АКП. АКП поступают на вход предварительного усилителя на элементе DD13.1, с его выхода через диодный ограничитель R18, HL1, HL2 поступают на вход приемника-дешифратора DТМF-сигналов DD1. АКП имеют формат - XXXY, где XXX - три DTMF-сигнала адреса (слева старший разряд, справа - младший); Y - DTMF-сигнал команды. АКП с клавиатуры биппера или УТА набирает пользователь без пауз между посылками адреса и команды.

До прихода первого DTMF-сигнала АКП счетчик DD2.2 и регистры DD4-DD7 обнулены, у мультиплексора DD3 на выв.1 высокий уровень, а на выводах 5, 2, 4 - низкие. При опознавании первого DTMF-сигнала на выходе "раннее обнаружение" ESO (выв.16) DD1 появляется высокий уровень, обнуляющий счетчик DD2.1. Код дешифрованного DTMF-сигнала появляется на выводах 11-14 DD1, вслед за этим на выходе "позднее обнаружение" DSO (выв.15) DD1 появляется высокий уровень, по фронту которого переключается счетчик DD2.2. Высокий уровень появляется на выв.5 DD3, по его фронту записывается код DTMF-сигнала в регистр DD5. Второй DTMF-сигнал записывается таким же образом в DD6, третий - в DD7, четвертый (командный) DTMF-сигнал записывается в DD4. Низкий уровень на выв.5 DD2.1 удерживается после обнуления DD2.1 около 2 с. Если пауза между DTMFсигналами при наборе превысит этот интервал, то счетчик DD2.2 и регистры DD4DD7 обнулятся до окончания набора. С выходов регистра DD4 (выв.1, 15, 14, 13) код командного DTMF-сигнала поступает на дешифратор команд DD8. Коду единицы соответствует команда "включить", коду двойки - "выключить", тройки - "запросить состояние", четверки - "освободить линию". Остальные командные коды (и выходы DD8) в устройстве не используются, однако можно задействовать их вместо показанных на схеме, соответственно переназначив.

Адреса каналов коммутатора устанавливают путем распайки диодных линеек в дешифраторах адресов Н1-Н4. Идея дешифрации адресов взята из [2]. Для примера на схеме на рис.2 показан дешифратор H1 адреса "265". При появлении на выходной шине регистров DD5-DD7 кода этого адреса высокий уровень установится на выходе H1 (выв.3 DD16.1). Все выходы регистров, на которых в соответствии с кодом адреса должен быть высокий уровень, подключены ко входам диоднорезисторного элемента И (VD4, VD8, VD9, VD11, VD13, R20), а выходы, на которых должен быть низкий уровень, - ко входам диодно-резисторного элемента ИЛИ (VD3, VD5-VD7, VD10, VD12, VD14, R21). После дешифрации команды, т. е. появления высокого уровня на одном из выходов DD8, происходит обращение к триггерам состояния всех четырех каналов. В случае поступления команды "включить" логические уровни с выходов дешифраторов адресов Н1-Н4 поступают через вентили мультиплексора DD20 на входы "S" триггеров DD21 (выв.4, 6, 12, 14). Триггер, соответствующий каналу, адрес которого зафиксирован в регистрах, в момент дешифрации команды перейдет в высокое состояние. При поступлении команды "выключить" выходы Н1-Н4 подключаются через вентили DD19 ко входам "R" DD21 (выв.3, 7, 11, 15), и триггер, соответствующий выбранному каналу, в момент дешифрации команды переходит в низкое состояние.

Опрос триггеров DD21 производится микросхемой DD18 с подключенным к ее выходам диодно-резисторным элементом И (VD55-VD58, R34) по командам "включить", "выключить" и "запросить состояние". Один вход каждого из четырех логических элементов DD18 соединен с выходом дешифратора Н1-Н4 соответственно, другой вход - с выходом соответствующего триггера DD21 (выв.2, 9, 10, 1 DD21). После дешифрации команды высокий уровень присутствует на одном из выходов DD8 около 2 с, и в течение этого времени в линию через открытый элемент DD14.2 поступает непрерывный сигнал с основным тоном 1024 Гц, если триггер в выбранном канале в высоком состоянии, или прерывистый сигнал с тем же основным тоном, если триггер в низком состоянии. Прерывистый сигнал также поступает в линию, если в регистрах зафиксирован несуществующий (не закрепленный ни за одним из каналов) адрес.

Через 2 с после дешифрации команды высокий уровень появляется на выв.5 DD2.1 и регистры DD4-DD7 обнуляются.

Во время поступления в линию собственных сигналов коммутатора микросхема DD1 высоким уровнем на входе PDH (выв.6 DD1) переводится в режим пониженного энергопотребления с невозможностью дешифрации входных сигналов. Изменить состояние каждого из триггеров DD21 можно также вручную, используя кнопки SB1 "Канал 1" - SB4 "Канал 4", SB5 "Вкл", SB6 "Откл". Для этого нужно одновременно нажать на кнопку нужного канала и кнопку нужного действия.

Каждый дешифруемый микросхемой DD1 DTMF-сигнал вызывает обнуление счетчика DD10.2 высоким уровнем с выхода "позднее опознавание" DSO (выв.15 DD1), продлевая, таким образом, время занятия устройством линии. В случае непоступления DTMF-сигналов на вход DD1 в течение временного интервала продолжительностью от 1 до 2 мин в триггер DD11.1 записывается лог."0" по фронту поступившего на его тактовый вход высокого уровня с выв.12 DD10.2, и устройство освобождает линию. Освобождение коммутатором линии по команде пользователя происходит после набора AKП, состоящей из произвольного адреса и команды "освободить линию" (цифра "4").

Высокий уровень, появившийся в результате дешифрации этой команды на выв.1 DD8, переводит DD11.1 в низкое состояние.

После освобождения линии устройство возвращается в дежурный режим. Ток потребления логического блока коммутатора от источника +5 В зависит от числа включенных нагрузок. Когда все нагрузки выключены, он не превышает 7 мА, когда все они включены - 30 мА.

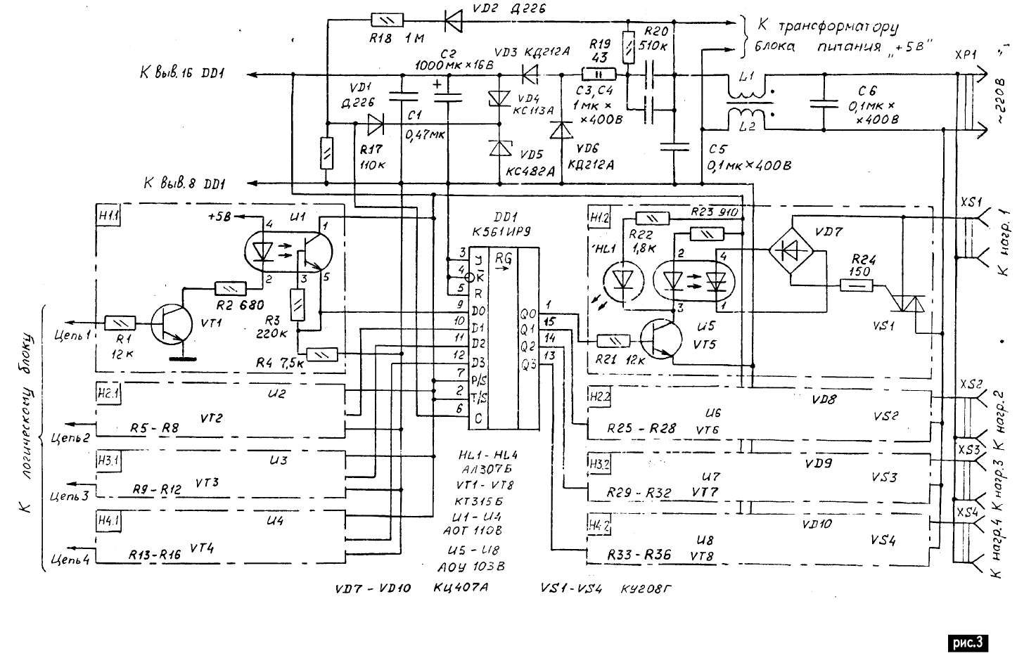
Принципиальная схема блока электронных реле показана на рис.3.

Силовой коммутатор с удаленным управлением
(нажмите для увеличения)

Приходящие по линиям "Цепь 1" - "Цепь 4" с выходов канальных триггеров логического блока уровни записываются в регистр DD1 по фронтам прямоугольных импульсов, формируемых из сетевого переменного напряжения 220 В цепью VD2, R18, R17, VD1. Выходы DD1 (выв.1, 15, 14, 13) определяют состояния симисторных коммутаторов VS1-VS4. Таким образом, включение и выключение нагрузок каналов происходят в моменты перехода сетевого напряжения через нуль (на возрастающей полуволне (синусоиды). Элементы VD3-VD6, R19, R20, C1-C4 образуют бестрансформаторный источник питания оптопар U1-U8, светодиодов HL1-HL4 и микросхемы DD1. Фильтр на элементах C5, C6, L1, L2 подавляет коммутационные выбросы сетевого напряжения. Светодиоды HL1-HL4 индицируют включенное состояние соответствующей нагрузки. За счет использования оптопар U1-U4 обеспечивается полная гальваническая развязка телефонной линии и сети 220 В, что исключает попадание в линию сетевого напряжения.

Один из возможных вариантов принципиальной схемы биппера для удаленного управления показан на рис.4.

Силовой коммутатор с удаленным управлением
(нажмите для увеличения)

Основа устройства - микросхема электронного номеронабирателя DD1 HM9102D. С выхода TONE (выв.12) DD1 DTNF-сигналы вводимого с клавиатуры номера поступают через делитель R8, R9 на вход микросхемы DA1 A283D, используемой в устройстве в качестве усилителя звуковой частоты. Напряжение питания на DD1 и DA1 поступает через транзисторный ключ VT1, который открывается низким уровнем на выв.4 DD2.2 при нажатии на кнопку SB16 "ON" и закрывается высоким уровнем на выв.4 DD2.2 при нажатии на SB17 "OFF". При включении питания кнопкой "ON" отрицательный импульс, сформированный цепочкой C1, R6, обнуляет счетчик DD3.

При отсутствии нажатий на кнопки клавиатуры SB1-SB15 примерно через 100 с на выводе 2 DD3 устанавливается высокий уровень, по фронту которого цепочка C8, R13 формирует положительный импульс. Транзистор VT2 на время действия этого импульса открывается и подключает к общему проводу выв.6 DD2.2, что эквивалентно нажатию на кнопку "OFF".

При поступлении с DD1 DTMF-сигналов до истечения указанного интервала времени счетчик DD3 каждый раз обнуляется импульсами с выхода NSA (выв.13) DD1, продлевая, таким образом, включенное состояние схемы. Ток потребления биппера при закрытом ключе VTI не превышает 25 мкА, при открытом ключе в режиме молчания 7,5 мА, в режиме генерации DTMF-сигналов 20 мА. Время автовыключения можно варьировать путем выбора перемычкой нужного выхода DD3 или подбором элементов R10, C3 генератора импульсов на элементе DD2.4.

Детали устройства. В коммутаторе и биппере использованы резисторы типа МЛТ, неполярные конденсаторы КМ, за исключением С2 (см. рис.2) типа К73-16, С3-С6 (см. рис.3) типа К73-17, полярные конденсаторы К50-35, варистор RU1 (рис.2) СН1-2-1. Вместо указанной на схеме (рис.2) микросхемы DD1 КТ3170 можно использовать ее аналоги: MV8870 [3], МТ8870, НМ9270, а также отечественный аналог КР1008ВЖ18 [1]. Вместо указанной на схеме (рис.4) микросхемы DD1 HM9102D можно использовать ее аналоги KS58C20N, KS58006, UM91260C, отечественный аналог КР1008ВЖ16 [1]. Вместо УЗЧ DA1 A283D можно использовать ее российский аналог К174ХА10. Динамическая головка ВА1 типа 0,5 ГДШ-2. Катушки L1, L2 сетевого фильтра (рис.3) намотаны одновременно двумя проводами на кольце 20х10х4 мм из феррита М2000НМ-1 проводом МГТФ 0,5 до заполнения.

Кварцевые резонаторы ZQ1 (рис.2) и ZQ1 (рис.4) на частоту 3,579545 МГц можно заменить на кварцевые или керамические резонаторы на частоту 3,58 МГц. Кнопки SB1-SB6 (рис.2) - КМ1-1, кнопки SB1-SB17 (рис.4) - клавиатурная матрица от ПДУ телевизора. Коммутатор смонтирован в корпусе размерами 150х220х100 мм. Сетевые розетки XS1-XS4, светодиоды HL1-HL4 (рис.3) и кнопки SB1-SB4 (рис.2) вынесены на верхнюю панель. Симисторы VS1-VS4 (рис.3) установлены на радиаторы площадью 150 см2 каждый.

Наладка коммутатора сводится к установке необходимого усиления DD13.1 (рис.2) путем подбора R16 до достижения уверенного распознавания DTMF-сигналов микросхемой DD1. Уровень собственных сигналов коммутатора можно при необходимости изменять путем подбора R17. В случае неустойчивой работы узла управления режимом следует установить между выв.4 DD12 и общим проводом резистор сопротивлением 100-150 кОм.

Для предотвращения сброса содержимого триггеров состояний при пропадании сетевого напряжения весьма желательно использовать резервную батарею. Ее можно установить, например, на входе стабилизатора напряжения +5 В (на рис.3 не показан). В случае ее наличия резистор R4 (рис.2) из схемы можно исключить. Из рис.2 видно, что увеличив число регистров DD4-DD7 до восьми и применив в качестве DD3 микросхему К561КП2, можно сделать адреса каналов семизначными.

При наладке биппера требуется установить максимальную амплитуду выходного сигнала УЗЧ при отсутствии его ограничения путем подстройки R9 (рис.4). Наличие кнопок "Н","Р" и "R" на клавиатуре необязательно. В качестве элементов питания используют три пальчиковые батарейки "АА".

Литература:

  1. Кизлюк А. И. Справочник по устройству и ремонту телефонных аппаратов зарубежного и отечественного производства. - М.: Антелком, 1998.
  2. Виноградов Ю.А. Электронный пароль//Радио.-1997.-№12.-С.38.
  3. Микросхемы для телефонии и средств связи (Микросхемы для телефонии. Вып.2). - М.: ДОДЭКА, 1998.

Автор: П. П. Редькин

Смотрите другие статьи раздела Телефония.

Читайте и пишите полезные комментарии к этой статье.

<< Назад

Последние новости науки и техники, новинки электроники:

Власть является ключевым фактором счастья в отношениях 11.03.2026

Исследования семейных и романтических отношений показывают, что длительное счастье пары зависит не только от привычных факторов, таких как доверие, уважение и преданность, но и от более тонких психологических аспектов. Современные ученые ищут закономерности, которые отличают действительно счастливые пары от остальных, чтобы понять, какие механизмы поддерживают гармонию в отношениях. Группа исследователей из Университета Мартина Лютера в Галле-Виттенберге и Бамбергского университета провела опрос среди 181 пары, которые состояли в совместных отношениях более восьми лет и прожили вместе хотя бы месяц. Участники заполняли анкету, описывая различные аспекты своих отношений, включая распределение обязанностей, эмоциональную поддержку и степень вовлеченности в совместные решения. Анализ данных показал интересный паттерн: пары, где оба партнера ощущали высокий уровень личной власти, оказывались наиболее счастливыми и удовлетворенными. В данном контексте под властью понимается способност ...>>

Защищенная колонка-повербанк Anker Soundcore Boom Go 3i 11.03.2026

Компания Anker представила новую модель линейки Soundcore - колонку Soundcore Boom Go 3i, ориентированную на активное использование на улице. Новинка отличается высокой степенью защиты: корпус соответствует стандарту IP68, что обеспечивает водо- и пыленепроницаемость, а ударопрочный дизайн выдерживает падение с высоты до одного метра. За качество звука отвечает 15-ваттный драйвер, обеспечивающий пик громкости до 92 дБ, а технология BassUp 2.0 усиливает низкие частоты, делая звучание более насыщенным. Колонка обладает автономностью до 24 часов, а LED-индикатор позволяет контролировать уровень заряда батареи. Кроме того, Soundcore Boom Go 3i может выполнять функцию павербанка: согласно внутренним тестам, устройство способно зарядить iPhone 17 с нуля до 40% за один час, что делает его полезным аксессуаром в походах и поездках. Среди функциональных особенностей модели стоит выделить технологию Auracast, которая улучшает подключение и позволяет создавать стереопару из двух колонок ...>>

Раннее воздержание от алкоголя перестраивает мозг и иммунитет 10.03.2026

Алкогольная зависимость - хроническое расстройство с компульсивным употреблением спиртного, которое влияет не только на поведение, но и на функционирование мозга и иммунной системы. Недавние исследования показали, что даже на ранних этапах воздержания организм начинает перестраиваться, открывая новые возможности для терапии зависимости. Ученые сосредоточились на пациентах, находящихся в первые недели абстиненции, и зафиксировали значительные изменения в мозговой активности. С помощью функциональной магнитно-резонансной томографии они выявили перестройку сетей нейронных связей, отвечающих за контроль импульсов и принятие решений. Эти изменения могут быть ключевыми для восстановления самоконтроля и снижения риска рецидива. Одновременно с нейронной перестройкой исследователи наблюдали колебания иммунной системы. В крови повышался уровень цитокинов - сигнальных белков, регулирующих воспалительные процессы. Эти данные свидетельствуют о существовании нейроиммунного взаимодействия, при ...>>

Случайная новость из Архива

Умная военная униформа нового поколения 08.05.2012

Управление военно-морских исследований США опубликовало конкурсное предложение на разработку военной униформы нового поколения. Уникальная "умная" одежда будет непрерывно измерять основные показатели жизнедеятельности солдат, определять местоположение военных, степень тяжести ранений и даже передавать координаты раненых бойцов медперсоналу и перспективным эвакуационным роботам. Все устройства, необходимые для выполнения этих задач, будут интегрированы непосредственно в ткань униформы.

Эта инициатива под названием Intelligent Clothing for Rapid Response to Aid Wounded Soldiers - уже не первая попытка американской армии совершить революцию в военном обмундировании. Так, в 2004 году в рамках программы "Солдат будущего" разрабатывались бронежилеты с вплетенной электропроводкой и гелевыми датчиками, которые должны были передавать информацию о состоянии солдата на пункт управления войсками. Позже программа "Солдат будущего" была отменена, и проект электронной одежды остался нереализованным. Однако, судя по всему, идея не умерла, и Пентагон все-таки попытается реализовать ее на практике.

Перспективная высокотехнологичная униформа будет использовать массив встроенных в ткань датчиков, интегрированных в единую систему. Они будут контролировать жизненно важные функции солдата, а также определять характер и место ранения, оценивать глубину проникновения осколка или пули, выявлять пострадавшие внутренние органы. В дополнение к этому, датчики должны уметь обнаруживать присутствие и воздействие на организм опасных химических, биологических, радиоактивных и взрывчатых веществ. Для этого будут использоваться особые сенсоры и специфические биомаркеры в крови, слюне, поте и т.д.

Благодаря своевременному обнаружению различных угроз, у солдата будет время предпринять меры по защите своей жизни, а медики смогут заранее подготовиться к оказанию помощи и выиграть драгоценные минуты в течение так называемого "золотого часа", когда шанс выживания раненого максимален.

Разработка "умной" ткани не является непреодолимой задачей. За последние пять лет, коммерческие предприятия добились впечатляющего прогресса в этой области. Созданы ткани, способные обнаружить, например, уровень сахара в крови диабетиков или контролировать дыхание, пульс и артериальное давление у спортсменов. Существует даже ткань, способная предотвращать травмы, точнее следить за тем, чтобы человек не перегружал мышцы.

Другие интересные новости:

▪ Плавучие солнечные электростанции

▪ Технология создания 3D-моделей автомобилей от BMW

▪ Отопление компьютерами

▪ Стволовые клетки в оболочке

▪ Самая маленькая микросхема флэш-памяти плотностью 128 Гбит

Лента новостей науки и техники, новинок электроники

 

Интересные материалы Бесплатной технической библиотеки:

▪ раздел сайта Радиолюбителю-конструктору. Подборка статей

▪ статья Амур. Крылатое выражение

▪ статья Откуда появились крысы? Подробный ответ

▪ статья Работа на вкладочно-швейных машинах. Типовая инструкция по охране труда

▪ статья Индикатор ЭПС оксидных конденсаторов. Энциклопедия радиоэлектроники и электротехники

▪ статья Катушки на карбонильных кольцах. Энциклопедия радиоэлектроники и электротехники

Оставьте свой комментарий к этой статье:

Имя:


E-mail (не обязательно):


Комментарий:





Главная страница | Библиотека | Статьи | Карта сайта | Отзывы о сайте

www.diagram.com.ua

www.diagram.com.ua
2000-2026