Бесплатная техническая библиотека
Фазовый регулятор мощности. Энциклопедия радиоэлектроники и электротехники

Энциклопедия радиоэлектроники и электротехники / Регуляторы мощности, термометры, термостабилизаторы
Комментарии к статье
Для регулировки мощности создано немало схем, но радиолюбители продолжают эксперименты в поисках оптимальной. Существующие схемы фазовой регулировки мощности, хоть и привлекают своей простотой, но обладают одним существенным недостатком - при изменении сетевого напряжения приходится заново подбирать режим управления симистором для данной мощности. К тому же, согласитесь, регулировать мощность потенциометром неудобно, особенно если приходится периодически возвращаться к ранее заданным режимам.
Предлагаемая схема (рис.1) основана на принципе фазовой регулировки мощности в нагрузке дискретным способом. Рассмотрим работу схемы, когда переключатель SA1 установлен в положение 10.
Рис.1. Принципиальная схема регулятора мощности
Сетевое напряжение 50 Гц (рис.2а) через ограничительный резистор R1 поступает на диодный мост VD1...VD4, выпрямляется, при этом частота импульсов удваивается (рис.2б) Синхроимпульсы, ограниченные резисторами R4, R5, поступают на вход (вывод 1) DD1.1. В начальный момент времени на входе 1 микросхемы DD1.1 - логический "0", вследствие этого на выходе 3 DD1.1 будет логическая "1" (рис.2в), которая запустит генератор на элементах DD1.3, DD1.4. Генератор настроен на частоту 1000 Гц. При подключении к сети, импульсы с частотой 100 Гц, пройдя через диод VD9, заряжают конденсатор C3. В этот момент происходит сброс счетчика DD2. Одновременно заряжается конденсатор С2, напряжение с которого, ограниченное стабилитроном VD10, служит для питания микросхем.
Рис.2. Графики напряжений
Импульсы с генератора заполняют счетчик DD2. После 10-го импульса на выходе Q9 DD2 появляется логическая "1" (рис.2г), которая через резистор R8 открывает транзистор VT1, коммутирующий оптодинистор VU1. Последний через диодный мостик VD5...VD8 включает симистор VS1. Мощность в нагрузке при этом будет минимальной, поскольку симистор открывается в конце полупериода сетевого напряжения (рис.2д).
Одновременно с открыванием VT1, через конденсатор С1 происходит сброс RS-триггера DD1.1, DD1.2, а через резистор R9 - счетчика DD2. Длительности импульсов сброса и открывания симистора зависят от номиналов R9, R11, C3.
Если же переключатель SA1 установить в положение 1, то открывание симистора происходит при первом приходящем на вход счетчика DD2 импульсе с генератора (рис.2е) В этом случае выделяемая в нагрузке мощность будет максимальной.
Приведенная схема содержит один переключатель и один счетчик, поэтому дискретность переключения мощности равна примерно 10%. Для более плавного изменения мощности (уменьшения дискретности регулировки) необходимо установить дополнительные счетчики и переключатели. Все входы сброса счетчиков объединяются, с выхода первого переключателя сигнал заводится на тактовый вход (вход С) второго счетчика и т.д. Резисторы R8, R9 подключаются к последнему переключателю. Необходимо также увеличить частоту заполнения счетчиков (2, 3, 4 кГц и т.д).
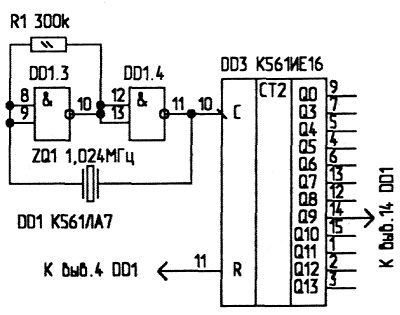
Точность установки мощности зависит, в основном, от дрейфа частоты генератора. Если необходима большая точность, рекомендую использовать кварцованный генератор тактовых импульсов, показанный на рис.3. Конечно, разброс регулировки мощности за счет нестабильности сети как по напряжению, так и по частоте остается.
Рис.3. Генератор тактовых импульсов
Устройство собрано на печатной плате размерами 55x80 мм (рис.4). Все детали, кроме переключателя SA1, размещены на плате. SA1 монтируется на передней панели устройства. Шлейф, соединяющий переключатель с платой, должен быть не более 25 см.
Рис.4. Печатная плата регулятора
Детали. Симистор в данном устройстве можно применить любой. От этого зависит только регулируемая мощность. Стабилитрон VD10 - любой с напряжением стабилизации 9...15 В. Микросхемы серии 561 можно заменить на 176-ю. Тогда нужен стабилитрон с напряжением стабилизации 9 В. Конденсатор С4 желательно применить с наименьшим температурным дрейфом. Транзистор VT1 заменяется на любой из серий КТ315, КТ3102. Диоды VD1...VD9 - с максимальным обратным напряжением 300 В и током 100...300 мА. SA1 - любой на 10 положений и одно направление.
Регулятор был успешно опробован и с оптотиристорами ТО125-12,5. Светодиоды оптотиристоров соединялись последовательно, а выходные тиристоры - встречно-параллельно. Номинал резистора R6 уменьшался до 220 Ом.
Автор: С.Абрамов, г.Оренбург, asmoren@mail.ru; Публикация: radioradar.net
Смотрите другие статьи раздела Регуляторы мощности, термометры, термостабилизаторы.
Читайте и пишите полезные комментарии к этой статье.
<< Назад
Последние новости науки и техники, новинки электроники:
Хорошо управляемые луга могут компенсировать выбросы от скота
15.02.2026
Животноводство, особенно разведение крупного рогатого скота, часто обвиняют в значительном вкладе в глобальное потепление из-за мощного парникового газа - метана, который выделяется при пищеварении у жвачных животных. Это вызывает острые политические споры и призывы к сокращению потребления мяса. Однако ученые напоминают, что полная картина климатического воздействия отрасли не ограничивается только выбросами от животных: огромную роль играет окружающая экосистема - пастбища, почва и растительность, которые способны активно поглощать углекислый газ из атмосферы.
Исследователи из Университета Небраски-Линкольна решили глубже изучить этот баланс. Группа под руководством профессора Галена Эриксона сосредоточилась на том, как правильно организованные пастбища накапливают углерод в растениях и грунте благодаря естественным процессам, стимулируемым выпасом скота. Ученые подчеркивают, что при достаточном уровне осадков и грамотном управлении такие луга превращаются в мощные природные погло ...>>
NASA тестирует инновационную технологию крыла
15.02.2026
Коммерческая авиация ежегодно расходует колоссальные объемы керосина, что сказывается не только на бюджете авиакомпаний, но и на состоянии окружающей среды. В 2024 году глобальные затраты на авиационное топливо достигли 291 миллиарда долларов, и эта сумма продолжает расти. Чтобы справиться с этими вызовами, NASA активно работает над технологиями, способными заметно повысить аэродинамическую эффективность самолетов. Одним из самых перспективных направлений стало создание специальной конструкции крыла, которая максимизирует естественный ламинарный поток воздуха и минимизирует сопротивление.
В январе 2026 года специалисты NASA Armstrong Flight Research Center успешно провели важный этап наземных испытаний концепции Crossflow Attenuated Natural Laminar Flow (CATNLF). Для эксперимента под фюзеляж исследовательского самолета F-15B закрепили вертикально ориентированную масштабную модель высотой около 0,9 м (3 фута), напоминающую узкий киль. Такая компоновка позволила подвергнуть прототип р ...>>
Забота о внуках очень полезна для здоровья мозга
14.02.2026
Общение между поколениями приносит радость всей семье, но мало кто задумывается, насколько активно бабушки и дедушки, заботящиеся о внуках, поддерживают свою умственную форму. Регулярное взаимодействие с детьми стимулирует мозг пожилых людей, помогая сохранять память, скорость мышления и общую когнитивную активность.
Новые научные данные подтверждают, что такая добровольная помощь не только важна для общества, но и может замедлять возрастные изменения в мозге.
Исследователи из Тилбургского университета в Нидерландах провели анализ, чтобы понять, приносит ли уход за внуками реальную пользу здоровью пожилых людей. Ведущий автор работы Флавия Черечес отметила, что многие бабушки и дедушки регулярно присматривают за детьми, и оставался открытым вопрос, насколько это положительно сказывается на их собственном благополучии, особенно в плане когнитивных функций.
Ученые поставили цель выяснить, способен ли регулярный уход за внуками замедлить снижение памяти и других умственных способ ...>>
Случайная новость из Архива Ультратонкие водородные мембраны
12.06.2025
Водородные технологии приобретают все большее значение в глобальном переходе к экологически чистой энергетике. Одним из ключевых элементов таких систем являются мембраны, через которые происходит транспорт ионов в топливных элементах. Недавние разработки норвежской исследовательской лаборатории SINTEF открывают новые горизонты в этой области, предлагая ультратонкие мембраны, которые не только повышают эффективность, но и уменьшают затраты и вредное воздействие на окружающую среду.
Новая мембрана, представленная специалистами SINTEF, имеет толщину всего 10 микрометров, что составляет примерно две трети от стандартной толщины в 15 микрометров. В пресс-релизе лаборатории описывается, что такой тонкий материал кажется сопоставимым с легчайшим листом бумаги формата А4, который при этом прочнее и тоньше многих аналогов. Этот значительный шаг вперед позволит существенно сократить себестоимость производства топливных элементов - примерно на 20%.
При этом снижение толщины мембраны никак не ухудшает рабочие характеристики топливного элемента. Главным ограничивающим фактором эффективности остается межфазное сопротивление, которое не зависит от толщины мембраны при значениях ниже 15 микрометров, как отметил исследователь Патрик Фортин. Это значит, что уменьшение толщины не ведет к падению производительности, а вместе с тем дает возможность снизить содержание опасных фторированных полимеров (PFAS) на 33%, что является важным шагом с точки зрения экологической безопасности и требований Евросоюза.
Еще одним важным достижением исследователей стало снижение содержания платины в катализаторах топливных элементов на 62,5%. Платина, являющаяся критически важным и дорогим материалом, все чаще становится узким местом в производстве водородных систем. "Сокращение расхода платины помогает уменьшить зависимость от ограниченных поставок и способствует более устойчивому развитию технологий", - подчеркнул Патрик Фортин. Этот металл является одним из ключевых материалов для ЕС, и его оптимизация имеет стратегическое значение.
Разработка SINTEF обладает большим потенциалом для декарбонизации таких секторов, как тяжелый транспорт, морская индустрия и авиация будущего. Водородные топливные элементы с новыми мембранами способны обеспечивать экологически чистую работу, выделяя лишь водяной пар в качестве побочного продукта. Это открывает путь к более устойчивой и экологичной энергетике в масштабах всей планеты.
Достижения норвежских ученых показывают, что тонкие и легкие водородные мембраны не только снижают производственные издержки, но и значительно улучшают экологическую безопасность технологии. Это важный шаг на пути к массовому внедрению водородного топлива в транспорт и промышленность, который поможет уменьшить зависимость от ископаемых источников энергии и смягчить последствия климатических изменений.
Усовершенствование водородных топливных элементов с помощью ультратонких мембран открывает новые возможности для создания экологически устойчивых технологий, способных изменить энергетический ландшафт будущего.
|
Другие интересные новости:
▪ Компактный компьютер MINISFORUM GK50
▪ Миниатюрная плата Tah для управления электронными устройствами по Bluetooth
▪ Samsung Galaxy S III
▪ Мозговой имплант для слепых
▪ Смартфон Fly IQ442 Quad
Лента новостей науки и техники, новинок электроники
Интересные материалы Бесплатной технической библиотеки:
▪ раздел сайта Часы, таймеры, реле, коммутаторы нагрузки. Подборка статей
▪ статья Максимилиан Робеспьер. Знаменитые афоризмы
▪ статья Как на самом деле звучала ленинская фраза про кухарку и государство? Подробный ответ
▪ статья Мачок желтый. Легенды, выращивание, способы применения
▪ статья Диапазонные вибраторы. Энциклопедия радиоэлектроники и электротехники
▪ статья Устройство запуска трехфазных двигателей в однофазной сети. Энциклопедия радиоэлектроники и электротехники
Оставьте свой комментарий к этой статье:
Главная страница | Библиотека | Статьи | Карта сайта | Отзывы о сайте

www.diagram.com.ua
2000-2026