Menu Home

Бесплатная техническая библиотека для любителей и профессионалов Бесплатная техническая библиотека


Мощный преобразователь напряжения для автомобильного усилителя. Энциклопедия радиоэлектроники и электротехники

Бесплатная техническая библиотека

Энциклопедия радиоэлектроники и электротехники / Преобразователи напряжения, выпрямители, инверторы

Комментарии к статье Комментарии к статье

В настоящее время на рынке автомобильной аппаратуры представлен огромный ряд магнитол разной ценовой категории. Современные автомагнитолы обычно имеют 4 линейных выхода (в некоторых еще есть отдельный выход на сабвуфер). Они предназначены для использования "головы" с внешними усилителями мощности.

Многие радиолюбители изготавливают усилители мощности своими руками. Самая сложная часть в автомобильном усилителе - это преобразователь напряжения (ПН). В данной статье мы рассмотрим принцип построения стабилизированных ПНов на основе ставшей уже "народной" микросхемы TL494 (наш аналог КР1114ЕУ4).

Узел управления

Здесь мы очень подробно рассмотрим работу TL494 в режиме стабилизации.

Генератор пилообразного напряжения G1 служит задающим. Его частота зависит от внешних элементов C3R8 и определяется по формуле: F=1/(C3R8), где F-частота в Гц; C3- в Фарадах; R8- в Омах. При работе в двухтактном режиме (наш ПН как раз и будет работать в таком режиме) частота автогенератора микросхемы должна быть в двое выше частоты на выходе ПНа. Для указанных на схеме номиналах времязадающей цепи частота генератора F=1/(0,000000001*15000)=66,6кГц. Частота импульсов на выходе, грубо говоря, 33 кГц. Генерируемое напряжение поступает на 2 компаратора (А3 и А4), выходные импульсы которых суммирует элемент ИЛИ D1. Далее импульсы через элементы ИЛИ - НЕ D5 и D6 подают на выходные транзисторы микросхемы (VT1и VT2). Импульсы с выхода элемента D1 поступают также на счетный вход триггера D2, и каждый из них изменяет состояние триггера. Таким образом, если на вывод 13 микросхемы подана логическая "1" (как в нашем случае - на вывод 13 подан + с вывода 14), то импульсы на выходах элементов D5 и D6 чередуются, что и необходимо для управления двухтактным инвертором. Если микросхему применяют в однотактном Пне, вывод 13 соединяют с общим проводом, в результате триггер D2 больше не участвует в работе, а импульсы на всех выходах появляются одновременно.

Элемент А1- это усилитель сигнала ошибки в контуре стабилизации выходного напряжения ПНа. Это напряжение поступает на вывод 1 узла А1. На втором выводе - образцовое напряжение, полученное от встроенного в микросхему стабилизатора А5 с помощью резистивного делителя R2R3. Напряжение на выходе А1, пропорциональное разности входных, задает порог срабатывания компаратора А4 и, следовательно, скважность импульсов на его выходе. Цепь R4C1 необходима для устойчивости стабилизатора.

Транзисторный оптрон U1обеспечивает гальваническую развязку в цепи отрицательной обратной связи по напряжению. Он относится к цепи стабилизации выходного напряжения. Так- же за стабилизацию отвечает стабилизатор параллельного типа DD1 (TL431 или наш аналог КР142ЕН19А).

Падение напряжения на резисторе R13 приблизительно равно 2,5 вольт. Сопротивление этого резистора рассчитывают, задавшись током через резистивный делитель R12R13. Сопротивление резистора R12 вычисляют по формуле: R12=(Uвых-2,5)/I" где Uвых - выходное напряжение ПНа; I"- ток через резистивный делитель R12R13.

Нагрузкой DD1 являются параллельно соединенные балластный резистор R11 и излучающий диод (выв. 1,2 оптрона U1) с токоограничивающим резистором R10. Балластный резистор создает минимальную нагрузку, необходимую для нормального функционирования микросхемы.

ВАЖНО. Нужно учитывать то, что рабочее напряжение TL431 не должно превышать 36 вольт (см. даташит на TL431). Если планируется изготавливать ПН с Uвых.>35 вольт, то схему стабилизации нужно будет не много изменить, о чем будет сказано ниже.

Предположим, что ПН рассчитан на выходное напряжение +-35 Вольт. При достижении этого напряжения (на выв. 1 DD1 напряжение достигнет порогового 2,5 Вольт), "откроется" стабилизатор DD1, загорится светодиод оптрона U1, что приведет к открыванию его транзисторного перехода. На выводе 1 микросхемы TL494 появится уровень "1". Подача выходных импульсов прекратится, выходное напряжение начнет падать до тех пор, пока напряжение на выводе 1 TL431 не станет ниже пороговых 2,5 Вольт. Как только это произойдет, DD1 "закроется", светодиод оптрона U1 погаснет, на выводе 1 TL494 появится низкий уровень и узел А1 разрешит подачу выходных импульсов. Напряжение на выходе вновь достигнет +35 Вольт. Опять "откроется" DD1, загорится светодиод оптрона U1 и так далее. Это называется "скважностью"- когда частота импульсов неизменна, а регулировка осуществляется паузами между импульсами.

Второй усилитель сигнала ошибки (А2) в данном случае использован как вход аварийной защиты. Это может быть узел контроля максимальной температуры теплоотвода выходных транзисторов, блок защиты УМЗЧ от токовой перегрузки и так далее. Как и в А1 через резистивный делитель R6R7 образцовое напряжение подается на вывод 15. На выводе 16 будет уровень "0", так как он соединен с общим проводом через резистор R9. Если подать на вывод 16 уровень "1", то узел А2 мгновенно запретит подачу выходных импульсов. ПН "остановится" и запустится только тогда, когда на 16 выводе вновь появится уровень "0".

Функция компаратора А3 - гарантировать наличие паузы между импульсами на выходе элемента D1., даже если выходное напряжение усилителя А1 вышло за допустимые пределы. Минимальный порог срабатывания А3 (при соединении вывода 4 с общим проводом) задан внутренним источником напряжения GI1. С увеличением напряжения на выводе 4 минимальная длительность паузы растет, следовательно, максимальное выходное напряжение ПНа падает.

Этим свойством пользуются для плавного пуска ПНа. Дело в том, что в начальный момент работы ПНа конденсаторы фильтров его выпрямителя полностью разряжены, что эквивалентно замыканию выходов на общий провод. Пуск ПНа сразу же на полную мощность приведет к огромной перегрузке транзисторов мощного каскада и возможному выходу их из строя. Цепь C2R5 обеспечивает плавный, без перегрузок, пуск ПНа.

В первый после включения момент С2 разряжен., а напряжение на выводе 4 TL494 близко к +5 Вольт, получаемым от стабилизатора А5. Это гарантирует паузу максимально возможной длительности, вплоть до полного отсутствия импульсов на выходе микросхемы. По мере зарядки конденсатора С2 через резистор R5 напряжение на выводе 4 уменьшается, а с ним и длительность паузы. Одновременно растет выходное напряжение ПНа. Так продолжается, пока оно не приблизится к образцовому и не вступит в действие стабилизирующая обратная связь, о принципе работы которой было рассказано выше. Дальнейшая зарядка конденсатора С2 на процессы в Пне не влияет.

Как здесь уже было сказано,рабочее напряжение TL431 не должно превышать 36 вольт. А как быть, если от ПНа требуется получить, на пример, 50 Вольт? Сделать это просто. Достаточно в разрыв контролируемого плюсового провода поставить стабилитрон на 15…20 Вольт (показан красным цветом). В результате этого он "отсечет" лишнее напряжение (если 15-ти вольтовый стабилитрон, то он срежет 15 Вольт, если двадцативольтовый- то соответственно уберет 20 Вольт) и TL431 будет работать в допустимом режиме напряжения.

Мощный преобразователь напряжения для автомобильного усилителя
(нажмите для увеличения)

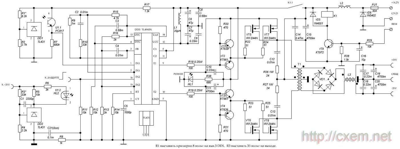
На основании вышеизложенного был построен ПН, схема которого изображена на рисунке ниже.

Мощный преобразователь напряжения для автомобильного усилителя
(нажмите для увеличения)

На VT1-VT4R18-R21 собран промежуточный каскад. Задача этого узла- усиление импульсов перед их подачей на мощные полевые транзисторы VT5-VT8.

Блок управления REM выполнен на VT11VT12R28R33-R36VD2C24. При подаче на "REM IN" управляющего сигнала с магнитолы +12 Вольт, открывается транзистор VT12, который в свою очередь откроет VT11. На диоде VD2 появляется напряжение, которое будет питать микросхему TL494. Пн запускается. Если магнитолу выключить, то эти транзисторы закроются, преобразователь напряжения "остановится".

На элементах VT9VT10R29-R32R39VD5C22C23 выполнен узел аварийной защиты. При подаче на вход "PROTECT IN" отрицательного импульса, ПН отключится. Запустить его можно будет только повторным отключением и включением REM. Если данный узел не планируется использовать, то элементы, относящиеся к нему, нужно будет исключить из схемы, а вывод 16 микросхемы TL494 соединить с общим проводом.

В нашем случае ПН двухполярный. Стабилизация в нем осуществляется по плюсовому выходному напряжению. Чтобы не было разницы выходных напряжений, применяют так называемый "ДГС"- дроссель групповой стабилизации (L3). Обе его обмотки наматываются одновременно на один общий магнитопровод. Получится дроссель- трансформатор. Подключение его обмоток имеют определенное правило - они должны быть включены встречно. На схеме начала этих обмоток показаны точками. В результате этого дросселя выходные напряжения обоих плеч уравниваются.

Не малую роль в Пне играют снабберы - RC цепочка, которая служит для шунтирования паразитных ВЧ/СВЧ колебаний. Их применение благоприятно сказывается на общей работе преобразователя, а именно: форма выходного сигнала имеет меньше паразитных ВЧ- выбросов, которые проникают по питанию в УМЗЧ и могут вызвать его возбуждение; легче работают выходные ключи (меньше греются), это относится и к трансформатору. Польза от них очевидна, так, что не нужно ими пренебрегать. На схеме- это C12R26; C13R27; C25R37.

Налаживание

Перед включением необходимо проверить качество монтажа. Для налаживания ПНа необходим трансформаторный блок питания мощностью около 20 Ампер и с пределом регулирования выходного напряжения 10…16 Вольт. Не рекомендуется питать ПН от компьютерного блока питания.

Перед включением нужно установить выходное напряжение блока питания 12 Вольт. Параллельно выходу ПНа подключить резисторы на 2 ВТ 3,3кОм как на плюсовое плечо, так и на минусовое. Резистор ПНа R3 отпаять. Подать напряжение питания с БП на ПН (12 Вольт). Пн не должен запуститься. Далее следует подать плюс на вход REM (поставить временную перемычку на клемме + и REM). Если детали исправны и монтаж выполнен правильно, то ПН должен запуститься. Далее нужно замерить ток потребления (амперметр в разрыв плюсового провода). Ток должен быть в пределах 300…400 мА. Если он очень сильно отличается в большую сторону, то это указывает на не корректную работу схемы. Причин много, одна из основных- не правильно намотан трансформатор. Если же все в допустимых пределах, то нужно замерить выходное напряжение как по плюсу, так и по минусу. Они должны быть практически одинаковыми. Полученный результат запоминаем или записываем. Далее на место R3 нужно подпаять последовательную цепочку из постоянного резистора 27 кОм и подстроечного (можно переменного) на10 кОм, не забыв сперва отключить питание от ПНа. Вновь запускаем ПН. После запуска увеличиваем напряжение на блоке питания до 14,4 Вольт. Производим замер выходного напряжения ПНа так же, как и при первоначальном включении. Вращая ось подстроечного резистора нужно установить такое выходное напряжение, какое было при питании ПНа от 12 Вольт. Отключив БП, выпаять последовательную резисторную цепь и замерить общее сопротивление. На место R3 впаять постоянный резистор такого же номинала. Производим контрольную проверку.

Второй вариант построения стабилизации

На рисунке ниже приведен еще один вариант построения стабилизации. В этой схеме в качестве опорного напряжения для вывода 1 TL494 использован не ее внутренний стабилизатор, а внешний, выполненный на стабилизаторе параллельного типа TL431. Микросхема DD1 стабилизирует напряжение 8 вольт для питания делителя, состоящего из фототранзисторного оптрона U1.1 и резистора R7. Напряжение от средней точки делителя поступает на не инвертирующий вход первого усилителя сигнала ошибки ШИ- контроллера TL494. Так- же от резистора R7 зависит выходное напряжение ПНа - чем меньше сопротивление, тем меньше выходное напряжение.Настройка ПНа по этой схеме не отличается от той, что на рисунке №1. Единственное отличие- это первоначально нужно выставить 8 вольт на выводе 3 DD1 с помощью подбора резистора R1.

Мощный преобразователь напряжения для автомобильного усилителя
(нажмите для увеличения)

Схема преобразователя напряжения по рисунку ниже отличается упрощенной реализацией узла REM. Такое схемотехническое решение менее надежно, чем в предыдущих вариантах.

Мощный преобразователь напряжения для автомобильного усилителя
(нажмите для увеличения)

Детали

В качестве дросселя L1 можно использовать Советские дроссели ДМ. L2- самодельный. Его можно намотать на ферритовом стержне диаметром 12…15мм. Феррит можно отломить от строчного трансформатора ТВС, сточив его на карбороне до требуемого диаметра. Это долго, но эффективно. Наматывается проводом ПЭВ-2 диаметром 2 мм и содержит 12 витков.

В качестве ДГС можно применить желтое кольцо от компьютерного блока питания.

Мощный преобразователь напряжения для автомобильного усилителя. Кольца от компьютерного блока питания

Провод можно взять ПЭВ-2 диаметром 1 мм. Нужно мотать одновременно двумя проводами, разместив их равномерно по всему кольцу виток к витку. Подключить соответственно со схемой (начала указаны точками).

Трансформатор. Это самая ответственная деталь ПНа, от его изготовления зависит успех всего предприятия. В качестве феррита желательно использовать 2500НМС1 и 2500НМС2. Они имеют отрицательную температурную зависимость и предназначены для использования в сильных магнитных полях. В крайнем случае можно применить кольца М2000НМ-1. Результат будет не много хуже. Кольца нужно брать старые, то есть те, которые были изготовлены до 90-х годов. Да и то, одна партия может сильно отличаться от другой. Так, что ПН, трансформатор которого намотан на одном кольце может показать прекрасные результаты, а ПН, трансформатор которого намотан тем же проводом, на таком же по габаритам и маркировке кольце, но из другой партии, может показать отвратительный результат. Тут как попадешь. Для этого в интернете есть статья "Калькулятор Лысого". С помощью него можно подобрать кольца, частоту ЗГ и количество витков первички.

Если применяется ферритовое кольцо 2000НМ-1 40/25/11, то первичная обмотка должна содержать 2*6 витков. Если кольцо 45/28/12, то соответственно2*4 витка. Количество витков зависит от частоты задающего генератора. Сейчас есть много программ, которые по введенным данным мгновенно рассчитают все необходимые параметры.

Я использую кольца 45/28/12. В качестве первички применяю провод ПЭВ-2 диаметром 1 мм. Обмотка содержит 2*5витков, каждая полуобмотка состоит из 8 проводов, то есть наматывается "шина" из 16 проводов, о чем будет сказано ниже (раньше мотал 2*4 витка, но с некоторыми ферритами приходилось поднимать частоту- кстати это можно сделать путем уменьшения резистора R14). Но сперва остановимся на кольце.

Изначально ферритовое кольцо имеет острые края. Их нужно сточить (закруглить) крупным наждаком или напильником- кому как удобнее. Далее обматываем кольцо молярным белым бумажным скотчем в два слоя. Для этого отматываем кусок скотча длиной сантиметров 40, приклеиваем его на ровную поверхность и по линейке нарезаем лезвием полоски шириной 10…15 мм. Вот этими полосками мы и будем его изолировать. В идеале, конечно, лучше кольцо ничем не обматывать, а уложить обмотки непосредственно на феррит. Это благоприятно скажется на температурном режиме трансформатора. Но как говорится, береженого Бог бережет, по этому и изолируем.

На полученной "заготовке" мотаем первичную обмотку. Некоторые радиолюбители сначала мотают вторичку, а уже потом на нее первичку. Я так не пробовал и по этому ничего положительного или отрицательного сказать не могу. Для этого на кольцо наматываем обычную нитку, равномерно разместив расчетное количество витков по всему сердечнику. Концы фиксируем клеем или же маленькими кусочками малярного скотча. Теперь берем один кусок нашего эмалированного провода и наматываем его по этой нитке. Далее берем второй кусок и равномерно мотаем его рядом с первым проводом. Так поступаем со всеми проводами первичной обмотки. В итоге должен получиться ровный шлейф. После намотки вызваниваем все эти провода и делим на 2 части- одна из них будет одной полуобмоткой, а другая- второй. Начало одной соединяем с концом другой. Это будет средний вывод трансформатора. Теперь мотаем вторичку. Бывает так, что вторичная обмотка в связи с относительно большим количеством витков не может уместиться в один слой. На пример нам нужно намотать 21 виток. Тогда поступаем следующим образом: в первый слой мы разместим 11 витков, а во второй- 10. Мотать мы будем уже не по одному проводу, как было в случае с первичкой, а сразу "шиной". Провода нужно стараться укладывать так, чтобы они плотно прилегали и не было разного рода петель и "барашков". После намотки также вызваниваем полуобмотки и соединяем начало одной с концом другой. В заключении окунаем готовый трансформатор в лак, сушим, окунаем, сушим и так несколько раз. Как писалось выше, от качества изготовления трансформатора зависит очень многое.

Почти каждый человек, который делает автомобильный усилитель с ПНом, расчитывает платы под строго определенные размеры. Чтобы облегчить ему задачу, привожу печатные платы задающих генераторов в формате Sprint Layout-4.

Скачать печатные платы

Привожу некоторые фотки ПНов, которые сделаны по этим схемам:

Мощный преобразователь напряжения для автомобильного усилителя

Мощный преобразователь напряжения для автомобильного усилителя

Мощный преобразователь напряжения для автомобильного усилителя

Мощный преобразователь напряжения для автомобильного усилителя

Автор: qwert390; Публикация: cxem.net

Смотрите другие статьи раздела Преобразователи напряжения, выпрямители, инверторы.

Читайте и пишите полезные комментарии к этой статье.

<< Назад

Последние новости науки и техники, новинки электроники:

Стерильного нейтрино не существует 15.01.2026

В физике элементарных частиц поиск новых, пока не обнаруженных объектов играет ключевую роль в понимании устройства Вселенной. Иногда такие поиски приводят к громким открытиям, а иногда - к не менее важным отрицательным результатам, которые позволяют отбросить неверные направления. Именно к таким случаям относится недавний вывод ученых о судьбе стерильного нейтрино - одной из самых интригующих гипотетических частиц последних десятилетий. Исследователи из американской лаборатории Fermilab официально сообщили, что им не удалось найти доказательства существования стерильного нейтрино. К такому выводу пришла команда эксперимента MicroBooNE после многолетнего анализа столкновений нейтрино, которые ранее рассматривались как возможный намек на существование четвертого типа этих частиц. Предполагалось, что стерильное нейтрино взаимодействует с материей исключительно через гравитацию, что делало его крайне трудным объектом для обнаружения. В рамках современной физики нейтрино известны в т ...>>

Беспроводные наушники и колонки Fender 15.01.2026

Музыкальная индустрия постепенно адаптируется к цифровым технологиям, и известный производитель музыкальных инструментов Fender расширяет свое присутствие за пределы гитар и усилителей, представляя современные решения для прослушивания музыки. Новые беспроводные наушники и Bluetooth-колонки Fender объединяют богатый звук, модульность и удобство использования как для дома, так и для профессиональной работы. Флагманской новинкой стали наушники Fender Mix, отличающиеся модульной конструкцией. Динамики подключаются к оголовью через порт USB Type-C и могут быть сняты вместе с амбушюрами, что облегчает уход и транспортировку. Один из динамиков оснащен встроенным адаптером USB Type-C для подключения к источнику звука без потерь, поддерживая кодеки LDHC и Fire, а также функцию Auracast. На другом динамике размещен съемный аккумулятор, который обеспечивает до 100 часов работы без активного шумоподавления; при включении ANC время работы сокращается до 52 часов. Наушники доступны по цене $299 ...>>

Польза белкового завтрака 14.01.2026

Правильное питание по утрам играет ключевую роль в поддержании здоровья и контроле веса. Многочисленные исследования подтверждают, что состав завтрака может влиять на аппетит в течение всего дня и качество употребляемой пищи. Австралийские ученые провели масштабный эксперимент, который показал, что употребление белковой пищи с утра помогает дольше чувствовать сытость и предотвращает переедание. В исследовании участвовали более 9 тысяч человек среднего возраста 46 лет. В период с 2011 по 2012 год специалисты анализировали рационы респондентов, оценивая долю основных макронутриентов. В среднем участники потребляли 43% углеводов, 31% жиров, 18% белков, 2% клетчатки и 4% алкоголя. Такой рацион позволил ученым проследить взаимосвязь между утренним приемом пищи и пищевым поведением в течение дня. Выяснилось, что участники, чей завтрак содержал недостаточное количество белка, ощущали повышенный аппетит в течение дня. Они ели больше, чем необходимо, и часто выбирали продукты с высоким со ...>>

Случайная новость из Архива

Ветровая энергетика стала основной в Великобритании 11.01.2025

Великобритания достигла важного рубежа в переходе к экологически чистой энергосистеме: впервые в истории ветровые турбины стали основным источником электроэнергии, обогнав газовые электростанции. Этот сдвиг подчеркивает усилия страны по сокращению выбросов углекислого газа и переходу к более устойчивым источникам энергии, хотя до выполнения амбициозных планов 2030 года еще предстоит пройти долгий путь.

По данным Национального оператора энергосистемы, на долю ветровой энергетики в прошлом году пришлось 29% всей произведенной электроэнергии, тогда как доля газа снизилась до 25%. Этот результат отражает возрастающую роль возобновляемых источников энергии в энергетическом балансе страны.

Британское правительство планирует значительное увеличение мощностей ветровой энергетики в ближайшие годы. Согласно планам, объемы морских ветровых электростанций будут увеличены более чем в три раза. Это позволит стране не только обеспечить значительную часть электроэнергии из дешевых и экологически чистых источников, но и сократить счета для потребителей, минимизируя зависимость от импортных энергоносителей.

Интересно отметить, что доля газа в производстве электроэнергии в стране достигла столь низкого уровня впервые с 2013 года. Тогда в энергетической системе доминировал уголь, а возобновляемые источники энергии играли лишь второстепенную роль. Сегодня уголь практически полностью вытеснен из энергобаланса, что отражает глубокие изменения в структуре генерации электроэнергии.

Этот переход стал возможным благодаря масштабным инвестициям в морские ветровые электростанции, которые занимают лидирующие позиции в мировом рейтинге мощности. Великобритания активно развивает как наземные, так и морские ветровые установки, что позволяет ей уверенно двигаться к созданию устойчивой энергосистемы.

Планы на будущее предполагают, что возобновляемые источники энергии, в том числе ветровые турбины, составят основную часть производства электроэнергии уже к началу 2030-х годов. Такой подход помогает не только бороться с изменением климата, но и укрепляет энергетическую независимость страны, снижая воздействие колебаний цен на газ и нефть на внутренний рынок.

Переход к ветровой энергетике в качестве ведущего источника электроэнергии - это не только важное достижение для Великобритании, но и пример для других стран, стремящихся к устойчивому развитию и снижению углеродного следа.

Другие интересные новости:

▪ Орбиту Земли почистят спутники-дворники

▪ Добыча платины по обочинам шоссе

▪ Смарт-лампочка Connected Cree LED Bulb

▪ Спиральная подводная турбина TideGen для приливной энергетики

▪ Сварка дерева трением

Лента новостей науки и техники, новинок электроники

 

Интересные материалы Бесплатной технической библиотеки:

▪ раздел сайта Цифровая техника. Подборка статей

▪ статья Нектар и амврозия (амброзия). Крылатое выражение

▪ статья Когда человек начал пить молоко? Подробный ответ

▪ статья Общие принципы ухода за больными. Медицинская помощь

▪ статья Антенна диапазона 432 МГц с круговой поляризацией. Энциклопедия радиоэлектроники и электротехники

▪ статья Микросхемные стабилизаторы напряжения широкого применения. Энциклопедия радиоэлектроники и электротехники

Оставьте свой комментарий к этой статье:

Имя:


E-mail (не обязательно):


Комментарий:




Комментарии к статье:

Никита
Супер [;)]


Главная страница | Библиотека | Статьи | Карта сайта | Отзывы о сайте

www.diagram.com.ua

www.diagram.com.ua
2000-2026