Бесплатная техническая библиотека
Зарядное устройство NiMH аккумуляторов с функцией измерения емкости. Энциклопедия радиоэлектроники и электротехники

Энциклопедия радиоэлектроники и электротехники / Зарядные устройства, аккумуляторы, гальванические элементы
Комментарии к статье
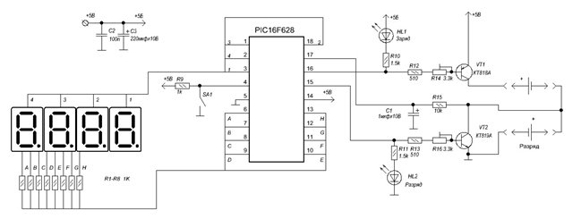
Устройство предназначено для зарядки NiMH аккумуляторов и контроля их емкости. Переключение режимов заряд/разряд осуществляется кнопкой SА1. Режим работы отображается с помощью светодиодов и десятичными точками двух первых разрядов семисегментного индикатора.
Сразу после включения питания устройство переходит в режим заряд. На индикаторе отображается время заряда. После истечения запрограммированного промежутка времени заряд прекращается. Об окончании заряда (и разряда то же) свидетельствует зажженная точка четвертого разряда. Ток заряда определяется как С/10 где С - емкость батареи, выставляется подстроечником R14.
Принцип действия измерителя основан на подсчете времени за которое напряжение аккумулятора снизится до1,1 В. Ток разряда должен быть равен 450 ма, выставляется R16. Для того чтобы измерить емкость, надо вставить аккумулятор в отсек для разряда и запустить процесс нажатием на кнопку! Устройство способно разряжать только один аккумулятор.
(нажмите для увеличения)
Провода для подключения батарейного отсека следует использовать как можно короче и толще.
Для изменения времени заряда нужно исправить два верхних байта в прошивке, которые обозначены красным. Например необходимо задать время 12ч 00м: с помощью калькулятора Windows число1200 переводим в шеснадцатиричную систему исчисления - получили 4В0. Первый байт В0, второй 04 - прописываем куда надо и радуемся!

Третий байт (08) это коэффициент пропорциональности который связывает ток разряда и емкость. Например мы хотим разряжать аккумулятор током не 450 ма, а 200:
1 ма*ч = 3600 ма*с, 3600 ма*с /200 ма = 18с - это значит, что каждые 18с значение счетчика увеличивается на 1. 18 переводи в 16-тиричную с.и получим 12. Прописываем вместо 08, зашиваем, переменным резистором выставляем ток 200ма, пользуемся!!
Тип индикатора - общий катод. Транзисторы установить на радиатор.
Про аккумуляторы можно посмотреть здесь: powerinfo.ru/
Скачать прошивку
Автор: Игнатчик Игорь, ICQ: 464548055; Публикация: cxem.net
Смотрите другие статьи раздела Зарядные устройства, аккумуляторы, гальванические элементы.
Читайте и пишите полезные комментарии к этой статье.
<< Назад
Последние новости науки и техники, новинки электроники:
Власть является ключевым фактором счастья в отношениях
11.03.2026
Исследования семейных и романтических отношений показывают, что длительное счастье пары зависит не только от привычных факторов, таких как доверие, уважение и преданность, но и от более тонких психологических аспектов. Современные ученые ищут закономерности, которые отличают действительно счастливые пары от остальных, чтобы понять, какие механизмы поддерживают гармонию в отношениях.
Группа исследователей из Университета Мартина Лютера в Галле-Виттенберге и Бамбергского университета провела опрос среди 181 пары, которые состояли в совместных отношениях более восьми лет и прожили вместе хотя бы месяц. Участники заполняли анкету, описывая различные аспекты своих отношений, включая распределение обязанностей, эмоциональную поддержку и степень вовлеченности в совместные решения.
Анализ данных показал интересный паттерн: пары, где оба партнера ощущали высокий уровень личной власти, оказывались наиболее счастливыми и удовлетворенными. В данном контексте под властью понимается способност ...>>
Защищенная колонка-повербанк Anker Soundcore Boom Go 3i
11.03.2026
Компания Anker представила новую модель линейки Soundcore - колонку Soundcore Boom Go 3i, ориентированную на активное использование на улице.
Новинка отличается высокой степенью защиты: корпус соответствует стандарту IP68, что обеспечивает водо- и пыленепроницаемость, а ударопрочный дизайн выдерживает падение с высоты до одного метра. За качество звука отвечает 15-ваттный драйвер, обеспечивающий пик громкости до 92 дБ, а технология BassUp 2.0 усиливает низкие частоты, делая звучание более насыщенным.
Колонка обладает автономностью до 24 часов, а LED-индикатор позволяет контролировать уровень заряда батареи. Кроме того, Soundcore Boom Go 3i может выполнять функцию павербанка: согласно внутренним тестам, устройство способно зарядить iPhone 17 с нуля до 40% за один час, что делает его полезным аксессуаром в походах и поездках.
Среди функциональных особенностей модели стоит выделить технологию Auracast, которая улучшает подключение и позволяет создавать стереопару из двух колонок ...>>
Раннее воздержание от алкоголя перестраивает мозг и иммунитет
10.03.2026
Алкогольная зависимость - хроническое расстройство с компульсивным употреблением спиртного, которое влияет не только на поведение, но и на функционирование мозга и иммунной системы. Недавние исследования показали, что даже на ранних этапах воздержания организм начинает перестраиваться, открывая новые возможности для терапии зависимости.
Ученые сосредоточились на пациентах, находящихся в первые недели абстиненции, и зафиксировали значительные изменения в мозговой активности. С помощью функциональной магнитно-резонансной томографии они выявили перестройку сетей нейронных связей, отвечающих за контроль импульсов и принятие решений. Эти изменения могут быть ключевыми для восстановления самоконтроля и снижения риска рецидива.
Одновременно с нейронной перестройкой исследователи наблюдали колебания иммунной системы. В крови повышался уровень цитокинов - сигнальных белков, регулирующих воспалительные процессы. Эти данные свидетельствуют о существовании нейроиммунного взаимодействия, при ...>>
Случайная новость из Архива Песчаная батарея Polar Night Energy
30.06.2025
В Финляндии успешно реализован инновационный проект - крупнейшая в мире песчаная батарея, способная аккумулировать тепло и существенно повысить стабильность "зеленой" энергетики.
Эта уникальная система, разработанная компанией Polar Night Energy совместно с энергетическим предприятием Loviisan Lampo, расположена в муниципалитете Порнайнен. Представляет собой стальной резервуар высотой 13 метров и диаметром 15 метров, наполненный около 2000 тонн измельченного стеатита - горной породы, обладающей высокой теплопроводностью и способностью долго сохранять тепло. Мощность батареи составляет 1 мегаватт, а ее емкость достигает 100 мегаватт-часов, что в десять раз превышает показатели предыдущей модели, введенной в эксплуатацию в 2022 году.
Принцип работы песчаной батареи достаточно прост, но эффективен. В периоды, когда солнечные панели или ветровые турбины генерируют энергию в избытке, она направляется на нагрев воздуха, который затем через систему труб циркулирует внутри резервуара, прогревая каменную крошку. Накопленное тепло может сохраняться часами, днями и даже неделями с минимальными потерями. При необходимости энергия высвобождается для нагрева воды в централизованной системе отопления города, обеспечивая теплом жилые дома и предприятия.
Основное преимущество такой технологии заключается в решении проблемы нестабильности возобновляемых источников энергии, поскольку солнце и ветер не всегда доступны. Песчаная батарея функционирует как крупный буфер, аккумулирующий излишки энергии в периоды ее избытка и обеспечивающий ее в периоды повышенного потребления. Ожидается, что благодаря этому проекту выбросы углерода в местной системе теплоснабжения сократятся почти на 70%, что станет важным вкладом Финляндии на пути к достижению климатической нейтральности к 2035 году.
Кроме экологической пользы, песчаные батареи предоставляют и экономические преимущества. Они помогают стабилизировать электросети, уменьшают зависимость от ископаемого топлива и могут участвовать в рынках резервной электроэнергии, повышая общую эффективность системы. Этот проект служит наглядным примером того, как использование доступных и сравнительно простых материалов позволяет создавать мощные и устойчивые решения в области энергетики.
Запуск самой крупной в мире песчаной батареи в Финляндии демонстрирует большой потенциал технологий хранения тепловой энергии для поддержки перехода к экологически чистым источникам. Такие инновации становятся ключевыми звеньями в цепочке борьбы с изменением климата, обеспечивая надежность энергоснабжения и снижая негативное воздействие на окружающую среду.
|
Другие интересные новости:
▪ Стоунхендж закроют на ремонт
▪ Ракеты в пять раз быстрее звука
▪ Самая редкая комбинацию цвета волос и глаз
▪ Керамика мокнет медленно
▪ Лазер охлаждает молекулы
Лента новостей науки и техники, новинок электроники
Интересные материалы Бесплатной технической библиотеки:
▪ раздел сайта Строителю, домашнему мастеру. Подборка статей
▪ статья Две души живут в груди моей. Крылатое выражение
▪ статья Какое неанглийское имя чаще других дают лондонским мальчикам? Подробный ответ
▪ статья Костяника каменистая. Легенды, выращивание, способы применения
▪ статья Простой автопробник. Энциклопедия радиоэлектроники и электротехники
▪ статья Монета и яблоко. Секрет фокуса
Оставьте свой комментарий к этой статье:
Главная страница | Библиотека | Статьи | Карта сайта | Отзывы о сайте

www.diagram.com.ua
2000-2026