Menu Home

Бесплатная техническая библиотека для любителей и профессионалов Бесплатная техническая библиотека


Блок питания мощностью 1 киловатт для УНЧ. Энциклопедия радиоэлектроники и электротехники

Бесплатная техническая библиотека

Энциклопедия радиоэлектроники и электротехники / Блоки питания

Комментарии к статье Комментарии к статье

В радиолюбительских журналах схемы импульсных источников питания мощностью более 500 Вт встречаются нечасто. Поэтому и был разработан импульсный стабилизированный источник питания со следующими параметрами:

Мощность, отдаваемая в нагрузку 1 кВт
Выходное напряжение ±50 В
Максимальный ток в нагрузке 10 А
Выходное напряжение при максимальном токе (не менее) +48 В
Ток срабатывания защиты около 14 А
Частота преобразования 50 кГц

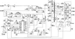
Принципиальная схема импульсного блока питания (ИБП) показана на рис. 1.

Блок питания мощностью 1 киловатт для УНЧ
Рис. 1 (нажмите для увеличения)

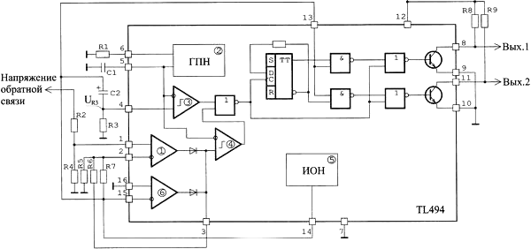
В основу схемы положена микросхема DAI TL494CN семейства контроллеров с широтно-импульсной модуляцией. Эта микросхема применяется в ИБП компьютеров и очень хорошо себя зарекомендовала. Рассмотрим ее работу в схеме преобразователя более подробно. TL494CN включает в себя усилитель ошибки, встроенный регулируемый генератор, компаратор регулировки "мертвого" времени, триггер управления, прецизионный источник опорного напряжения (ИОН) 5 В и схему управления выходным каскадом. Усилитель ошибки выдает синфазное напряжение в диапазоне 0,3...2 В. Компаратор регулировки "мертвого" времени имеет постоянное смещение, которое ограничивает минимальную длительность "мертвого" времени величиной порядка 5% от длительности выходного импульса. Независимые выходные формирователи на транзисторах обеспечивают возможность работы выходного каскада в схеме с общим эмиттером. Ток выходных транзисторов микросхемы - до 200 мА. TL494CN работоспособна при напряжении питания 7...40 В. На рис. 2 показаны схема включения микросхемы и структурная компоновка ее внутренних цепей.

Блок питания мощностью 1 киловатт для УНЧ. Схема включения микросхемы
Рис. 2

При подаче питания запускается генератор пилообразного напряжения 2 и источник опорного напряжения 5. Пилообразное напряжение с выхода генератора 2 (рис. 3,а) подается на инвертирующие входы компараторов 3 и 4. На неинвертирующий вход компаратора 4 поступает напряжение от усилителя ошибки 1. Поскольку выходные напряжения источника питания в этот момент еще отсутствуют, сигнал обратной связи с делителя R2R4 на неинвертирующий вход усилителя ошибки равен нулю. На инвертирующий вход этого усилителя подается положительное напряжение с делителя R5R7, к которому уже подключено опорное напряжение Uoп с выхода ИОН. Выходное напряжение усилителя ошибки 1 в первоначальный момент равно нулю, но в процессе увеличения напряжения в цепи обратной связи с делителя R2R4 оно нарастает.

Напряжение на выходе усилителя ошибки также увеличивается. Поэтому выходное напряжение компаратора 4 имеет вид последовательности нарастающих по ширине импульсов (рис. 3,6). Неинвертирующий вход компаратора 3, обеспечивающего паузу, соединен с выводом 4 микросхемы. На этот вывод подается напряжение с внешней RC-цепи C2R3, соединенной с шиной опорного напряжения Uorr При появлении опорного напряжения оно прикладывается к этой цепи.

По мере заряда конденсатора С2 ток через него и резистор R3 уменьшается: напряжение Uoп на резисторе R3 имеет форму спадающей экспоненты (рис. 3,в) Выходное напряжение компаратора 3 представляет собой последовательность импульсов, уменьшающихся по ширине (рис. 3,г) Из диаграммы выходных напряжений компараторов 3 и 4 (рис. 3,6, г) видно, что они взаимно противоположны. Выходные напряжения компараторов 3 и 4 являются входными для логического элемента "2ИЛИ". Поэтому ширина импульса на выходе логического элемента определяется наиболее широким входным импульсом.

Выходное напряжение элемента "2ИЛИ" показано на рис. 3,д, из которого следует, что в начальный момент времени ширина выходных импульсов компаратора 3 превышает ширину выходных импульсов компаратора 4, поэтому переключения компаратора 4 не влияют на ширину выходного импульса элемента "2ИЛИ". В интервале времени (t0; t1) (рис. 3,а) определяющую роль играет выходное напряжение компаратора 3. На рис. 3,е,ж показаны выходные импульсы на коллекторах транзисторов VT1, VT2. Ширина этих импульсов в интервале (t0; t1) плавно нарастает. В момент t1 выходной импульс компаратора 3 сравнивается с выходным импульсом компаратора 4. При этом управление логическим элементом "2ИЛИ" передается от компаратора 3 к компаратору 4, так как его выходные импульсы начинают превышать по ширине выходные импульсы компаратора 3. Таким образом, в промежутке времени (t0; t1) выходные импульсы на коллекторах транзисторов VT1, VT2 плавно нарастают и обеспечивают плавный запуск преобразователя напряжения.

Блок питания мощностью 1 киловатт для УНЧ. Диаграмма
Рис. 3

Перед каждым включением ИБП конденсатор С2 (рис. 2), обеспечивающий плавный запуск, должен быть разряжен. Пришло время обратиться к общей схеме рис. 1 преобразователя напряжения. Функцию конденсатора плавного запуска в ней выполняет конденсатор C3. При снятии питания конденсатор быстро разряжается через резистор R1, переход база-коллектор транзистора VT1 и диод VD1. Транзисторы VT1, VT2 выполняют функцию триггерной защиты. При подаче отпирающего напряжения на базу транзистора VT2 он открывается. Одновременно открывается транзистор VT1, шунтируя конденсатор C3 и блокируя, таким образом, работу преобразователя напряжения. Напряжение с коллектора транзистора VT1 через цепь R4VD2 удерживает в открытом состоянии транзистор VT2. Отключение триггерной защиты происходит только после снятия напряжения питания. В качестве силовых ключей применены мощные полевые транзисторы с довольно большой емкостью затвор-исток. Поэтому для управления этими транзисторами применены два блока ключей на транзисторах VT3, VT5, VT7 и VT4, VT6, VT8.

Рассмотрим работу одного из них. Когда на выводе 8 микросхемы DAI присутствует высокое напряжение (транзистор внутри микросхемы закрыт), открываются полевые транзисторы VT3 и VT7. Последний шунтирует емкость затвора транзистора VT9, мгновенно разряжая ее. Транзистор VT5 закрыт. Как только на выводе 8 микросхемы установится низкое напряжение, транзисторы VT3 и VT7 закроются, а VT5 откроется и на затвор транзистора VT9 поступит отпирающее напряжение. Резистор R18 предотвращает выход из строя транзисторов VT5, VT7, если один из них закрыт, а другой открыт не полностью.

Осциллограммы напряжений на затворах транзисторов VT9,VT10 показаны на рис. 3,3, и. В цепи затворов транзисторов VT9, VT10 включены резисторы R20, R21, которые вместе с емкостями затворов образуют фильтр нижних частот, уменьшающий уровень гармоник при открывании ключей. Цепи R22, R23, С8, С9, VD5-VD8 также служат для уменьшения гармоник при работе преобразователя. Первичная обмотка трансформатора Т1 включена в стоковые цепи транзисторов VT9, VT10. Напряжение обратной связи для стабилизации напряжения преобразователя снимается с обмотки III трансформатора. Через делитель на резисторах R7, R8 оно поступает на микросхему DA1. Резистором R10 можно в небольших пределах регулировать выходное напряжение ИБП. Элементы R6, С4 определяют частоту работы внутреннего генератора пилообразного напряжения микросхемы DA1 (при указанных на схеме номиналах эта частота близка к 50 кГц).

Меняя сопротивление резистора R6 и емкость конденсатора С4, можно при необходимости изменить частоту работы преобразователя напряжения. Силовая часть схемы питается через сетевой фильтр С10, Cl1, L1, выпрямительVD4 и конденсаторы С12, С13. Резистор R24 разряжает конденсатор фильтра в выключенном преобразователе. Микросхема DA1 и ключи на транзисторах VT3-VT8 питаются от стабилизированного источника питания на элементах Т2, VD3, С5-С7 и стабилизатора DA2. Резистор R25 служит для уменьшения броска тока через конденсаторы фильтра в момент включения ИБП в сеть. Выпрямитель выходного напряжения преобразователя выполнен по мостовой схеме на диодах VD12-VD15.

Плавный запуск преобразователя напряжения позволяет использовать во вторичных цепях конденсаторы фильтров довольно большой емкости, что необходимо при питании усилителя мощности. Дроссели L2, L3 вместе с конденсаторами фильтра сглаживают пульсации выходного напряжения ИБП. Защита преобразователя напряжения потоку выполнена на транзисторах VT11, VT12. При увеличении тока через резисторы R27-R30 транзисторы VT11, VT12 открываются и загораются светодиоды в оптопарах Ul.l, U1.2. Транзисторы оптопар открываются и подают на базу транзистора VT2 отпирающее напряжение, что приводит к срабатыванию триггерной защиты. Конденсатор С1 предотвращает срабатывание защиты от случайных импульсных помех.

Конструкция и детали

Конструктивно ИБП выполнен на односторонней печатной плате (рис. 4а, б).

Блок питания мощностью 1 киловатт для УНЧ Блок питания мощностью 1 киловатт для УНЧ
Рис. 4 а,б (нажмите для увеличения)

На плате расположены все элементы схемы, кроме SA1, FU1 иТ2. Также на отдельную маленькую плату вынесены резисторы R22, R23 и конденсаторы С8, С9. Они подсоединяются проводами к основной плате в точках, указанных буквами а, б, в. Резисторы R22, R23 сильно греются во время работы, поэтому плату с ними следует располагать так, чтобы резисторы не нагревали остальные элементы схемы. Диоды VD12-VD15 крепят на отдельном игольчатом радиаторе 10x12 см и соединяют с основной платой проводом диаметром не менее 1 мм. С одной стороны печатной платы располагается радиатор (рис. 4,6) длиной 170 см и высотой 10 см.

Желательно использовать игольчатый радиатор, но в крайнем случае подойдет и любой другой. К этому радиатору через изолирующие прокладки крепят элементы платы DA2, VD4, VT9, VT10. С противоположной стороны радиатора устанавливают вентилятор с таким расчетом, чтобы поток воздуха от него хорошо обдувал радиатор. Можно использовать вентилятор от компьютерного блока питания. Питание на него подают через резистор сопротивлением 320 Ом и мощностью 7,5 Вт с выхода +50 В преобразователя. Можно использовать резистор типа ПЭВ и закрепить его в любом месте корпуса. Допустимо также для питания вентилятора намотать дополнительную обмотку в трансформаторе Т1 (рис. 1). Для этого потребуется намотать два витка провода диаметром 0,4 мм и подключить вентилятор согласно рис. 5.

Блок питания мощностью 1 киловатт для УНЧ
Рис. 5

Трансформатор Т1 преобразователя наматывают на четырех сложенных вместе кольцах из феррита 2000НМ размерами К45х28х12. Моточные данные трансформатора приведены в таблице.

Обмотки Кол-во витков Диаметр провода, мм
I и II 32 1,2
III 2 0,4
IV и V 7 2,4 (два провода 1,2 мм)

Обмотки I и II трансформатора отделяют от остальных обмоток двумя-тремя слоями лакоткани. Трансформатор Т2 используют готовый с переменным напряжением 16 В. Катушка L1 состоит из 2x20 витков, намотанных на ферритовом кольце из феррита 2000НМ размерами КЗ1х18x7 в два провода диаметром 1 мм. Катушки L2, L3 наматывают на кусочках феррита диаметром 8...10 мм и длиной около 25 мм проводом диаметром 1,2 мм в один слой по всей длине феррита. В схеме преобразователя желательно использовать импортные электролитические конденсаторы сметкой 105°. В крайнем случае допустимо применение других конденсаторов, подходящих по размерам. Конденсатор С12 набран из трех конденсаторов емкостью 220 мкФх400 В.

Неэлектролитические конденсаторы любого типа, например К73-17. В качестве резистора R25 применяют три включенных параллельно резистора типа SCK105 или подобных, используемых в компьютерных блоках питания. Резисторы R22, R23 типа С5-5-10Вт, R27-R30 - С5-16В-5Вт. Остальные резисторы любого типа, например МЛТ. Подстроечный резистор R9 типа СПЗ-19АВ или другой малогабаритный. Высокочастотные диоды желательно использовать такие, как указано на схеме (КД212 и КД2999), так как импортные диоды, широко сейчас распространенные, не всегда хорошо работают на высоких частотах, особенно свыше 50 кГц.

Диодные мосты можно применить любые подходящие по размеру: VD3 - с выпрямленным током не менее 500 мА; VD4 - с выпрямленным током не менее 8 А и напряжением не менее 400 В. Транзисторы BSS88 можно заменить другими подобными полевыми транзисторами с изолированным затвором и n-каналом (напряжение сток-исток более 50 В, ток стока 0,15...0,5 А). Это могут быть транзисторы типов BSS123, BS108, 2SK1336 и т.п. Вместо мощных полевых транзисторов 2SK956 подойдут транзисторы типов 2SK787, IRFPE50. Микросхему TL494CN можно заменить микросхемой TL494LN, что позволит использовать преобразователь напряжения при температурах окружающей среды до -25°С, так как TL494CN работоспособна только при температуре выше 0°С. Также вместо нее можно применить аналог КА7500В. Оптопару АОТ101БС можно заменить АОТ101АС, PS2501-2. В качестве микросхемы DA2 можно применить КР142ЕН8Е или 7815. В случае использования микросхемы 7815 в изолированном корпусе при установке ее на радиатор изолирующая прокладка не потребуется. Транзисторы КТ502Е, КТ503Е допустимо заменить КТ502Г, КТ503Г, а диоды КД510А- практически любыми импульсными диодами, например, КД503, КД522 и т.п.

Настройка

Перед первым включением преобразователя в сеть следует снять сетевое напряжение с силовых цепей и подать питание только на трансформатор Т2. В первую очередь убеждаются в напряжении питания +15 В с выхода DA2. Затем с помощью осциллографа убеждаются в наличии импульсов на затворах полевых транзисторов VT9, VT10 и соответствии их осциллограммам рис.З.з, и. При замыкании накоротко конденсатора C3 импульсы должны исчезать, а на затворах VT9, VT10 устанавливаться нулевое напряжение. Далее, установив движок резистора R9 в среднее положение, подают напряжение питания на остальную часть схемы.

С помощью вольтметра контролируют напряжение на выводе 1 DA1, устанавливая величину 2,5 В подбором сопротивления резистора R7. Подстроечным резистором R9 можно в небольшой степени изменять выходное напряжение преобразователя, однако необходимо контролировать импульсы на затворах полевых транзисторов VT9, VT10, чтобы их длительность не приближалась к крайним пределам (слишком короткие или слишком длинные), а находилась в среднем положении. В противном случае, при возрастании нагрузки или изменении напряжения питающей сети, стабилизация выходного напряжения ухудшится.

Для того чтобы не перегружать преобразователь напряжения и не сжечь мощные полевые транзисторы, настройку защиты по току лучше выполнить следующим образом. Временно впаивают вместо резисторов R27-R30 резисторы сопротивлением 1 Ом и мощностью 2 Вт. К выходу преобразователя подключают нагрузку и амперметр. Устанавливают ток нагрузки 1,3... 1,4 А и подбором сопротивлений резисторов R32, R33 добиваются срабатывания токовой защиты. Затем впаивают на место резисторы R27-R30. На этом настройку преобразователя напряжения можно считать законченной. Если для питания усилителя или какой-либо другой нагрузки требуется иное напряжение, то выходное напряжение преобразователя можно изменить, изменив количество витков обмоток IV и V трансформатора Т1. При этом следует иметь в виду, что на один виток вторичной обмотки приходится около 7 В.

По материалам журнала Радіоаматор; Публикация: cxem.net

Смотрите другие статьи раздела Блоки питания.

Читайте и пишите полезные комментарии к этой статье.

<< Назад

Последние новости науки и техники, новинки электроники:

Хорошо управляемые луга могут компенсировать выбросы от скота 15.02.2026

Животноводство, особенно разведение крупного рогатого скота, часто обвиняют в значительном вкладе в глобальное потепление из-за мощного парникового газа - метана, который выделяется при пищеварении у жвачных животных. Это вызывает острые политические споры и призывы к сокращению потребления мяса. Однако ученые напоминают, что полная картина климатического воздействия отрасли не ограничивается только выбросами от животных: огромную роль играет окружающая экосистема - пастбища, почва и растительность, которые способны активно поглощать углекислый газ из атмосферы. Исследователи из Университета Небраски-Линкольна решили глубже изучить этот баланс. Группа под руководством профессора Галена Эриксона сосредоточилась на том, как правильно организованные пастбища накапливают углерод в растениях и грунте благодаря естественным процессам, стимулируемым выпасом скота. Ученые подчеркивают, что при достаточном уровне осадков и грамотном управлении такие луга превращаются в мощные природные погло ...>>

NASA тестирует инновационную технологию крыла 15.02.2026

Коммерческая авиация ежегодно расходует колоссальные объемы керосина, что сказывается не только на бюджете авиакомпаний, но и на состоянии окружающей среды. В 2024 году глобальные затраты на авиационное топливо достигли 291 миллиарда долларов, и эта сумма продолжает расти. Чтобы справиться с этими вызовами, NASA активно работает над технологиями, способными заметно повысить аэродинамическую эффективность самолетов. Одним из самых перспективных направлений стало создание специальной конструкции крыла, которая максимизирует естественный ламинарный поток воздуха и минимизирует сопротивление. В январе 2026 года специалисты NASA Armstrong Flight Research Center успешно провели важный этап наземных испытаний концепции Crossflow Attenuated Natural Laminar Flow (CATNLF). Для эксперимента под фюзеляж исследовательского самолета F-15B закрепили вертикально ориентированную масштабную модель высотой около 0,9 м (3 фута), напоминающую узкий киль. Такая компоновка позволила подвергнуть прототип р ...>>

Забота о внуках очень полезна для здоровья мозга 14.02.2026

Общение между поколениями приносит радость всей семье, но мало кто задумывается, насколько активно бабушки и дедушки, заботящиеся о внуках, поддерживают свою умственную форму. Регулярное взаимодействие с детьми стимулирует мозг пожилых людей, помогая сохранять память, скорость мышления и общую когнитивную активность. Новые научные данные подтверждают, что такая добровольная помощь не только важна для общества, но и может замедлять возрастные изменения в мозге. Исследователи из Тилбургского университета в Нидерландах провели анализ, чтобы понять, приносит ли уход за внуками реальную пользу здоровью пожилых людей. Ведущий автор работы Флавия Черечес отметила, что многие бабушки и дедушки регулярно присматривают за детьми, и оставался открытым вопрос, насколько это положительно сказывается на их собственном благополучии, особенно в плане когнитивных функций. Ученые поставили цель выяснить, способен ли регулярный уход за внуками замедлить снижение памяти и других умственных способ ...>>

Случайная новость из Архива

Воспитание собаки похоже на воспитание ребенка 18.10.2022

Большинство предыдущих исследований были сосредоточены на влиянии предыдущего опыта или домашней обстановки на формирование характера и привычек питомца, тогда как личности хозяина и его подходу к воспитанию пса внимания почти не уделялось. Теперь исследователи все чаще пытаются найти способ уловить связь между поведением хозяина собаки и поведением его питомца, чтобы оценить наш вклад в формирование характера животного.

Что удивительно, исследования взаимоотношений человека и собаки во многом аналогичны работам в области человеческой психологии. Так же, как поведение родителей оказывает огромное влияние на развитие и поведение ребенка (включая такие параметры, как социальная активность, психологическая устойчивость и даже производительность труда), поведение хозяина оказалось столь же значимым параметром в развитии и формировании личности собаки.

Ученые провели опрос 48 владельцев собак, выясняя у них подробности воспитания питомца. Используя полученные данные, опрошенных распределили на три категории (к слову, те же, что используются при изучении детской психологии): авторитетные, авторитарные и разрешительные. У авторитетных владельцев собака следует строгим правилам, при этом они идут навстречу ее нуждам, стараются поддерживать ее комфорт. У авторитарных людей подход к воспитанию такой же строгий, но они привыкли добиваться своего наказаниями и окриками. Наконец, разрешительные владельцы подходят к воспитанию собаки "спустя рукава": почти ничего не требуют, но и не обращают внимание, что нужно питомцу, в итоге он растет "подзаборной травой".

После установления подхода к воспитанию ученые провели три теста с участием самих животных. Во-первых, они оценили привязанность собаки к хозяину, сперва позволив ей взаимодействовать с ним в пределах комнаты, а затем отследив реакцию животного на возвращение владельца после недолгого отсутствия. Во-вторых, оценивалась общительность собаки, которой предлагалось взаимодействовать с хозяином и незнакомым ей человеком. Наконец, в третьем тесте изучались когнитивные способности животного, которому нужно было решить несложную головоломку (с разной степенью помощи от хозяина), чтобы достать лакомство.

Согласно выводам авторов исследования, у авторитетных хозяев оказались самые активные, привязанные и когнитивно одаренные питомцы (кстати, только собаки таких владельцев в конце концов успешно совладали с головоломкой). Собакам авторитарных хозяев явно недоставало уверенности: они настойчивее искали близости с хозяином, не слишком обращая внимание на происходящее вокруг. У разрешительных владельцев питомцам не хватало дисциплины, и они почти не следили за поведением своих хозяев.

Таким образом, связь между владельцем и собакой во многом аналогична связи между родителем и ребенком: схожие подходы к воспитанию дают схожие результаты. Поэтому людям, собирающимся вырастить из щенка жизнерадостного и общительного пса, стоит в первую очередь обратить внимание на себя.

Другие интересные новости:

▪ Датчики для пчел

▪ Электроника оценит тонус пользователя компьютера

▪ Из-за глобального потепления грядут суровые зимы

▪ Сенсорные ноутбуки подешевеют

▪ Принцип устройства камеры - глаз насекомого

Лента новостей науки и техники, новинок электроники

 

Интересные материалы Бесплатной технической библиотеки:

▪ раздел сайта Переговорные устройства. Подборка статей

▪ статья Голодание и его переносимость. Основы безопасной жизнедеятельности

▪ статья Что подразумевало НАСА, отправив к Юпитеру исследовательскую станцию Юнона? Подробный ответ

▪ статья Финансовый консультант. Должностная инструкция

▪ статья Симисторные регуляторы мощности. Энциклопедия радиоэлектроники и электротехники

▪ статья Сверление отверстий с помощью электрического тока. Химический опыт

Оставьте свой комментарий к этой статье:

Имя:


E-mail (не обязательно):


Комментарий:





Главная страница | Библиотека | Статьи | Карта сайта | Отзывы о сайте

www.diagram.com.ua

www.diagram.com.ua
2000-2026