Menu Home

Бесплатная техническая библиотека для любителей и профессионалов Бесплатная техническая библиотека


Блок питания для радиолюбителя 0-30 вольт. Энциклопедия радиоэлектроники и электротехники

Бесплатная техническая библиотека

Энциклопедия радиоэлектроники и электротехники / Блоки питания

Комментарии к статье Комментарии к статье

Вниманию радиолюбителей представляется разработка блока питания для домашней лаборатории. Достоинство данного БП в том, что не нужны дополнительные обмотки на силовом трансформаторе. Микросхема DA1 работает с однополярным питанием. Выходное напряжение плавно регулируется от 0 до 30 В. Блок питания имеет плавную регулировку ограничения по току.

Схемотехническое решение несложно и данный блок питания может изготовить начинающий радиолюбитель.

Выпрямленное напряжение +38 В, после конденсатора С1, подается на регулирующий транзистор VT2 и транзистор VT1. На транзисторе VT1, диоде VD2, конденсаторе С2 и резисторах R1, R2, R3 собран стабилизатор, который используется для питания микросхемы DA1. Диод VD2 представляет собой трехвыводной, регулируемый, параллельный стабилизатор напряжения. [2] На выходе стабилизатора, резистором R2 устанавливается напряжение +6,5 вольт, т. к. предельное питающее напряжение микросхемы DA1 VDD = 8 вольт. На операционном усилителе DA1.1 TLC2272 [ 1 ] собрана регулирующая часть напряжения блока питания. Резистором R14 регулируется выходное напряжение блока питания. На один из контактов резистора R14 подается опорное напряжение, равное 2,5 вольта. Точность данного напряжения, в небольших пределах, устанавливается подбором резистора R9.

Через резистор R15, регулируемое резистором R14, напряжение подается на вход 3 операционного усилителя DA1.1. Через данный операционный усилитель производится обработка выходного напряжения блока питания. Резистором R11 регулируется верхний предел выходного напряжения. Как уже говорилось, микросхема DA1 питается однополярным напряжением 6,5 В. И, тем не менее, на выходе блока питания удалось получить выходное напряжение равное 0 В.

На микросхеме DA1.2 построен узел защиты бока питания по току и от КЗ. Таких схемотехнических решений узлов защиты было описано множество в различной РЛ литературе и поэтому подробно не рассматривается.

В авторском варианте ток можно регулировать от 0 до 3А. Цепочка R10 и VD4 используется как индикатор перегрузки по току и КЗ.

Принципиальная схема блока питания показана на рис. 1.

Блок питания для радиолюбителя 0-30 вольт. Принципиальная схема блока питания
Рис. 1 (нажмите для увеличения)

Налаживание блока питания начинают с подачи напряжения +37…38 В. На конденсатор С1. С помощью резистора R2 выставляют на коллекторе VT1 напряжение +6,5В. Микросхему DA1 в панельку не вставляют. После того, как выходное напряжение на ножке 8 панельки DA1 установлено +6,5В, выключают питание и вставляют в панельку микросхему. После включают питание и, если напряжение на ножке 8 DA1 отличается от +6,5В, производят его подстройку. Резистор R14 должен быть выведен на 0, т.е. в нижнее по схеме положение.

После того, как напряжение питания микросхемы установлено, устанавливают опорное напряжение +2,5В на верхнем выводе переменного резистора R14. Если оно отличается от указанного в схеме, подбирают резистор R9. После этого резистор R14 переводят в верхнее положение и подстроечным резистором R11 устанавливают верхний предел выходного напряжения +30В. Выходное нижнее напряжение без резистора R16 равно 3,3 мВ, что не сказывается на показании цифрового индикатора и показания равны 0в. Если между ножками 1 и 2 микросхемы DA1.1 включить резистор 1,3МОм., то нижний предел выходного напряжения уменьшится до 0,3 мВ. Контактные площадки для резистора R16 в печатной плате предусмотрены. Затем подключают реостатное сопротивление в нагрузку и проверяют параметры узла защиты. При необходимости подбирают резисторы R6 и R8.

В данной конструкции можно использовать следующие компоненты.

VD2, VD3 - KPU2EH19, вместо транзистора VT2 TIP147 можно использовать отечественный транзистор КТ825, VT3 - BD139, BD140, VT1 - любой кремневый малой или средней мощности транзистор с напряжением Uк не менее 50в. Подстроечные резисторы R2 и R11 из серии СП5. Силовой трансформатор можно применить на мощность 100 … 160Вт. Резистор R16 с характеристикой ТК не хуже 30 ppm/ Со и должен быть, либо проволочного, либо металло-фольгированного типа. Блок питания собран на печатной плате размером 85 x 65 мм.

Блок питания для радиолюбителя 0-30 вольт. Расположение элементов на плате
Рис. 2

Блок питания для радиолюбителя 0-30 вольт. Печатная плата блока питания
Рис. 3

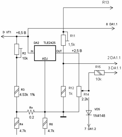
Узел опорного напряжения на VD3 можно заменить узлом на микросхеме TLE2425 - 2,5 В. [3] Входное напряжение данной микросхемы может варьироваться от 4 до 40 В. Выходное напряжение стабильно - 2.5 В.

Во время настройки вместо микросхемы TLC2272 экспериментально была применена микросхема TLC2262. Все параметры остались равными заданным, отклонений режимов не наблюдалось.

При испытаниях данной конструкции на питание микросхемы подавалось не 6,5 В, а 5 В. При этом резистор R9 = 1,6К. Узел питания микросхемы был заменен узлом, показанным на рис. 5. 

Если микросхема TLC2272 не в корпусе DIP-8, а SOIC-8, то можно поступить следующим образом, не переделывая печатной платы. Из изолированного материала готовится подложка - прямоугольник, размером 20 х 5 мм. На данный прямоугольник, клеем "МОМЕНТ", приклеивается "лапками к верху", т.е. вверх ногами, микросхема. Расположение микросхемы на подложке показано на рис. 6.

После чего, получившийся "бутерброд" приклеивают, все тем же клеем, на обратной стороне печатной платы, предварительно удалив панельку DIP-8 (если она впаивалась). Подложку с микросхемой приклеивают, располагая равномерно между контактными площадками микросхемы на печатной плате. Ножка 1 микросхемы должна быть напротив контактной площадки, принадлежащей ножке 1 микросхемы DA1, или сдвинута чуть ниже. После этой операции, с помощью гибких проводников и паяльника соединяем ножки микросхемы и контактные площадки на печатной плате.

Радиолюбителями было собрано несколько экземпляров данных блоков питания. Все они начинали работать сразу и показали заданные результаты.

Блок питания для радиолюбителя 0-30 вольт
Рис. 4

Блок питания для радиолюбителя 0-30 вольт. Узел питания микросхемы
Рис. 5

При разработке конструкции учитывалась не дорогая база деталей, минимум деталей, простота в налаживании и обращении, а так же выходные параметры, наиболее приемлемые среди радиолюбителей.

Блок питания для радиолюбителя 0-30 вольт. Расположение микросхемы на подложке
Рис. 6

Литература

[1] radiodetail.narod.ru/m_i/m_i_tl/tlc2272.htm
[2] promelec.ru/pdf/tl431_on.pdf
[3] itc-electronics.com/CD/Texas_10166_Analog-Mixed-2003/docs/html/datasheets/slos065d.pdf

Публикация: cxem.net

Смотрите другие статьи раздела Блоки питания.

Читайте и пишите полезные комментарии к этой статье.

<< Назад

Последние новости науки и техники, новинки электроники:

Токсичность интернета преувеличена 07.01.2026

Социальные сети нередко воспринимаются как арена постоянной агрессии, оскорблений и распространения фейковой информации. Новое исследование Стэнфордского университета показывает, что реальность значительно отличается от популярного представления: интернет гораздо менее токсичен, чем многие пользователи считают. Ученые опросили более тысячи американцев, попросив их оценить долю пользователей соцсетей, которые ведут себя агрессивно или распространяют ненависть. Оказалось, что впечатления людей сильно преувеличивают масштабы проблемы. Например, респонденты считали, что почти половина пользователей Reddit хотя бы раз оставляла оскорбительные комментарии, тогда как фактические данные платформы показывают, что таких людей не более 3%. Аналогичная ситуация наблюдается с дезинформацией. Опрос показал, что большинство участников считали почти половину аудитории Facebook распространителями фейковых новостей, однако статистика говорит об обратном: фактическая доля таких пользователей состав ...>>

Процессоры Ryzen AI 400 07.01.2026

Современные вычисления все больше ориентируются на интеграцию искусственного интеллекта и высокую производительность в компактных устройствах, таких как ноутбуки и мини-ПК. Новая линейка процессоров AMD Ryzen AI 400 демонстрирует, как разработчики объединяют мощные центральные ядра, графику и нейросетевые ускорители в одном чипе, чтобы удовлетворять растущие потребности пользователей в играх, контенте и ИИ-приложениях. AMD представила процессоры серии Gorgon Point, которые включают до 12 ядер Zen 5 и до 24 потоков вычислений. Чипы поддерживают интегрированную графику RDNA 3.5, обеспечивают максимальную тактовую частоту до 5,2 ГГц и имеют энергопотребление от 15 Вт до 54 Вт. Особое внимание уделено NPU, способному обрабатывать до 60 триллионов операций в секунду (TOPS), что делает эти процессоры эффективными для задач с искусственным интеллектом. Конструкция Ryzen AI 400 сочетает ядра Zen 5 и Zen 5c, обеспечивая высокую гибкость и производительность. Несмотря на то, что архитектур ...>>

Женщины лучше распознают признаки болезни по лицу 06.01.2026

Способность распознавать, что кто-то нездоров, часто проявляется интуитивно: бледная кожа, опущенные веки, уставшее выражение лица могут сигнализировать о недомогании. Новое исследование международной группы ученых показало, что женщины в среднем точнее мужчин улавливают такие тонкие невербальные признаки болезни, что может иметь эволюционные и социальные объяснения. В отличие от предыдущих работ, где использовались отредактированные фотографии или имитация больных лиц, ученые решили проверить, насколько люди способны распознавать естественные признаки недомогания. Такой подход позволил оценить реальную чувствительность к изменениям в лицах, возникающим при болезни. В исследовании приняли участие 280 студентов, поровну мужчин и женщин. Участникам предложили оценить 24 фотографии, на которых изображены люди как в здоровом состоянии, так и во время болезни. Это дало возможность сравнить восприятие естественных признаков недомогания в реальных лицах. Для анализа состояния каждого ...>>

Случайная новость из Архива

Система хранения данных freeze-ray на оптических дисках 300 ГБ 16.03.2016

Корпорация Panasonic представила оптимизированную версию системы хранения данных freeze-ray на оптических дисках емкостью 300 ГБ в рамках саммита OCP, проходившего 9 и 10 марта в Сан-Хосе, Калифорния, США. Предполагается, что новый продукт появится на рынке во втором полугодии 2016 г. и будет использоваться в высокопроизводительных дата-центрах следующего поколения, где дополнит традиционные инструменты хранения данных на жестких дисках и магнитной ленте.

Система на оптических дисках Panasonic уже используется корпорациями и государственными учреждениями, чья деятельность подразумевает долгосрочное хранение данных. Анонс системы freeze-ray, разработка и тестирование которой проходили в дата-центрах провайдера облачных услуг в США, состоялся на выставке CES 2016 в Лас-Вегасе, США. Первое поколение системы использовало Blu-Ray диски емкостью 100 ГБ.

Для увеличения объема сохраняемой информации оптимизированная система freeze-ray использует диски Archival Disc емкостью 300 ГБ, которые позволяют создать хранилище объемом 1,9 ПБ (1 петабайт = 1 000 терабайт) в стандартной 19-дюймовой стойке.

Как отметили в Panasonic, дата-центры нуждаются в инструментах для безопасного хранения данных в течение многих десятилетий. Неперезаписываемые диски Archival Disc отвечают этим требованиям. Будучи WORM-носителями (Write Once Read Many), они обеспечивают невозможность перезаписи или фальсификации существующих данных и расчетный срок хранения свыше 100 лет, утверждают в компании. Диски можно использовать при комнатной температуре, что снижает издержки на электроснабжение дата-центров.

В дальнейшем Panasonic планирует довести емкость дисков Archival Disc до 500 ГБ и 1 ТБ для создания еще более масштабных систем хранения суммарным объемом в несколько петабайт. Использование freeze-ray будет способствовать дальнейшей эволюции дата-центров и снижению затрат на обработку и хранение данных.

Другие интересные новости:

▪ Новые эффективные аккумуляторы Hitachi для поездов

▪ Дрон для уборки собачьих экскрементов

▪ Опасные блестки

▪ Wi-Fi на овцах

▪ Новый фильтр отделит нефть от воды

Лента новостей науки и техники, новинок электроники

 

Интересные материалы Бесплатной технической библиотеки:

▪ раздел сайта Мобильная связь. Подборка статей

▪ статья Джеймс Ричардсон. Знаменитые афоризмы

▪ статья У какого монарха обнаружили татуировку с надписью: Смерть королям!? Подробный ответ

▪ статья Офис-менеджер. Должностная инструкция

▪ статья Силовые модули. Энциклопедия радиоэлектроники и электротехники

▪ статья Усовершенствование детекторного приемника. Энциклопедия радиоэлектроники и электротехники

Оставьте свой комментарий к этой статье:

Имя:


E-mail (не обязательно):


Комментарий:




Комментарии к статье:

Александр
А можно в этой схеме заменить оу на LM358

Гость
И ещё есть где обсуждение этого бп на форуме?

Геннадий
Возможно ли в данной схеме удвоить выходной ток, запаралелив два выходных транзистора?

Гость
Содержание стимулирует ясность представления по теме [;)]

Александр
В схеме ток не регулируется, собирал и не верю что кто то собрал и все сразу заработало. Значит делали доработки, какие нигде не написано, если кто знает напишите буду благодарен. Доказательство сборки мною блока смотрите ЮТУБ канал. Александр.Радиоремонт и самоделки, а также на канале много еще разных собранных устройств и ремонтов, более 500 видео.

Анатолій
Схема не робоча, а саме вузол регулювання струму.


Главная страница | Библиотека | Статьи | Карта сайта | Отзывы о сайте

www.diagram.com.ua

www.diagram.com.ua
2000-2026