Menu Home

Бесплатная техническая библиотека для любителей и профессионалов Бесплатная техническая библиотека


Сетевой выпрямитель - стабилизатор напряжения и тока. Энциклопедия радиоэлектроники и электротехники

Бесплатная техническая библиотека

Энциклопедия радиоэлектроники и электротехники / Стабилизаторы напряжения

Комментарии к статье Комментарии к статье

Одна из основных проблем при разработке сетевого выпрямителя - ограничение амплитуды тока зарядки сглаживающего конденсатора в момент включения в сеть. В маломощных выпрямителях для этого на входе устанавливают токоограничивающий резистор или термистор. В более мощных устройствах для повышения КПД ограничивающий резистор шунтируют контактом реле или тринистором, когда напряжение на сглаживающем конденсаторе достигает значения, при котором амплитуда импульсов тока дальнейшей зарядки уже не превысит допустимой.

Сетевой выпрямитель - стабилизатор напряжения и тока. Схема выпрямителя

Схема предлагаемого устройства показана на рис. 1. Управляемый выпрямительный мост собран на двух тринисторах VS1, VS2 и двух диодах VD2, VD4. Конденсатор С5 - сглаживающий. Резистор R16 - датчик тока нагрузки. Диоды VD1 и VD3 вместе с диодами VD2 и VD4 образуют неуправляемый выпрямительный мост, используемый для питания узла управления тринисторами, в который входят остальные элементы. Открывающее напряжение на управляющие электроды тринисторов поступает поочередно через диоды VD1, VD5 или VD3, VD6, в зависимости от полярности полуволны напряжения сети, когда аналог тринистора, собранный на транзисторах VT2 и VT3 открывается напряжением, поступающим на базу транзистора VT3 через резистор R9 при закрытом транзисторе VT1.

Конденсатор С1 заряжается на вершинах полуволн до напряжения UC1:

Uc1 = Um - Uvd8,

где Um - амплитуда напряжения сети; Uvd8 - напряжение стабилизации стабилитрона VD8 (около 7,5 В).

В паузах между импульсами тока зарядки напряжение на конденсаторе С1 уменьшается на величину dUc1 в результате разрядки через резистор R2. Конденсатор C3 заряжается до напряжения Uvd8, когда мгновенное выпрямленное напряжение сети U превышает Um - (Uvd8 - Uc1). Разряжается конденсатор C3 через диод VD10 при открывании аналога тринистора VT2VT3.

Пренебрегая падением напряжения на открытых р-n переходах, можно сказать, что на резисторный делитель R4-R6 поступает разность напряжений U-Uc5. При уменьшении этой разности до установленного значения dU транзистор VT1 закрывается, разрешая включение аналога тринистора VT2VT3 и тринисторов VS1 и VS2. Регулировка значения dU осуществляется изменением положения движка подстроечного резистора R5.

Сопротивление резистора R2 влияет на положение момента начала зарядки конденсатора C3 относительно начала полупериода напряжения сети и совместно с напряжением Uvd8 определяет максимально возможный угол открывания тринисторов, а также максимальный уровень пульсаций выходного напряжения.

Конденсатор С2 устраняет возможность преждевременного открывания тринисторов после момента включения в сеть до тех пор, пока на конденсаторе С1 не установится необходимое напряжение. Резистор R3 разряжает конденсатор С2 после выключения устройства. От его номинала зависит минимальный интервал времени (около 5 с) до повторного включения.

Каскад на транзисторе VT4 обеспечивает стабилизацию выходного напряжения и тока, уменьшая при необходимости значение dU, определяемое положением движка резистора R5. Выходное напряжение регулируют перемещением движка подстроечного резистора R14 в интервале от нуля до максимума Um - Uvd8 - dUc1 - dU (около 250 В).

Когда напряжение на датчике тока нагрузки - резисторе R16 - превышает 0,6 В, транзистор VT4 открывается, в результате чего выходное напряжение снижается, что обеспечивает ограничение и стабилизацию тока нагрузки. Если эта функция не нужна, резистор R16 заменяют перемычкой.

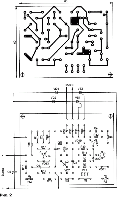
Сетевой выпрямитель - стабилизатор напряжения и тока. Печатная плата выпрямителя

Большинство элементов смонтированы на печатной плате из односторонне фольгированного стеклотекстолита, чертеж которой показан на рис. 2. Элементы выпрямительного моста (VS1, VS2, VD2, VD4) выбирают с обратным напряжением не ниже 300 В и не менее чем с двукратным запасом максимального прямого тока по отношению к максимальному току нагрузки. У большинства мощных диодов корпус соединен с катодом, а у тринисторов - с анодом, поэтому диод VD2 и тринистор VS1 удобно смонтировать на одном теплоотводе (аналогично VD4 и VS2).

Конденсаторы С1 и С6 - К73 -17, C3 и С4 - любые керамические или пленочные. Оксидный конденсатор С2 - К50 -29 или аналогичный импортный. Сглаживающий конденсатор С5 - К50 -17, его емкость выбирают, как для обычного мостового выпрямителя, так, чтобы пульсации выходного напряжения не превышали допустимого для используемой нагрузки значения.

Стабилитроны VD8 и VD13 - микромощные, с напряжением стабилизации 7...10 В при минимальном токе 0,1 мА. Пригодны стабилитроны КС175Ц, КС182Ц, КС191Ц, 2С175Ц, 2С182Ц, 2С191Ц. В крайнем случае, их можно заменить транзисторами серии КТ315 с любым буквенным индексом (базу включают как анод, эмиттер - как катод, коллектор оставляют свободным).

Сначала на плату монтируют все элементы, кроме резистора R8 и конденсатора С5. К выходу подключают нагрузку, например, лампу накаливания мощностью 100...200 Вт. Включают устройство в сеть через разделительный трансформатор и осциллографом проверяют наличие на нагрузке остроконечных импульсов напряжения со спадом, совпадающим с окончанием полуволны напряжения сети. Проверяют, что амплитуда импульсов поддается регулировке перемещением движка подстроечного резистора R5. Устанавливают этот движок в нижнее по схеме положение и подключают конденсатор С5, соединенный последовательно с дополнительным резистором сопротивлением 10...20 Ом, мощностью не менее 10 Вт. Напряжение на конденсаторе С5 должно плавно возрастать за несколько секунд примерно до 290 В с характерным скачком в конце. Если это так, конденсатор С5 подключают, непосредственно удалив дополнительный резистор, и устанавливают резистор R8. Подбирают сопротивление резистора R16 для требуемого уровня ограничения выходного тока.

Поскольку порог срабатывания защиты и максимальную амплитуду пульсаций выходного напряжения определяют оба напряжения dU и dUc1 то при уменьшении сопротивления резистора R2 увеличиваются порог и "резкость" срабатывания защиты. Экспериментально подбирая сопротивление резистора, можно изменить отношение этих напряжений и добиться требуемой нагрузочной характеристики устройства.

Автор: В. Каплун, г. Северодонецк Луганской обл.; Публикация: cxem.net

Смотрите другие статьи раздела Стабилизаторы напряжения.

Читайте и пишите полезные комментарии к этой статье.

<< Назад

Последние новости науки и техники, новинки электроники:

Власть является ключевым фактором счастья в отношениях 11.03.2026

Исследования семейных и романтических отношений показывают, что длительное счастье пары зависит не только от привычных факторов, таких как доверие, уважение и преданность, но и от более тонких психологических аспектов. Современные ученые ищут закономерности, которые отличают действительно счастливые пары от остальных, чтобы понять, какие механизмы поддерживают гармонию в отношениях. Группа исследователей из Университета Мартина Лютера в Галле-Виттенберге и Бамбергского университета провела опрос среди 181 пары, которые состояли в совместных отношениях более восьми лет и прожили вместе хотя бы месяц. Участники заполняли анкету, описывая различные аспекты своих отношений, включая распределение обязанностей, эмоциональную поддержку и степень вовлеченности в совместные решения. Анализ данных показал интересный паттерн: пары, где оба партнера ощущали высокий уровень личной власти, оказывались наиболее счастливыми и удовлетворенными. В данном контексте под властью понимается способност ...>>

Защищенная колонка-повербанк Anker Soundcore Boom Go 3i 11.03.2026

Компания Anker представила новую модель линейки Soundcore - колонку Soundcore Boom Go 3i, ориентированную на активное использование на улице. Новинка отличается высокой степенью защиты: корпус соответствует стандарту IP68, что обеспечивает водо- и пыленепроницаемость, а ударопрочный дизайн выдерживает падение с высоты до одного метра. За качество звука отвечает 15-ваттный драйвер, обеспечивающий пик громкости до 92 дБ, а технология BassUp 2.0 усиливает низкие частоты, делая звучание более насыщенным. Колонка обладает автономностью до 24 часов, а LED-индикатор позволяет контролировать уровень заряда батареи. Кроме того, Soundcore Boom Go 3i может выполнять функцию павербанка: согласно внутренним тестам, устройство способно зарядить iPhone 17 с нуля до 40% за один час, что делает его полезным аксессуаром в походах и поездках. Среди функциональных особенностей модели стоит выделить технологию Auracast, которая улучшает подключение и позволяет создавать стереопару из двух колонок ...>>

Раннее воздержание от алкоголя перестраивает мозг и иммунитет 10.03.2026

Алкогольная зависимость - хроническое расстройство с компульсивным употреблением спиртного, которое влияет не только на поведение, но и на функционирование мозга и иммунной системы. Недавние исследования показали, что даже на ранних этапах воздержания организм начинает перестраиваться, открывая новые возможности для терапии зависимости. Ученые сосредоточились на пациентах, находящихся в первые недели абстиненции, и зафиксировали значительные изменения в мозговой активности. С помощью функциональной магнитно-резонансной томографии они выявили перестройку сетей нейронных связей, отвечающих за контроль импульсов и принятие решений. Эти изменения могут быть ключевыми для восстановления самоконтроля и снижения риска рецидива. Одновременно с нейронной перестройкой исследователи наблюдали колебания иммунной системы. В крови повышался уровень цитокинов - сигнальных белков, регулирующих воспалительные процессы. Эти данные свидетельствуют о существовании нейроиммунного взаимодействия, при ...>>

Случайная новость из Архива

Новый рекорд квантовой телепортации 18.12.2014

Ученые из Университета Женевы осуществили передачу квантовой информации на 25 километров через оптоволоконный кабель.

Эксперимент основан на явлении квантовой запутанности, которое предполагает, что частицы остаются связанными между собой независимо от расстояния. В нем участвовали три фотона, два из которых как раз были "запутанными". Запустив один такой фотон через оптоволоконный кабель с помощью сверхмощного лазера, второй фотон из пары поместили в особый кристалл на другом конце. Третий фотон расположили на пути их движения и, когда фотоны столкнулись, они разрушились, но информация о столкновении оказалась переданной в фотон на конце волокна.

Квантовая телепортация не предполагает передачу вещества или энергии, но доставляет информацию о состоянии частицы. До сих пор считалась большим успехом мгновенная передача информации всего на несколько метров, но расстояние в 25 километров стало беспрецедентным.

Такая технология дает надежду на практическое применение квантовой телепортации в компьютерах будущего.

Другие интересные новости:

▪ 800-граммовый ультрабук NEC LaVie GZ

▪ Через 10-15 лет электромобилей будет продаваться больше чем с ДВС

▪ Выращивание экологически чистых свиней

▪ Асфальт в парнике

▪ Ультракомпактные источники питания TRACO TMPS

Лента новостей науки и техники, новинок электроники

 

Интересные материалы Бесплатной технической библиотеки:

▪ раздел сайта Заводские технологии на дому. Подборка статей

▪ статья Не мечите бисер перед свиньями. Крылатое выражение

▪ статья Почему Исаев - это не настоящая фамилия Штирлица? Подробный ответ

▪ статья Обучение и проверка знаний по охране труда

▪ статья Антенноскоп - высокочастотный измерительный мост. Энциклопедия радиоэлектроники и электротехники

▪ статья Антенна Шпиндлера для приема телевидения MMDS. Энциклопедия радиоэлектроники и электротехники

Оставьте свой комментарий к этой статье:

Имя:


E-mail (не обязательно):


Комментарий:





Главная страница | Библиотека | Статьи | Карта сайта | Отзывы о сайте

www.diagram.com.ua

www.diagram.com.ua
2000-2026