Бесплатная техническая библиотека
Тиристорный выпрямитель с регулируемым выходным напряжением. Энциклопедия радиоэлектроники и электротехники

Энциклопедия радиоэлектроники и электротехники / Преобразователи напряжения, выпрямители, инверторы
Комментарии к статье
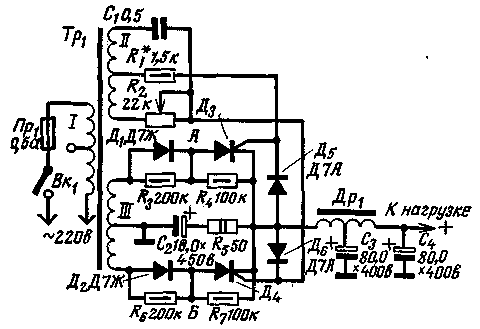
Тиристорный выпрямитель, схема которого представлена на рисунке, позволяет получить на выходе регулируемое постоянное напряжение в пределах 0-250 B при токе через нагрузку 0,15 A. К. п. д. выпрямителя зависит от нагрузки и может достигать 98%. Выпрямитель выполнен по двухполупериодной схеме, причем в каждом плече последовательно с диодом включен тиристор.
Открывание тиристоров происходит попеременно при положительной полуволне напряжения на них в момент подачи на управляющие электроды управляющих сигналов. Регулирование выпрямленного напряжения осуществляется изменением фазы управляющих сигналов относительно начала полупериода. Закрываются тиристоры в конце положительной полуволны приложенного к ним напряжения.

Регулирование момента отпирания тиристоров осуществляется фазовращателем, образованным обмоткой II трансформатора, конденсатором C1, переменным резистором R2 и резистором R1. Изменение фазы переменного напряжения на выходе фазовращателя осуществляется резистором R2. Амплитуда напряжения на выходе фазовращателя почти не изменяется. Если использовать в выпрямителе диоды и тиристоры с высоким допустимым обратным напряжением, резисторы R3, R4, R6 и R7 можно исключить. С целью уменьшения амплитуды импульсов тока в цепях выпрямителя последовательно с конденсатором С2 включен резистор R5. Диоды Д5 и Д6 служат для обеспечения необходимой полярности управляющих сигналов на тиристорах Д3 и Д4. Резистор R1 ограничивает ток управляющих электродов тиристоров.
Если допускается гальваническая связь нагрузки выпрямителя с сетью и не требуется выпрямленное напряжение большее, чем напряжение сети, то можно выполнить выпрямитель без силового трансформатора Тp1. В этом случае анодные выводы диодов Д1, Д2 заземляют, а провода сети подключают к точкам А и Б. Для питания фазовращателя в этом случае необходимо изготовить отдельный трансформатор мощностью 5- 10 Вт с вторичной обмоткой на 20 в. В остальном схема не изменяется.
Трансформатор Тр1 намотан на сердечнике Ш32Х40 и имеет обмотки: I - 435 витков провода ПЭВ-2 0,6+ +315 витков провода ПЭВ-2 0,43; II - 2Х38 витков провода ПЭВ-1 0,25; III-2X870 витков провода ПЭВ-2 0,38. Дроссель Др1 намотан на сердечнике Ш22Х22, его обмотка состоит из 600 витков провода ПЭВ-1 0,32 с отводом от середины.
В выпрямителе можно применить любые подходящие тиристоры. Напряжение неуправляемого переключения тиристоров не должно быть ниже амплитудного значения подводимого к ним напряжения. Недостатком описанного выпрямителя является заметное снижение выходного напряжения (особенно при малых его значениях) при подключении нагрузки.
Авторы: Г. Алексеев, Н. Васильев, г. Куйбышев; Публикация: Н. Большаков, rf.atnn.ru
Смотрите другие статьи раздела Преобразователи напряжения, выпрямители, инверторы.
Читайте и пишите полезные комментарии к этой статье.
<< Назад
Последние новости науки и техники, новинки электроники:
Токсичность интернета преувеличена
07.01.2026
Социальные сети нередко воспринимаются как арена постоянной агрессии, оскорблений и распространения фейковой информации. Новое исследование Стэнфордского университета показывает, что реальность значительно отличается от популярного представления: интернет гораздо менее токсичен, чем многие пользователи считают.
Ученые опросили более тысячи американцев, попросив их оценить долю пользователей соцсетей, которые ведут себя агрессивно или распространяют ненависть. Оказалось, что впечатления людей сильно преувеличивают масштабы проблемы. Например, респонденты считали, что почти половина пользователей Reddit хотя бы раз оставляла оскорбительные комментарии, тогда как фактические данные платформы показывают, что таких людей не более 3%.
Аналогичная ситуация наблюдается с дезинформацией. Опрос показал, что большинство участников считали почти половину аудитории Facebook распространителями фейковых новостей, однако статистика говорит об обратном: фактическая доля таких пользователей состав ...>>
Процессоры Ryzen AI 400
07.01.2026
Современные вычисления все больше ориентируются на интеграцию искусственного интеллекта и высокую производительность в компактных устройствах, таких как ноутбуки и мини-ПК. Новая линейка процессоров AMD Ryzen AI 400 демонстрирует, как разработчики объединяют мощные центральные ядра, графику и нейросетевые ускорители в одном чипе, чтобы удовлетворять растущие потребности пользователей в играх, контенте и ИИ-приложениях.
AMD представила процессоры серии Gorgon Point, которые включают до 12 ядер Zen 5 и до 24 потоков вычислений. Чипы поддерживают интегрированную графику RDNA 3.5, обеспечивают максимальную тактовую частоту до 5,2 ГГц и имеют энергопотребление от 15 Вт до 54 Вт. Особое внимание уделено NPU, способному обрабатывать до 60 триллионов операций в секунду (TOPS), что делает эти процессоры эффективными для задач с искусственным интеллектом.
Конструкция Ryzen AI 400 сочетает ядра Zen 5 и Zen 5c, обеспечивая высокую гибкость и производительность. Несмотря на то, что архитектур ...>>
Женщины лучше распознают признаки болезни по лицу
06.01.2026
Способность распознавать, что кто-то нездоров, часто проявляется интуитивно: бледная кожа, опущенные веки, уставшее выражение лица могут сигнализировать о недомогании. Новое исследование международной группы ученых показало, что женщины в среднем точнее мужчин улавливают такие тонкие невербальные признаки болезни, что может иметь эволюционные и социальные объяснения.
В отличие от предыдущих работ, где использовались отредактированные фотографии или имитация больных лиц, ученые решили проверить, насколько люди способны распознавать естественные признаки недомогания. Такой подход позволил оценить реальную чувствительность к изменениям в лицах, возникающим при болезни.
В исследовании приняли участие 280 студентов, поровну мужчин и женщин. Участникам предложили оценить 24 фотографии, на которых изображены люди как в здоровом состоянии, так и во время болезни. Это дало возможность сравнить восприятие естественных признаков недомогания в реальных лицах.
Для анализа состояния каждого ...>>
Случайная новость из Архива Сверхъяркие тонкопленочные светодиоды и лазеры
02.04.2019
Сверхъяркие светодиоды и лазеры прочно вошли в нашу жизнь и используются как для обычного освещения, так и в разного рода измерительной электронике. Перевести эти полупроводниковые приборы на новый уровень могли бы технологии производства с использованием тонкопленочных структур. Например, тонкопленочные транзисторы сделали технологию производства жидкокристаллических панелей повсеместной и доступной, что было бы невозможно в случае одних лишь дискретных транзисторов.
В Европе задача разработать технологию производства тонкопленочных светодиодов и полупроводниковых лазеров поставлена известному бельгийскому ученому микроэлектронщику Полу Хермансу (Paul Heremans). Панъевропейский совет European Research Council (ERC), распределяющий средства на перспективные разработки в Европе, выделил Полу Хермансу грант на пять лет в размере 2,5 млн евро. Это не первый грант ERC, который получил Херманс. За свою карьеру в бельгийском исследовательском центре Imec он возглавил много успешных проектов в области разработки полупроводников, в частности, в 2012 году Херманс получил грант на проект по производству кристаллических органических полупроводников.
Тонкопленочные светодиоды и лазеры также предполагается разрабатывать с использованием органических материалов. Сегодня тонкопленочные светодиоды обладают яркостью, которая в 300 раз слабее, чем у дискретных сверхъярких светодиодов на основе материалов из III-V групп таблицы Менделеева. Задачей Херманса станет приблизить яркость тонкопленочных структур к возможностям их дискретных собратьев. При этом выпускать тонкопленочные структуры можно будет на тонких и гибких подложках из целого спектра материалов, включая пластик, стекло и металлическую фольгу.
Продвижение на данном фронте позволит совершить прорыв на массе перспективных направлений. Это и кремниевая фотоника, и дисплеи для гарнитур дополненной реальности, и лидары для самоуправляемых автомобилей, и спектрометры для индивидуальных диагностических систем и многое-многое другое.
|
Другие интересные новости:
▪ Прочный и пластичный прорезиненный бетон
▪ Контроль ионного потока через нанопоры
▪ Самый маленький двухмоторный турбореактивный самолет
▪ Оползень под контролем
▪ Монитор RCA Evolution Premium (M27PG135F)
Лента новостей науки и техники, новинок электроники
Интересные материалы Бесплатной технической библиотеки:
▪ раздел сайта Крылатые слова, фразеологизмы. Подборка статей
▪ статья Роберт Шуман. Знаменитые афоризмы
▪ статья Кто ограбил фараонов? Подробный ответ
▪ статья Фуксия. Легенды, выращивание, способы применения
▪ статья Серая протрава для рога. Простые рецепты и советы
▪ статья Парадокс с площадью. Секрет фокуса
Оставьте свой комментарий к этой статье:
Главная страница | Библиотека | Статьи | Карта сайта | Отзывы о сайте

www.diagram.com.ua
2000-2026