Áåñïëàòíàÿ òåõíè÷åñêàÿ áèáëèîòåêà
Èñòî÷íèê ïèòàíèÿ äëÿ àâòîìîáèëüíîãî òðàíñèâåðà, 13.5 âîëüò 20 àìïåð. Ýíöèêëîïåäèÿ ðàäèîýëåêòðîíèêè è ýëåêòðîòåõíèêè

Ýíöèêëîïåäèÿ ðàäèîýëåêòðîíèêè è ýëåêòðîòåõíèêè / Áëîêè ïèòàíèÿ
Êîììåíòàðèè ê ñòàòüå
Àâòîìîáèëüíûå òðàíñèâåðû (òèïà FT-747, Icom-735) ïðè ïåðåäà÷å ïîòðåáëÿþò çíà÷èòåëüíûé òîê - äî 20 À. Ñîçäàíèå ñåòåâîãî èñòî÷íèêà ïèòàíèÿ äëÿ òàêèõ TRX ïðåäñòàâëÿåò ñåðüåçíóþ ïðîáëåìó.
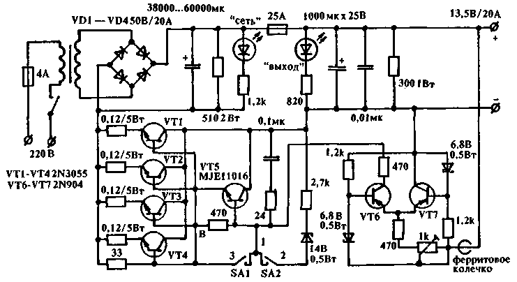
Íà ðèñ.1 ïðèâåäåíà ïðèíöèïèàëüíàÿ ñõåìà òàêîãî áëîêà ïèòàíèÿ. Âòîðè÷íàÿ îáìîòêà òðàíñôîðìàòîðà äîëæíà áûòü ðàññ÷èòàíà íà òîê 20 À è íàïðÿæåíèå 20 Â. Äèîäû ìîñòà óñòàíàâëèâàþòñÿ íà ðàäèàòîðàõ, ëó÷øå èñïîëüçîâàòü ñèëîâûå äèîäû ñ áàðüåðîì Øîòòêè. Ñòàáèëèçàòîð ñ çàùèòîé îò çàìûêàíèé âûïîëíåí íà VT1...VT7. Âûõîäíîå íàïðÿæåíèå óñòàíàâëèâàåòñÿ ïîäñòðîå÷íûì ðåçèñòîðîì 1 ê. Óñèëèòåëü ñèãíàëà îøèáêè âûïîëíåí íà äèôôåðåíöèàëüíîì êàñêàäå VT6, VT7.
Ðèñ.1 (íàæìèòå äëÿ óâåëè÷åíèÿ)
Ïîâòîðèòåëü íà ñîñòàâíîì òðàíçèñòîðå VT5 óïðàâëÿåò ðåãóëèðóþùèìè òðàíçèñòîðàìè VT1...VT4, â ýìèòòåðíûå öåïè êîòîðûõ âêëþ÷åíû âûðàâíèâàþùèå ðåçèñòîðû 0,12 Îì, îáåñïå÷èâàþùèå ðàâíîìåðíîå ðàñïðåäåëåíèå òîêà ïî âñåì ÷åòûðåì òðàíçèñòîðàì (ïî 5 À íà êàæäûé).
Ïå÷àòíàÿ ïëàòà óñòðîéñòâà ïîêàçàíà íà ðèñ.2.
Ñåòåâîé âûïðÿìèòåëü, ôèëüòðóþùèå êîíäåíñàòîðû è VT1...VT4 óñòàíîâëåíû âíå ïëàòû. Êîëëåêòîðû VT1...VT4 ãàëüâàíè÷åñêè ñîåäèíåíû ñ êîðïóñîì, ÷òî ïîçâîëÿåò èñïîëüçîâàòü øàññè â êà÷åñòâå ðàäèàòîðà áåç èçîëèðóþùèõ ïðîêëàäîê.  êà÷åñòâå VT1...VT4 ìîæíî èñïîëüçîâàòü ÊÒ819, VT5 - ÊÒ827, VT6 è VT7 - ÊÒ814. Âñå - ñ ëþáîé áóêâîé.
Àâòîð: R.RAVETTI (I1RRT); Ïóáëèêàöèÿ: Í. Áîëüøàêîâ, rf.atnn.ru
Ñìîòðèòå äðóãèå ñòàòüè ðàçäåëà Áëîêè ïèòàíèÿ.
×èòàéòå è ïèøèòå ïîëåçíûå êîììåíòàðèè ê ýòîé ñòàòüå.
<< Íàçàä
Ïîñëåäíèå íîâîñòè íàóêè è òåõíèêè, íîâèíêè ýëåêòðîíèêè:
Âëàñòü ÿâëÿåòñÿ êëþ÷åâûì ôàêòîðîì ñ÷àñòüÿ â îòíîøåíèÿõ
11.03.2026
Èññëåäîâàíèÿ ñåìåéíûõ è ðîìàíòè÷åñêèõ îòíîøåíèé ïîêàçûâàþò, ÷òî äëèòåëüíîå ñ÷àñòüå ïàðû çàâèñèò íå òîëüêî îò ïðèâû÷íûõ ôàêòîðîâ, òàêèõ êàê äîâåðèå, óâàæåíèå è ïðåäàííîñòü, íî è îò áîëåå òîíêèõ ïñèõîëîãè÷åñêèõ àñïåêòîâ. Ñîâðåìåííûå ó÷åíûå èùóò çàêîíîìåðíîñòè, êîòîðûå îòëè÷àþò äåéñòâèòåëüíî ñ÷àñòëèâûå ïàðû îò îñòàëüíûõ, ÷òîáû ïîíÿòü, êàêèå ìåõàíèçìû ïîääåðæèâàþò ãàðìîíèþ â îòíîøåíèÿõ.
Ãðóïïà èññëåäîâàòåëåé èç Óíèâåðñèòåòà Ìàðòèíà Ëþòåðà â Ãàëëå-Âèòòåíáåðãå è Áàìáåðãñêîãî óíèâåðñèòåòà ïðîâåëà îïðîñ ñðåäè 181 ïàðû, êîòîðûå ñîñòîÿëè â ñîâìåñòíûõ îòíîøåíèÿõ áîëåå âîñüìè ëåò è ïðîæèëè âìåñòå õîòÿ áû ìåñÿö. Ó÷àñòíèêè çàïîëíÿëè àíêåòó, îïèñûâàÿ ðàçëè÷íûå àñïåêòû ñâîèõ îòíîøåíèé, âêëþ÷àÿ ðàñïðåäåëåíèå îáÿçàííîñòåé, ýìîöèîíàëüíóþ ïîääåðæêó è ñòåïåíü âîâëå÷åííîñòè â ñîâìåñòíûå ðåøåíèÿ.
Àíàëèç äàííûõ ïîêàçàë èíòåðåñíûé ïàòòåðí: ïàðû, ãäå îáà ïàðòíåðà îùóùàëè âûñîêèé óðîâåíü ëè÷íîé âëàñòè, îêàçûâàëèñü íàèáîëåå ñ÷àñòëèâûìè è óäîâëåòâîðåííûìè.  äàííîì êîíòåêñòå ïîä âëàñòüþ ïîíèìàåòñÿ ñïîñîáíîñò ...>>
Çàùèùåííàÿ êîëîíêà-ïîâåðáàíê Anker Soundcore Boom Go 3i
11.03.2026
Êîìïàíèÿ Anker ïðåäñòàâèëà íîâóþ ìîäåëü ëèíåéêè Soundcore - êîëîíêó Soundcore Boom Go 3i, îðèåíòèðîâàííóþ íà àêòèâíîå èñïîëüçîâàíèå íà óëèöå.
Íîâèíêà îòëè÷àåòñÿ âûñîêîé ñòåïåíüþ çàùèòû: êîðïóñ ñîîòâåòñòâóåò ñòàíäàðòó IP68, ÷òî îáåñïå÷èâàåò âîäî- è ïûëåíåïðîíèöàåìîñòü, à óäàðîïðî÷íûé äèçàéí âûäåðæèâàåò ïàäåíèå ñ âûñîòû äî îäíîãî ìåòðà. Çà êà÷åñòâî çâóêà îòâå÷àåò 15-âàòòíûé äðàéâåð, îáåñïå÷èâàþùèé ïèê ãðîìêîñòè äî 92 äÁ, à òåõíîëîãèÿ BassUp 2.0 óñèëèâàåò íèçêèå ÷àñòîòû, äåëàÿ çâó÷àíèå áîëåå íàñûùåííûì.
Êîëîíêà îáëàäàåò àâòîíîìíîñòüþ äî 24 ÷àñîâ, à LED-èíäèêàòîð ïîçâîëÿåò êîíòðîëèðîâàòü óðîâåíü çàðÿäà áàòàðåè. Êðîìå òîãî, Soundcore Boom Go 3i ìîæåò âûïîëíÿòü ôóíêöèþ ïàâåðáàíêà: ñîãëàñíî âíóòðåííèì òåñòàì, óñòðîéñòâî ñïîñîáíî çàðÿäèòü iPhone 17 ñ íóëÿ äî 40% çà îäèí ÷àñ, ÷òî äåëàåò åãî ïîëåçíûì àêñåññóàðîì â ïîõîäàõ è ïîåçäêàõ.
Ñðåäè ôóíêöèîíàëüíûõ îñîáåííîñòåé ìîäåëè ñòîèò âûäåëèòü òåõíîëîãèþ Auracast, êîòîðàÿ óëó÷øàåò ïîäêëþ÷åíèå è ïîçâîëÿåò ñîçäàâàòü ñòåðåîïàðó èç äâóõ êîëîíîê ...>>
Ðàííåå âîçäåðæàíèå îò àëêîãîëÿ ïåðåñòðàèâàåò ìîçã è èììóíèòåò
10.03.2026
Àëêîãîëüíàÿ çàâèñèìîñòü - õðîíè÷åñêîå ðàññòðîéñòâî ñ êîìïóëüñèâíûì óïîòðåáëåíèåì ñïèðòíîãî, êîòîðîå âëèÿåò íå òîëüêî íà ïîâåäåíèå, íî è íà ôóíêöèîíèðîâàíèå ìîçãà è èììóííîé ñèñòåìû. Íåäàâíèå èññëåäîâàíèÿ ïîêàçàëè, ÷òî äàæå íà ðàííèõ ýòàïàõ âîçäåðæàíèÿ îðãàíèçì íà÷èíàåò ïåðåñòðàèâàòüñÿ, îòêðûâàÿ íîâûå âîçìîæíîñòè äëÿ òåðàïèè çàâèñèìîñòè.
Ó÷åíûå ñîñðåäîòî÷èëèñü íà ïàöèåíòàõ, íàõîäÿùèõñÿ â ïåðâûå íåäåëè àáñòèíåíöèè, è çàôèêñèðîâàëè çíà÷èòåëüíûå èçìåíåíèÿ â ìîçãîâîé àêòèâíîñòè. Ñ ïîìîùüþ ôóíêöèîíàëüíîé ìàãíèòíî-ðåçîíàíñíîé òîìîãðàôèè îíè âûÿâèëè ïåðåñòðîéêó ñåòåé íåéðîííûõ ñâÿçåé, îòâå÷àþùèõ çà êîíòðîëü èìïóëüñîâ è ïðèíÿòèå ðåøåíèé. Ýòè èçìåíåíèÿ ìîãóò áûòü êëþ÷åâûìè äëÿ âîññòàíîâëåíèÿ ñàìîêîíòðîëÿ è ñíèæåíèÿ ðèñêà ðåöèäèâà.
Îäíîâðåìåííî ñ íåéðîííîé ïåðåñòðîéêîé èññëåäîâàòåëè íàáëþäàëè êîëåáàíèÿ èììóííîé ñèñòåìû. Â êðîâè ïîâûøàëñÿ óðîâåíü öèòîêèíîâ - ñèãíàëüíûõ áåëêîâ, ðåãóëèðóþùèõ âîñïàëèòåëüíûå ïðîöåññû. Ýòè äàííûå ñâèäåòåëüñòâóþò î ñóùåñòâîâàíèè íåéðîèììóííîãî âçàèìîäåéñòâèÿ, ïðè ...>>
Ñëó÷àéíàÿ íîâîñòü èç Àðõèâà Íåéòðèíî òðàíñôîðìèðîâàëè
01.08.2013
 ðàìêàõ ìåæäóíàðîäíîãî íàó÷íîãî ïðîåêòà Ò2Ê ñîñòîÿëîñü îòêðûòèå, êîòîðîå ìîæåò ïðèâåñòè ê ïðîðûâó â ïîíèìàíèè ïðèðîäû îäíîé èç ñàìûõ íåóëîâèìûõ ÷àñòèö - íåéòðèíî. Èññëåäîâàòåëè âïåðâûå ïîëó÷èëè äîêàçàòåëüñòâà ñóùåñòâîâàíèÿ îñîáîãî òèïà íåéòðèííûõ îñöèëëÿöèé, ñâèäåòåëüñòâóþùèõ î ïðåâðàùåíèè ìþîííûõ íåéòðèíî â ýëåêòðîííûå íåéòðèíî.
Îá îòêðûòèè îáúÿâèëè ñîòðóäíèêè êàíàäñêîé ëàáîðàòîðèè ÿäåðíîé ôèçèêè è ôèçèêè ÷àñòèö TRIUMF, êîòîðàÿ ðàáîòàåò â ïàðòíåðñòâå ñ Éîðêñêèì óíèâåðñèòåòîì è Óíèâåðñèòåòîì Òîðîíòî. Çàäà÷åé ïðîåêòà Ò2Ê ÿâëÿåòñÿ èññëåäîâàíèå ïðîöåññà ïåðåõîäà íåéòðèíî èç îäíîé ôîðìû â äðóãóþ. Ó÷åíûå è ðàíüøå áûëè óâåðåíû, ÷òî â ïðîöåññå äâèæåíèÿ íåéòðèíî ïðåîáðàçóþòñÿ èç îäíîãî âèäà â äðóãîé, íî ýòî ïðåîáðàçîâàíèå äî ñèõ ïîð íå íàáëþäàëîñü è îñòàâàëîñü ëèøü ïðåäìåòîì òåîðåòè÷åñêèõ èññëåäîâàíèé.
 ýêñïåðèìåíòå T2K, ïó÷îê ìþîííûõ íåéòðèíî ïðîèçâîäèòñÿ ñ ïîìîùüþ óñêîðèòåëüíîãî êîìïëåêñà J-PARC, ðàñïîëîæåííîãî â Òîêàå, ßïîíèÿ. Ïó÷îê íåéòðèíî êîíòðîëèðîâàëñÿ ñëîæíûì êîìïëåêñîì äåòåêòîðà ND280, áîëüøàÿ ÷àñòü êîòîðîãî áûëà ïîñòðîåíà â Êàíàäå, è íàïðàâëÿëñÿ íà ãèãàíòñêèé ïîäçåìíûé äåòåêòîð Super-Kamiokande (SK), óäàëåííûé íà ðàññòîÿíèå 295 êì.
Àíàëèç äàííûõ, ïîëó÷åííûõ â õîäå íàáëþäåíèé T2K, âûÿâèë 28 çàðåãèñòðèðîâàííûõ ýëåêòðîííûõ íåéòðèíî, â òî âðåìÿ, êàê áåç ïðîöåññà òðàíñôîðìàöèè íåéòðèíî èõ äîëæíî áûëî áûòü 4,6. Òàêèì îáðàçîì, ôàêò ïðåâðàùåíèÿ ìþîííûõ íåéòðèíî â ýëåêòðîííûå ìîæíî ñ÷èòàòü äîêàçàííûì. Ýêñïåðèìåíò T2K ÿâëÿåòñÿ ïåðâûì â ñâîåì ðîäå, âåäü îí ïîçâîëèë îïðåäåëèòü òèï íåéòðèíî íà äåòåêòîðå, õîòÿ ïðè ýòîì èçíà÷àëüíûé ïó÷îê ñîñòîÿë èç ðàçëè÷íûõ òèïîâ íåéòðèíî.
Ýêñïåðèìåíò áûë êðàéíå ñëîæåí. Äëÿ òîãî ÷òîáû èçìåðèòü ýôôåêò îñöèëëÿöèè ìàêñèìàëüíî òî÷íî, íåîáõîäèìî çíàòü ñêîëüêî íåéòðèíî áûëî èçíà÷àëüíî è êàê ÷àñòî îíè âçàèìîäåéñòâîâàëè ìåæäó ñîáîé. Íåéòðèíî â Ò2Ê ïðîèçâîäèëèñü èç ïó÷êà ïðîòîíîâ, êîòîðûé êîíòðîëèðîâàëñÿ ñ ïîìîùüþ ðåãèñòðàòîðà îïòè÷åñêîãî ïåðåõîäíîãî èçëó÷åíèÿ. Äàííîå óñòðîéñòâî â 2 ðàçà ñíèæàåò íåîïðåäåëåííîñòü ïðè èçó÷åíèè ïàðàìåòðîâ íåéòðèíî. Ýòîãî óëó÷øåíèÿ â òî÷íîñòè èçìåðåíèÿ îêàçàëîñü äîñòàòî÷íî äëÿ ïîäòâåðæäåíèÿ ôàêòà ïåðåõîäà íåéòðèíî èç îäíîãî ñîñòîÿíèÿ â äðóãîå.
|
Äðóãèå èíòåðåñíûå íîâîñòè:
▪ SIMO PMIC-ïðåîáðàçîâàòåëü MAX77654
▪ Ïåðåäà÷à äàííûõ ïî îïòîâîëîêíó ñî ñêîðîñòüþ 22,9 ìëí Ãáèò/ñ
▪ Íàíîñïàãåòòè äëÿ çäîðîâüÿ è äîëãîëåòèÿ
▪ Öèôðîâîé áàðîìåòðè÷åñêèé äàò÷èê äàâëåíèÿ - âûñîòîìåð Infineon DPS310
▪ Ïðîòîòèï áèîíè÷åñêîãî ãëàçà íàïå÷àòàí íà 3D-ïðèíòåðå
Ëåíòà íîâîñòåé íàóêè è òåõíèêè, íîâèíîê ýëåêòðîíèêè
Èíòåðåñíûå ìàòåðèàëû Áåñïëàòíîé òåõíè÷åñêîé áèáëèîòåêè:
▪ ðàçäåë ñàéòà Ñâàðî÷íîå îáîðóäîâàíèå. Ïîäáîðêà ñòàòåé
▪ ñòàòüÿ Ñïåöèàëüíàÿ òåîðèÿ îòíîñèòåëüíîñòè. Èñòîðèÿ è ñóòü íàó÷íîãî îòêðûòèÿ
▪ ñòàòüÿ Êàê ìû ðàñòåì? Ïîäðîáíûé îòâåò
▪ ñòàòüÿ Òèïû îáëàêîâ. Ñîâåòû òóðèñòó
▪ ñòàòüÿ Êîììóòàòîð íàãðóçêè äëÿ çâóêîâîé êàðòû. Ýíöèêëîïåäèÿ ðàäèîýëåêòðîíèêè è ýëåêòðîòåõíèêè
▪ ñòàòüÿ Ðåìîíò ìîäóëÿ ïèòàíèÿ òåëåâèçîðà LG 42LM669T-ZC. Ýíöèêëîïåäèÿ ðàäèîýëåêòðîíèêè è ýëåêòðîòåõíèêè
Îñòàâüòå ñâîé êîììåíòàðèé ê ýòîé ñòàòüå:
Ãëàâíàÿ ñòðàíèöà | Áèáëèîòåêà | Ñòàòüè | Êàðòà ñàéòà | Îòçûâû î ñàéòå

www.diagram.com.ua
2000-2026