Бесплатная техническая библиотека
Радиотелефонный интерфейс для симплексных радиостанций. Энциклопедия радиоэлектроники и электротехники

Энциклопедия радиоэлектроники и электротехники / Телефония
Комментарии к статье
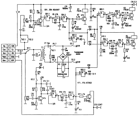
Предлагаемая схема (рис.1) позволяет использовать симплексные радиостанции (без переделок) для связи телефонного абонента с радиоабонентом. Приоритет имеет телефонный абонент. Дальность связи между базовой радиостанцией и мобильной определяется выходной мощностью базовой и составляет 30...50 км.
Интерфейс собран на цифровых и аналоговых элементах. Пусть телефонный абонент набирает номер. Вызывной сигнал с линии Л1-Л2 подается через мост VD7 на вызывное реле КЗ, которое срабатывает на 3 с (длительность паузы между посылками вызова) и замыкает контакты К3.1.
Одновременно вызывной сигнал через разделительный трансформатор Т1 подается на микрофонный вход базовой радиостанции и на вход электронного реле времени телефонного абонента. Открывается ключ на VT5, и радиостанция переходит в режим передачи. Вызывной сигнал излучается базовой радиостанцией.
После принятия вызывного сигнала радиоабонент (в паузе) нажимает тангенту "Передача" и отвечает на вызов. В момент прихода ответа от радиоабонента сигнал с динамика базовой радиостанции через замкнутый контакт К3.1 поступает на электронное реле радиоабонента. Срабатывает реле К1 и контактом К1.1 переключает выход радиостанции (Гр) на обмотку II трансформатора Т1.
Рис.1. Принципиальная схема (нажмите для увеличения)
Одновременно логическая "1" с выхода элемента DD1.2, через диод VD3, вызывает срабатывание электронного реле на DD3.1, DD3.2 и коммутирует К2. Контакты К2.1 замыкают телефонную линию через резистор R18, что эквивалентно режиму "Снятие трубки". Контакты К2.2 включаются параллельно К3.1.
Одновременно срабатывает электронное реле на DD4.1, DD4.2 и включает К4, которое своими контактами К4.1, К4.2 соединяет первичную обмотку трансформатора Т1 с телефонной линией. Телефонный абонент слышит ответ радиоабонента. Когда радиоабонент заканчивает говорить, реле К1 отпускает. Его контакты К1.1 подключают обмотку II Т1 к микрофонному входу базовой радиостанции. Начинает говорить телефонный абонент. Через электронное реле на DD2.1, DD2.2 открывается VT5, и радиостанция переходит на передачу. В дальнейшем разговор между абонентами ведется поочередно. Каждый абонент логической "1." с выхода своего электронного реле поддерживает включенным (через DD1.2, DD2.2) реле К2 ("Трубка поднята").
Через 10 с после окончания разговора отключается реле К2, что эквивалентно режиму "Трубка положена". В радиостанции слышны гудки "Отбой". Через 20 с срабатывает линейное реле К4, и линия отключается. Интерфейс переходит в дежурный режим.
Режимы работы интерфейса индицируются соответствующими светодиодами.
Детали и конструкция. Интерфейс разработан на общедоступной элементной базе. Микросхемы DD1...DD4 - К561ЛА7, транзисторы VT1...VT6 - КТ3102. VT1 и VT3 желательно подобрать с большим коэффициентом усиления (буквы Г, Е). Все диоды - КД503, КД521, КД522, светодиоды - АЛ307. Резисторы - ОМЛТ-0,125, 0,25. Реле - малогабаритные: К1 - РЭС15 (003, 004), К2...К4 - РЭС60 (0001) или по два реле РЭС15 в параллель.
Т1 - согласующий трансформатор от малогабаритных радиоприемников. Сопротивление обмоток-30...200 Ом. Соотношение витков обмоток 1:2.
Схема собрана на плате из фольгированного стеклотекстолита толщиной 1,5...2 мм. Размеры платы определяются размерами комплектующих. Автор изготовил плату путем нарезки квадратов 5x5 мм (резаком, изготовленным из ножовочного полотна). Общий размер платы - 150x150 мм.
Налаживание сводится к установке временных интервалов выдержки электронных реле. Для абонентских реле (DD1.1, DD1.2 и DD2.1, DD2.2) - 1 ...2 с, реле "Снятие трубки" (DD3.1, DD3.2) - 5...20 с, реле линии (DD4.1, DD4.2) - 10...30 с. При исправных деталях схема начинает работать сразу. На радиостанции (базовой) ручку уровня громкости нужно поставить в среднее положение, ручку "ШП" (шумоподавителя) выводят до полного пропадания шумов (с небольшим за пасом). В принципе, открывание шумоподавителя в дежурном режиме от сильных импульсных и радиопомех не приведет к захвату радиоканала, т.к. перед этим не срабатывали реле К2 и КЗ. Таким образом, интерфейс оказывается защищен от несанкционированного доступа со стороны радиолинии.
Соединение интерфейса с базовой радиостанцией осуществляется пятиконтактным разъемом от бытовой аппаратуры, включенным параллельно тангенте (или вместо нее). Линия (Л1-Л2) подключается параллельно домашнему телефонному аппарату.
Уезжая, например, на дачу, включаем тумблер питания S1 и линию S2. При этом включаются индикаторы "Снятие трубки" (HL2), "Линия включена" (HL5), "Вызов телефонного абонента" (HL4). Через 10...20 с все индикаторы гаснут - наступает дежурный режим.
Удачной сборки и до связи! 73!
Смотрите другие статьи раздела Телефония.
Читайте и пишите полезные комментарии к этой статье.
<< Назад
Последние новости науки и техники, новинки электроники:
Токсичность интернета преувеличена
07.01.2026
Социальные сети нередко воспринимаются как арена постоянной агрессии, оскорблений и распространения фейковой информации. Новое исследование Стэнфордского университета показывает, что реальность значительно отличается от популярного представления: интернет гораздо менее токсичен, чем многие пользователи считают.
Ученые опросили более тысячи американцев, попросив их оценить долю пользователей соцсетей, которые ведут себя агрессивно или распространяют ненависть. Оказалось, что впечатления людей сильно преувеличивают масштабы проблемы. Например, респонденты считали, что почти половина пользователей Reddit хотя бы раз оставляла оскорбительные комментарии, тогда как фактические данные платформы показывают, что таких людей не более 3%.
Аналогичная ситуация наблюдается с дезинформацией. Опрос показал, что большинство участников считали почти половину аудитории Facebook распространителями фейковых новостей, однако статистика говорит об обратном: фактическая доля таких пользователей состав ...>>
Процессоры Ryzen AI 400
07.01.2026
Современные вычисления все больше ориентируются на интеграцию искусственного интеллекта и высокую производительность в компактных устройствах, таких как ноутбуки и мини-ПК. Новая линейка процессоров AMD Ryzen AI 400 демонстрирует, как разработчики объединяют мощные центральные ядра, графику и нейросетевые ускорители в одном чипе, чтобы удовлетворять растущие потребности пользователей в играх, контенте и ИИ-приложениях.
AMD представила процессоры серии Gorgon Point, которые включают до 12 ядер Zen 5 и до 24 потоков вычислений. Чипы поддерживают интегрированную графику RDNA 3.5, обеспечивают максимальную тактовую частоту до 5,2 ГГц и имеют энергопотребление от 15 Вт до 54 Вт. Особое внимание уделено NPU, способному обрабатывать до 60 триллионов операций в секунду (TOPS), что делает эти процессоры эффективными для задач с искусственным интеллектом.
Конструкция Ryzen AI 400 сочетает ядра Zen 5 и Zen 5c, обеспечивая высокую гибкость и производительность. Несмотря на то, что архитектур ...>>
Женщины лучше распознают признаки болезни по лицу
06.01.2026
Способность распознавать, что кто-то нездоров, часто проявляется интуитивно: бледная кожа, опущенные веки, уставшее выражение лица могут сигнализировать о недомогании. Новое исследование международной группы ученых показало, что женщины в среднем точнее мужчин улавливают такие тонкие невербальные признаки болезни, что может иметь эволюционные и социальные объяснения.
В отличие от предыдущих работ, где использовались отредактированные фотографии или имитация больных лиц, ученые решили проверить, насколько люди способны распознавать естественные признаки недомогания. Такой подход позволил оценить реальную чувствительность к изменениям в лицах, возникающим при болезни.
В исследовании приняли участие 280 студентов, поровну мужчин и женщин. Участникам предложили оценить 24 фотографии, на которых изображены люди как в здоровом состоянии, так и во время болезни. Это дало возможность сравнить восприятие естественных признаков недомогания в реальных лицах.
Для анализа состояния каждого ...>>
Случайная новость из Архива Sony отказывается от CD- и DVD-приводов
08.09.2012
Корпорация Sony объявила о намерении к марту 2013 г. свернуть производство приводов для оптических дисков, сообщает PCMag со ссылкой на The Asahi Shimbun. Компания Sony Optiarc, дочернее предприятие Sony, которое занимается изготовлением CD- и DVD-приводов для персональных компьютеров, полностью прекратит свою деятельность к марту будущего года, сообщили источники.
В результате закрытия завода большинство из приблизительно 400 его сотрудников, включая около 300, работающих за пределами Японии, будут лишены своих рабочих мест в рамках программы досрочного выхода на пенсию. Предприятие Sony Optiarc было создано в 2006 г. вместе с корпорацией NEC. В 2008 г. NEC вышла из доли, и Sony стала 100-процентным владельцем предприятия.
Зафиксировав по итогам 2010-2011 финансового года чистый убыток в размере 457 млрд иен ($5,8 млрд), корпорация Sony запустила программу реструктуризации, намереваясь избавиться от убыточных подразделений и сконцентрироваться на нескольких ключевых направлениях, включая игровой бизнес. Закрытие Sony Optiarc является частью этого плана. Всего же к марту 2013 г. Sony планирует сократить штат примерно на 10 тыс. сотрудников. К настоящему моменту корпорация уже уволила несколько тысяч человек.
Sony Optiarc принадлежит примерно 10-15% мирового рынка оптических приводов, а ежегодный объем продаж предприятия составляет десятки миллиардов иен. Тем не менее, фирма скатилась в убыток из-за снижения спроса на ноутбуки, приводы для которых она выпускает, и в связи с возрастающей конкуренцией с зарубежными производителями.
На прошлой неделе Sony объявила о намерении переместить штаб-квартиру мобильного подразделения Sony Mobile из Швеции в Японию и о намерении уволить примерно 1 тыс. сотрудников. Отказ от производства оптических приводов, как отмечает PCMag, является одним из финальных этапов реструктуризации Sony. Помимо игрового бизнеса, Sony планирует сконцентрироваться на сигнальных процессорах, фотокамерах, сенсорах и объективах.
Новость появилась на фоне слухов, что модели компьютеров следующего поколения Apple iMac и Mac Pro впервые почти за 20 лет будут лишены встроенных оптических приводов. Компания Apple уже отказалась от DVD-привода в последнем MacBook Pro, с дисплеем Retina, а ранее - в Mac mini. В январе 2011 г. стало известно, что Sony закрывает один из своих крупнейших заводов по выпуску компакт-дисков, сославшись на снижение спроса на эти носители.
|
Другие интересные новости:
▪ Занятия в старых спортзалах эффективнее, чем в современных
▪ Портативная камера, которая видит поляризованный свет
▪ Пора летать на водороде
▪ Желание обниматься заложено у женщин в генах
▪ Чип MediaTek MT9602
Лента новостей науки и техники, новинок электроники
Интересные материалы Бесплатной технической библиотеки:
▪ раздел сайта Электричество для начинающих. Подборка статей
▪ статья Хватила кондрашка. Крылатое выражение
▪ статья Как холодной зимой выглядит снегирь в объективе прибора ночного видения? Подробный ответ
▪ статья Электромеханик по обслуживанию и ремонту лифтов. Типовая инструкция по охране труда
▪ статья Клей для приклеивания каучука к металлу и дереву. Простые рецепты и советы
▪ статья Необычный конверт. Секрет фокуса
Оставьте свой комментарий к этой статье:
Главная страница | Библиотека | Статьи | Карта сайта | Отзывы о сайте

www.diagram.com.ua
2000-2026