Бесплатная техническая библиотека
Электронный корректор импульсов. Энциклопедия радиоэлектроники и электротехники

Энциклопедия радиоэлектроники и электротехники / Телефония
Комментарии к статье
Электронный корректор импульсов был разработан взамен релейного корректора импульсов, входящего в состав ПКП, применяющегося на декадно-шаговых и на координатных АТС.
80% повреждений на АТС связано именно с повреждением корректора, собранного на реле К1-КЗ (нарушается регулировка). У нас на узле 6 штативов ПКП по 40 комплектов на каждом. Поэтому повреждений довольно много, а вручную регулировать очень неудобно.
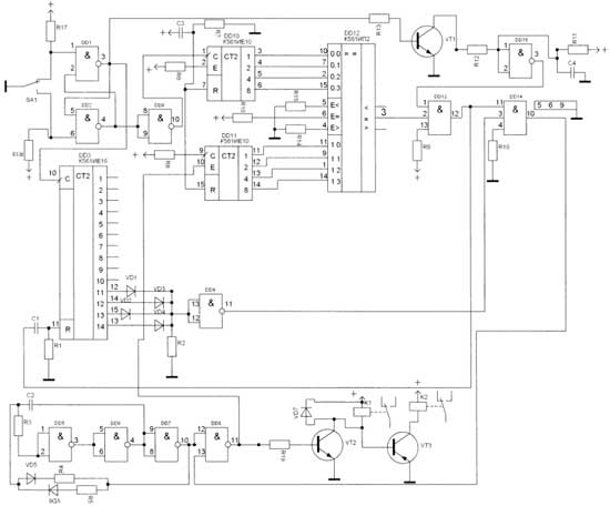
Электрическая принципиальная схема электронного корректора показана на рисунке. Основой схемы является цифровой компаратор, выполненный на микросхеме DD12, который сравнивает числовой код, поступающий с выходов DD10, DD11. На ячейках DD1, DD2 собран формирователь импульсов, представляющий собой триггер.
Серийное устройство собрано на ячейке DD15 и RC-це-почке R11C4. Генератор импульсов DD5-DD8 выдает импульсы длительностью 40 и паузой 50 мс. В исходном состоянии на всех выходах счетчика DD10, DD11 присутствует лог."0", на выходе 3 DD12 - лог."1". Лог."1" присутствует и на выходе ячейки DD13, через конденсатор С1 поступает на вход сброса R счетчика DD13. Счетчик обнуляется. На выходах - лог."0", на выходе элемента DD4 - лог."1". Лог."1" присутствует также на выходе DD14, она запрещает прохождение импульсов генератора.
Абонент начинает набор номера. Контактами реле "И" (SA1) переключается триггер. Импульсы с выхода 3 поступают на серийное устройство и переключают его. Положительный потенциал с выхода DD15 поступает на вход 1 DD13. Благодаря RC-цепочке R11C4 лог."1" присутствует все время, пока абонент набирает цифру. С выхода 4 триггера DD1, DD2 через DD9 импульсы поступают на счетный вход счетчика DD10 и переключают его. Если, к примеру, абонент набирает цифру "5", на выходе счетчика DD10 -код 1010. На выходе DD12 - лог."0". После окончания набора цифры через несколько миллисекунд серийное устройство переключается в исходное состояние - лог."0". На выходе DD13 - лог."0", на выходе DD14 - лог."0". Импульсы с генератора поступают в регистр, одновременно переключают счетчик DD1 1. Как только счетчик примет цифру "5", установиться код 1010. На выходе DD12 - лог."1", сбрасывает счетчик DD13. На выходе DD14 - лог."1". Генератор закрыт. Импульсы с электронного корректора передаются в регистр во время межсерийного интервала, который составляет 700...800 мс.

Если абонент набирает цифры "7", "8", "9", "0", межсерийного интервала для передачи этих цифр может не хватить. Для этого собран узел на микросхеме DD3. Как только в счетчик записалась цифра "7", "8", "9", "0" на выходах 12, 14, 15, 13 устанавливается лог."1". На выходе DD4 - лог."0", DD14 - лог."0". Импульсы с генератора поступают в регистр. Как только в счетчик DD11 запишется одна из этих цифр, компаратор выдаст лог."1" и сбросит счетчик в нулевое состояние, что приведет к закрытию генератора.
Плату ПКП необходимо доработать (изменения соответствуют принципиальной схеме ПКП). Контакты импульсного реле "И" 11-12-13 включаются вместо переключателя SA1. Контакты реле К1 включаются в разрыв абонентского шлейфа (АВ провода регистра). Контакты реле К2 включаются в разрыв провода К2, находящиеся на ПКП.
Налаживание сводится к установке длительности импульсов генератора (импульс - 40 мс, пауза - 50 мс). Вместо постоянных резисторов впаивают переменные (автор установил резистор 100 кОм от СВП телевизора). Когда длительность установлена, переменные резисторы заменяют постоянными такого же номинала (предварительно измерив сопротивление). Также выставляют время удержания серийного устройства.
Детали
Резисторы Rl, R2, R10, R14, R15 - 1,1 МОм; R6, R8, R9, R12, Rl 6-R19 - 10 кОм; R7 - 200 кОм, R11 - 100 Юм; R4, R5 - подбирают в процессе налаживания. Конденсаторы С1 - 0,3...0,5 мкФ; С2, C3 - 0,3 мкФ; С4 - 0,1 ...0,5 мкФ, подбирают экспериментально. Диоды - КД102. Транзисторы VT1, VT2 - КТЗ15; VT3 - КТ361. Микросхемы DD5-DD8 -К561ЛА7, 1 корпус; DD1, DD2, DD4, DD9 - К561ЛА7 (или 176), 1 Kopnyc;DD3-561ИE16;DD10, DD11 -К561ИЕ10, 1 корпус; DD12-K561ИП2;DD13,DD14-K561ЛП13, 1 корпус; DD15 - К561ТЛ1. В качестве реле применены герконы РС55Б. Реле можно заменить транзистором КТ829 и включить его в разрыв абонентского шлейфа.
На стенде схема работала прекрасно. Если ее улучшат, автор будет очень рад.
Автор: Ю. Садиков, г. Москва; Публикация: radioradar.net
Смотрите другие статьи раздела Телефония.
Читайте и пишите полезные комментарии к этой статье.
<< Назад
Последние новости науки и техники, новинки электроники:
Оптимальная продолжительность сна
12.11.2025
Сон играет ключевую роль в поддержании здоровья, когнитивных функций и общего самочувствия. Несмотря на широко распространенный стереотип о восьмичасовом сне, последние исследования показывают, что оптимальная продолжительность сна для большинства здоровых взрослых ближе к семи часам.
Эволюционный биолог из Гарварда, Дэниел Э. Либерман, утверждает, что традиционная норма восьми часов сна - это скорее культурное наследие индустриальной эпохи, чем биологическая необходимость. По его словам, полевые исследования, проведенные в сообществах, не использующих электричество, показывают, что средняя продолжительность сна составляет 6-7 часов, что значительно отличается от общепринятого стандарта.
Современные эпидемиологические данные подтверждают этот взгляд. Исследования выявили так называемую "U-образную кривую" зависимости между продолжительностью сна и рисками для здоровья. Минимальные показатели заболеваемости и смертности наблюдаются именно у людей, спящих около семи часов в сутки. ...>>
Дефицит кислорода усиливает выброс закиси азота
12.11.2025
Парниковые газы играют ключевую роль в изменении климата, а закись азота (N2O) - один из наиболее опасных среди них. Этот газ не только втрое сильнее углекислого газа в удержании тепла, но и разрушает озоновый слой. Недавнее исследование американских ученых показало, что микробы в зонах с низким содержанием кислорода активно производят N2O, усиливая глобальные климатические риски.
Команда из Университета Пенсильвании изучала прибрежные воды у Сан-Диего и провела наблюдения на глубинах от 40 до 120 метров в Восточной тропической северной части Тихого океана - одной из крупнейших зон дефицита кислорода. Исследователи сосредоточились на том, как морские микроорганизмы превращают нитраты в закись азота.
В ходе работы выяснилось, что существует два пути образования N2O. Один путь начинается с нитрата, другой - с нитрита. На первый взгляд более короткий путь должен быть эффективнее, однако микробы, использующие нитрат, продуцируют больше газа, поскольку этот "сырьевой" источник более д ...>>
Омега-3 помогают молодым кораллам выживать
11.11.2025
Сохранение коралловых рифов становится все более актуальной задачей в условиях глобального изменения климата. Молодые кораллы особенно уязвимы на ранних стадиях развития, когда стрессовые условия и нехватка питательных веществ могут привести к высокой смертности. Недавнее исследование ученых из Технологического университета Сиднея показывает, что специальные пищевые добавки способны существенно повысить выживаемость личинок кораллов.
В ходе работы исследователи разработали особый состав "детского питания" для коралловых личинок. В него вошли масла, богатые омега-3 жирными кислотами, а также важные стерины, необходимые для формирования клеточных мембран. Личинки, получавшие эти добавки, развивались быстрее, становились крепче и демонстрировали более высокую устойчивость к стрессовым факторам.
Особое внимание ученые уделили липидам. Анализ показал, что личинки активно усваивают эти вещества, что напрямую влияет на их жизнеспособность. Стерины, содержащиеся в корме, повышают устойчи ...>>
Случайная новость из Архива Обновленная линейка SSD Mushkin
14.01.2019
Компания Mushkin представила обновленную линейку твердотельных накопителей.
Список новинок открывает флагманский накопитель Pilot-E типоразмера M.2 2280, построенный контроллере Silicon Motion SM2262EN и 64-слойной флэш-памяти 3D TLC NAND производства Micron. Он оснащен интерфейсом PCIe x4 и поддерживает протокол NVMe 1.3. Устройство демонстрирует скорости последовательного чтения и записи до 3300 МБ/с и 2500 МБ/с соответственно. Эти SSD будут доступны объемом от 250 ГБ до 2 ТБ.
Модель Helix-L также поддерживает NVMe, но в этой модели используется контроллер Silicon Motion SM2263XT, работающий без кэш-памяти DRAM, и 96-слойная флэш-память 3D TLC NAND производства Micron. Эта модель объемом 250, 500 и 1 ТБ предлагает скорости чтения до 1700 МБ/с и записи до 1500 МБ/с. По словам производителя, она будет дешевле.
Накопитель Mushkin Source 2 оснащен интерфейсом SATA 6 Гбит/с. В нем используется контроллер Silicon Motion SM2259 и 96-слойная флэш-память 3D TLC NAND производства Micron. Для этой модели заявлены максимальные скорости последовательного чтения и записи 560 МБ/с и 520 МБ/с соответственно. Она станет доступна во втором квартале 2019 года в вариантах объемом 120 ГБ, 250 ГБ, 500 ГБ и 1 ТБ.
В корпусе внешнего накопителя Carbon находится SSD на контроллере Silicon Motion SM2263XT. В этом устройстве объемом 500 ГБ или 1 ТБ памяти используется флэш-память 3D TLC NAND, а для подключения к хосту служит интерфейс USB 3.1 Gen 2, сигналы которого выведены на разъем USB Type-C. Скорость передачи данных достигает 1000 МБ/с, производительность - 115 000 IOPS (чтение) и 88 000 IOPS (запись).
Модель Carbon Z100 также сделана внешней, но оснащена интерфейсом Thunderbolt 3. В ней используется контроллер Silicon Motion SM2262EN и от 250 ГБ до 2 ТБ 64-слойной флэш-памяти TLC NAND. Скорость последовательного чтения достигает 2210 МБ/с, последовательной записи - 1355 МБ/с. Максимальная производительность равна 263 000 и 180 000 IOPS соответственно.
|
Другие интересные новости:
▪ 3D-печать материалами разных цветов и свойств
▪ Новая технология увеличит запас хода электромобилей
▪ Баллистический щит из пластиковых пакетов
▪ Эталонный антенный модуль от Imec для 60-ГГц точек доступа
▪ Глобальное потепление будит вулканы
Лента новостей науки и техники, новинок электроники
Интересные материалы Бесплатной технической библиотеки:
▪ раздел сайта Сварочное оборудование. Подборка статей
▪ статья Как здорово, что все мы здесь сегодня собрались. Крылатое выражение
▪ статья Какой цвет победил в Войне Алой и Белой розы в средневековой Англии? Подробный ответ
▪ статья Охрана труда при дорожных работах
▪ статья Стабилизатор напряжения с термокомпенсацией. Энциклопедия радиоэлектроники и электротехники
▪ статья Горный воздух на основе строчной развертки телевизора. Энциклопедия радиоэлектроники и электротехники
Оставьте свой комментарий к этой статье:
Главная страница | Библиотека | Статьи | Карта сайта | Отзывы о сайте

www.diagram.com.ua
2000-2025