Menu Home

Бесплатная техническая библиотека для любителей и профессионалов Бесплатная техническая библиотека


Легкий и мощный РА. Энциклопедия радиоэлектроники и электротехники

Бесплатная техническая библиотека

Энциклопедия радиоэлектроники и электротехники / Усилители мощности транзисторные

Комментарии к статье Комментарии к статье

Введение

В этой статье речь пойдет об усилителе мощности (РА) без силового трансформатора. Подобные РА в радиолюбительской среде называют "бестрансформаторными" (термин, на мой взгляд, не совсем точен - нет только силового трансформатора, а ВЧ-трансформаторы обычно применяются), и они окружены стойкими предрассудками об их электрической опасности. Возникли эти предрассудки по двум реальным причинам:

- по усвоенному со школьной скамьи принципу: "Все, что имеет гальванический контакт с сетью, опасно!" (Замечу, что этот принцип часто понимается неверно);

- первые, описанные в [1] бестрансформаторные РА, при определенных условиях действительно могли представлять опасность.

Окрепшие на этой почве предрассудки уже не смогли поколебать более поздние публикации о бестрансформаторных РА [2,3,4], в которых проблема развязки от сети (и соответственно, безопасности) была решена.

Честно говоря, не знаю, удастся ли данной статьей развеять миф об опасности бестрансформаторных РА. Технических проблем нет (в этом убедится всякий непредвзятый читатель, у которого хватит терпения дочитать статью до конца), но остается психология...

Читателей, уверенных в опасности РА без огромного силового трансформатора, прошу поверить (пока на слово), что развязка от сети подобного грамотно сконструированного усилителя мощности ничуть не хуже (а можно сделать даже лучше), чем у обычного трансформаторного. Надеюсь, прочитав статью, вы убедитесь, что это на самом деле так.

Развязка от сети

Для начала давайте вспомним, что термин "гальваническая связь" означает соединение по постоянному току: непосредственно, через резистор, диод, обмотку трансформатора и т.п. Чем же опасна гальваническая связь корпуса РА и всех его разъемов (кроме сетевого, естественно) с сетью 220 В? Может, высоким напряжением? Возможно, кому-то 220 В и покажется очень высоким напряжением, но не коротковолновику. Ведь в ламповых РА с сетевым трансформатором используются во много раз большие переменные напряжения, причем источник этого высокого напряжения - высоковольтная анодная обмотка - соединен с корпусом либо непосредственно, либо через диоды выпрямительного моста. И - никто этого не боится, ибо это действительно не представляет опасности. На самом же деле опасность гальванической связи с сетью корпуса прибора и всех его разъемов, как ни парадоксально, состоит в том, что один из проводов сети (нулевой) соединен с землей. А следовательно, через проводимость земли, пола, обуви и т.д. - ВСЕГДА ГАЛЬВАНИЧЕСКИ СОЕДИНЕН С ТЕЛОМ ЧЕЛОВЕКА.

Легко понять, что будет при такой схемотехнике РА, когда второй провод сети (фаза) может оказаться на корпусе прибора - прикосновение человека к корпусу устройства замыкает цепь (второй провод сети - земля, не забудьте, с человеком уже соединен). Как минимум, удар током обеспечен. Ситуация будет еще хуже, если фазный провод сети будет иметь гальванический контакт с одним из разъемов РА. При подключении к этому разъему нормально заземленного устройства (антенны, трансивера или компьютера) ток короткого замыкания сети будет протекать через подключенное к этому разъему устройство. Очень повезет, если первым успеет сгореть сетевой предохранитель, а не трансивер или компьютер.

Таким образом, гальваническая связь с сетью корпуса РА и всех его разъемов недопустима. Даже если, как в [1], использовать тот факт, что один из проводов сети - это земля, и разбираться с "полярностью" включения вилки РА в сеть с помощью пускового устройства, усилитель [1] совершенно безопасен лишь до тех пор, пока все работает нормально. Но стоит нарушить работу пускового устройства (например, залипнут контакты реле) и вставить вилку в розетку в неверной "полярности" - все вышеописанные неприятности гарантированы.

Но действительно ли ситуация так безнадежно плоха, и никаких контактов с сетью лучше не иметь? Попробуем разобраться. Надеюсь, никто не против (в смысле безопасности) импульсных источников питания, которые повсеместно используются в телевизорах, компьютерах и т.д.? Вот и прекрасно, пока большего и не требуется. Следовательно, вы не против, что гальванический контакт с сетью могут иметь сетевой фильтр помех, выпрямитель, высокочастотный генератор. К примеру, на рис.1 приведена упрощенная схема импульсного источника питания, где утолщенными линиями показаны цепи и узлы, которые имеют гальванический контакт с сетью (и соответственно, представляют опасность), а тонкими -безопасные, развязанные от сети цепи.

Легкий и мощный РА
Рис.1

Таким же образом будут показаны гальванически связанные с сетью цепи и на всех последующих рисунках. Вернемся к рис.1. Выходные цепи источника гальванически отделены от сети ВЧ-трансформатором на феррите- развязка в данной цепи очень хорошая. Но есть еще одна цепь связи с сетью (но не гальванической, а емкостной) - это конденсаторы фильтра помех С1, С2, соединенные с шасси. Еще раз подчеркну - связь шасси устройства с сетью через эти конденсаторы (вернее, через один из них - тот, который подключен к фазному проводу сети) очень слабая, и не гальваническая, а емкостная! В любом грамотно выполненном трансформаторном РА на сетевых проводах тоже установлены конденсаторы фильтра помех. Например на рис.2 приведен фрагмент схемы широко распространенного среди зарубежных радиолюбителей усилителя "Alpha 91 b", где конденсаторы емкостью по 0,022 мкФ запаяны с выводов сетевого разъема на шасси еще до сетевого выключателя.

Легкий и мощный РА
Рис.2

Итак, в хорошо известных профессиональных схемах используются следующие (проверенные и безопасные) решения.

1. Гальванический контакт с сетью фильтра помех, выпрямителя, высокочастотного генератора.

2. Соединение обоих (в том числе и самого опасного - фазного) проводов сети с шасси через конденсатор емкостью 0,01... 0,047 мкФ.

3. Развязка с помощью ВЧ-транформаторов на феррите.

Теперь перейдем к следующему разделу.

Сравнительный анализ известных бестрансформаторных РА

Исключив из рассмотрения схему [1], имеющую гальванический контакт шасси с сетью, обратимся к тем бестранформаторным РА, в которых имеется удовлетворяющая всем правилам техники безопасности развязка от сети как шасси усилителя, так и его входных/выходных цепей.

Начнем с конструкции UA1FA на двух лампах 6П45С [2]. Во входной цепи используется ВЧ-трансформатор, что обеспечивает идеальную гальваническую развязку. Выходная цепь (уже после П-контура) тоже развязана ВЧ-трансформатором, но изготовить качественный широкополосный (1,9...30 МГц) трансформатор для большой мощности совсем не просто. Кроме того, требуется дорогостоящий ферритовый сердечник значительных размеров. Однако ферриты (особенно отечественные) очень неважно работают на нагрузку с реактивностью, а на краях диапазона любая антенна, даже согласованная, вносит заметную реактивность. Если же использовать какой-нибудь LW с КСВ 7...8, то выходной ферритовый трансформатор будет работать совсем неэффективно.

На мой взгляд, в данной конструкции не стоило во что бы то ни стало стремиться установить выходной трансформатор, ибо есть иные способы развязки выходной цепи (подробнее см. ниже). Тем более, что в схеме все равно присутствует емкостная связь фазного провода сети с шасси - в конструкции установлен сетевой фильтр, аналогичный рис.2. Не очень удобно, что гальванический контакт с сетью имеют и детали П-контура - это приводит к необходимости изолировать их от шасси и использовать изолированные оси и ручки настройки. Кроме того, указанные в [1] 400 Вт выходной мощности без перегрузки ламп можно получить только в кратковременном, пиковом режиме. При непрерывном излучении лампы будут перегружены, и надежность усилителя заметно снизится. В самом деле, при Рвых=400 Вт подводимая мощность должна быть не меньше 700 Вт, следовательно Ррасс=300 Вт - по 150 Вт на аноде каждой лампы. Это более чем трехкратная перегрузка по мощности. На мой взгляд, в таких ответственных узлах как РА не стоит использовать элементы с превышением их паспортных параметров. Избавив читателя от расчетов, скажу, что по анодному току перегрузка ламп почти двукратная.

Обратимся теперь к более поздней конструкции - усилителю RV3LE [3] на лампе ГУ-29. Это хорошо сбалансированная конструкция на 75... 100 Вт выходной мощности. Как и в [2], по входу используется ферритовый трансформатор. На выходе также используется ферритовый трансформатор (при такой мощности он небольшой, и, в отличие от [2], включен между анодами ламп и П-контуром). Это решает сразу две проблемы - исключает работу трансформатора на реактивность и позволяет использовать обычный П-контур с заземленными на шасси КПЕ. Но данное схемное решение, увы, порождает другую проблему - трансформатор работает с высокими значениями сопротивлений (единицы килоом) и поэтому имеет неизбежный завал АЧХ на ВЧ-диапазонах. Как и в [2], лампа перегружена, но справедливости ради заметим, что гораздо меньше - в полтора раза, как по рассеиваемой мощности на аноде, так и по току анодов. Кроме того, в РА [3] отсутствует фильтр подавления помех по сети, поэтому вполне возможно попадание радиочастотных сигналов в электрическую сеть.

Последняя конструкция в нашем обзоре - RA6LFQ [4]. Три ГУ50 в схеме с общими сетками дают около 200 Вт выходной мощности. Здесь использован иной принцип развязки от сети, чем в [2, 3] - соединение гальванически связанных с сетью частей усилителя с шасси и входными/выходными разъемами через конденсаторы малой емкости. На радиочастотах эти конденсаторы являются практически разделительными, а для частоты сети 50 Гц они представляют очень большое сопротивление (см.п.2 в предыдущем разделе).

В данной конструкции в борьбе за чистоту бестрансформаторной идеи вообще отсутствуют любые трансформаторы. Хотя, на мой взгляд, накальный трансформатор можно было бы и установить, во всяком случае, размеры накального трансформатора не больше бумажного конденсатора 10 мкФ х 400 В, посредством которого в [4] обеспечивается напряжение накала. По входу усилителя развязка от сети осуществлена конденсатором 1000 пф х 2 кВ, на выходе - соединением общего провода усилителя с шасси через конденсатор 2200 пФ х 2 кВ. В связи с отсутствием ферритовых трансформаторов удается избежать некоторых проблем согласования и пропускания большой мощности.

Однако, если в выходной цепи при сопротивлении анодной нагрузки в несколько сотен ом конденсатор 2200 пФ используется практически как разделительный (его реактивное сопротивление на частоте 1,8 МГц составляет 40 Ом - менее 1/10 от сопротивления нагрузки), то при входном сопротивлении усилителя 50 Ом емкость разделительного конденсатора 1000 пФ мала (на 1,8 МГц его сопротивление 80 Ом - почти вдвое больше входного сопротивления РА). Казалось бы, какая проблема - достаточно увеличить емкость этого конденсатора. Но не все так просто, и об этом - в следующем разделе.

Снова о развязке от сети

О гальванической связи с сетью мы уже говорили. Но, кроме гальванической, существует еще и емкостная. В конечном итоге, абсолютно все равно, по какому пути проникает на корпус РА сетевое напряжение. Для дальнейшего обсуждения введем для любого прибора с питанием от сети переменного тока такой параметр как ток утечки с частотой 50 Гц между незаземленным корпусом прибора и хорошей электротехнической землей - IУТ50. Для измерения IУТ50 собирают схему, показанную на рис.3.

Легкий и мощный РА
Рис.3

Все разъемы РА (вход, выход, управление), кроме сетевого, замыкают на корпус. Между корпусом усилителя и заземлением включают резистор Rэ=30 кОм (номинал достаточно произволен и примерно соответствует сопротивлению тела человека). Ток, протекающий через Rэ, и будет представлять собой IУТ50, а падение напряжения на этом резисторе UУТ50 будет соответствовать напряжению, приложенному к телу хорошо заземленного человека (Например, стоящего мокрыми босыми ногами на металлическом полу, Hi!) при касании им корпуса незаземленного РА. Для корректности измерений выбирают такое положение сетевой вилки в розетке, когда IУТ50 максимален.

Конечно, при реальной работе в эфире корпус РА должен быть заземлен, и даже не столько из соображений электробезопасности, сколько для нормальной работы антенн и исключения TVI. Но для корректного определения IУТ50 мы сознательно берем самый худший случай - отсутствие заземления корпуса РА.

Посмотрим, по каким цепям на корпус проникает IУТ50, и сравним разные конструкции по этому показателю.

1. В обычном РА с силовым трансформатором ток lУТ50 протекает по двум параллельным цепям - через один из входных конденсаторов фильтра подавления помех (тот, который соединен с фазой, рис.2) и межобмоточную емкость силового трансформатора. Последней обычно пренебрегают, а она не очень мала. Так, для силового трансформатора с Ргаб=1.6 кВт (для питания РА на ГУ74Б) эта емкость составила 1200 пФ (tnx EW1EA), для трансформатора с Ргаб=500 Вт (для РА на трех ГУ50) - около 500 пФ. Для дальнейших подсчетов полезно знать, что конденсатор емкостью 1000 пФ, включенный между фазой и корпусом РА, дает IУТ50=0,06 мА и соответственно UУТ50=1.8 В. Итак, за счет межобмоточной емкости протекает IУТ50=0,03...0,08 мА, а за счет конденсатора фильтра (рис.2) при его величине 0,01..0,047 мкФ - 0,6...2,8 мА. Общий IУТ50=0,6б...0,29 мА, что соответствует UУТ50=19,8..87 В. Это довольно большие значения. Впрочем, никого не удивляет, что незаземленный корпус любого прибора с фильтром помех изрядно "покусывает". Кстати, в промышленном трансформаторном блоке питания Б5-7 используются проходные конденсаторы сетевого фильтра по 0,1 мкФ! При этом IУТ50=6мА, a UУТ50=150В! Кто работает с данными блоками, знают, какой удар током можно получить от его незаземленного корпуса.

Вывод: усилители мощности с силовым трансформатором имеют заметную емкостную связь с сетью, которую в первую очередь определяет конденсатор сетевого фильтра подавления помех, во вторую - межобмоточная емкость силового трансформатора.

2. Прибор с импульсным источником питания (телевизор, например) также связан с сетью через конденсатор фильтра помех (рис.1). Желающие убедиться в наличии такой связи могут подключить антенну с внешним заземлением к телевизору в затемненной комнате. Искра, проскакивающая между разъемом антенны и гнездом TV при подключении, должна убедить. Значения IУТ50 и UУТ50, в принципе, такие же, как и в предыдущем пункте. Межобмоточная емкость выходного ВЧ-трансформатора на феррите мала, и ею можно пренебречь.

3. Обратимся к PA UA1FA [2]. Межобмоточная емкость входного и выходного ферритовых трансформаторов очень мала. UУТ50 полностью определяется конденсаторами сетевого фильтра емкостью 0,022 мкФ. IУТ50=1.3 мА; UУТ50=40 В. Как видим, параметры ничем не хуже, чем у обычного трансформаторного РА.

4. PA RV3LE [3]. Абсолютно развязан от сети, IУТ50 практически отсутствует. Именно подобную схемотехнику я имел в виду, когда во введении говорил, что развязка от сети у бестрансформаторного РА может быть даже лучше, чем у трансформаторного. Емкости входного и выходного трансформаторов очень малы, а сетевой фильтр помех отсутствует. При установке фильтра по схеме рис.2 IУТ50 будет таким же, как и в [2].

5. В PA RA6LFQ [4] I протекает через два конденсатора - входной 1000 пФ и выходной 2200 пФ. Итого 3300 пФ, IУТ50=0,2 мА и UУТ50=6 В. Очень хорошая развязка, но уже указывалось, что входная емкость 1000 пФ мала для разделительной во входном 50-омном тракте. Если ее увеличить до необходимых 0,015...0,022 мкФ, то Iут50 возрастет до 1...1.3 мА, a Uут50 - до 30...40 В. Это, впрочем, вполне допустимо и соответствует любому трансформаторному РА и конструкциям [2,3]. В данном РА использован иной сетевой фильтр помех (рис.4). За счет наличия дросселей L1, L2 ВЧ-помехи, идущие от РА в сеть, он подавляет даже лучше, чем простейший фильтр на рис.2. Очень важным достоинством фильтра на рис.4 является отсутствие контакта с шасси, поэтому он не проводит ток IУТ50.

Легкий и мощный РА
Рис.4

В бестрансформаторных конструкциях РА следует использовать только такие фильтры подавления помех.

Питание анодной цепи

Все РА [1, 2, 3, 4] имеют один общий недостаток - для питания анода используется удвоение сетевого напряжения. В результате получаемое напряжение 580...600 В недостаточно для питания мощного лампового усилителя. Приходится "разгонять" ток анодов до предельных паспортных величин (а в большинстве случаев и далеко за их пределы). Результат - уменьшение срока службы ламп. Тем не менее, полученные выходные мощности не впечатляют-100...200 Вт (имеется в виду, что PA[2] работает без особой перегрузки). Кроме того, низкое анодное напряжение Еа приводит к низкому коэффициенту передачи по мощности усилителя, который при неизменной входной мощности Рвх прямо пропорционален Еа. В общем, Еа необходимо увеличить. Напрашивается вывод-если недостаточно удвоения, надо использовать утроение или учетверение напряжения сети. Но здесь мы сталкиваемся еще с одним предубеждением, что умножители напряжения пригодны только для малых токов и имеют большое внутреннее сопротивление И, соответственно, большое падение ("просадку") напряжения под нагрузкой. Автор данной статьи долгое время разделял это мнение, но затем, буквально на столе собрав схему, показанную на рис.5, получил результаты, которые убедили в обратном. Использовались диоды Д248Б, и для первого эксперимента - шесть конденсаторов К50-31 100,0 мкФ х 350 В.

Легкий и мощный РА
Рис.5

В качестве сопротивления нагрузки использовались пять последовательно включенных ламп накаливания 220 В/40 Вт. При таких условиях были получены следующие параметры:

- напряжение холостого хода Ехх - 1220В;

- напряжение на нагрузке 200 Вт Ен - 1100В;

- амплитуда пульсаций при нагрузке 200Bт Uпульс - 50B.

Т.е. "просадка" напряжения всего 10%, а пульсации - 5%. Это лучше, чем у многих трансформаторных блоков питания. При нагрузке этой же схемы на пять ламп 220 В/60 Вт Ен=1050 В и Uпульс=80 В. Тоже очень неплохие параметры. При этом блок питания мощностью 200...300 Вт имел вес около 300 г!

В следующем эксперименте при тех же диодах использовалось шесть конденсаторов 220,0 мкФ х 350 В (от телевизионных блоков питания). Нагрузкой также были лампы накаливания общей мощностью 600 Вт. Ехх конечно, не изменилось, Eн=1100B,Uпульс=65B.

Таким образом, используя схему рис.5, можно делать блоки питания на Еа=1100 В мощностью 200...300 Вт (при использовании конденсаторов 100,0 х 350 В), 500...600 Вт (при 220,0 х 350 В) и даже 1000...1200 Вт (при 440,0 х 350 В - т.е. каждый из шести конденсаторов составлен из двух 220,0 х 350 В).

Такие параметры позволяют применять подобные блоки питания со многими лампами как в одиночном включении, так и с включенными параллельно:

3хГУ50 при la=0,4...0,5 А и Рвых=250... ...300Вт;

4хГ811 при Ia=0,6...0,65 А и Рвых=300... ...350 Вт;

2(3) ГИ7Б при Iа=0,6...0,7 (0,9...1)А и Рвых=400(600)Вт.

В общем, подобрать подходящий вариант при желании можно. Кстати, в РА [5] используется утроитель переменного напряжения 500 В (от вторичной обмотки силового трансформатора) для получения анодного напряжения 2100 В. Итак, применение умножителей напряжения - распространенная практика.

Часто задается вопрос: "Как же так - полярные электролитические конденсаторы С1, С2 включены прямо в сеть переменного тока? К ним приложено переменное напряжение, через них протекает переменный ток и они взорвутся!". Нет, этого не произойдет. Переменного напряжения на С1 и С2 не будет, т.к. цепи сеть - VD2-C1 и сеть - VD3-С2 представляют собой обычные однополупериодные выпрямители, поэтому напряжение обратной полярности ни к С1, ни к С2 не прикладывается. Если подключить осциллограф прямо на С1 (или С2), можно увидеть постоянное напряжение 300 В с пульсациями амплитудой 15...20 В. Переменный ток (и значительный - до нескольких ампер) протекать через С1 и С2, конечно, будет, но это их паспортный режим. Вспомним, во многих транзисторных УНЧ на выходе стоит разделительный электролитический конденсатор значительной емкости, через который в громкоговоритель протекает НЧ-переменный ток, измеряемый в мощных усилителях амперами.

Бестрансформаторный, с учетверением

С учетом всего сказанного выше, предлагается бестрансформаторный усилитель мощности с учетверением напряжения сети, несколько упрощенная схема которого показана на рис.6. Для примера показан триод, включенный по схеме с общей сеткой, что, впрочем, совершенно не принципиально - может быть и тетрод, и пентод, и схема с общим катодом (экранное напряжение легко может быть получено стабилизатором, подключенным к средней точке выходных конденсаторов учетверителя - напряжение в этой точке составляет + 600 В относительно катода).

Легкий и мощный РА
Рис.6

Принципиальными в схеме на рис.6 являются следующие особенности:

- анодное напряжение - 1200... 1100 В (учетверенное сетевое напряжение);

- подача входного сигнала - через широкополосный ферритовый трансформатор (ШПТ);

- подача выходного сигнала на П-контур - через два разделительных конденсатора С1 и С2 по 2000 пФ х 2 кВ.

Входной сигнал удобно подавать через ШПТ, поскольку:

- в отличие от [4], где используется разделительный конденсатор, межобмоточная емкость у ШПТ крайне мала, и поэтому не вносит вклад в ток IУТ50;

- ШПТ работает на постоянную нагрузку без реактивности - входное сопротивление РА;

- ШПТ заменяет катодный дроссель, а также (за счет изменения числа витков, т.е. коэффициента трансформации) может использоваться для согласования входного сопротивления усилителя с драйвером.

ВЧ-сигнал с лампы на П-контур подается через два разделительных конденсатора: С1 отделяет Еа от горячего конца П-контура, а С2 обеспечивает развязку по сети 50 Гц, замыкая по радиочастоте общий электрод лампы (сетку в данном случае) с шасси усилителя. Подобный способ передачи сигнала (без ферритового трансформатора, используемого в [2,3]) позволяет пропускать любую мощность, работать с реактивными нагрузками и исключить завал АЧХ выходной цепи.

Как и на всех предыдущих рисунках, на рис.6 цепи, гальванически связанные с сетью, выделены утолщенными линиями, а развязанные от сети показаны обычной толщиной. Схему рис.6 можно рассматривать и как несколько измененный импульсный блок питания. В самом деле, выпрямитель и высокочастотный генератор (лампа) непосредственно подключены к напряжению сети. Только в данном случае это не автогенератор, а генератор с внешним возбуждением через входной ШПТ (в старых книгах по передающей технике усилители мощности так и назывались - генераторы с внешним возбуждением). Выходной сигнал генератора снимается не через ферритовый трансформатор, как в импульсном блоке питания, а через конденсаторы С1, С2. Такое решение вполне логично, ибо низшая частота генератора (1,8 МГц) более чем в 30000 раз выше частоты питающей сети, и во столько же раз отличаются сопротивления конденсаторов С1, С2 на этих частотах. Еще одно отличие схемы рис.6 от обычного импульсного блока питания состоит в том, что генератор работает не в ключевом, а в линейном (по огибающей) режиме, поэтому КПД преобразования напряжения сети в ВЧ-сигнал (иными словами, КПД усилителя) составляет не 85%...90%, а 55...60%. На выходе включен обычный П-контур.

Ток утечки сети на корпус для схемы рис.6 (при использовании фильтра помех по схеме рис.4) определяется только конденсатором С2 и составляет IУТ50=0,12 мА, при этом UУТ50=3,6 В. Это лучше, чем у многих трансформаторных РА.

Некоторые требования к деталям схемы. Диоды должны быть рассчитаны на Uобр>600 В и средний ток не менее 4Iа_max. Допустимый импульсный ток перегрузки диодов должен быть в 2...3 раза больше. Хорошо подходят КД202Р, Д248Б. Конденсаторы блока питания должны быть на напряжение >350 В, их емкость должна быть не менее 100 мкФ на каждые 250 мА анодного тока. Емкости С1 и С2 выбираются такими, чтобы на низшей рабочей частоте их реактивное сопротивление было бы менее 1/10 Roe П-контура. Для Roe>500 Ом достаточно С1 и С2 по 2000 пФ. Напряжение на С1 и С2 не превышает 900 В, но поскольку они обеспечивают электробезопасность, имеет смысл взять их с большим запасом - на 2 кВ и более. С точки зрения безопасности, требования к пробивному напряжению С1 и С2 такие же, как в обычном силовом трансформаторе к пробивному напряжению между сетевой и вторичными обмотками.

Цепи катода и сетки могут иметь потенциал до 900 В относительно шасси (если оно заземлено). Соответственно на такую величину должны быть рассчитаны изоляция этих цепей, межобмоточная изоляция входного ШПТ (достаточно использовать провод МГТФ 0,5) и межобмоточная изоляция накального трансформатора (подходит любой унифицированный ТН).

Перейдем теперь к описанию практических схем.

Выходной каскад трансивера

На рис.7 показана принципиальная схема оконечного усилителя трансивера с выходной мощностью 100...200 Вт. Не спешите скептически усмехаться, утверждая, что для получения подобной мощности давно используются транзисторные PA, a здесь напечатан призыв вернуться обратно к лампам. Во-первых, автор знает о существовании транзисторных РА. Сам их разрабатывал и в течение ряда лет эксплуатировал. Во-вторых, сравним типовой двухтактный транзисторный РА с выходной мощностью 100 Вт с ламповым РА такой же мощности (рис.7) по основным параметрам.

Легкий и мощный РА
Рис.7 (нажмите для увеличения)

1. Надежность. Здесь ламповый РА вне конкуренции. Часто ли встречаются транзисторы с Ррас=350 Вт и устойчивостью к десятикратным импульсным перегрузкам? А для ГИ7Б это типовые параметры. О работе на нагрузку с высоким КСВ и устойчивости к статическим зарядам на антенне и говорить не стоит - ламповый РА практически не требует никаких систем защиты.

2. Коэффициент передачи по мощности. Примерно одинаков для обеих схем - около 10.

3. Согласование с нагрузкой. П-контур на выходе лампового РА обеспечивает согласование практически с любыми нагрузками. В транзисторном РА для этой цели после выходного ФНЧ придется использовать отдельное согласующее устройство.

4. Размеры. Транзистор (даже пара в двухтактном каскаде), конечно, меньше лампы. Но если установить их на радиатор, эта разница исчезает. Дело в том, что радиатор лампы может иметь температуру 140...150°С, для транзисторов же такая высокая температура недопустима. В самом деле, мощность, отдаваемая радиатором в окружающую среду прямо пропорциональна как площади радиатора, так и разнице температур между ним и окружающей средой. Поэтому сильнее нагретый радиатор лампы эффективнее отдает тепло, и следовательно, чтобы рассеять одинаковую мощность, радиатор для транзисторов должен быть больше анодного радиатора лампы. 5. КПД. На первый взгляд, лампа должна проигрывать - мощность в цепи накала теряется бесполезно, а для ГИ7Б это немало - 25 Вт. Но давайте подсчитаем. КПД двухтактного транзисторного РА в лучшем случае 40% (как по данным [6], так и по практическим измерениям параметров импортных трансиверов). Для лампового РА, с учетом потерь в П-контуре, КПД по анодной цепи составляет 50...60%, т.е. при Рвых=100 Вт, Рподв составит 180...200 Вт. Даже если сюда прибавить 25 Вт по цепи накала, то общий КПД составит 45%...50%, т.е. выше, чем у транзисторного РА.

6. Цена. Конечно, если покупать лампу и транзисторы по ценам заводов-изготовителей, то лампа обойдется дороже. Но если, рассуждая практически, обратиться к ценам радиорынка, то пара мощных высокочастотных транзисторов будет не дешевле, а скорее всего дороже лампы.

7. Вес. Что касается собственно усилителя, то здесь справедливо все, что говорилось в п.4 о размерах. Блок питания для транзисторного РА должен обеспечивать более 250 Вт выходной мощности, габаритная мощность его силового трансформатора (с учетом потерь на стабилизаторе) должна быть не менее 300 Вт. В целом вес такого блока получается большею кг. Вес же блока питания (сетевой фильтр + учетверитель + накальный трансформатор) усилителя мощности, показанного на рис.7, чуть более 1 кг.

С полностью транзисторными трансиверами (в том числе импортными, особенно старыми моделями, без встроенного тюнера) получается довольно парадоксальная ситуация. Сам трансивер - маленький, легкий и красивый. Но чтобы работать в эфире на реальные антенны, необходимо рядом поставить еще антенный тюнер и сетевой блок питания (по весу и размерам вдвое превосходящие собственно трансивер).

В этом плане РА, показанный на рис.7, не требует никаких дополнительных устройств - он включает в себя и блок питания, и цепь согласования с антенной.

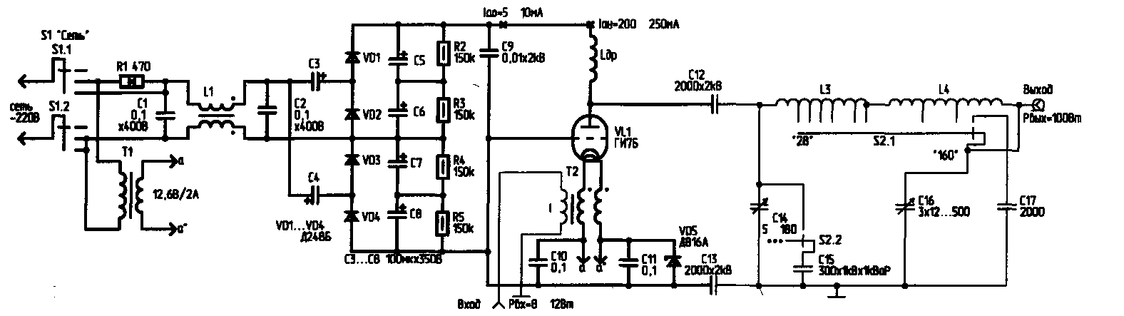
Обратимся теперь к принципиальной схеме (рис.7). Диоды VD1 ...VD4 и электролитические конденсаторы С3...С8 - учетверитель сетевого напряжения. С1, L1, C2 - сетевой фильтр помех. Трехпозиционный переключатель S1 и токоограничивающий резистор R1 -элементы двухступенчатой системы включения и уменьшения броска тока при включении. Т1 - нахальный трансформатор. С9 - блокировка по радиочастоте источника анодного питания. С12, С13 - разделительные по ВЧ и развязывающие по сети. Lдр - анодный дроссель. VD5 обеспечивает начальное смещение лампы. С10, С11 - блокировочные по ВЧ.Т2-

входной развязывающий трансформатор. С14,С15, С16, L3, L4-обычные элементы выходного П-контура. Коммутация RX-ТХ для лампы не предусмотрена, начальный ток составляет 5...10 мА, и мощность рассеивания на аноде в паузах и в режиме приема невелика - 6...11 Вт. Если потребуется запирать лампу в режиме приема, достаточно последовательно с VD5 включить резистор 100 кОм (или стабилитрон Д817 с любым буквенным индексом) и замыкать его контактами реле RX/TX при переходе на передачу.

Детали

С1, C2 - типа К73-17 на напряжение не менее 400 В, C3...С8- К50-31.К50.27, К50-29 (конденсаторы типа К50-35 лучше не применять из-за их низкой надежности); С9, С12, С13 - КСО-11, К15-У1 на напряжение не менее 2 кВ, а С12 и С13 - на реактивную мощность не менее выходной мощности PA; C10, С11- КМ-5 или аналогичные; С15, С17 - К15-У1 на реактивную мощность не менее чем в 10 раз больше выходной мощности РА; С16 - строенный КПЕ от транзисторных приемников. С14 сделан из стандартного КПЕ 2х12/495 пФ прореживанием роторных и статорных пластин через одну с последующей центровкой статорных секций перепайкой их крепления к основанию КПЕ. L1 -дроссель фильтра помех, содержит 2х20 витков сетевого провода на ферритовом кольце марки 2000НН подходящих размеров.

Конструкции анодного дросселя L-др и катушек П-контура L3, L4 описывались неоднократно в литературе [7,8]. Т1 - подойдет любой с хорошей изоляцией между обмотками, например из серии ТН. Сердечник Т2 состоит из двух расположенных рядом ферритовых трубок, каждая из которых склеена из трех колец 400НН К10х5х5. Обмотки, подключенные к лампе, содержат 2х4 витка провода МГТФ 0,5. Число витков и конструкция первичной обмотки Т2 зависят от типа драйвера и его выходного сопротивления. Если первичная обмотка будет содержать 4 витка, то Rвх составит 100 Ом; если 2, то Rвх - 25 Ом. У автора первичная обмотка содержит 1+1 виток провода МГТФ 0,5 и своими выводами подключена непосредственно к коллекторам транзисторов драйвера, а на средний вывод подано напряжение питания драйвера. Еще раз подчеркну, что первичная обмотка Т2 должна быть хорошо изолирована. Если есть необходимость ввести ALC, то сигнал можно снять с дополнительной обмотки, намотав ее на Т2, как это сделано в трансивере RA3AO.

Конструкция

Детали П-контура размещены у передней панели трансивера. Позади них горизонтально расположена лампа. Выходной отсек (анод лампы, С12, Lдр, П-контур) отделен заземленным П-образным экраном. Лампа закреплена за анодный радиатор бобышками из фторопласта на винтах-саморезах. При необходимости замены лампы она выкручивается из анодного радиатора, который закреплен "раз и навсегда". В П-образном экране сделано отверстие диаметром на 6...8 мм больше диаметра вывода сетки лампы (чтобы избежать замыкания сетки на корпус). На вывод сетки надета дюралевая пластина размерами 70х70 мм, изолированная от шасси. Через четыре фторопластовые прокладки пластина прикреплена с обратной стороны П-образного экрана. Между этой пластиной и экраном размещен конденсатор С13. Позади лампы (у задней панели) установлен нахальный трансформатор Т1. С10, С11 монтируются на выводах лампы и Т1. Трансформатор Т2 расположен на кронштейне под выводом катода лампы. Все детали блока питания, включая R1 и VD5 (с небольшим радиатором), размещены на отдельной плате из стеклотекстолита. Плату надо расположить так, чтобы исключить подогрев С3...С8 от лампы VL1. При плотной компоновке может потребоваться установка тепловых экранов, например из тонкого асбеста, наклеенного на стеклотекстолит.

Результаты

В данной схеме лампа легко "раскачивается" до тока Ia=200...250 мА при Рвх=8...12 Вт (2хКТ913В). При более мощном драйвере можно получить Iа=0,38...0,4 А. Однако для трансивера рекомендуется ограничиться током Iа=200 мА и, соответственно, Рвых=100 Вт. При такой мощности лампа может работать без обдува даже при непрерывном излучении (ЧМ, например) - получается очень комфортный трансивер, который не "завывает" вентилятором прямо перед оператором. Кроме того, мощности 100 Вт достаточно как для "раскачки" почти любого РА, так и для повседневной работы в эфире.

Если использовать РА по схеме рис.7 как внешний, то при Рвх=40 Вт он дает Ia=0,38...0,4 А и Рвых=190...220 Вт (конечно, при использовании принудительного охлаждения анода).

РА на трех ГУ50

Широко распространенный среди радиолюбителей СНГ РА на трех лампах ГУ50 при Еа=1100 В, оказывается, вообще не нуждается в силовом трансформаторе! Принципиальная схема практически совпадает с приведенной на рис.7, необходимо только увеличить мощность R1 до 5...10 Вт, емкости С3...С8 -до 220 мкф, а катодную цепь выполнить в соответствии с рис.8.

Легкий и мощный РА
Рис.8 Сетки лампы ГУ-50 должны быть не на корпусе, а на минусовом проводе выпрямителя

Трансформатор Т2 имеет равное число витков в первичной и вторичной обмотках. Если Т2 конструктивно выполнен по описанию предыдущего раздела, он должен содержать по три витка в каждой обмотке. В данной конструкции Т2 можно также выполнить следующим образом на ферритовое кольцо 400...600 НН с наружным диаметром 20...32 мм тонким коаксиальным кабелем намотать 8...12 витков Центральная жила кабеля образует вторичную обмотку, а оплетка - первичную. Конечно, можно намотать Т2 и витой парой проводов МГТФ. В любом случае не забывайте о качестве изоляции обмоток Т2.

РА на двух (трех) ГИ7Б

Схема практически совпадает со схемой рис.7. Отличия следующие: емкости С3...С8 для двух ламп должны составлять 330 мкФ (для трех - 470 мкФ или 2х220 мкФ); номинал R1 надо уменьшить до 180...240 Ом, а его мощность увеличить до 10...20 Вт, вместо VD5 следует включить транзисторный аналог мощного стабилитрона (рис.9).

Легкий и мощный РА
Рис.9

VT1 должен быть установлен на изолированном от шасси радиаторе и допускать мощность рассеивания 15 Вт (для трех ламп - 25 Вт). Т2 имеет одинаковое число витков во всех обмотках. Выбирая сердечник для Т2, следует учесть, что постоянная составляющая тока катодов ламп будет подмагничивать сердечник. П-контур должен быть рассчитан на Rое=800..900 Ом (для трех ламп - 500...600 Ом).

Для двух ламп при Рвх=45...50 Вт ток анодов достигает 0,75...0,8А (Рвых=400 Вт).

Для трех ламп при Pвх=70...75 Вт ток анодов достигает 1...1,1 A (Pвых=600 Вт).

Конструкция

Основное заземленное шасси расположено горизонтально примерно в 50...60мм от днища. В месте установки ламп в шасси вырезано квадратное отверстие размерами 14х14 см. Лампы устанавливаются вертикально и крепятся хомутиками за вывод сетки к квадратной пластине размерами 16х16 см (размеры ориентировочные, зависят от числа ламп и их компоновки). Эта пластина с закрепленными на ней лампами устанавливается над отверстием в шасси и крепится к нему через изолирующие фторопластовые прокладки. С13 устанавливается между пластиной и шасси.

При самовозбуждении или неустойчивой работе PA C13 лучше выполнить в виде набора из нескольких конденсаторов (общей емкостью 2000 пФ), разместив их по периметру пластины с лампами. Обдув ламп производится вытяжкой воздуха следующим образом: подбирают вентиляторы (по числу ламп) с диаметром, равным или чуть большим диаметров анодных радиаторов, вентиляторы крепятся к верхней крышке РА (под них вырезаны отверстия) точно напротив ламп. Цилиндрические воздуховоды свернуты из 2-3 слоев стеклотекстолита (придется расслоить кусок подходящих размеров).

Во избежание раскручивания концы стеклотекстолита прошиты металлическими скобками. Верхний диаметр воздуховода должен точно совпадать с наружным диаметром вентилятора, нижний-с диаметром анода лампы (если они отличаются, то воздуховод делают коническим) Изготовленные воздуховоды плотно одевают на вентиляторы и тщательно проклеивают клеем "Феникс". В результате, при опускании верхней крышки воздуховоды точно одеваются на аноды.

Заключение

Итак, бестрансформаторные РА ничуть не опаснее усилителей с силовым трансформатором. Для получения анодных напряжений 600...1100 В силовой трансформатор вообще не нужен Усложнение при переходе на бестрансформаторное питание минимальное, а необходимость изолировать часть деталей от шасси вряд ли испугает коротковолновиков - в трансформаторном усилителе мощности с высоким анодным напряжением более чем достаточно подобных деталей.

Неужели бестрансформаторный РА настолько хорош, что не имеет недостатков. Конечно, имеет (как и любой другой прибор). Вот некоторые:

- неудобство наладки. Если требуется измерение режима лампы или исследование осциллографом сигналов в цепях, связанных с сетью, необходимо использовать сетевой разделительный трансформатор 1:1. Впрочем, для проверенной отработанной схемы при достаточной квалификации радиолюбителя это не требуется;

- использование электролитических конденсаторов. Лет через 10-12, возможно, их придется заменить. В прочем, фирмы, производящие усилители мощности РА, это не смущает - в подавляющем большинстве промышленных РА используются именно электролитические конденсаторы;

- бестрансформаторный усилитель мощности может питаться только от сети переменного тока;

- для получения больших выходных мощностей (1 кВт и более) анодного напряжения 1,1 кВ недостаточно Однако если использовать лампу, обеспечивающую Iа>2 А (ГС3Б, например), можно попытаться создать подобное устройство. Автор такой вариант пока не испытывал.

Вопросы и ответы

1. Зависит ли безопасность схемы от "полярности" включения вилки в сеть?

Нет, не зависит. Развязка от сети обеспечивается при любом положении вилки. Различия есть только лишь в величине тока IУТ50. Если "ноль" сети подключен к нижнему по схеме проводу сети (рис 7 в N2/99), то минус выпрямителя (сетка лампы) находится под постоянным потенциалом 600 В относительно корпуса, и IУТ50=0. Если на этом проводе "фаза", то на минусе выпрямителя (сетке лампы) будет потенциал, изменяющийся от 600 до 900 В с частотой 50 Гц. Переменная составляющая этого потенциала через С13 (2000 пФ х 2 кВ) обуславливает протекание IУТ50 около 120 мкА. При этом UУТ50 составляет всего несколько вольт.

2. Что будет, если корпус РА не заземлен или заземлен плохо?

В смысле безопасности и работы РА ничего не изменится, а вот с антеннами и TVI могут появиться проблемы. (Еще раз напоминаем об обязательном наличии системы заземления на любительской радиостанции. Прим.ред.)

3. О емкости конденсаторов учетверителя напряжения.

Минимально необходимую емкость каждого из шести конденсаторов учет-верителя можно оценить так - его емкость в микрофарадах должна быть равна выходной мощности РА в ваттах. При этом "просадка" анодного источника под нагрузкой составит примерно 100...120 В. Конечно, можно использовать конденсаторы большей емкости, "просадка" при этом будет меньше.

4. Можно ли вместо учетверения использовать более высокую степень умножения сетевого напряжения?

Теоретически да, практически же особого смысла в этом нет. Дело в том, что высоковольтные электролитические конденсаторы большой емкости мало распространены, а если набирать батареи из конденсаторов малой емкости с рабочим напряжением 350...450 В, их количество растет непропорционально быстро В самом деле, для удвоения напряжения сети нужны два конденсатора на напряжение 350 В; для учетверения - шесть таких конденсаторов, для ушестерения - 17, для увосмерения - 28 (!). При таком количестве конденсаторов теряется главное достоинство данного РА - небольшие вес и габариты.

5. Некоторые импортные генераторы переменного тока дают на выходе не 220 B, а 110... 120 B, как быть в этом случае?

Конечно, если вы делаете комплект аппаратуры для работы в полевых условиях, везти с собой автотрансформатор 110x220 В не очень практично.

Возможны два варианта. Первый: оставить схему РА без изменений и довольствоваться анодным напряжением 600 В. Второй - собрать умножитель напряжения на 8, как показано на рис.1 настоящей статьи. В результате получается напряжение 1,1 .1,2 кВ при токе нагрузки 0,35...0,4 А (ЗхГУ50). Замечу, что если генератор выдает 120 В переменного напряжения, то конденсаторы С1 и С2 (каждый - из двух К50-7) работают при напряжении, близком к предельному. Схему можно легко перекоммутировать для работы в качестве учетверителя от сети 220 В. Для этого достаточно переключателем разорвать четыре цепи (точки разрыва показаны на рис.1 крестиком)

Легкий и мощный РА

6. Почему РА, показанный на рис. 7, не отдает в нагрузку 200 Вт?

К сожалению, я выразился не совсем точно. Блок питания РА в упомянутой схеме рассчитан только на 100 Вт выходной мощности Чтобы получить Рвых=200 Вт, конденсаторы учетверителя должны иметь емкость по 220 мкФ.

7. Как при использовании бестрансформаторного блока питания получить сигнал ALC?

К сожалению, традиционные методы получения сигнала ALC (по току сетки, по амплитуде напряжения на сетке) в данном случае неприменимы - лампа гальванически связана с сетью. Можно контролировать только сигнал на обмотке входного трансформатора. Ну, и не следует забывать о том, что любой РА не стоит "перекачивать".

8. О режиме работы лампы и коммутации RX/TX.

Указанный на рис.7 (в N2/99) стабилитрон смещения Д816А не на каждом экземпляре ГИ7Б обеспечивает достаточный начальный ток, может потребоваться замена, например, на Д815Ж. Контакты реле RX/TX, коммутирующего режим работы лампы, находятся (как и вся катодная цепь) под потенциалом до 900 В относительно корпуса. Для коммутации требуется реле, которое выдерживает 900 В между контактной группой и обмоткой, а также между контактной группой и корпусом реле. Абсолютно непригодны герконовые реле - их контакты очень быстро "залипают".

Кардинально решает данную проблему оптическая развязка. Причем необходимо использовать самодельную оптопару, промышленные интегральные не подходят, т.к. у них допустимое напряжение между входом и выходом не превышает 500 В, а в данном случае требуется >900 В. Один из возможных вариантов показан на рис.2.

Легкий и мощный РА

На транзисторах VT2, VT3 собран регулируемый аналог стабилитрона. В качестве опорного используется напряжение стабилизации VD2. Это напряжение сравнивается с частью выходного, снимаемого с делителя R3, RP1, R4. Разностное напряжение усиливается VT2 и управляет мощным VT3. При освещении фоторезистора RF1 светодиодом VD1, сопротивление фоторезистора резко уменьшается, и шунтируется делитель R3, RP1, R4-транзисторы VT2 и VT3 закрываются. Напряжение на выходе возрастает до уровня стабилизации VD3 (47В), что обеспечивает надежное закрывание лампы при приеме.

При передаче VD1 гаснет, зашунтированный открытым транзистором VT1, сопротивление RF1 возрастает до нескольких сотен килоом, и он практически перестает влиять на работу схемы. Напряжение на выходе схемы снижается до уровня, установленного RP1 (при указанных на рис.2 номиналах R3, RP1, R4, VD2 регулируется от 11 до 18 В). VD3 - защитный стабилитрон. Для снижения мощности, рассеиваемой VT3 (он установлен на небольшом радиаторе), в его коллекторе установлен мощный резистор. Выходное динамическое сопротивление схемы - менее 1 Ом. Фоторезистор RF1 и светодиод VD1 помещены в черную трубку (оболочку коаксиального кабеля) на расстоянии 2 ..3 мм друг от друга. Показанная на рис.2 схема рассчитана на работу в катоде одной лампы (Iмакс=0,35 А). Если требуется больший максимальный ток, то необходимо вместо VT3 установить составной транзистор, например КТ825, и пересчитать величину и мощность R7 исходя из того, что при максимальном токе стабилизации на R7 должно падать около 75% всего напряжения (в данном случае - около 10В).

9. О неточностях в публикации

На рис.8 (№2/99) сетки лампы ГУ-50 должны быть не на корпусе, а конечно же, на минусовом проводе выпрямителя.

Литература

  1. Иванов Г. (UA3AFX). Бестранформаторный блок питания. - Радио, 1979, №11.с.13-14.
  2. Лаповок Я. (UA1FA). Я строю КВ-радиостанцию. Линейный усилитель мощности. - Радио, 1991, №7, с.22-24.
  3. Августовский И. (RV3LE). Бестрансформаторный РА на ГУ29. - Радиолюбитель. КВ и УКВ, 1997, №3, с.32-33.
  4. Кулагин В (RA6LFQ). Усилитель мощности КВ "Ретро". - Радиолюбитель, 1995, №8, С 26-28.
  5. Kichartz M. (DG9KS). 300-w-Rohrenendstufe fur 70 cm - CQ DL, 1998, №10, с.788.
  6. Рэд Э. Справочное пособие по ВЧ схемотехнике. -M.. Мир, 1990.
  7. Бунимович С., Яйленко Л. Техника любительской однополосной радиосвязи. -Москва, ДОСААФ. 1970, с.230-232.
  8. Лучшие конструкции 31-й и 32-й выставок творчества радиолюбителей. - Москва, ДОСААФ, 1989, с.72-90. Радиолюбитвль. КВ и УКВ № 1-2 1999г. Публикация вызвала большой читательский интерес, поэтому ниже приведены ответы на наиболее часто задаваемые вопросы.

Автор: И.Гончаренко (EU1TT); Публикация: Н. Большаков, rf.atnn.ru

Смотрите другие статьи раздела Усилители мощности транзисторные.

Читайте и пишите полезные комментарии к этой статье.

<< Назад

Последние новости науки и техники, новинки электроники:

Токсичность интернета преувеличена 07.01.2026

Социальные сети нередко воспринимаются как арена постоянной агрессии, оскорблений и распространения фейковой информации. Новое исследование Стэнфордского университета показывает, что реальность значительно отличается от популярного представления: интернет гораздо менее токсичен, чем многие пользователи считают. Ученые опросили более тысячи американцев, попросив их оценить долю пользователей соцсетей, которые ведут себя агрессивно или распространяют ненависть. Оказалось, что впечатления людей сильно преувеличивают масштабы проблемы. Например, респонденты считали, что почти половина пользователей Reddit хотя бы раз оставляла оскорбительные комментарии, тогда как фактические данные платформы показывают, что таких людей не более 3%. Аналогичная ситуация наблюдается с дезинформацией. Опрос показал, что большинство участников считали почти половину аудитории Facebook распространителями фейковых новостей, однако статистика говорит об обратном: фактическая доля таких пользователей состав ...>>

Процессоры Ryzen AI 400 07.01.2026

Современные вычисления все больше ориентируются на интеграцию искусственного интеллекта и высокую производительность в компактных устройствах, таких как ноутбуки и мини-ПК. Новая линейка процессоров AMD Ryzen AI 400 демонстрирует, как разработчики объединяют мощные центральные ядра, графику и нейросетевые ускорители в одном чипе, чтобы удовлетворять растущие потребности пользователей в играх, контенте и ИИ-приложениях. AMD представила процессоры серии Gorgon Point, которые включают до 12 ядер Zen 5 и до 24 потоков вычислений. Чипы поддерживают интегрированную графику RDNA 3.5, обеспечивают максимальную тактовую частоту до 5,2 ГГц и имеют энергопотребление от 15 Вт до 54 Вт. Особое внимание уделено NPU, способному обрабатывать до 60 триллионов операций в секунду (TOPS), что делает эти процессоры эффективными для задач с искусственным интеллектом. Конструкция Ryzen AI 400 сочетает ядра Zen 5 и Zen 5c, обеспечивая высокую гибкость и производительность. Несмотря на то, что архитектур ...>>

Женщины лучше распознают признаки болезни по лицу 06.01.2026

Способность распознавать, что кто-то нездоров, часто проявляется интуитивно: бледная кожа, опущенные веки, уставшее выражение лица могут сигнализировать о недомогании. Новое исследование международной группы ученых показало, что женщины в среднем точнее мужчин улавливают такие тонкие невербальные признаки болезни, что может иметь эволюционные и социальные объяснения. В отличие от предыдущих работ, где использовались отредактированные фотографии или имитация больных лиц, ученые решили проверить, насколько люди способны распознавать естественные признаки недомогания. Такой подход позволил оценить реальную чувствительность к изменениям в лицах, возникающим при болезни. В исследовании приняли участие 280 студентов, поровну мужчин и женщин. Участникам предложили оценить 24 фотографии, на которых изображены люди как в здоровом состоянии, так и во время болезни. Это дало возможность сравнить восприятие естественных признаков недомогания в реальных лицах. Для анализа состояния каждого ...>>

Случайная новость из Архива

Арктику ждут новые рекорды таяния 10.03.2012

Новое исследование НАСА показало, что самый старый и толстый арктический морской лед тает быстрее, чем более молодой и тонкий (по краям плавающих льдов Северного Ледовитого океана).

Обычно толстый многолетний лед (старше двух лет) менее подвержен сезонному таянию, в то время как молодой лед, в короткие сроки образовавшийся за зиму, так же быстро тает летом. Быстрое исчезновение старого ледового покрова делает морской арктический лед более уязвимым к дальнейшему таянию.

В ходе нового исследования ученые наблюдали за многолетними льдами, которые покрывают не менее 15% поверхности Северного Ледовитого океана. Ученые обнаружили, что количество льда уменьшается на 15,1% за десятилетие. Таким образом, средняя толщина ледяного покрова арктических морей снижается из-за таяния толстого многолетнего ледового панциря. В то же время температура поверхности в Арктике повышается, что сокращает период времени, когда образуется новый молодой лед и не позволяет быстро восстанавливать объем льда многолетнего.

Объем многолетнего морского льда достиг своего рекордного минимума зимой 2008 года - он снизился на 55% с конца 1970-х годов, когда начались спутниковые измерения ледяного покрова. Многолетний морской лед затем восстановился в течение следующих трех лет: его стало на 34% больше, чем в 2008 году. Но в зимний период 2012 года лед снова начал активно таять.

Ученые не исключают существование девятилетнего цикла таяния морского льда. По крайней мере, спутниковые наблюдения установили именно такой период. Судя по всему, небольшое восстановление морского ледяного покрова в течение трех лет после того, как он достиг своего исторического минимума в 2008 году, является лишь этапом девятилетнего цикла и нас ждут новые рекорды таяния, при этом количество льда с каждым циклом сокращается.

Другие интересные новости:

▪ Собаки пагубно влияют на экологию и климат планеты

▪ Гербициды в капсулах

▪ Мобильный телефон - друг туриста

▪ Выстрелы в пещере определят ее размеры

▪ Samsung Wireless: 1,5-Тбайт беспроводной накопитель, точка доступа, автономная зарядка

Лента новостей науки и техники, новинок электроники

 

Интересные материалы Бесплатной технической библиотеки:

▪ раздел сайта Личный транспорт: наземный, водный, воздушный. Подборка статей

▪ статья Искать вчерашний день. Крылатое выражение

▪ статья Какие слабости и недостатки были у известных людей прошлого? Подробный ответ

▪ статья Нанесение металлопокрытий при работе на ваннах для анодирования. Типовая инструкция по охране труда

▪ статья Детекторы напряженности поля. Справочник

▪ статья Водяной подсвечник. Физический эксперимент

Оставьте свой комментарий к этой статье:

Имя:


E-mail (не обязательно):


Комментарий:




Комментарии к статье:

Александр
Очень интересный материал. Большое спасибо автору за труд!!! Александр, US5LCW

Гога
Да офигенный усилок!!! [up]

Роман
Спасибо автору за публикацию! Прочёл с интересом! Раньше боялся использовать бестрансформаторный БП. Прочёл и собрал учетверитель для усилителя на трёх ГУ-50. Отлично всё работает. Роман, R3WBK. 73!


Главная страница | Библиотека | Статьи | Карта сайта | Отзывы о сайте

www.diagram.com.ua

www.diagram.com.ua
2000-2026