Menu Home

Бесплатная техническая библиотека для любителей и профессионалов Бесплатная техническая библиотека


Автомобильный радиосторож. Энциклопедия радиоэлектроники и электротехники

Бесплатная техническая библиотека

Энциклопедия радиоэлектроники и электротехники / Автомобиль. Охранные устройства и сигнализация

Комментарии к статье Комментарии к статье

Это устройство обеспечивает по радиоканалу непрерывный контроль состояния охраняемого объекта. При любом несанкционированном воздействии на него или выходе из строя передатчика приемник немедленно оповестит об этом владельца тревожным сигналом.

Радиоканал описываемого сторожевого устройства состоит из передатчика, установленного в автомобиле, и приемника, находящегося у владельца. В дежурном режиме передатчик через каждые 16 с излучает частотно-модулированную посылку на частоте 26945 кГц (о выборе параметров радиоканала можно узнать из публикации [1]). Длительность посылки - 1с, частота модуляции - 1024 Гц. При срабатывании охранных датчиков передатчик переходит в режим непрерывного модулированного излучения, на что приемник отреагирует тревожным сигналом. Такой же сигнал зазвучит, если на приемник не поступит очередная посылка через 16с после начала предыдущей.

Такой алгоритм работы радиосторожа обеспечивает высокую надежность охраны, поскольку любой дефект - - порча антенны, разрядка батареи питания или выход из строя передатчика - сразу же будет отмечен предупреждающим сигналом.

Выходная мощность передатчика - 2 Вт, чувствительность приемника - лучше 1 мкВ. С малогабаритной антенной передатчика, установленной за лобовым стеклом автомобиля, и штыревой антенной приемника длиной около 50 см дальность действия радиоканала превышает 500 м. Если же на автомобиле и в месте приема использовать полноразмерные антенны, дальность действия может достигать нескольких километров.

Схема передатчика сторожа представлена на рис. 1. На микросхемах DD1 и DD2 собран узел, обеспечивающий необходимый временной ритм его работы. Задающий генератор микросхемы DD1 стабилизирован "часовым" кварцевым резонатором ZQ2. Сигнал с выхода F счетчика микросхемы DD1 [2] модулирует генератор передатчика, а с выхода S1 - поступает на вход CN счетчика DD2.1 и диодно-конденсаторный коммутатор VD2R17C20R18.

Автомобильный радиосторож
Рис.1 (нажмите для увеличения)

Пока на выходе 8 счетчика DD2.1 низкий логический уровень, импульсы с частотой 1 Гц проходят через коммутатор и обнуляют счетчик DD2.2 (рис. 2, диагр. 2 и 3). При появлении на выходе 8 счетчика DD2.1 высокого логического уровня закрывается диод VD2 и импульсы на вход R счетчика DD2.2 перестают поступать. В момент появления минусового перепада на входе СР счетчика DD2.2 он переходит в единичное состояние и на его выходе 1 появляется высокий логический уровень.

Автомобильный радиосторож
Рис.2

Следующий импульс с выхода S1 счетчика DD1, пройдя через открывшийся диод VD1, обнуляет счетчик DD2.2. Таким образом, счетчик DD2.2 формирует на выходе 1 импульсы высокого уровня длительностью 1 с с периодом повторения 16с (диагр. 4).

Импульсы высокого уровня с выхода счетчика DD2.2 открывают коммутирующий транзистор VT5, разрешая работу генератора несущей передатчика. За основу передатчика взято устройство, описанное в брошюре [3]. Генератор собран на транзисторе VT1 и стабилизирован кварцевым резонатором ZQ1. Модулирующий сигнал с частотой 1024 Гц подается на варикап VD1. Модуляция - узкополосная. Девиацию в небольших пределах изменяют подстроечником катушки L1.

Колебания рабочей частоты генератора выделяет колебательный контур L2C4. Через катушку связи L3 сигнал поступает на вход буферного резонансного усилителя на транзисторе VT2, работающем в режиме С. Нагрузкой транзистора служит контур L4C6. Через конденсатор С8 усиленный сигнал подведен к входу усилителя мощности, который выполнен на двух параллельно включенных транзисторах VT3 и VT4, работающих также в режиме С. Выходной сигнал усилителя через разделительный конденсатор С13, фильтр C14L6C15L7C16 и разъем Х1 поступает на передающую антенну непосредственно или по кабелю с волновым сопротивлением 50 Ом.

Передатчик переходит в непрерывный режим излучения при срабатывании охранных датчиков, замыкающих катод диода VD3 на корпус автомобиля. При необходимости развязать датчики между собой следует установить несколько таких диодов, анод которых подключить к коллектору транзистора VT5. Если какие-либо датчики в момент срабатывания формируют сигнал высокого уровня, выход каждого из них подключают к базе транзистора VT5 через последовательно соединенные резистор сопротивлением 20...33 кОм и любой кремниевый маломощный диод (катодом к базе).

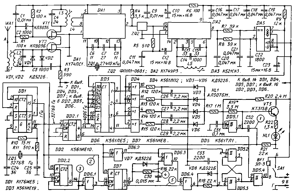
Схема приемника радиосторожа изображена на рис. 3. Высокочастотная часть собрана по традиционной схеме. Принятый антенной WA1 сигнал выделяется входным контуром L2C3. Диоды VD1 и VD2 служат для защиты входа усилителя РЧ при большой амплитуде входного сигнала. Усилитель РЧ собран по каскодной схеме на полевых транзисторах VT1 и VT2. Нагрузкой усилителя служит контур L3C4.

Автомобильный радиосторож
Рис.3 (нажмите для увеличения)

Смеситель выполнен на микросхеме DA1. Она же выполняет и функции гетеродина, частота которого стабилизирована кварцевым резонатором ZQ1. Частота резонатора может быть больше или меньше частоты передатчика на 465 кГц, т. е. либо 26480, либо 27410 кГц. С нагрузки смесителя - резистора R4 - сигнал ПЧ поступает на пьезокерамический фильтр ПЧ ZQ2, обеспечивающий необходимую избирательность приемника. Микросхема DA2 выполняет усиление сигнала, его ограничение и частотное детектирование. Резонансный контур C14L5 частотного детектора настроен на частоту 465 кГц.

Демодулированный сигнал частотой 1024 Гц поступает на входы компаратора DA3 через две интегрирующие цепи, отличающиеся значением постоянной времени. На прямой вход сигнал поступает через цепь R7C21, практически полностью подавляющую полезный сигнал, а на инверсный этот сигнал приходит через цепь R8C22 почти без ослабления.

Такой узел представляет собой полосовой фильтр. На частоте 1024 Гц он формирует выходную последовательность импульсов, по форме близкую к "меандру", а входные сигналы с частотой, существенно отличающейся от 1024 Гц, на выход практически не проходят.

С выхода компаратора DA3 сигнал поступает на вход цифрового узла. Ритм его работы задает генератор на микросхеме DD1, частота которого стабилизирована таким же, как в передатчике, кварцевым резонатором на частоту 32768 Гц. Выходные импульсы генератора с частотой 32768 Гц с выхода К поступают на вход СР счетчика DD2.1 канала контроля частоты, а с частотой 1 Гц с выхода 15 счетчика микросхемы DD1 - на вход СР счетчика DD2.2 и вход CN счетчика DD7 канала контроля временных интервалов.

Счетчик DD2.1 формирует импульсы со скважностью 2. Счетчик DD3 - пятиразрядный сдвиговый регистр, который при соединении выхода 2 со входом DO делит частоту импульсов на четыре [4]. При этом на выходах 1 - 4 он формирует сигналы вида "меандр" со сдвигом фазы 0, 90, 180 и 270°.

Эти четыре сигнала поступают на нижние по схеме входы элементов DD4.1 - DD4.4, а на верхние входы, соединенные вместе, подан выходной сигнал компаратора DA3. При отсутствии на входе приемника полезного сигнала на выходе компаратора действует шумовое напряжение. После смешения в элементах DD4.1 - DD4.4 с выходными сигналами счетчика DD3 шум усредняют интегрирующие цепи R12C26, R13C27, R14C28, R15C29. В результате напряжение на конденсаторах С26 - С29 равно примерно половине напряжения питания. На входе триггера Шмитта DD5.1 с учетом падения на диодах VD3 - VD6 и резисторе R17 напряжение превышает верхний порог переключения триггера, поэтому на его выходе будет низкий логический уровень.

При появлении на выходе компаратора напряжения с частотой 1024 Гц происходит его перемножение элементами DD4.1 - DD4.4 с выходными сигналами счетчика DD3. Если на входах какого-либо из этих элементов фазы сигналов совпадают, на его выходе будет низкий уровень, при противофазных сигналах - высокий, а при близких фазах - импульсы большой скважности, и среднее напряжение этих импульсов близко к нулю.

Поэтому примерно через 0,5 с после начала приема полезного сигнала один из конденсаторов С26 - С29, соответствующий тому элементу микросхемы DD4, фазы входных сигналов которого наиболее близки, разряжается практически до нуля. Напряжение на входе триггера Шмитта DD5.1 становится ниже нижнего порога переключения, и на его выходе появляется высокий уровень.

Спустя примерно 0,5 с после окончания приема полезного сигнала на конденсаторах С26 - С29 снова устанавливается напряжение, близкое к половине напряжения питания, и триггер Шмитта DD5.1 переходит в исходное состояние. Таким образом, на его выходе формируются импульсы высокого уровня, по длительности примерно соответствующие входному и задержанные относительно него на 0,5 с. Светодиод HL1 вспыхивает на 1 с, индицируя наличие полезного сигнала в антенне WA1. Отрицательная ОС через резистор R19 несколько уменьшает ширину петли "гистерезиса" триггера Шмитта. Ширина полосы пропускания упомянутого выше своеобразного фильтра - около 2 Гц, и при выходе частоты модуляции за пределы 1023... 1025 Гц триггер Шмитта DD5.1 не сработает.

Рассмотрим, как действует после включения узел цифровой обработки при приеме сигнальных посылок с частотой 1024 Гц и периодом повторения 16 с. Цепь C32R21 дифференцирует фронт импульса, сформированного на выходе элемента DD5.1. Короткий импульс положительной полярности - будем называть его контрольным (диагр. 1 на рис. 4) - поступает на вход R счетчиков DD1, DD2.1, DD2.2, DD7, а также через инвертор DD6.2 на вход R триггера, собранного на элементах DD5.2 и DD5.3, переводя триггер в нулевое состояние. Этот короткий импульс проходит также через элементы DD6.3 и DD6.4 при низком уровне на выходах 8 и 9 счетчика DD7 и по входу S устанавливает триггер DD5.2, DD5.3 в единичное состояние, при котором на выходе элемента DD5.3 высокий логический уровень.

Автомобильный радиосторож
Рис.4

Импульс, поступающий на вход S триггера, имеет длительность, большую, чем на входе R из-за действия цепи R18VD8C33, поэтому после спада импульса триггер остается в единичном состоянии, удерживая элемент DD5.4 открытым. Поскольку на верхний по схеме вход этого элемента с выхода 8 счетчика DD2.1 поступают импульсы вида "меандр" с частотой 2048 Гц, звучит непрерывный звуковой сигнал. Импульсы с частотой 1 Гц поступают с выхода 15 счетчика DD1 на вход СР счетчика DD2.2 и CN - DD7 (диагр. 2). Первый из них считает эти импульсы по их спаду, второй заблокирован высоким уровнем, поступающим на вход СР с выхода инвертора DD6.1.

Спустя 8 с на выходе 8 счетчика DD2.2 появляется высокий уровень (диагр. 3). Он останавливает и самоблокирует счетчик DD2.2. Выйти из этого состояния счетчик может лишь после прихода на его вход R импульса обнуления. Сигнал с выхода счетчика DD2.2 после инвертирования элементом DD6.1 разрешает работу счетчика DD7, подсчитывающего секундные импульсы по их фронту. Еще через 7,5 с на выходе 8 этого счетчика появляется высокий уровень.

Таким образом, по прошествии 15,5 с после появления контрольного импульса на нижнем по схеме входе элемента DD6.3 возникнет высокий уровень, удерживающийся в течение 1 с (диагр. 4), если за это время не изменяется режим входов счетчика DD7.

При появлении очередного контрольного импульса (спустя 16 с после предыдущего) он переключает в нулевое состояние триггер DD5.2, DD5.3 и звуковой сигнал прекращается. Импульс не проходит через элементы DD6.3, DD6.4, поскольку на нижнем входе элемента DD6.3 высокий уровень.

В момент прихода контрольного импульса все счетчики, в том числе и DD7, обнуляются, однако на нижнем входе элемента DD6.3 благодаря действию цепи VD7R16C30 смена высокого уровня низким задерживается примерно на 200 мкс. Это гарантирует запрет прохождения короткого контрольного импульса (его длительность около 30 мкс) на вход S триггера DD5.2, DD5.3. Поэтому при поступлении контрольных импульсов триггер остается в нулевом состоянии и сигнал не звучит. Описанный процесс проиллюстрирован на рис. 4 сплошными пиниями.

В случае, если очередной контрольный импульс через 16±0,5 с не поступит, работа устройства будет происходить так, как показано на рис. 4 пунктирными линиями. Высокий уровень, появившийся спустя 16,5 с на выходе 9 счетчика DD7, установит триггер DD5.2, DD5.3 в единичное состояние и зазвучит сигнал. Он прекратится лишь тогда, когда на приемник придут два импульса с интервалом между ними 16 с.

Сигнал также зазвучит, если импульс проявится раньше 15,5 с после предыдущего, поскольку не будет запрета со стороны выхода 8 счетчика DD7 на его прохождение через элемент DD6.3.

Таким образом, при систематическом приходе сигналов с частотой модуляции 1024 Гц и периодом 16 с система находится в дежурном режиме, светодиод HL1 на его передней панели вспыхивает, индицируя исправность радиосторожа в целом и прохождение радиосигналов. При любом отклонении от указанного ритма начинает звучать сигнал. Непрерывное свечение светодиода HL1 означает срабатывание какого-либо охранного датчика, а отсутствие свечения - прекращение работы передатчика или ухудшение прохождения радиоволн ниже допустимого уровня.

Литература

1. Виноградов Ю. Радиоканал охранной сигнализации. Передающий блок. - Радио, 1995, № 1,0.37-40.
2. Алексеев С. Применение микросхем серии К176. - Радио, 1985, № 5, с. 36 -40.
3. Радиоохранные устройства. Минск, НТК "Инфотех", 1992, 12с. I
4. Алексеев С. Применение микросхем серии К561. - Радио, 1987, № 1, с. 43-45. Радио 4/2000, с.33-35

Автор: С. Бирюков, г. Москва; Публикация: Н. Большаков, rf.atnn.ru

Смотрите другие статьи раздела Автомобиль. Охранные устройства и сигнализация.

Читайте и пишите полезные комментарии к этой статье.

<< Назад

Последние новости науки и техники, новинки электроники:

Власть является ключевым фактором счастья в отношениях 11.03.2026

Исследования семейных и романтических отношений показывают, что длительное счастье пары зависит не только от привычных факторов, таких как доверие, уважение и преданность, но и от более тонких психологических аспектов. Современные ученые ищут закономерности, которые отличают действительно счастливые пары от остальных, чтобы понять, какие механизмы поддерживают гармонию в отношениях. Группа исследователей из Университета Мартина Лютера в Галле-Виттенберге и Бамбергского университета провела опрос среди 181 пары, которые состояли в совместных отношениях более восьми лет и прожили вместе хотя бы месяц. Участники заполняли анкету, описывая различные аспекты своих отношений, включая распределение обязанностей, эмоциональную поддержку и степень вовлеченности в совместные решения. Анализ данных показал интересный паттерн: пары, где оба партнера ощущали высокий уровень личной власти, оказывались наиболее счастливыми и удовлетворенными. В данном контексте под властью понимается способност ...>>

Защищенная колонка-повербанк Anker Soundcore Boom Go 3i 11.03.2026

Компания Anker представила новую модель линейки Soundcore - колонку Soundcore Boom Go 3i, ориентированную на активное использование на улице. Новинка отличается высокой степенью защиты: корпус соответствует стандарту IP68, что обеспечивает водо- и пыленепроницаемость, а ударопрочный дизайн выдерживает падение с высоты до одного метра. За качество звука отвечает 15-ваттный драйвер, обеспечивающий пик громкости до 92 дБ, а технология BassUp 2.0 усиливает низкие частоты, делая звучание более насыщенным. Колонка обладает автономностью до 24 часов, а LED-индикатор позволяет контролировать уровень заряда батареи. Кроме того, Soundcore Boom Go 3i может выполнять функцию павербанка: согласно внутренним тестам, устройство способно зарядить iPhone 17 с нуля до 40% за один час, что делает его полезным аксессуаром в походах и поездках. Среди функциональных особенностей модели стоит выделить технологию Auracast, которая улучшает подключение и позволяет создавать стереопару из двух колонок ...>>

Раннее воздержание от алкоголя перестраивает мозг и иммунитет 10.03.2026

Алкогольная зависимость - хроническое расстройство с компульсивным употреблением спиртного, которое влияет не только на поведение, но и на функционирование мозга и иммунной системы. Недавние исследования показали, что даже на ранних этапах воздержания организм начинает перестраиваться, открывая новые возможности для терапии зависимости. Ученые сосредоточились на пациентах, находящихся в первые недели абстиненции, и зафиксировали значительные изменения в мозговой активности. С помощью функциональной магнитно-резонансной томографии они выявили перестройку сетей нейронных связей, отвечающих за контроль импульсов и принятие решений. Эти изменения могут быть ключевыми для восстановления самоконтроля и снижения риска рецидива. Одновременно с нейронной перестройкой исследователи наблюдали колебания иммунной системы. В крови повышался уровень цитокинов - сигнальных белков, регулирующих воспалительные процессы. Эти данные свидетельствуют о существовании нейроиммунного взаимодействия, при ...>>

Случайная новость из Архива

Гелеобразный лед - самая легкая форма воды 16.09.2017

Кубики льда, которые вы достаете из своего морозильника, является лишь одним из 17 видов льда, известных ученым на сегодняшний день. Но в данный момент ученые в из университета Окаямы, Япония, ведут работы, нацеленные на получение еще одной, 18-й формы льда, которая станет самой легкой формой воды на сегодняшний день. Изучение образцов "аэрольда", своего рода ледяного аэрогеля, позволит ученым выяснить некоторые тонкости поведения воды, помещенной в чрезвычайные условия окружающей среды.

Нормальный лед получается при охлаждении воды в условиях нормального атмосферного давления, при этом молекулы воды формируют кристаллическую решетку с шестигранной ячейкой. Однако, уровень давления и скорость изменения температуры могут заставить молекулы воды формировать отличную от шестигранной кристаллическую решетку, в атмосфере Земли достаточно часто формируется так называемый кубический лед. А в атмосферах других планет могут формироваться и еще более экзотические формы льда.

При повышении давления в момент замораживания образуется лед с плотностью, превышающей плотность нормального льда. Естественно, что при понижении давления начинает формироваться менее плотный лед, структура которого напоминает "ледяную сахарную вату". В настоящее время ученым были известны лишь две формы льда с малой плотностью, которые имеют плотность в 50 и 90 процентов от плотности нормального льда.

Ученые произвели ряд вычислений, в которых использовалось более 300 видов наноструктур, состоящих из молекул воды, которые могут формироваться в условиях низкого давления. Согласно полученным результатам, все кристаллы такого льда сохраняют свою стабильность лишь при температуре, приближающейся к температуре абсолютного нуля, при повышении температуры кристаллы утрачивают стабильность, что приводит к изменению их структуры. Наименее плотная форма льда имеет структуру, узлы которой связаны достаточно длинными "палками" из молекул воды. Между узлами присутствует большое пустое пространство, заполняемое воздухом, что и определяет крайне малую плотность такого материала в целом.

Компьютерное моделирование позволит найти бесчисленное количество форм льда. Однако, получение образцов такого льда связано со многими трудностями из-за малого давления и крайне низких температур, при которых может формироваться и существовать такой лед. "Наши расчеты дали нам цель для дальнейших исследований. В скором времени мы рассчитаем весь необходимый ряд условий окружающей среды и попытаемся получить первые образцы новых форм льда, изучение которых поможет нам понять поведение молекул воды в экстремальных условиях".

Другие интересные новости:

▪ Neurolink - мозговой мини-имплант

▪ Понедельник - не самый тяжелый день

▪ Смартфон со встроенным тепловизором

▪ Щитовидка в желе

▪ Набор модулей памяти G.Skill Ripjaws 4 DDR4-2800

Лента новостей науки и техники, новинок электроники

 

Интересные материалы Бесплатной технической библиотеки:

▪ раздел сайта Бытовая электроника. Подборка статей

▪ статья Ни на йоту. Крылатое выражение

▪ статья Какой язык - единственный пример успешного воскрешения из мертвых? Подробный ответ

▪ статья Пихта сибирская. Легенды, выращивание, способы применения

▪ статья Электропаяльники. Энциклопедия радиоэлектроники и электротехники

▪ статья Самые экономичные индикаторы. Энциклопедия радиоэлектроники и электротехники

Оставьте свой комментарий к этой статье:

Имя:


E-mail (не обязательно):


Комментарий:





Главная страница | Библиотека | Статьи | Карта сайта | Отзывы о сайте

www.diagram.com.ua

www.diagram.com.ua
2000-2026