Menu Home

Бесплатная техническая библиотека для любителей и профессионалов Бесплатная техническая библиотека


Новый способ формирования SSB сигнала. Энциклопедия радиоэлектроники и электротехники

Бесплатная техническая библиотека

Энциклопедия радиоэлектроники и электротехники / Гражданская радиосвязь

Комментарии к статье Комментарии к статье

В радиолюбительской связной аппаратуре широко используются в основном два способа формирования однополосного сигнала - фильтровый и фазовый [1]. Третий - фазофильтровый пока не получил распространения. Все они относятся к "прямым" методам, которые характеризуются тем, что звуковой сигнал после ряда частотных преобразований превращается в однополосный.

Особое место занимает "синтетический" способ формирования SSB сигнала, предложенный М. Верзуновым [2]. Его суть состоит в следующем. Из исходного звукового формируют SSB сигнал (любым способом) на сравнительно низкой вспомогательной частоте, где легко подавить несущую и ненужную боковую полосу. Сформированный сигнал детектируют двумя детекторами - амплитудным и частотным, на выходе которых выделяются напряжения, пропорциональные мгновенной амплитуде и мгновенной частоте SSB сигнала. Задающий генератор передатчика, возбуждаемый на рабочей частоте, модулируется по частоте напряжением с выхода частотного детектора. В выходном каскаде передатчика излучаемый сигнал модулируется еще и по амплитуде напряжением с выхода амплитудного детектора. При правильно подобранных коэффициентах модуляции на рабочей частоте образуется и поступает в антенну обычный SSB сигнал.

К достоинствам "синтетического" метода следует отнести возможность формирования SSB сигнала на сколь угодно высокой частоте и малое содержание побочных продуктов (комбинационных частот) в выходном сигнале. Кроме того, большинство ВЧ каскадов передатчика может работать в режиме класса С с высоким КПД. К недостаткам способа следует отнести недопустимость относительного фазового сдвига управляющих сигналов в каналах модуляции частоты и амплитуды и необходимость достаточно точно воспроизводить амплитуды и частоты синтезированного сигнала, что предъявляет жесткие требования к линейности амплитудно-частотных характеристик детекторов и модуляторов. Последний недостаток в частотном канале частично устраняется, когда при управлении частотой задающего генератора используется система ФАПЧ.

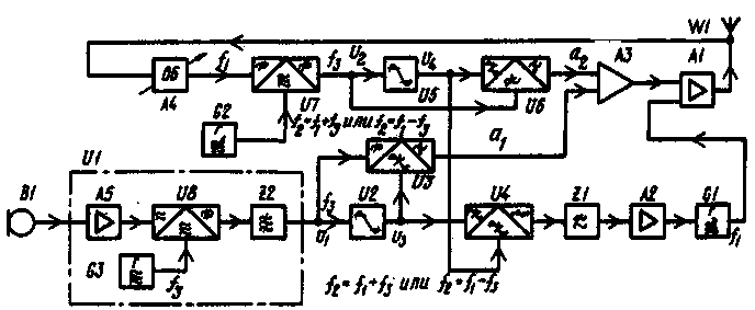
Сравнительно недавно в печати появились краткие сообщения о разработке в Англии новой схемы формирования SSB сигнала "синтетическим" способом с использованием техники автоматического регулирования [3], позволившей в значительной мере устранить описанные недостатки способа. Авторы (V. Petrovic и W. Gosling) назвали новый передатчик "Polar loop SSB transmitter", имея в виду, скорее всего, векторное представление SSB сигнала в полярных координатах. Структурная схема передатчика показана на рис. 1.

Новый способ формирования SSB сигналаА
Рис.1 (нажмите для увеличения)

Его высокочастотная часть проста - содержит задающий генератор G1, настроенный на рабочую частоту f,, и усилитель мощности А1, связанный с антенной W1. Низкочастотная часть аппарата сложнее. В нее входит формирователь вспомогательного SSB сигнала U1, преобразующий звуковой сигнал с микрофона В1 в однополосный на какой-либо сравнительно низкой частоте, например 500 кГц. Формирователь U1 может содержать микрофонный усилитель А5, балансный модулятор U8. опорный генератор G3 на частоту 500 кГци электромеханический фильтр Z2.

Сформированный низкочастотный SSB сигнал Ui подается на ограничитель U2 и синхронный детектор U3, на выходе которого выделяется напряжение. пропорциональное амплитуде SSB сигнала а1. Таким образом, элементы U2 и U3 выполняют функции амплитудного детектора. Разумеется, можно было бы применить и обычный детектор огибающей, но его линейность хуже, а ограничитель все равно нужен для дальнейших преобразований сигнала.

Теперь посмотрим на структурную схему передатчика "с другой стороны", с выхода. Часть выходного ВЧ сигнала через аттенюатор А4 поступает на преобразователь частоты U7, гетеродином которого служит синтезатор частот G2 или какой-либо иной высокостабильный генератор. Его частоту f, устанавливают равной разности или сумме рабочей частоты f1 и вспомогательной низкой частоты f3. В этом случае после преобразования выделится сигнал с частотой, равной частоте сформированного низкочастотного сигнала (в нашем примере 500 кГц). Предположим, что рабочая частота f1 равна 28 500 кГц. тогда частота синтезатора G2 должна быть 28 000 или 29 000 кГц. Преобразованный сигнал подается на ограничитель U5 и синхронный детектор U6. аналогичные узлам U2 и U3. На выходе синхронного детектора U6 выделяется напряжение. пропорциональное амплитуде излучаемого сигнала а2. Оба напряжения, а1 и a2 поступают на дифференциальный мод модуляционного усилителя постоянного тока A3 и управляют амплитудой ВЧ сигнала в усилителе мощности А1. Таким образом, образуется замкнутая петля слежения за амплитудой излучаемого сигнала.

На работу петли мало влияют коэффициенты передачи синхронных детекторов и других звеньев. Более того, чем больше коэффициент усиления в петле (определяемый в основном усилителем A3), тем точнее отслеживается амплитуда выходного сигнала при условии, что фазовые сдвиги сигнала регулирования в петле невелики (иначе петля может самовозбудиться). Необходимая пиковая выходная мощность передатчика устанавливается аттенюатором А4.

Рассмотрим работу канала слежения за частотой. Ограниченный SSB сигнал Из и преобразованный по частоте и также ограниченный выходной сигнал U4 поступает на фазовый детектор U4, где сравниваются между собой по фазе. Выходное напряжение фазового детектора. пропорциональное разности фаз, через фильтр нижних частот Z1 и усилитель постоянного тока А2 воздействует на варикап, включенный в контур задающего генератора передатчика G1. Узлы U4, Z1. А2 и варикап входят, таким образом, в петлю ФАПЧ, устанавливающую точное равенство частот вспомогательного SSB сигнала ч преобразованного выходного. Необходимо только, чтобы при включении передатчика частота задающего генератора попала в поносу захвата петли ФАПЧ (которая может составлять десятки и сотни килогерц), дальнейшее слежение происходит автоматически. В паузах речевого сигнала система подстраивается под частоту подавленной несущей f3, остаток которой имеется на выходе вспомогательного формирователя SSB сигнала U1. Выходной каскад передатчика в паузах закрыт благодаря работе петли слежения за амплитудой.

Суть работы всей системы, таким образом, сводится к следующему: формируется вспомогательный SSB сигнал на частоте f3 (узлом U1), излучаемый сигнал преобразуется в эту же частоту (элементы U7, G2), и две петли автоматического слежения за амплитудой и частотой устанавливают равенство амплитуд и фаз вспомогательного и излучаемого SSB сигналов. В результате излучается SSB сигнал, в точности соответствующий вспомогательному, но на значительно более высокой частоте f1. Работу системы можно пояснить и векторной диаграммой в полярных координатах г и ф, показанной на рис. 2.

Новый способ формирования SSB сигналаА
Рис.2

Вектор U1 изображает вспомогательный SSB сигнал. Длина а, этого вектора соответствует амплитуде, а угол ф1 - фазе. Преобразованный по частоте выходной сигнал передатчика изображен как вектор U2. Система регулирования амплитуды стремится установить равенство длин векторов U1 и U2, а система ФАПЧ - равенство их фаз. При идеальном отслеживании векторы совпадают, и преобразованный сигнал в точности соответствует сформированному.

Практически всегда имеется некоторая ошибка слежения, которая уменьшается при повышении усиления в петлях регулирования.

При реализации ВЧ часть передатчика получается исключительно простой. Выходной каскад может работать в режиме класса С с высоким КПД. Не требуется и высокой линейности амплитудного и частотного модуляторов, поскольку глубокая отрицательная обратная связь в петлях регулирования линеаризует систему и значительно уменьшает нелинейные искажения. К стабильности задающего генератора G1 также не предъявляется особых требований, поскольку его частоту стабилизируют системой ФАПЧ. Передатчик перестраивается по частоте синтезатором G2. Изобретатели нового "синтетического" способа сообщают, что ВЧ часть передатчика совершенно нечувствительна к пульсациям питающих напряжений, изменениям номиналов элементов и т. д. Главным же достоинством передатчика является очень высокая чистота выходного спектра, что в условиях современного эфира особенно важно. Побочных частот (кроме гармоник) передатчик не излучает. При испытании двухтональным сигналом уровень побочных составляющих оказался ниже -50 дБ. а в обычных фильтровых SSB передатчиках он редко опускается ниже -30...-35дБ. Передатчик проверяли на частоте 99.5 МГц при излучаемой мощности 13...20 Вт.

Представляется, что новый способ формирования SSB заинтересует радиолюбителей высокими качественными параметрами. Просматривается и возможность "трансиверизации" описанного передатчика. Например, элементы U7 и G2 (см. рис.1) могут служить преобразователем частоты приемной части трансивера. К выходу преобразователя U7 при приеме подключается обычный тракт усиления ПЧ н SSB детектор, а опорный сигнал для последнего можно взять из блока формирования вспомогательного SSB сигнала U1. Можно осуществить и двойное преобразование принимаемой частоты f1 а частоту f3, используя первый кварцевый и второй перестраиваемый гетеродины, как часто делают в радиолюбительских приемниках и трансиверах. Вся система формирования SSB сигнала будет работать в этом случае на второй ПЧ приемника.

Литература

  1. Бунимович С,. Яйленко Л. Техника любительской однополосной радиосвязи. М.: ДОСААФ СССР. 1970,
  2. Верзунов М. В. Однополосная модуляция в радиосвязи.-- М.: Воениздат, 1972.
  3. Hawker P. Polar loop SSB transmitter". Radio Communication; 1979. Sept.. p. 828 - 829.

Автор: В. Поляков (RA3AAE) г. Москва; Публикация: Н. Большаков, rf.atnn.ru

Смотрите другие статьи раздела Гражданская радиосвязь.

Читайте и пишите полезные комментарии к этой статье.

<< Назад

Последние новости науки и техники, новинки электроники:

Хорошо управляемые луга могут компенсировать выбросы от скота 15.02.2026

Животноводство, особенно разведение крупного рогатого скота, часто обвиняют в значительном вкладе в глобальное потепление из-за мощного парникового газа - метана, который выделяется при пищеварении у жвачных животных. Это вызывает острые политические споры и призывы к сокращению потребления мяса. Однако ученые напоминают, что полная картина климатического воздействия отрасли не ограничивается только выбросами от животных: огромную роль играет окружающая экосистема - пастбища, почва и растительность, которые способны активно поглощать углекислый газ из атмосферы. Исследователи из Университета Небраски-Линкольна решили глубже изучить этот баланс. Группа под руководством профессора Галена Эриксона сосредоточилась на том, как правильно организованные пастбища накапливают углерод в растениях и грунте благодаря естественным процессам, стимулируемым выпасом скота. Ученые подчеркивают, что при достаточном уровне осадков и грамотном управлении такие луга превращаются в мощные природные погло ...>>

NASA тестирует инновационную технологию крыла 15.02.2026

Коммерческая авиация ежегодно расходует колоссальные объемы керосина, что сказывается не только на бюджете авиакомпаний, но и на состоянии окружающей среды. В 2024 году глобальные затраты на авиационное топливо достигли 291 миллиарда долларов, и эта сумма продолжает расти. Чтобы справиться с этими вызовами, NASA активно работает над технологиями, способными заметно повысить аэродинамическую эффективность самолетов. Одним из самых перспективных направлений стало создание специальной конструкции крыла, которая максимизирует естественный ламинарный поток воздуха и минимизирует сопротивление. В январе 2026 года специалисты NASA Armstrong Flight Research Center успешно провели важный этап наземных испытаний концепции Crossflow Attenuated Natural Laminar Flow (CATNLF). Для эксперимента под фюзеляж исследовательского самолета F-15B закрепили вертикально ориентированную масштабную модель высотой около 0,9 м (3 фута), напоминающую узкий киль. Такая компоновка позволила подвергнуть прототип р ...>>

Забота о внуках очень полезна для здоровья мозга 14.02.2026

Общение между поколениями приносит радость всей семье, но мало кто задумывается, насколько активно бабушки и дедушки, заботящиеся о внуках, поддерживают свою умственную форму. Регулярное взаимодействие с детьми стимулирует мозг пожилых людей, помогая сохранять память, скорость мышления и общую когнитивную активность. Новые научные данные подтверждают, что такая добровольная помощь не только важна для общества, но и может замедлять возрастные изменения в мозге. Исследователи из Тилбургского университета в Нидерландах провели анализ, чтобы понять, приносит ли уход за внуками реальную пользу здоровью пожилых людей. Ведущий автор работы Флавия Черечес отметила, что многие бабушки и дедушки регулярно присматривают за детьми, и оставался открытым вопрос, насколько это положительно сказывается на их собственном благополучии, особенно в плане когнитивных функций. Ученые поставили цель выяснить, способен ли регулярный уход за внуками замедлить снижение памяти и других умственных способ ...>>

Случайная новость из Архива

Тонкие транзисторы для невидимой электронной кожи 29.06.2021

Ученые стали на шаг ближе к созданию полноценной электронной кожи. Для достижения этой цели было разработано специальное нанопокрытие толщиной всего три атома, что делает его практически незаметным человеческому глазу.

Технология создана учеными из Стэнфорда. В будущем она позволит наладить выпуск транзисторов длиной менее 100 нанометров - в несколько раз меньше предыдущего рекорда. Прорыва удалось добиться, заменив гибкий пластик кремнием со сверхтонкой пленкой из дисульфида молибдена, покрытой золотыми электродами с нанопокрытием. На выходе получилась пленка толщиной всего три атома, созданная при температуре 815 градусов. Исследователи утверждают, что традиционная подложка деформировалась бы уже после достижения 360 градусов.

После остывания компонентов пленка наносится на подложку, а готовая структура в виде транзистора будет толщиной всего 5 микрон, или одна десятая диаметра человеческого волоса. Такая электронная кожа не требовательна к энергопотреблению и может выдерживать большие токи при низком напряжении. Важно учитывать, что она отвечает всем требованиям, предъявляемым к подобным изделиям: тонкая и практически незаметная.

Следующий этап исследований предполагает интеграцию беспроводных технологий, что позволит подключаться к сети без дополнительного оборудования. Кроме того, в планах создание методики массового производства, что в будущем позволит говорить о появлении высокоэффективной электронной кожи, имплантов и других гибких устройств.

Другие интересные новости:

▪ Электронная классная доска

▪ Американские военные учатся спасать раненых солдат

▪ Модуль памяти DDR5-4400

▪ Революционная технология записи на магнитную ленту

▪ Превращение воды в металл

Лента новостей науки и техники, новинок электроники

 

Интересные материалы Бесплатной технической библиотеки:

▪ раздел сайта Молниезащита. Подборка статей

▪ статья Дирак Поль. Биография ученого

▪ статья Чье тело, сожженное уже после смерти, распрямилось и село в костре? Подробный ответ

▪ статья Гололед. Советы туристу

▪ статья Сенсорный переключатель входов. Энциклопедия радиоэлектроники и электротехники

▪ статья Бумажные кольца. Секрет фокуса

Оставьте свой комментарий к этой статье:

Имя:


E-mail (не обязательно):


Комментарий:





Главная страница | Библиотека | Статьи | Карта сайта | Отзывы о сайте

www.diagram.com.ua

www.diagram.com.ua
2000-2026