Menu Home

Бесплатная техническая библиотека для любителей и профессионалов Бесплатная техническая библиотека


Аддитивный формирователь сигнала треугольной формы

Бесплатная техническая библиотека

Энциклопедия радиоэлектроники и электротехники / Узлы радиолюбительской техники. Генераторы, гетеродины

Комментарии к статье Комментарии к статье

Показана возможность синтеза сигнала треугольной формы путем сложения двух выпрямленных мостовыми схемами синусоидальных сигналов разной полярности, один из которых сдвинут по фазе относительно другого на 90°; приведены формулы, описывающие динамику процессов сложения сигналов; на основе теоретических выкладок создана схема устройства, синтезирующего сигнал треугольной формы.

Сигналы треугольной формы обычно получают в генераторах с использованием времязарядных RC-цепочек, цифроаналоговых преобразователей или синтетически программно-аппаратурным путем. При этом, как правило, трудно добиться высокой линейности и симметрии генерируемого сигнала, решить задачу удается за счет заметного повышения интеллектуально- и ресурсоемкости устройства [1-4].

Достаточно просто оказалось получить сигнал практически идеальной треугольной формы при использовании удвоителя частоты, схема которого была предложена в начале 70-х годов XX века (частное сообщение, удвоитель частоты С.И. Семенова). Принцип действия этого удвоителя основан на противофазном сложении двух выпрямленных мостовыми схемами синусоидальных сигналов, один из которых сдвинут по фазе относительно другого на 90°. Несмотря на простоту такого удвоителя частоты, до последнего времени практические его реализации и, тем более, аналитические исследования не выполнялись.

Компьютерное моделирование формы сигналов, снимаемых с выхода такого устройства, показало, что на выходе формирователя при обеспечении сдвига фазы 90° получается сигнал треугольной формы. Структурная схема аддитивного формирователя сигналов треугольной формы показана на рис. 1. Динамику электрических процессов, наблюдаемых в различных контрольных точках устройства, можно описать следующими выражениями:

U1(t) = U0 sin(wt),
U2(t) = U0 sin(wt + 90),
U3(t) = U0 abs[sin(wt + 90)],
U4(t) = -U0 abs(sin wt),
U5(t) = U0 {abs[sin(wt + 90)] - abs(sin wt)}.
В общем случае
Uвых(t) = U0 {abs[sin(wt + n90)] - abs(sin wt)}, n=1,3,5...
(1)
(2)
(3)
(4)
(5)

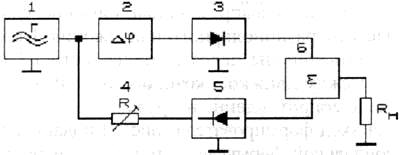
Аддитивный формирователь сигнала треугольной формы. Структурная схема формирователя
Рис.1. Структурная схема формирователя

Сигнал синусоидальной формы (1), снимаемый с выхода генератора 1 (рис. 1), подается на фазовращатель 2 и резистивный компенсатор напряжения 4. Сдвинутый по фазе на угол 90° синусоидальный сигнал (2) поступает на диодно-мостовую схему 3. Сигнал с компенсатора напряжения 4 подается на вторую обратно включенную диодно-мостовую схему 5. Таким образом, на выходах диодно-мостовых схем 3 и 5 формируются выпрямленные разнополярные сигналы (3) и (4). Эти сигналы суммируются в сумматоре 6, формируя при этом выходной сигнал треугольной формы (5) на сопротивлении нагрузки Rload - Диаграммы выходных сигналов при варьировании фазовых сдвигов представлены на рис.2.

Аддитивный формирователь сигнала треугольной формы. Диаграммы выходных сигналов
Рис.2. Диаграммы выходных сигналов

Практическая схема удвоителя частоты - формирователя сигналов треугольной формы изображена на рис.3. Входной сигнал синусоидальной формы через фазосдвигающую цепочку R1C1 поступает на первый выпрямительный мост (диоды VD1-VD4). Этот же сигнал через потенциометр R2 ("Компенсация") поступает на второй выпрямительный мост (диоды VD5-VD8).

Аддитивный формирователь сигнала треугольной формы. Принципиальная схема формирователя сигналов треугольной формы
Рис.3. Принципиальная схема формирователя сигналов треугольной формы

На выходах мостов относительно общей шины формируются выпрямленные сигналы удвоенной частоты разнополярного напряжения. Выходы мостов объединены через потенциометр R3 ("Баланс"), между движком которого и общей шиной включено сопротивление нагрузки.

На вход формирователя (рис.3) подают сигнал синусоидальной формы частотой 5 кГц и напряжением 2 В. Настройку устройства производят последовательно-поочередной регулировкой подстроечных элементов (резисторов R1-R3). Потенциометром R1 регулируют сдвиг фазы; R2 - компенсируют потери (затухание) сигнала при прохождении сигнала через фазовращающую цепочку; R3 - балансируют амплитуду смешиваемых сигналов. В итоге на выходе формируется сигнал треугольной формы удвоенной частоты (10 кГц).

Работа устройства была апробирована с использованием программы схемотехнического моделирования Electronics Workbench 5.12.

К достоинствам описанной схемы получения сигналов треугольной формы следует отнести ее простоту и высокую линейность выходного сигнала. В то же время близкий к идеальному вид выходного сигнала треугольной формы обеспечивается в узкой полосе частот, что обусловлено применением фазосдвигающих цепочек простейшего типа, предназначенных лишь для демонстрации принципа действия устройства. Диапазон рабочих частот, на которых способен работать формирователь, ограничен также частотными свойствами диодов выпрямителей (верхняя граница приблизительно соответствует значению 5...10% от предельной рабочей частоты используемых диодов).

Таким образом, для обеспечения требуемой формы сигналов элементы устройства должны отвечать некоторому набору требований, обусловленных наличием полупроводниковых нелинейных элементов:

- идеальность выпрямителей (линейность и идентичность их вольт-амперных характеристик);
- минимальная и равная емкость n-р переходов (идентичность вольт-емкостных характеристик).

Эти требования отчасти удовлетворяются при использовании высокочастотных германиевых точечных диодов одной партии изготовления, отобранных по критерию идентичности вольт-амперных и вольт-емкостных характеристик, а также при работе в области относительно низких частот (до единиц килогерц), использовании синусоидального сигнала высокой амплитуды (единицы...десятки вольт) и работе на согласованную нагрузку.

Улучшить форму пиков выходного сигнала (область малых напряжений выпрямленных сигналов, где наиболее отчетливо выражены нелинейные свойства полупроводниковых выпрямителей) можно за счет смещения рабочих точек диодов на линейный участок вольт-амперной характеристики подпиткой постоянным током.

Литература

  1. Бондарь В.А. Исследование линеаризации процесса заряда или разряда конденсатора в генераторах линейно изменяющегося напряжения: Автореф. дисс. На степень канд. техн. наук. - Томск: ТПИ, 1971.
  2. Ноткин Л.Р. Функциональные генераторы и их применение. - М.: Радио и связь, 1983.
  3. Граф Р., Шиите В. Энциклопедия электронных схем. Т. 7.Ч. И.-М.:ДМК,2000.
  4. Шустов М.А. Фазомодулированный генератор треугольного напряжения. - Радиолюбитель, 1999, № 5.

Автор: М.А. Шустов; Публикация: radioradar.net

Смотрите другие статьи раздела Узлы радиолюбительской техники. Генераторы, гетеродины.

Читайте и пишите полезные комментарии к этой статье.

<< Назад

Последние новости науки и техники, новинки электроники:

Психологическое состояние и старение 26.04.2026

Наука все чаще рассматривает старение не только как биологический процесс, но и как явление, тесно связанное с психологическим состоянием человека. Эмоциональное благополучие, уровень стресса и ощущение социальной включенности могут напрямую влиять на то, как быстро изнашивается организм на клеточном уровне. Китайские исследователи провели масштабный анализ данных людей старше 45 лет и обнаружили важную закономерность: такие факторы, как одиночество и субъективное ощущение несчастья, связаны с ускорением биологического старения примерно на 1,65 года. Иными словами, внутреннее эмоциональное состояние может "добавлять" организму лишний возраст даже при одинаковом паспортном возрасте. Чтобы получить более точную оценку биологического старения, ученые использовали комплексный подход. В их анализ вошли 16 биомаркеров крови, семь биометрических параметров, а также данные, связанные с биологическим полом участников. Такой набор позволил сформировать более многослойную картину состояния ...>>

BMW i7 2027 26.04.2026

Компания BMW представила обновленный флагманский седан BMW i7 модельного года 2027, который стал заметным шагом в эволюции линейки. Внешность автомобиля сохранила узнаваемые черты бренда, однако была переосмыслена в стилистике Neue Klasse. Фирменная решетка радиатора стала шире и ниже, получив светодиодную подсветку, а передняя оптика разделилась на два уровня: основные фары смещены вниз, а тонкие дневные ходовые огни расположены выше. Задняя часть получила удлиненные фонари и обновленный матовый логотип, подчеркивающий современный характер модели. Интерьер BMW i7 2027 года во многом строится вокруг новой системы Panoramic iDrive. Она выводит информацию на всю нижнюю часть лобового стекла, создавая расширенное поле визуализации данных для водителя. Центральную роль по-прежнему играет 17,9-дюймовый дисплей, а передний пассажир впервые получает собственный экран диагональю 14,6 дюйма, который автоматически затемняется при отвлечении водителя. Задняя часть салона остается ориенти ...>>

Новизна корма влияет на кошачий аппетит 25.04.2026

Пищевое поведение животных часто кажется простым, но на деле оно зависит от множества тонких сенсорных и когнитивных механизмов. Особенно это заметно у кошек, чьи предпочтения в еде могут меняться не только из-за насыщения, но и из-за восприятия вкуса и запаха. Новое исследование японских ученых позволило точнее понять, почему питомцы нередко оставляют корм в миске. В лабораторных условиях исследователи из Японии наблюдали за двенадцатью кошками, чтобы изучить, как меняется их аппетит при повторяющемся питании. Животным поочередно предлагали шесть видов промышленного сухого корма, обозначенных от A до F, что позволило сравнить их предпочтения и оценить стабильность потребления. В ходе экспериментов выяснилось, что корм F оказался наиболее привлекательным для кошек и заметно опережал остальные варианты по уровню потребления. Однако даже он не сохранял свою "привлекательность" при многократном повторении: когда один и тот же корм предлагали шесть раз подряд в течение двух часов, жи ...>>

Случайная новость из Архива

Музыка из паутины 26.04.2021

Ученые из Массачусетского технологического института (MIT) совместно с коллегами из Studio Tom&#225;s Saraceno изучили свойства паутины и преобразовали ее в музыку.

Доктор Маркус Бюлер, давно работающий над извлечением ритмоы и мелодий нечеловеческого происхождения из природных материалов, сравнил нити паутины с вибрирующими струнами. Паутина показалась исследователю весьма перспективным материалом.

Исследователи отсканировали паутину в процессе ее строительства с помощью лазера, чтобы получить двумерные поперечные сечения, а затем использовали компьютерные алгоритмы для восстановления трехмерной архитектуры паутины. Ее нитям были присвоены разные частоты звука, своеобразные ноты. Благодаря этому удалось исследовать временную последовательность построения сети в звуковой форме.

Осталось только натянуть нити на инструмент, похожий на арфу. На ней получилось сыграть музыку паутины - с необычными концертами ученые даже выступили перед публикой.

Знание структуры паутины и преобразование ее в музыку может иметь разное применение, считают ученые - от 3D-принтеров, которые смогут имитировать способность паука "печатать" паутину, до возможностей межвидового общения с пауками. Для этого, например, регистрировали вибрации сети, возникающие при ее создании, либо при общении с другими пауками или церемонии ухаживания за самками.

Также ученые создали виртуальную реальность, которая позволяет людям "входить" внутрь паутины, чтобы представить среду, в которой живет паук.

Другие интересные новости:

▪ Квантовые переключатели, управляемые единичными фотонами

▪ Суперкомпьютер производительностью 1,5 экзафлопс

▪ Транзисторы и электрические цепи толщиной в несколько атомов

▪ Вам звонят ваши таблетки

▪ Кабина для общения с голограммой собеседника

Лента новостей науки и техники, новинок электроники

 

Интересные материалы Бесплатной технической библиотеки:

▪ раздел сайта Электрик в доме. Подборка статей

▪ статья Роджер Бэкон. Знаменитые афоризмы

▪ статья Почему индийцы одно время усиленно разводили кобр, а затем резко перестали? Подробный ответ

▪ статья Георг Ом. Биография ученого

▪ статья Измеритель емкости аккумуляторов. Энциклопедия радиоэлектроники и электротехники

▪ статья Диапазон 88...108 МГц в старых приемниках. Энциклопедия радиоэлектроники и электротехники

[an error occurred while processing this directive] Оставьте свой комментарий к этой статье:

Имя:


E-mail (не обязательно):


Комментарий:





Главная страница | Библиотека | Статьи | Карта сайта | Отзывы о сайте

www.diagram.com.ua

www.diagram.com.ua
2000-2026