Menu Home

Бесплатная техническая библиотека для любителей и профессионалов Бесплатная техническая библиотека


Радиоудлинитель спутникового тюнера

Бесплатная техническая библиотека

Энциклопедия радиоэлектроники и электротехники / Телевидение

Комментарии к статье Комментарии к статье

Если к одному спутниковому ресиверу (видеомагнитофону или DVD-проигрывателю) подключено несколько телевизоров, размещенных в разных комнатах, то возникает проблема управления, поскольку применение ИК ПДУ возможно только в комнате, где установлен этот аппарат. В этой ситуации поможет "радиоудлинитель".

В большинстве случаев вся информация о режиме работы спутникового тюнера, видеомагнитофона или DVD-плейера выводится на экран телевизора, поэтому для того, чтобы управлять ими из удаленного помещения на расстоянии нескольких десятков метров, можно использовать "радиоудлинитель". Для его построения использованы схемотехнические решения, примененные в радиочастотных модулях радиоприемника и радиопередатчика, описание которых можно найти в журнале Радио (С. Петрусь. Радиочастотные модули. - Радио, 2007, № 2, с. 46, 47).

Радиоудлинитель спутникового тюнера
Рис. 1

Устройство состоит из двух узлов: первый - это приемник ИК сигналов с радиопередатчиком, преобразующий сигналы ИК ПДУ в радиосигнал, и второй - приемник радиосигнала с ИК излучателем, который осуществляет обратное преобразование. Первый узел устанавливают рядом с телевизором, а второй - рядом с управляемым аппаратом.

Схема первого узла показана на рис. 1. Приемник ИК сигналов собран на специализированном модуле TSOP1736 (В1), на его выходе формируются прямоугольные импульсы с логическими уровнями, по длительности соответствующие принимаемым пачкам импульсов ИК излучения от ПДУ. Эти импульсы поступают на базу транзистора VT1, который работает в ключевом режиме и управляет работой задающего генератора на транзисторе VT2 и выходного каскада на транзисторе VT3.

Задающий генератор собран по схеме емкостной трехточки, его частота (433,92 МГц) стабилизирована ПАВ-ре-зонатором ZQ1.

Радиоудлинитель спутникового тюнера
Рис. 2

При нажатии на кнопки ИК ПДУ сигналы принимаются модулем В1 и на его выходе появляются сигналы прямоугольной формы. При низком уровне на выходе модуля В1 транзистор VT1 откроется и импульс открывающего напряжения через ФНЧ R2C2R5 поступает на базу транзистора VT2 - задающий генератор начнет работать. Одновременно этот импульс через диод VD1 и ФНЧ R4C3R6 поступает на базу транзистора VT3, и ток коллектора возрастет, что увеличивает его коэффициент усиления. Усиленный сигнал через согласующий контур C8L3C10 поступает в антенну. При высоком уровне на выходе модуля В1 транзисторы VT1, VT2 закрываются, задающий генератор прекращает работу и ВЧ сигнал в антенну не поступает. Так формируется импульсный ВЧ сигнал, который по временным параметрам аналогичен пачкам импульсов, излучаемых И К ПДУ. Через резисторы R3, R4, R6 напряжение смещения поступает на базу транзистора VT3, и он постоянно находится в открытом состоянии при токе коллектора 7... 10 мА, это уменьшает искажения усиливаемого сигнала. Напряжение питания всех каскадов стабилизировано интегральным стабилизатором напряжения на микросхеме DA1.

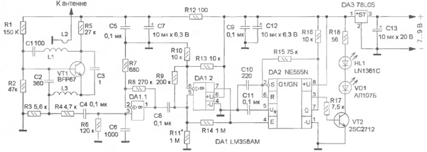
Схема второго узла показана на рис. 2. Он состоит из сверхрегенеративного каскада на транзисторе VT1, усилителя на ОУ DA1.1, компаратора на ОУ DA1.2, генератора прямоугольных импульсов на микросхеме DA2 и ключевого каскада на транзисторе VT2. Связь сверхрегенеративного каскада с антенной - индуктивная. Принятый и продетектированный импульсный сигнал с эмиттера транзистора VT1 через ФНЧ R4C6 поступает на вход усилителя и после усиления - на вход компаратора. Выходной сигнал компаратора управляет работой генератора импульсов. Напряжение питания стабилизировано стабилизатором напряжения DA3.

Радиоудлинитель спутникового тюнера
Рис. 3

Когда на вход сверхрегенеративного каскада поступит сигнал передатчика, на выходе компаратора появится высокий уровень и генератор импульсов на микросхеме начнет работать. Импульсы с частотой следования около 36 кГц через резистор R17 поступают на базу транзистора VT2, импульсный ток протекает через излучающий диод ИК диапазона VD1 и светодиод HL1, который светит. Если на входе сверхрегенеративного каскада сигнала нет, на выходе компаратора низкий уровень, генератор импульсов не работает и транзистор VT2 закрыт. Так формируются импульсы ИК излучения, по своей структуре аналогичные импульсам ИК ПДУ. Они поступают на ИК приемник управляемой аппаратуры (тюнер, видеомагнитофон и т. д.).

В устройстве применены в основном детали для поверхностного монтажа: резисторы Р1-12 типоразмера 0805 или 1206, конденсаторы - К10-17в или аналогичные импортные. Все катушки бескаркасные и намотаны на оправке диаметром 3 мм. В радиопередатчике они содержат по 5 витков провода ПЭВ-2 0,35, причем L1 и L2 намотаны виток к витку, a L3 - с шагом 0,7... 1 мм. В сверхрегенеративном каскаде катушки L1, L2 намотаны проводом ПЭВ-2 0,67 и содержат 10 и 2,5 витка соответственно, на плате их размещают вплотную друг к другу, катушка L3 намотана проводом ПЭВ-2 0,2, содержит 30 витков и для прочности залита небольшим количеством термоклея. Антенной служит отрезок провода ПЭВ-2 0,67 длиной около 16 см.

Все детали монтируют с одной стороны печатных плат из двух сторонне фольгированного стеклотекстолита толщиной 1 мм. Чертеж платы ИК приемника с радиопередатчиком показан на рис. 3, а платы радиоприемника с И К излучателем - на рис. 4. Фольга с одной стороны оставлена полностью (кроме площадок вокруг отверстий для выводов ИК модуля TSOP1736, микросхем 78L05, NE555N, транзистора 2SC2712) и используется в качестве общего провода. Через остальные отверстия металлизированные поверхности сторон соединены отрезками луженого провода. Платы помещают в корпусы подходящего размера, в которых делают отверстия для ИК модуля, излучающего диода и антенн. Для питания узлов можно применить сетевые блоки питания с выходным напряжением 7...9 В и током до 100 мА.

Налаживание узла передатчика с ИК приемником заключается в настройке антенного контура путем сжатия или растяжения витков катушки L3 по максимуму излучаемого сигнала. Его можно контролировать с помощью простейшего индикатора напряженности поля или применить узел радиоприемника, удалив его на некоторое расстояние. В процессе налаживания ИК модуль нужно облучать импульсами от ПДУ.

Радиоудлинитель спутникового тюнера
Рис. 4

Настройка узла радиоприемника с ИК излучателем на частоту передатчика производится сжатием или раздвиганием витков контурной катушки L1 до получения максимальной чувствительности. В процессе настройки принимаемый сигнал удобно контролировать на выходе ОУ DA1.1, подключив к нему УЗЧ с наушниками или громкоговорителем. Если наблюдается свечение контрольного светодиода HL1 после прекращения работы радиопередатчика, следует подобрать резистор R11 так, чтобы светодиод погасал сразу же по окончании работы радиопередатчика.

Для управления одним аппаратом из нескольких комнат в каждой из них следует установить узел ИК приемника с радиопередатчиком или сделать такой узел мобильным и носить его с собой. Причем располагают его в пределах действия ИК ПДУ. Радиоприемник с ИК излучателем помещают рядом с управляемым аппаратом так, чтобы излучающий диод ИК диапазона "облучал" переднюю панель этого аппарата.

Автор: С. Петрусь, г. Кременчуг, Украина; Публикация: radioradar.net

Смотрите другие статьи раздела Телевидение.

Читайте и пишите полезные комментарии к этой статье.

<< Назад

Последние новости науки и техники, новинки электроники:

Хорошо управляемые луга могут компенсировать выбросы от скота 15.02.2026

Животноводство, особенно разведение крупного рогатого скота, часто обвиняют в значительном вкладе в глобальное потепление из-за мощного парникового газа - метана, который выделяется при пищеварении у жвачных животных. Это вызывает острые политические споры и призывы к сокращению потребления мяса. Однако ученые напоминают, что полная картина климатического воздействия отрасли не ограничивается только выбросами от животных: огромную роль играет окружающая экосистема - пастбища, почва и растительность, которые способны активно поглощать углекислый газ из атмосферы. Исследователи из Университета Небраски-Линкольна решили глубже изучить этот баланс. Группа под руководством профессора Галена Эриксона сосредоточилась на том, как правильно организованные пастбища накапливают углерод в растениях и грунте благодаря естественным процессам, стимулируемым выпасом скота. Ученые подчеркивают, что при достаточном уровне осадков и грамотном управлении такие луга превращаются в мощные природные погло ...>>

NASA тестирует инновационную технологию крыла 15.02.2026

Коммерческая авиация ежегодно расходует колоссальные объемы керосина, что сказывается не только на бюджете авиакомпаний, но и на состоянии окружающей среды. В 2024 году глобальные затраты на авиационное топливо достигли 291 миллиарда долларов, и эта сумма продолжает расти. Чтобы справиться с этими вызовами, NASA активно работает над технологиями, способными заметно повысить аэродинамическую эффективность самолетов. Одним из самых перспективных направлений стало создание специальной конструкции крыла, которая максимизирует естественный ламинарный поток воздуха и минимизирует сопротивление. В январе 2026 года специалисты NASA Armstrong Flight Research Center успешно провели важный этап наземных испытаний концепции Crossflow Attenuated Natural Laminar Flow (CATNLF). Для эксперимента под фюзеляж исследовательского самолета F-15B закрепили вертикально ориентированную масштабную модель высотой около 0,9 м (3 фута), напоминающую узкий киль. Такая компоновка позволила подвергнуть прототип р ...>>

Забота о внуках очень полезна для здоровья мозга 14.02.2026

Общение между поколениями приносит радость всей семье, но мало кто задумывается, насколько активно бабушки и дедушки, заботящиеся о внуках, поддерживают свою умственную форму. Регулярное взаимодействие с детьми стимулирует мозг пожилых людей, помогая сохранять память, скорость мышления и общую когнитивную активность. Новые научные данные подтверждают, что такая добровольная помощь не только важна для общества, но и может замедлять возрастные изменения в мозге. Исследователи из Тилбургского университета в Нидерландах провели анализ, чтобы понять, приносит ли уход за внуками реальную пользу здоровью пожилых людей. Ведущий автор работы Флавия Черечес отметила, что многие бабушки и дедушки регулярно присматривают за детьми, и оставался открытым вопрос, насколько это положительно сказывается на их собственном благополучии, особенно в плане когнитивных функций. Ученые поставили цель выяснить, способен ли регулярный уход за внуками замедлить снижение памяти и других умственных способ ...>>

Случайная новость из Архива

Клонированные овцы стареют, как обычно 03.08.2016

Самая известная в мире овца - овечка Долли - родилась в 1996 году в результате процедуры, названной перенос ядра. Суть ее в том, что из яйцеклетки вынимают ядро с ее собственным генетическим материалом, а взамен него вносят чужое ядро, взятое, как в случае овечки Долли, из клетки вымени другой овцы.

Как известно, число хромосом в половых клетках, в сперматозоидах и в яйцеклетках, гаплоидное, то есть одинарное. При оплодотворении в яйцо со сперматозоидом приходит еще один одинарный набор, отцовский, и, обретя двойной, то есть диплоидный набор хромосом, яйцеклетка запускает программу развития организма. Обычные же клетки, из которых состоит все тело, содержат именно двойной хромосомный набор.

В случае пересадки ядра, когда в яйце оказывался диплоидный набор хромосом из вымени взрослой овцы, яйцеклетка тоже начинала делиться, как если бы ее оплодотворили; чтобы получить полноценную овцу, развивающееся яйцо вводили суррогатной матери. Яйцеклетку брали от одного животного, клетку вымени - от другого, но в результате получалась копия - клон - того, от кого взяли генетический материал. Стоит также добавить, что овца, чьей копией стала Долли, на момент эксперимента была уже мертва, а ее клетки хранились в замороженном виде.

Долли оставила после себя шесть ягнят, но прожила вдвое меньше (6,5 лет), чем в среднем живут овцы - у нее развился остеоартрит, а вскоре ее вообще пришлось усыпить из-за прогрессирующего легочного заболевания, вызванного вирусом. И, хотя в ее болезнях винили не процедуру клонирования, а условия содержания, все равно оставались подозрения, что у организма, появившегося на свет таким путем, будут какие-то неполадки в генах и клетках, и что он будет стареть быстрее.

Но Долли была не одна: спустя несколько лет та же команда исследователей получила еще 17 клонированных овец, причем некоторые из них несли в себе тот же генетический материал, что и Долли, и происходили из тех же образцов ткани, что и она. Ученый Кевин Синклер (Kevin Sinclair) и его коллеги из Университета Ноттингема, сообщают, что ныне живущие клонированные семи-девятилетние животные по физиологическому состоянию ничем не отличаются от обычных овец.

Тех и других сравнивали по целому ряду параметров, среди которых были и кровяное давление, и состояние скелетных мышц, и метаболические показатели, а состояние суставов на предмет артрита оценивали с помощью томографии. Выяснилось, что и давление, и уровень сахара в крови, и чувствительность тканей к инсулину (по которой можно судить об угрозе диабета второго типа) у всех клонированных экземпляров находятся в норме свойственной для их возраста; у некоторых, правда, были некоторые признаки артрита, но в клиническом виде от этого заболевания никто не страдал. Так что вполне можно сделать вывод, что никакого ускоренного старения с клонированными организмами не происходит.

Другие интересные новости:

▪ Выведены яйца, не вызывающие аллергии

▪ Алмаз тверже алмаза

▪ Искусственная сетчатка на фотоэлементах

▪ Собаки чувствуют неправильную физику

▪ Снимки МРТ станут четче

Лента новостей науки и техники, новинок электроники

 

Интересные материалы Бесплатной технической библиотеки:

▪ раздел сайта Усилители мощности. Подборка статей

▪ статья Турусы на колесах. Крылатое выражение

▪ статья Откуда произошло название женского купальника бикини? Подробный ответ

▪ статья Каштан конский. Легенды, выращивание, способы применения

▪ статья Сигнализатор разряда батареи. Энциклопедия радиоэлектроники и электротехники

▪ статья Ручная змея. Секрет фокуса

Оставьте свой комментарий к этой статье:

Имя:


E-mail (не обязательно):


Комментарий:





Главная страница | Библиотека | Статьи | Карта сайта | Отзывы о сайте

www.diagram.com.ua

www.diagram.com.ua
2000-2026