Menu Home

Бесплатная техническая библиотека для любителей и профессионалов Бесплатная техническая библиотека


Однокатушечный индукционный металлоискатель. Энциклопедия радиоэлектроники и электротехники

Бесплатная техническая библиотека

Энциклопедия радиоэлектроники и электротехники / Металлоискатели

Комментарии к статье Комментарии к статье

Предлагаемый металлоискатель индукционного типа универсален. Его датчик прост по конструкции и может быть изготовлен диаметром 0,1... 1 м. Приблизительно пропорционально диаметру будет изменяться размер обнаруживаемых объектов и расстояние, на котором металлоискатель эти объекты обнаруживает. Для стандартного датчика диаметром 180 мм глубина обнаружения составляет:

  • монета 25 мм - 15 см;
  • пистолет - 40 см;
  • каска - 60 см.

Прибор снабжен простейшим дискриминатором, который позволяет отфильтровать сигналы от небольших железных предметов, если последние не представляют интереса для поиска.

Структурная схема

Структурная схема приведена на рис. 14. Она состоит из нескольких функциональных блоков.

Однокатушечный индукционный металлоискатель
Рис. 14. Структурная схема индукционного металлоискателя

Кварцевый генератор является источником прямоугольных импульсов, из которых в дальнейшем формируется сигнал, поступающий на катушку датчика. Сигнал генератора делится по частоте на 4 с помощью кольцевого счетчика на триггерах. По кольцевой схеме счетчик выполнен для того, чтобы на его выходах можно было сформировать два сигнала F1 и F2, сдвинутые друг относительно друга по фазе на 90°, что необходимо для построения схемы дискриминатора. Прямоугольный сигнал (меандр) подается на вход первого интегратора, на выходе которого получается кусочно-линейное пилообразное напряжение. Второй интегратор делает из "пилы" сигнал, сильно приближающийся по форме к синусоидальному и состоящий из полуволн параболической формы. Этот сигнал стабильной амплитуды поступает на усилитель мощности, который представляет собой преобразователь "напряжение-ток", нагруженный на катушку датчика. Напряжение датчика уже не является стабильным по амплитуде, так как зависит от сигнала, отраженного от металлических объектов. Абсолютная величина этой нестабильности весьма мала. Чтобы увеличить ее, то есть выделить полезный сигнал, в схеме компенсации происходит вычитание выходного напряжения второго интегратора из напряжения на катушке датчика.

Здесь сознательно опускаются многие детали построения усилителя мощности, схемы компенсации и способа включения катушки датчика, делающие это описание более простым для понимания принципа работы прибора, хотя и не вполне корректным. Подробнее - см. описание принципиальной схемы.

Со схемы компенсации полезный сигнал поступает на приемный усилитель, где происходит его усиление по напряжению. Синхронные детекторы преобразуют полезный сигнал в медленно меняющиеся напряжения, значения и полярность которых зависит от сдвига отраженного сигнала по фазе относительно сигнала напряжения катушки датчика.

Иными словами, выходные сигналы синхронных детекторов являются не чем иным, как компонентами ортогонального разложения вектора полезного отраженного сигнала по базису векторов основных гармоник опорных сигналов F1 и F2.

В приемный усилитель неизбежно проникает часть бесполезного сигнала, не скомпенсированного схемой компенсации ввиду ее неидеальности. На выходах синхронных детекторов эта часть сигнала преобразуется в постоянные составляющие. Фильтры верхних частот (ФВЧ) отсекают бесполезные постоянные составляющие, пропуская и усиливая только изменяющиеся компоненты сигналов, связанные с движением датчика относительно металлических предметов. Дискриминатор выдает управляющий сигнал для запуска формирователя звукового сигнала только при определенном сочетании полярностей сигналов на выходе фильтров, что исключает срабатывание звуковой индикации от мелких железных предметов, ржавчины и некоторых минералов

Принципиальная схема

Принципиальная схема разработанного автором индукционного металлоискателя показана на рис.15 - входная часть, рис. 16 - синхронные детекторы и фильтры, рис. 17 - дискриминатор и формирователь звукового сигнала, рис. 18 - схема внешних соединений.

Кварцевый генератор (рис. 15)

Кварцевый генератор собран на инверторах D1.1- D1.3. Частота генератора стабилизирована кварцевым или пьезокерамическим резонатором Q с резонансной частотой 215 Гц - 32 кГц ("часовой кварц"). Цепь R1C2 препятствует возбуждению генератора на высших гармониках. Через резистор R2 замыкается цепь ООС, через резонатор Q - цепь ПОС. Генератор отличается простотой, малым потребляемым током, надежно работает при напряжении питания 3...15 В, не содержит подстроенных элементов и чересчур высокоомных резисторов. Выходная частота генератора около 32 кГц.

Однокатушечный индукционный металлоискатель
Рис.15. Принципиальная электрическая схема индукционного металлоискателя. Входная часть (нажмите для увеличения)

Кольцевой счетчик (рис. 15)

Кольцевой счетчик выполняет две функции. Во-первых, он делит частоту генератора на 4, до типовой для таких приборов частоты 8 кГц. Во-вторых, он формирует два опорных сигнала для синхронных детекторов, сдвинутых друг относительно друга на 90° по фазе.

Кольцевой счетчик представляет собой два D-триггера D2.1 и D2.2, замкнутые в кольцо с инверсией сигнала по кольцу Тактовый сигнал - общий для обоих триггеров. Любой выходной сигнал первого триггера D2.1 имеет сдвиг по фазе на плюс-минус четверть периода (т.е. на 90°) относительно любого выходного сигнала второго триггера D2.2.

Интеграторы (рис. 15)

Интеграторы выполнены на ОУ D3.1 и D3.2. Их постоянные времени определяются цепями R3C6 и R5C9. Режим по постоянному току поддерживается резисторами R4, R6. Разделительные конденсаторы С5, С8 препятствуют накоплению статической погрешности, которая может вывести интеграторы из режима ввиду их большого усиления по постоянному току. Номиналы элементов, входящих в схемы интеграторов выбраны так, чтобы суммарный сдвиг фазы обоих интеграторов на рабочей частоте 8 кГц составлял ровно 180° с учетом как основных RC-цепей, так и с учетом влияния разделительных цепей и конечного быстродействия ОУ при выбранной коррекции. Цепи коррекции ОУ интеграторов - стандартные и состоят из конденсаторов емкостью 33 пФ.

Усилитель мощности (рис.15)

Усилитель мощности собран на ОУ D4.2 с параллельной ООС по напряжению. Термокомпенсированный токозадающий элемент, состоящий из резисторов R72, R78 и терморезистора R73 (см. рис. 18), включен между выходом второго интегратора и инвертирующим входом ОУ D4.2. Нагрузка усилителя, являющаяся одновременно элементом ООС, представляет собой колебательный контур, состоящий из катушки датчика L1 и конденсатора С61.

В нумерации резисторов и конденсаторов на схемах рис. 15-18 пропущены некоторые позиции, что I связано с многочисленными модификациями схемы индукционного металлоискателя и это не является ошибкой.

Колебательный контур настроен в резонанс на четверть частоты кварцевого резонатора задающего генератора, т.е. на частоту подаваемого на него сигнала. Модуль полного сопротивления колебательного контура на резонансной частоте составляет около 4 кОм. Параметры катушки датчика L1 таковы: число витков - 100, марка провода - ПЭЛ, ПЭВ, ПЭЛШО 0,2...0,5, средний диаметр и диаметр оправки для намотки - 165 мм. Катушка имеет экран из алюминиевой фольги, подключенный к общей шине прибора. Для предотвращения образования короткозамкнутого витка от экрана свободна небольшая часть, около 1 см, длины окружности обмотки катушки.

Элементы датчика R72, R73, R78, L1, С61 подобраны так, чтобы: во-первых, были равны по значению напряжения на входе и на выходе усилителя мощности. Для этого необходимо, чтобы сопротивление цепи R72, R73, R78 было равно модулю полного сопротивления колебательного контура L1, С61 на резонансной частоте 8 кГц, а точнее, 8192 Гц. Этот модуль сопротивления составляет, как уже говорилось, около 4 кОм и его значение должно уточняться для конкретного датчика. Во-вторых, температурный коэффициент сопротивления (ТКС) цепи R71-R73 должен совпадать по величине и по знаку с ТКС модуля полного сопротивления колебательного контура L1, С61 на резонансной частоте, что достигается: грубо - путем выбора номинала терморезистора R73, а точно - выбором соотношения R72-R78 и достигается экспериментально при настройке.

Температурная нестабильность колебательного контура связана с нестабильностью, в первую очередь, омического сопротивления медного провода катушки. При росте температуры это сопротивление возрастает, что увеличивает потери в контуре и уменьшает его добротность. Поэтому модуль его полного сопротивления на резонансной частоте уменьшается.

Резистор R18 не играет в схеме принципиальной роли и служит для поддержания ОУ D4.2 в режиме при отключенной ответной части разъема Х1. Цепь коррекции ОУ D4.2 - стандартная и состоит из конденсатора емкостью 33 пФ.

Схема компенсации (рис. 15)

Основные элементы схемы компенсации, которые реализуют вычитание выходного напряжения второго интегратора из напряжения катушки датчика - это резисторы R15, R17 с одинаковой величиной сопротивления. С их общей точки соединения полезный сигнал поступает на приемный усилитель. Дополнительные элементы, благодаря которым достигается ручная настройка и подстройка прибора - это потенциометры R74, R75 (рис. 18). С этих потенциометров можно снять сигнал, лежащий в диапазоне [-1, +1] от сигнала напряжения датчика (или практически равного ему по амплитуде выходного сигнала второго интегратора). Регулировкой указанных потенциометров достигается минимальный сигнал на входе приемного усилителя и нулевые сигналы на выходах синхронных детекторов.

Через резистор R16 часть выходного сигнала одного потенциометра подмешивается в схему компенсации непосредственно, а с помощью элементов R11-R14, С14-С16 - со сдвигом в 90° с выхода другого потенциометра.

ОУ D4.1 является основой компенсатора высших гармоник схемы компенсации. На нем реализован двойной интегратор с инверсией, постоянные времени которого задаются обычной для интегратора цепью параллельной ООС по напряжению R7C12, а также конденсатором С16 со всеми окружающими его резисторами. На вход двойного интегратора поступает меандр с частотой 8 кГц с выхода элемента D1.5. Через резисторы R8, R10 из меандра вычитается основная гармоника. Суммарное сопротивление этих резисторов составляет около 10 кОм и подбирается экспериментально при настройке по минимуму сигнала на выходе ОУ D4.1. Оставшиеся на выходе двойного интегратора высшие гармоники поступают на схему компенсации в той же амплитуде, что и высшие гармоники, проникающие через основные интеграторы. Соотношение фаз таково, что на входе приемного усилителя высшие гармоники из указанных двух источников практически компенсируются.

Выход усилителя мощности не является дополнительным источником высших гармоник, я так как высокая добротность колебательного контура (около 30) обеспечивает высокую степень подавления высших гармоник.

Высшие гармоники, в первом приближении, не влияют на нормальную работу прибора, даже если они многократно превосходят полезный отраженный сигнал. Тем не менее, их необходимо уменьшать, чтобы приемный усилитель не попал I в режим ограничения, когда верхушки "коктейля"

из высших гармоник на его выходе начинают срезаться ввиду конечного значения напряжений питания ОУ. Такой переход усилителя в нелинейный режим резко снижает коэффициент усиления по полезному сигналу.

Элементы D1.4 и D1.5 предотвращают образование кольца паразитной ПОС через резистор R7 ввиду ненулевого значения выходного со- | противления выхода триггера D2.1. Попытка подключить резистор R7 напрямую к триггеру приводит к самовозбуждению схемы компенсации на низкой частоте.

Цепь коррекции ОУ D4.2 - стандартная и состоит из конденсатора емкостью 33 пФ.

Приемный усилитель (рис. 15)

Приемный усилитель - двухкаскадный. Его первый каскад выполнен на ОУ D5.1 с параллельной ООС по напряжению. Коэффициент усиления по полезному сигналу составляет: Кu = - R19/R17 = -5. Второй каскад выполнен на ОУ D5.2 с последовательной ООС по напряжению. Коэффициент усиления Кu = R21/R22 + 1 = 6. Постоянные времени разделительных цепей выбраны такими, чтобы на рабочей частоте создаваемый ими набег по фазе компенсировал запаздывание сигнала, обусловленное конечным быстродействием ОУ. Цепи коррекции ОУ D5.1 и D5.2 - стандартные и состоят из конденсаторов емкостью 33 пФ.

Однокатушечный индукционный металлоискатель
Рис. 16. Принципиальная электрическая схема индукционного металлоискателя. Синхронные детекторы и фильтры (нажмите для увеличения)

Синхронные детекторы (рис. 16)

Синхронные детекторы однотипны и имеют идентичные схемы, поэтому будет рассмотрен только один из них, верхний по схеме. Синхронный детектор состоит из балансного модулятора, интегрирующей цепи и усилителя постоянных сигналов (УПС). Балансный модулятор реализован на основе интегральной сборки аналоговых ключей D6.1 на полевых транзисторах. С частотой 8 кГц аналоговые ключи поочередно замыкают на общую шину выходы "треугольника" интегрирующей цепи, состоящей из резисторов R23 и R24 и конденсатора С23. Сигнал опорной частоты поступает на балансный модулятор с одного из выходов кольцевого счетчика. Этот сигнал является управляющим для аналоговых ключей.

Сигнал на вход "треугольника" интегрирующей цепи поступает через разделительный конденсатор С21 с выхода приемного усилителя.

Постоянная времени интегрирующей цепи t = -R23*C23 = R24*C23. Более подробно о схеме синхронного детектора можно прочитать в разд. 2.1.

ОУ УПС D7 имеет стандартную цепь коррекции, состоящую из конденсатора емкостью 33 пФ для ОУ типа К140УД1408. В случае использования ОУ типа К140УД12 (с внутренней коррекцией) конденсатор коррекции не нужен, однако необходим добавочный токозадающий резистор R68 (показан пунктиром).

Фильтры (рис. 16)

Фильтры однотипны и имеют идентичные схемы, поэтому будет рассмотрен только один из них, верхний по схеме.

Как уже указывалось выше, по типу фильтр относится к ФВЧ. Кроме того, на него в схеме возложена роль дальнейшего усиления выпрямленного синхронным детектором сигнала. При реализации подобного рода фильтров в металлоискателях возникает специфическая проблема. Суть ее заключается в следующем. Полезные сигналы, поступающие с выходов синхронных детекторов, являются сравнительно медленными, поэтому нижняя граничная частота ФВЧ обычно находится в диапазоне 2... 10 Гц. Динамический диапазон сигналов по амплитуде очень велик, он может достигать 60 дБ на входе фильтра. Это означает, что фильтр очень часто будет работать в нелинейном режиме перегрузки по амплитуде. Выход из нелинейного режима после воздействия таких больших перегрузок по амплитуде для линейного ФВЧ может затянуться на десятки секунд (как и время готовности прибора после включения питания), что делает простейшие схемы фильтров непригодными для практики.

Для разрешения указанной проблемы идут на всевозможные ухищрения. Наиболее часто фильтр разбивают на три-четыре каскада со сравнительно небольшим усилением и более-менее равномерным распределением времязадающих цепочек по каскадам. Такое решение ускоряет выход устройства в нормальный режим после перегрузок. Однако для его реализации требуется большое число ОУ.

В предлагаемой схеме ФВЧ - однокаскадный. Для уменьшения последствий перегрузок он выполнен нелинейным. Его постоянная времени для больших сигналов приблизительно в 60 раз меньше, чем для сигналов малой амплитуды.

Схемотехнически ФВЧ представляет собой усилитель напряжения на ОУ D9.1, охваченный цепью ООС через интегратор на ОУ D10. Для малого сигнала, частотные и временные свойства ФВЧ определяются делителем из резисторов R45, R47, постоянной времени интегратора R43 C35 и коэффициентом усиления усилителя напряжения на ОУ D9.1. При увеличении выходного напряжения ФВЧ после определенного порога начинает сказываться влияние цепочки диодов VD1-VD4, которые и являются основным источником нелинейности. Указанная цепь на больших сигналах шунтирует резистор R45, увеличивая тем самым глубину ООС в ФВЧ и уменьшая постоянную времени ФВЧ.

Коэффициент усиления по полезному сигналу составляет около 200. Для подавления высокочастотных помех в схеме фильтра имеется конденсатор С31. ОУ усилителя напряжения D9.1 имеет стандартную цепь коррекции, состоящую из конденсатора емкостью 33 пФ. ОУ интегратора D10 имеет цепь коррекции, состоящую из конденсатора емкостью 33 пФ для ОУ типа К140УД1408. В случае использования ОУ типа К140УД12 (с внутренней коррекцией) конденсатор коррекции не нужен, однако необходим добавочный токозадающий резистор R70 (показан пунктиром).

Однокатушечный индукционный металлоискатель
Рис. 17. Принципиальная электрическая схема индукционного металлоискателя. Дискриминатор и формирователь звукового сигнала (нажмите для увеличения)

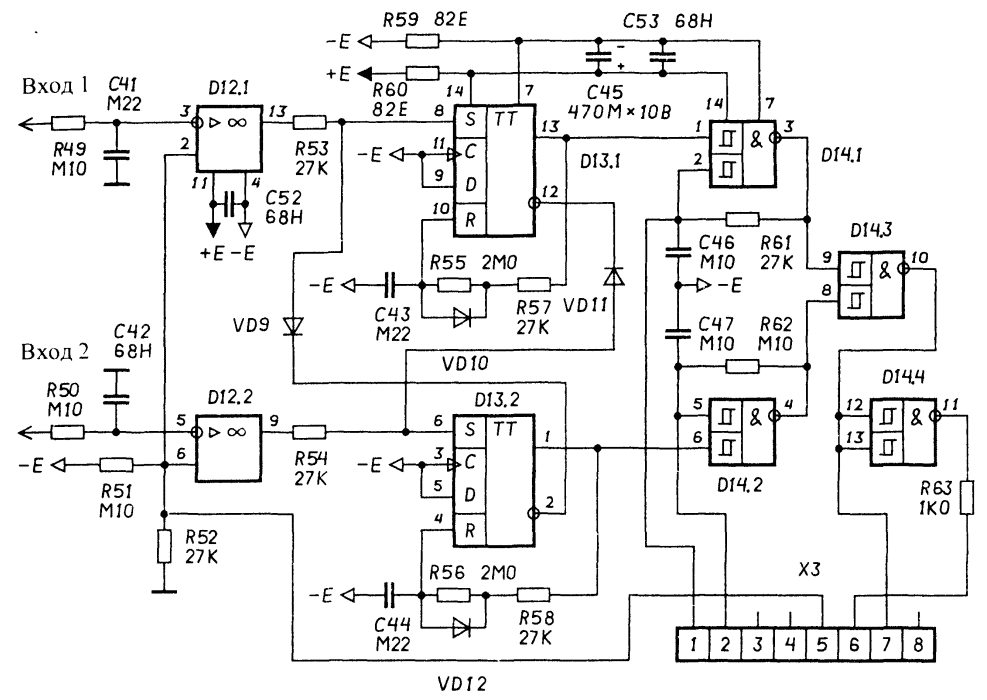
Дискриминатор (рис. 17)

Дискриминатор состоит из компараторов на ОУ D12.1, D12.2 и одновибраторов на триггерах D13.1, D13.2. При прохождении датчика металлоискателя над металлическим предметом на выходах фильтров возникает полезный сигнал в виде двух полуволн напряжения противоположной полярности, следующих одна за другой одновременно на каждом выходе. Для небольших предметов из железа сигналы на выходах обоих фильтров будут синфазны: выходное напряжение "качнется" сначала в минус, а затем в плюс и вернется к нулю. Для неферромагнитных металлов и крупных железных предметов отклик будет другой: выходное напряжение только первого (верхнего по схеме фильтра) "качнется" сначала в минус, а затем в плюс. Реакция же на выходе второго фильтра будет противоположной: выходное напряжение "качнется" сначала в плюс, а затем в минус.

Выходные импульсы компараторов запускают один из одновибраторов на триггерах D13.1, D13.2. Одновременно одновибраторы запуститься не могут - перекрестная ОС через диоды VD9, VD11 блокирует запуск одновибратора, если другой уже запущен. Длительность импульсов на выходах одновибраторов составляет около 0,5 с, и это в несколько раз больше, чем длительность обоих всплесков полезного сигнала при быстром движении датчика. Поэтому вторые полуволны выходных сигналов фильтров уже не влияют на решение дискриминатора - по первым всплескам полезного сигнала он запускает один из одновибраторов, другой при этом блокируется и такое состояние фиксируется на время 0,5 с.

Чтобы исключить срабатывание компараторов от помех, а также, чтобы задержать по времени выходной сигнал первого фильтра относительно второго, на входах компараторов установлены интегрирующие цепи R49, С41 и R50, С42. Постоянная времени цепи R49, С41 в несколько раз больше, поэтому при одновременном приходе двух отрицательных полуволн с выходов фильтров первым сработает компаратор D12.2 и запустится одновибратор на триггере D13.2, выдав управляющий сигнал ("ферро" - железо).

Формирователь звукового сигнала (рис. 17)

Формирователь звукового сигнала состоит из двух идентичных управляемых генераторов звуковой частоты на триггерах Шмидта с логикой И на входе D14.1, D14.2. Запускается каждый генератор непосредственно выходным сигналом соответствующего одновибратора дискриминатора. Верхний генератор срабатывает по команде "металл" с выхода верхнего одновибратора - неферромагнитная мишень или крупный железный предмет - и выдает тональную посылку с частотой около 2 кГц. Нижний генератор срабатывает по команде "ферро" с выхода нижнего одновибратора - небольшие железные предметы - и выдает тональную посылку с частотой около 500 Гц. Длительности посылок равны длительности импульсов на выходах одновибраторов. Элементом D14.3 осуществляется смешивание сигналов двух тональных генераторов. Элемент D14.4, включенный по схеме инвертора, предназначен для реализации мостовой схемы включения пьезоизлучателя. Резистор R63 ограничивает всплески потребляемого микросхемой D14 тока, вызванные емкостным характером импеданса пьезоизлучателя. Это является профилактической мерой по уменьшению влияния наводок по питанию и предотвращению возможного самовозбуждения усилительного тракта.

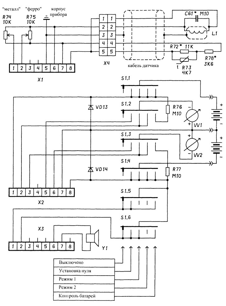
Схема внешних соединений (рис. 18)

Однокатушечный индукционный металлоискатель
Рис. 18. Принципиальная электрическая схема индукционного металлоискателя. Схема внешних соединений (нажмите для увеличения)

На схеме внешних соединений показаны элементы, не установленные на печатной плате прибора и подключаемые к ней с помощью электрических разъемов. К таким элементам относятся:

  • потенциометры настройки и балансировки R74, R75;
  • датчик с кабелем и разъемом подключения;
  • защитные диоды по питанию VD13, VD14;
  • переключатель режимов работы S1.1-S1.6;
  • измерительные приборы W1, W2;
  • батареи питания;
  • пьезоизлучатель Y1.

Назначение перечисленных элементов, в основном, очевидно и не требует дополнительных пояснений.

Типы деталей и конструкция

Типы используемых микросхем приведены в табл. 5.

Таблица 5. Типы используемых микросхем

Однокатушечный индукционный металлоискатель

Вместо микросхем серии К561 возможно использование микросхем серии К1561. Можно попытаться применить некоторые микросхемы серии К176.

Сдвоенные операционные усилители (ОУ) серии К157 можно заменить любыми сходными по параметрам одиночными ОУ общего назначения (с соответствующими изменениями в цоколевке и цепях коррекции), хотя применение сдвоенных ОУ удобнее (возрастает плотность монтажа). Желательно, чтобы применяемые типы ОУ не уступали рекомендуемым типам по быстродействию. Особенно это касается микросхем D3-D5.

ОУ синхронных детекторов и интеграторов ФВЧ по своим параметрам должны приближаться к прецизионным ОУ. Кроме типа, указанного в таблице, подойдут К140УД14, 140УД14. Возможно применение микромощных ОУ К140УД12, 140УД12, КР140УД1208 в соответствующей схеме включения.

К применяемым в схеме металлоискателя резисторам не предъявляется особых требований. Они лишь должны иметь прочную и миниатюрную конструкцию и быть удобны для монтажа. С целью получения максимальной термостабильности следует использовать в схемах датчика, интеграторов и в схеме компенсации только металлопленочные резисторы. Номинал рассеиваемой мощности 0,125...0,25 Вт.

Терморезистор R73 должен иметь отрицательный ТКС и номинал около 4,7 кОм. Рекомендуемый тип КМТ - 17 Вт.

Потенциометры компенсации R74, R75 желательны многооборотные типа СП5-44 или с нониусной подстройкой типа СП5-35. Можно обойтись и обычными потенциометрами любых типов. В этом случае желательно их использовать два. Один - для грубой подстройки, номиналом 10 кОм, включенный в соответствии со схемой. Другой - для точной подстройки, включенный по схеме реостата в разрыв одного из крайних выводов основного потенциометра, номиналом 0,5...1 кОм.

Конденсаторы С45, С49, С51 - электролитические. Рекомендуемые типы - К50-29, К50-35, К53-1, К53-4 и другие малогабаритные. Остальные конденсаторы, за исключением конденсаторов колебательного контура датчика, - керамические типа К10-7 (до номинала 68 нФ) и металло- пленочные типа К73-17 (номиналы выше 68 нФ).

Конденсатор контура С61 - особый. К нему предъявляются высокие требования по точности и термостабильности. Конденсатор С61 состоит из нескольких (5...10 шт.) конденсаторов, включенных параллельно. Настройка контура в резонанс осуществляется подбором количества конденсаторов и их номинала. Рекомендуемый тип конденсаторов К10-43. Их группа по термостабильности - МПО (т.е. приблизительно нулевой ТКЕ). Возможно применение прецизионных конденсаторов и других типов, например, К71-7. В конце концов, можно попытаться использовать старинные термостабильные слюдяные конденсаторы с серебряными обкладками типа КСО или какие-либо полистирольные конденсаторы.

Диоды VD1-VD12 типа КД521, КД522 или аналогичные кремниевые маломощные. В качестве диодов VD1-VD4 и VD5-VD8 удобно также использовать интегральные мостовые диодные сборки типа КД906. Выводы (+) и (-) диодной сборки спаиваются вместе, а выводами (~) она включается в схему вместо четырех диодов. Защитные диоды VD13-VD14 типов КД226, КД243, КД247 и другие малогабаритные на ток от 1 А.

Микроамперметры - любого типа на ток 50 мкА с нулем посередине шкалы (-50 мкА...0...+50 мкА). Удобны малогабаритные микроамперметры, например типа М4247.

Кварцевый резонатор Q - любой малогабаритный часовой кварц (аналогичные используются также в портативных электронных играх).

Переключатель режимов работы - любого типа малогабаритный поворотный галетный или кулачковый на 5 положений и 6 направлений. Батареи питания типа 3R12 (по международному обозначению) или "квадратные" (по нашему).

Пьезоизлучатель Y1 - может быть типа ЗП1-ЗП18. Хорошие результаты получаются при использовании пье- зоизлучателей импортных телефонов (идут в огромных количествах "в отвал" при изготовлении телефонов с определителем номера).

Разъемы Х1-ХЗ - стандартные, под пайку на печатную плату, с шагом выводов 2,5 мм. Подобные разъемы широко применяются в настоящее время в телевизорах и другой бытовой технике. Разъем Х4 должен быть наружного исполнения, с металлическими наружными деталями, желательно - с посеребренными или позолоченными контактами и герметичным выходом на кабель. Рекомендуемый тип - РС7 или РС10 с резьбовым или байонетным соединением.

Печатная плата

Конструкция прибора может быть достаточно произвольной. При ее разработке следует учесть рекомендации, изложенные ниже в параграфах, посвященных датчикам и конструкции корпусов. Основная часть элементов принципиальной схемы прибора размещается на печатной плате.

Однокатушечный индукционный металлоискатель
Рис. 19. Топология дорожек печатной платы. Вид со стороны деталей

Однокатушечный индукционный металлоискатель
Рис. 20. Топология дорожек печатной платы. Вид со стороны пайки

Печатная плата электронной части металлоискателя может быть изготовлена на основе готовой универсальной макетной печатной платы под DIP корпуса микросхем с шагом 2,5 мм. В этом случае монтаж ведут одножильным медным луженым проводом в изоляции. Такая конструкция удобна для экспериментальной работы.

Более аккуратная и надежная конструкция печатной платы получается при разводке дорожек традиционным способом под заданную схему. Ввиду ее сложности, в этом случае печатная плата должна быть с двухсторонней металлизацией. Использованная автором топология печатных дорожек приведена на рис. 19 - сторона печатной платы со стороны установки деталей и на рис. 20 - сторона печатной платы со стороны пайки. Рисунок топологии приведен не в натуральную величину. Для удобства изготовления фотошаблона автор приводит размер печатной платы по внешней рамке рисунка - 130x144 (мм).

Особенности печатной платы:

  • перемычки, без которых разводка печатной платы оказалась невозможной;
  • общую шину, которая выполнена в виде сетчатого рисунка максимально возможной площади на плате;
  • расположение отверстий по узлам сетки с шагом 2,5 мм, - минимальное расстояние между центром отверстия и средней линией проводника или между средними линиями двух соседних проводников - 1,77 мм;
  • направление прокладки отдельных проводников печатной платы по углу кратно 45°.

Плотность проводников на печатной плате не слишком высока, что позволяет изготовить рисунок под травление в домашних условиях. Для этого рекомендуется использовать тонкий стеклянный рейсфедер или иглу шприца со спиленным острием в комплекте с пластиковой трубкой.
Рисунок обычно выполняют нитрокраской, кузбасс-лаком, цапон-лаком и т.п. красителями, разбавленными подходящими растворителями до удобной концентрации.

Обычный реагент для травления стандартной печатной платы из стеклотекстолита с медной фольгой 35...50 мкм - водный раствор хлорного железа FeCl3. Известны и другие способы изготовления печатных плат в домашних условиях.

Расположение деталей на печатной плате приведено на рис. 21 (микросхемы, разъемы, диоды" и кварцевый резонатор), на рис. 22 (резисторы и перемычки) и на рис. 23 (конденсаторы).

Однокатушечный индукционный металлоискатель
Рис. 21. Расположение элементов на печатной плате. Разъемы, микросхемы, диоды и кварцевый резонатор

Однокатушечный индукционный металлоискатель
Рис. 22. Расположение элементов на печатной плате. Резисторы

Однокатушечный индукционный металлоискатель
Рис. 23. Расположение элементов на печатной плате. Конденсаторы

Налаживание прибора

Налаживать прибор рекомендуется в следующей последовательности.

1. Проверить правильность монтажа по принципиальной схеме. Убедиться в отсутствии коротких замыканий между соседними проводниками печатной платы, соседними ножками микросхем и т.п.

2. Подключить батареи или двуполярный источник питания, строго соблюдая полярность. Включить прибор и измерить потребляемый ток. Он должен составлять по каждой шине питания около 40 мА. Резкое отклонение измеренных значений от указанной величины свидетельствует о неправильности монтажа или неисправности микросхем.

3. Убедиться в наличии на выходе генератора чистого меандра с частотой около 32 кГц.

4. Убедиться в наличии на выходах триггеров D2 меандра с частотой около 8 кГц.

5. Убедиться в наличии на выходе первого интегратора пилообразного напряжения, а на выходе второго - практически синусоидального с нулевыми постоянными составляющими.

Внимание! Дальнейшую настройку прибора необходимо проводить при отсутствии вблизи катушки датчика металлоискателя крупных металлических предметов, включая измерительные приборы! В противном случае, при перемещении этих предметов или при перемещении датчика относительно них прибор расстроится, а при наличии крупных металлических предметов вблизи датчика настройка будет невозможной.

6. Убедиться в работоспособности усилителя мощности по наличию на его выходе синусоидального напряжения частотой 8 кГц с нулевой постоянной составляющей (при подключенном датчике).

7. Настроить колебательный контур датчика в резонанс путем подбора количества конденсаторов колебательного контура и их номинала. Контроль настройки производится грубо - по максимальной амплитуде напряжения контура, точно - по сдвигу фазы в 180° между входным и выходным напряжениями усилителя мощности.

8. Заменить резисторный элемент датчика (резисторы R71-R73) постоянным резистором. Подобрать его величину так, чтобы входное и выходное напряжения усилителя мощности были равны по амплитуде.

9. Убедиться в работоспособности приемного усилителя, для чего проверить режим его ОУ и прохождение сигнала.

10. Убедиться в работоспособности схемы компенсации высших гармоник. Потенциометрами настройки R74, R75 добиться минимума сигнала основной гармоники на выходе приемного усилителя. Подбором дополнительного резистора R8 добиться минимума высших гармоник на выходе приемного усилителя. При этом произойдет некоторый разбаланс по основной гармонике. Устранить его настройкой потенциометрами R74, R75 и вновь добиться минимума высших гармоник с помощью подбора резистора R8, и так несколько раз.

11. Убедиться в работоспособности синхронных детекторов. При правильно настроенном датчике и при правильно настроенной схеме компенсации выходные напряжения синхронных детекторов устанавливаются в ноль приблизительно при среднем положении движков потенциометров R74, R75. Если этого не происходит (при отсутствии ошибок в монтаже), необходимо точнее настроить контур датчика и точнее подобрать его резисторный элемент. Критерием правильной окончательной настройки датчика является балансировка прибора (т.е. установка нуля на выходах синхронных детекторов) в среднем положении движков потенциометров R74, R75. При настройке следует убедиться, что вблизи состояния балансировки на движение рукоятки потенциометра R74 реагирует только прибор W1, а на движение рукоятки потенциометра R75 - только прибор W2. Если движение рукоятки одного из потенциометров вблизи состояния балансировки отражается на двух приборах одновременно, то с такой ситуацией следует либо смириться (при этом несколько труднее будет балансировать прибор при каждом включении), либо точнее подобрать номинал конденсатора С14.

12. Убедиться в работоспособности фильтров. Постоянная составляющая напряжения на их выходах не должна превышать 100 мВ. Если это не так, следует сменить конденсаторы С35, С37 (даже среди пленочных типа К73-17 попадаются бракованные с сопротивлением утечки единицы - десятки мегаом). Может потребоваться и замена ОУ D10 и D11. Убедиться в реагировании фильтров на полезный сигнал, который можно сымитировать небольшими поворотами рукояток R74, R75. Наблюдать выходной сигнал фильтров удобно непосредственно с помощью стрелочных приборов W1 и W2. Убедиться в возврате выходного напряжения фильтров в нуль после воздействия сигналов большой амплитуды (не позже, чем через пару секунд).

Может так оказаться, что неблагоприятная электромагнитная обстановка затруднит наладку прибора. В этом случае стрелки микроамперметров будут совершать хаотические или периодические колебания при настроенном состоянии прибоpa в положениях переключателя S1 "Режим 1" и ш "Режим 2". Описанное нежелательное явление объясняется наводками высших гармоник сети 50 Гц на катушку датчика. На значительном удалении от проводов с электричеством колебания стрелок при настроенном приборе должны отсутствовать. Аналогичное явление может наблюдаться и при самовозбуждении ОУ интеграторов.

13. Убедиться в работоспособности дискриминатора и схемы формирования звукового сигнала.

14. Произвести термическую компенсацию датчика. Для этого сначала необходимо настроить и отбалансировать металлоискатель с резистором вместо резистивного элемента датчика. Затем немного нагреть датчик на батарее отопления или охладить в холодильнике. Отметить, в каком положении движка потенциометра "металл" R74 будет достигаться балансировка прибора при изменившейся температуре датчика. Замерить сопротивление резистора, временно установленного в датчике, и заменить его на цепь R72, R73, R78 с термистором и с резисторами таких номиналов, чтобы суммарное сопротивление указанной цепи было бы равно сопротивлению заменяемого постоянного резистора. Выдержать датчик при комнатной температуре не менее получаса и повторить эксперимент с изменением температуры. Сравнить полученные результаты. Если точка балансировки по шкале движка R74 смещается в одну сторону, значит, датчик недокомпенсирован и необходимо усилить влияние термистора, ослабив шунтирующее действие резистора R72, для чего увеличить его сопротивление, а сопротивление добавочного резистора R71 - уменьшить (для сохранения значения сопротивления всей цепочки постоянной). Если же точка балансировки для этих двух экспериментов смещается в разные стороны, то датчик перекомпенсирован и необходимо ослабить влияние термистора, усилив шунтирующее действие резистора R72, для чего уменьшить его сопротивление, а сопротивление добавочного резистора R71 - увеличить (для сохранения величины сопротивления всей цепочки постоянной). Проведя несколько экспериментов с подбором резисторов R71 и R72, необходимо добиться, чтобы настроенный и отбалансированный прибор не терял способности для балансировки при изменении температуры на 40 °С (охлаждение от комнатной температуры до температуры морозильной камеры холодильника).

При наличии неполадок и отклонений в поведении отдельных узлов схемы металлоискателя следует действовать по общепринятой методике:

  • проверить отсутствие самовозбуждения ОУ;
  • проверить режимы ОУ по постоянному току;
  • проверить сигналы и логические уровни входов/выходов цифровых микросхем, и т.д. и т.п.

Автор: Щедрин А.И.

Смотрите другие статьи раздела Металлоискатели.

Читайте и пишите полезные комментарии к этой статье.

<< Назад

Последние новости науки и техники, новинки электроники:

Питомцы как стимулятор разума 06.10.2025

Помимо эмоциональной поддержки, домашние питомцы могут оказывать заметное воздействие на когнитивные процессы, особенно у пожилых людей. Новое масштабное исследование показало, что общение с кошками и собаками не просто улучшает настроение - оно действительно способствует замедлению возрастного снижения умственных способностей. Работа проводилась в рамках проекта Survey of Health, Ageing and Retirement in Europe (SHARE), охватывающего период с 2004 по 2022 год. В исследовании приняли участие тысячи европейцев старше 50 лет. Анализ показал, что владельцы домашних животных демонстрируют более устойчивые когнитивные функции по сравнению с теми, кто не держит питомцев. Особенно выражен эффект оказался у владельцев кошек и собак. Согласно данным ученых, владельцы собак дольше сохраняют хорошую память, в то время как хозяева кошек медленнее теряют способность к быстрому речевому взаимодействию. Исследователи связывают это с тем, что ежедневное взаимодействие с животными требует внимани ...>>

Мини-ПК ExpertCenter PN54-S1 06.10.2025

Компания ASUSTeK Computer презентовала новый мини-компьютер ASUS ExpertCenter PN54-S1. Устройство ориентировано на пользователей, которым важно сочетание производительности, энергоэффективности и универсальности - от офисных задач до мультимедийных проектов. В основе ExpertCenter PN54-S1 лежит современная аппаратная платформа AMD Hawk Point, использующая архитектуру Zen 4. Это поколение чипов отличается улучшенным управлением энергопотреблением и повышенной вычислительной мощностью. Новинка доступна в конфигурациях с процессорами Ryzen 7260, Ryzen 5220 и Ryzen 5210, представленных AMD в начале 2025 года. Таким образом, устройство охватывает широкий диапазон задач - от базовых офисных до ресурсоемких вычислений. Корпус мини-ПК выполнен из прочного алюминия и имеет размеры 130&#215;130&#215;34 мм, что делает его практически незаметным на рабочем столе или за монитором. Несмотря на компактность, внутренняя компоновка позволяет установить два модуля оперативной памяти SO-DIMM ...>>

Глазные капли, возвращающие молодость зрению 05.10.2025

С возрастом человеческий глаз постепенно теряет способность четко видеть на близком расстоянии - развивается пресбиопия, или возрастная дальнозоркость. Этот естественный процесс связан с утратой эластичности хрусталика и ослаблением цилиарной мышцы, отвечающей за фокусировку. Миллионы людей по всему миру сталкиваются с необходимостью носить очки для чтения или прибегают к хирургическим методам коррекции. Однако исследователи из Центра передовых исследований пресбиопии в Буэнос-Айресе представили решение, которое может стать удобной и неинвазивной альтернативой - специальные глазные капли, способные улучшать зрение на длительный срок. Разработку возглавила Джованна Беноцци, директор Центра. По ее словам, цель исследования состояла в том, чтобы предоставить пациентам с пресбиопией эффективный и безопасный способ коррекции зрения без хирургического вмешательства. Новые капли, созданные на основе пилокарпина и диклофенака, показали убедительные результаты: уже через час после первого пр ...>>

Случайная новость из Архива

Стандарт USB 3.2 27.02.2019

Представители организации USB Implementers Forum (USB-IF) заявили о будущем стандарта USB. Было принято решение остановиться на стандарте USB 3.2 и сделать его основным и единственные на следующие несколько лет.

Это важное решение по популярному стандарту было сделано потому, что в мире существует несколько версий третьего поколения USB: 3.0, 3.1 и 3.2 - последний был утвержден в 2017 году. Все они обладают разными спецификациями, отличающимися друг от друга скоростью передачи данных: сперва была достигнута скорость 5 Гбит/с, потом до 10 Гбит/с и до 20 Гбит/с в случае с USB 3.2.

Однако из-за путаницы в спецификациях и попытке сделать обратно совместимые разъемы, случилась полная неразбериха. Скорость передачи данных на уровне 5 Гбит/с предписывалась спецификациями USB 3.0 и USB 3.1 Gen 1. Скорость 10 Гбит/с можно было достичь с помощью спецификаций USB 3.1 Gen 2. Спецификации USB 3.2, за счет использования двух линий для передачи данных в сертифицированном кабеле вместо одной, допускали как обмен на уровне 10 Гбит/с, так и 20 Гбит/с. В случае работы только одной линии, что зависит от версии хост-контроллера, USB 3.2 может работать также со скоростью 5 Гбит/с.

В итоге организации USB-IF надоела неразбериха со спецификациями интерфейса USB третьего поколения, и они решили сделать USB 3.2 основным стандартом этого разъема на ближайшие годы. Таким образом со средины 2019 года все производители начнут выпускать свои устройства с портом USB 3.2, а о USB 4.0 речи пока даже не идет.

В USB 3.2 будут три вариации скоростных возможностей: SuperSpeed USB, SuperSpeed USB 10Gbps и SuperSpeed USB 20Gbps. Для обычных людей это понятно и наглядно говорит о возможностях портов USB.

Другие интересные новости:

▪ 75-дюймовый 4K телевизор на базе технологии MicroLED

▪ Дисплейный контроллер ELSA Datapath FX4

▪ Вода - источник терагерцового излучения

▪ Вновь о Туринской плащанице

▪ Возвращение Одиссея домой

Лента новостей науки и техники, новинок электроники

 

Интересные материалы Бесплатной технической библиотеки:

▪ раздел сайта Регуляторы мощности, термометры, термостабилизаторы. Подборка статей

▪ статья Замятин Евгений Иванович. Знаменитые афоризмы

▪ статья Что происходит с пчелами зимой? Подробный ответ

▪ статья Купена приземистая. Легенды, выращивание, способы применения

▪ статья Доработка акустических систем Амфитон 25АС-027. Энциклопедия радиоэлектроники и электротехники

▪ статья Узел шнурка на ботинке. Секрет фокуса

Оставьте свой комментарий к этой статье:

Имя:


E-mail (не обязательно):


Комментарий:





Главная страница | Библиотека | Статьи | Карта сайта | Отзывы о сайте

www.diagram.com.ua

www.diagram.com.ua
2000-2025