Menu Home

Бесплатная техническая библиотека для любителей и профессионалов Бесплатная техническая библиотека


Металлоискатель с повышенной чувствительностью на транзисторах. Энциклопедия радиоэлектроники и электротехники

Бесплатная техническая библиотека

Энциклопедия радиоэлектроники и электротехники / Металлоискатели

Комментарии к статье Комментарии к статье

В основу работы металлоискателя, схема и конструкция которого рассмотрены в данном разделе, положен принцип анализа изменений биений колебаний двух генераторов, частота одного из которых стабильна, а частота второго изменяется при появлении в зоне действия прибора металлического предмета.

При работе над данным устройством была сделана попытка создать металлодетектор, свободный от ряда недостатков, присущих другим аналогичным конструкциям.

Несмотря на то что схема этого прибора была разработана более 20 лет назад, к его достоинствам следует отнести сравнительно высокую чувствительность, стабильность в работе, а также возможность отличать цветные и черные металлы. Использованные схемотехнические решения обеспечили повышенную стабильность рабочих частот генераторов, что позволило оценивать частоты биений в диапазоне от 1 до 10 Гц. Как следствие, повысилась чувствительность прибора, а также снизился потребляемый им ток.

Принципиальная схема

Как уже указывалось, предлагаемая конструкция представляет собой один из многочисленных вариантов металлодетекторов типа BFO (Beat Frequency Oscillator), то есть является устройством, в основу которого положен принцип анализа биений двух частот (рис. 2.10).

Металлоискатель с повышенной чувствительностью на транзисторах
Рис. 2.10. Принципиальная схема металлоискателя с повышенной чувствительностью (нажмите для увеличения)

Основу прибора составляют измерительный и опорный генераторы, детектор ВЧ-колебаний, предварительный усилитель, первый усилитель-ограничитель, дифференцирующая цепь, второй усилитель-ограничитель и усилитель низкой частоты.

В качестве измерительного и опорного генераторов использованы два простых LC-генератора, выполненные на транзисторах Т1 и Т2. Эти транзисторы входят в состав микросхемы К159НТ1Г, которая представляет собой пару идентичных по параметрам транзисторов, размещенных в одном корпусе. Использование транзисторной сборки позволяет существенно повысить температурную стабильность частот генераторов.

Каждый генератор собран по схеме емкостной трехточки, при этом транзисторы Т1 и Т2 включены по схеме с общей базой.

Возбуждение колебаний обеспечивается благодаря введению положительной обратной связи между коллектором и эмиттером каждого транзистора. Рабочая частота генераторов определяется параметрами частотозадающих цепей, включенных между коллекторами и эмиттерами транзисторов Т1 и Т2. При этом частотозадающими элементами первого генератора, который выполняет функции измерительного генератора, являются поисковая катушка L1 и конденсаторы С1, С2 и С3. Рабочая частота второго, опорного, генератора определяется параметрами катушки индуктивности L2, а также конденсаторов С6, С7 и С9. При этом оба генератора настроены на рабочую частоту 40 кГц. С помощью резисторов R1-R4 обеспечивается установка режимов работы транзисторов T1 и T2 по постоянному току.

В процессе настройки прибора изменением емкости конденсатора С6 осуществляется грубая настройка опорного генератора на выбранную гармонику частоты биений. При этом емкость конденсатора С6 может изменяться в пределах от 100 до 330 пФ. Точная настройка частоты биений выполняется переменным резистором R7, с помощью которого изменяется смещение на стабилитроне D1, который в данной схеме выступает в роли варикапа.

При приближении поисковой катушки L1 колебательного контура перестраиваемого генератора к металлическому предмету ее индуктивность изменяется, что вызывает изменение рабочей частоты генератора. При этом, если вблизи катушки L1 находится предмет из черного металла (ферромагнетика), ее индуктивность увеличивается, что приводит к уменьшению частоты генератора. Цветной же металл уменьшает индуктивность катушки L1, а рабочая частота генератора возрастает.

ВЧ-сигнал, сформированный в результате смешивания сигналов измерительного и опорного генераторов, выделяется на нагрузочном резисторе R5. При этом амплитуда сигнала изменяется с частотой биений, которая равна разности частот ВЧ-сигналов.

Низкочастотная огибающая ВЧ-сигнала детектируется специальным детектором, выполненным на диодах D2 и D3 по схеме удвоения напряжения. При этом конденсатор С11 обеспечивает фильтрацию высокочастотной составляющей сигнала. С нагрузки детектора, в роли которой выступает резистор R6, низкочастотный сигнал биений через конденсатор С12 подается на предварительный усилитель, выполненный на транзисторе T3.

С коллектора транзистора T3 усиленный сигнал через конденсатор С13 поступает на первый усилитель-ограничитель, выполненный на транзисторе T4 и обеспечивающий формирование прямоугольных импульсов. С помощью делителя, составленного резисторами R11 и R12, на базу транзистора T4 подается такое напряжение смещения, при котором транзистор находится на пороге открывания.

Поступающий на базу транзистора T4 синусоидальный сигнал ограничивается с двух сторон. В результате на нагрузке каскада, роль которой исполняет резистор R13, формируются прямоугольные импульсы, которые далее дифференцируются цепью C14, R14, R15 и преобразуются в остроконечные пики. При этом на месте фронта каждого импульса формируется пик положительной полярности, а на месте спада - пик отрицательной полярности. Следует отметить, что длительность этих пиков не зависит от частоты следования прямоугольных импульсов и их длительности.

Положительные пики поступают на базу транзистора T5, а отрицательные срезаются диодом D4. Транзистор T5, как и транзистор T4, работает в ключевом режиме и ограничивает входной сигнал так, что на коллекторной нагрузке, образуемой резисторами R16 и R17, формируются короткие прямоугольные импульсы фиксированной длительности. Конденсатор С15 фильтрует выходной сигнал и улучшает тембр звучания сигнала в головных телефонах ВF1.

С резистора R16, который является регулятором громкости, сигнал поступает на усилительный каскад, выполненный на транзисторах T6 и T7, включенных по схеме так называемого составного транзистора. При таком включении формируется эквивалент транзистору проводимости p-n-p повышенной мощности с большим коэффициентом передачи тока. Затем усиленный сигнал поступает на головные телефоны ВF1.

Примененный в данной конструкции способ формирования импульсного сигнала из синусоидального позволяет снизить потребляемую усилителем мощность, особенно в выходном каскаде, поскольку в паузах между импульсами транзисторы T5, Т6 и T7 закрыты.

Питание металлодетектора осуществляется от источника В1 напряжением 4,5 В, при этом потребляемый ток не превышает 2 мА.

Детали и конструкция

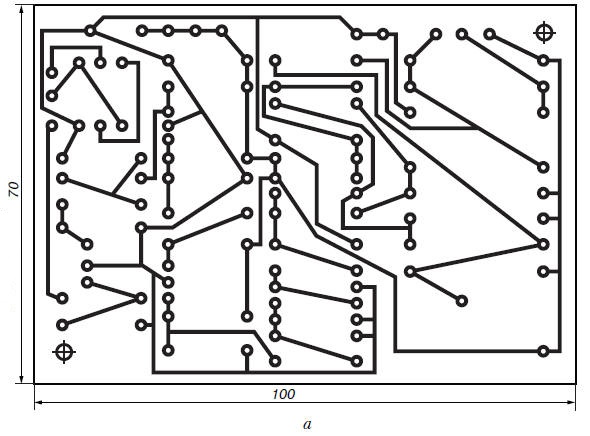
К используемым деталям при сборке металлоискателя с повышенной чувствительностью не предъявляются какие-либо особые требования. Единственное ограничение связано с габаритными размерами, поскольку большая часть деталей данного прибора смонтирована на печатной плате размерами 70х110 мм, выполненной из одностороннего фольгированного гетинакса или стеклотекстолита. Печатная плата рассчитана на использование постоянных резисторов МЛТ-0,125, конденсаторов КСО, ПМ, МБМ, К50-6 или им аналогичных (рис. 2.11).

При повторении данной конструкции в качестве транзисторной сборки (транзисторы Т1 и Т2) можно использовать микросхему К159НТ1 с любым буквенным индексом. Однако в настоящее время ее не всегда можно найти. Поэтому при необходимости вместо транзисторной сборки рекомендуется использовать два транзистора типа КТ315Г с одинаковыми или возможно близкими параметрами (статическим коэффициентом передачи тока и начальным током коллектора).

Металлоискатель с повышенной чувствительностью на транзисторах

Металлоискатель с повышенной чувствительностью на транзисторах
Рис. 2.11. Печатная плата (а) и расположение элементов (б) металлоискателя с повышенной чувствительностью

В усилительных каскадах (транзисторы Т3, Т4 и Т5) вместо транзисторов типа КТ342Б можно установить транзисторы типа КТ315Г, КТ503Е или КТ3102А - КТ3102Е. Транзистор типа КТ502Е (Т6) вполне заменим на КТ361, а транзистор типа К503Е (Т7) - на КТ315 с любыми буквенными индексами. Но в этом случае головные телефоны должны быть высокоомными (типа ТОН-2 или ТЭГ-1). При использовании низкоомных телефонов транзистор Т7 должен быть более мощным, например типа КТ603Б или КТ608Б.

В качестве стабилитрона D1 также можно использовать стабилитроны типа Д808-Д813 или КС156А. Диоды D2 и D3 могут быть любыми из серий Д1, Д9 или Д10. Катушка L2 содержит 250 витков провода ПЭВ-2 диаметром 0,1 мм, намотанных на магнитопроводе СБ-23-11а. При ее изготовлении можно использовать и другие сердечники. Главное - чтобы индуктивность готовой катушки составила 4 мГ.

Измерительная катушка L1 содержит 100 витков провода ПЭВ-1 диаметром 0,3 мм и выполнена в виде тора диаметром 160 мм. Эту катушку проще изготовить на жестком каркасе, однако можно обойтись и без него. В этом случае в качестве временного каркаса можно использовать любой подходящий по размерам круглый предмет, например банку. Витки катушки наматываются внавал, после чего снимаются с каркаса и экранируются электростатическим экраном, который представляет собой незамкнутую ленту из алюминиевой фольги, намотанную поверх жгута витков. Щель между началом и концом намотки ленты (зазор между концами экрана) должна составлять не менее 10 мм.

При изготовлении катушки L1 нужно внимательно следить за тем, чтобы не произошло замыкание концов экранирующей ленты, поскольку в этом случае образуется короткозамкнутый виток. Для повышения механической прочности катушку можно пропитать эпоксидным клеем.

К выводам катушки следует подпаять проводники двужильного экранированного кабеля длиной около метра, на другом конце которого устанавливается разъем типа СШ-3 или любой другой подходящий малогабаритный разъем. Оплетку кабеля необходимо соединить с экраном катушки. В рабочем положении разъем катушки подключается к ответной части разъема, расположенной на корпусе прибора.

Питание металлоискателя повышенной чувствительности осуществляется от источника В1 напряжением 4,5 В. В качестве такого источника можно использовать, например, так называемую квадратную батарейку типа 3336Л или три элемента типа 316, 343, соединенные последовательно.

Печатная плата с расположенными на ней элементами и источник питания размещаются в любом подходящем пластмассовом или деревянном корпусе. На крышке корпуса устанавливаются переменные резисторы R7 и R16, разъем Х1 для подключения поисковой катушки L1, выключатель S1, а также разъем Х2 для подключения головных телефонов BF1.

Налаживание

Как и при регулировке других металлоискателей, настройку данного прибора нужно проводить в условиях, когда металлические предметы удалены от поисковой катушки L1 на расстояние не менее 1,5 м.

Непосредственное налаживание металлодетектора следует начать с выбора нужной частоты биений. Для этого рекомендуется воспользоваться осциллографом или цифровым частотомером. При работе с осциллографом его пробник необходимо подключить к точке соединения резисторов R1, R4, R5 и конденсатора С8, то есть к входу детектора. Осциллограмма в этой точке напоминает осциллограмму модулированного ВЧ-сигнала. Далее, подстраивая катушку L2 и подбирая емкости конденсаторов С2 и С6, нужно добиться того, чтобы частота модуляции (частота биений) была бы равна примерно 10 Гц.

При использовании цифрового частотомера для настройки металлоискателя частотомер следует подключить сначала к коллекторной цепи транзистора Т1, а затем - к коллектору транзистора Т2. Подбирая параметры указанных ранее элементов (индуктивность катушки L2, емкости конденсаторов С2 и С6), необходимо добиться того, чтобы разность частот сигналов на коллекторах транзисторов Т1 и Т2 составляла примерно 10 Гц.

Далее подбором резистора R8 устанавливается максимальный коэффициент усиления каскада, выполненного на транзисторе Т3. При отсутствии осциллографа и частотомера подбор нужной частоты биений можно выполнить и без них. При этом необходимо сначала установить в среднее положение движок резистора R7, а затем, вращая подстроечный сердечник катушки L2, добиться появления в телефонах щелчков с частотой примерно 1-5 Гц. Если установить нужную частоту не удается, следует подобрать емкость конденсатора С6. Чтобы уменьшить влияние фона грунта, окончательный подбор частоты биений следует осуществлять при приближении поисковой катушки L1 к земле.

На этом процесс настройки металлоискателя с повышенной чувствительностью заканчивается.

Порядок работы

При практическом использовании данного металлодетектора следует переменным резистором R7 поддерживать необходимую частоту сигнала биений, которая изменяется при разряде батареи, при изменении температуры окружающей среды или при девиации магнитных свойств грунта. Также нужно отрегулировать громкость щелчков с помощью регулятора R16.

Если в процессе работы в зоне действия поисковой катушки L1 окажется какой-либо металлический предмет, частота сигнала в телефонах изменится. При приближении к одним металлам частота сигнала биений будет увеличиваться, а при приближении к другим - уменьшаться. По изменению тона сигнала биений, имея определенный опыт, можно легко определить, из какого металла, магнитного или немагнитного, изготовлен обнаруженный предмет.

С помощью такого металлоискателя мелкие предметы, например гвозди, можно обнаружить под слоем почвы на глубине до 10-15 см, а крупные (например крышки колодцев) - на глубине до 50-60 см.

Автор: Адаменко М.В.

Смотрите другие статьи раздела Металлоискатели.

Читайте и пишите полезные комментарии к этой статье.

<< Назад

Последние новости науки и техники, новинки электроники:

Питомцы как стимулятор разума 06.10.2025

Помимо эмоциональной поддержки, домашние питомцы могут оказывать заметное воздействие на когнитивные процессы, особенно у пожилых людей. Новое масштабное исследование показало, что общение с кошками и собаками не просто улучшает настроение - оно действительно способствует замедлению возрастного снижения умственных способностей. Работа проводилась в рамках проекта Survey of Health, Ageing and Retirement in Europe (SHARE), охватывающего период с 2004 по 2022 год. В исследовании приняли участие тысячи европейцев старше 50 лет. Анализ показал, что владельцы домашних животных демонстрируют более устойчивые когнитивные функции по сравнению с теми, кто не держит питомцев. Особенно выражен эффект оказался у владельцев кошек и собак. Согласно данным ученых, владельцы собак дольше сохраняют хорошую память, в то время как хозяева кошек медленнее теряют способность к быстрому речевому взаимодействию. Исследователи связывают это с тем, что ежедневное взаимодействие с животными требует внимани ...>>

Мини-ПК ExpertCenter PN54-S1 06.10.2025

Компания ASUSTeK Computer презентовала новый мини-компьютер ASUS ExpertCenter PN54-S1. Устройство ориентировано на пользователей, которым важно сочетание производительности, энергоэффективности и универсальности - от офисных задач до мультимедийных проектов. В основе ExpertCenter PN54-S1 лежит современная аппаратная платформа AMD Hawk Point, использующая архитектуру Zen 4. Это поколение чипов отличается улучшенным управлением энергопотреблением и повышенной вычислительной мощностью. Новинка доступна в конфигурациях с процессорами Ryzen 7260, Ryzen 5220 и Ryzen 5210, представленных AMD в начале 2025 года. Таким образом, устройство охватывает широкий диапазон задач - от базовых офисных до ресурсоемких вычислений. Корпус мини-ПК выполнен из прочного алюминия и имеет размеры 130&#215;130&#215;34 мм, что делает его практически незаметным на рабочем столе или за монитором. Несмотря на компактность, внутренняя компоновка позволяет установить два модуля оперативной памяти SO-DIMM ...>>

Глазные капли, возвращающие молодость зрению 05.10.2025

С возрастом человеческий глаз постепенно теряет способность четко видеть на близком расстоянии - развивается пресбиопия, или возрастная дальнозоркость. Этот естественный процесс связан с утратой эластичности хрусталика и ослаблением цилиарной мышцы, отвечающей за фокусировку. Миллионы людей по всему миру сталкиваются с необходимостью носить очки для чтения или прибегают к хирургическим методам коррекции. Однако исследователи из Центра передовых исследований пресбиопии в Буэнос-Айресе представили решение, которое может стать удобной и неинвазивной альтернативой - специальные глазные капли, способные улучшать зрение на длительный срок. Разработку возглавила Джованна Беноцци, директор Центра. По ее словам, цель исследования состояла в том, чтобы предоставить пациентам с пресбиопией эффективный и безопасный способ коррекции зрения без хирургического вмешательства. Новые капли, созданные на основе пилокарпина и диклофенака, показали убедительные результаты: уже через час после первого пр ...>>

Случайная новость из Архива

Мнимая многозадачность улучшает работу мозга 24.11.2018

Психологи из университетов Мичигана, Пенсильвании и Йеля выяснили, для человека порой неважно, что именно имеется в виду под многозадачностью и сколько задач он выполняет одновременно. Важно представлять себе, что ты многозадачен, и от одного только этого представления мозг начинает работать лучше. В эксперименте участвовали более полутора сотен человек, которые должны были смотреть и расшифровывать образовательный ролик канала Animal Planet. Фокус был в том, что кому-то говорили, что им придется выполнять одновременно два задания: выучить то, о чем идет речь в ролике, и сделать текстовую транскрипцию; другим же говорили, что они выполняют только одно задание, цель которого - проверить их способности к обучению и стенографии.

Задание, повторим, у тех и у других было одно и то же, отличалось лишь его восприятие: для одних оно было однозадачным, для других - многозадачным. Однако те, кто верил, будто выполняет два задания, записали больше слов, сделали меньше ошибок и лучше прошли тест на понимание того, что они узнали из видео.

Похожие результаты получились в другом эксперименте, которые провели в интернете: на экране перед человеком появлялись две головоломки в виде набора слов, с которыми нужно было что-то сделать. Только в одном случае обе головоломки выступали как часть одного и того же задания, и обе их показывали на одном и том же фоне; в другом случае головоломки были те же самые, но их подавали как два разных задания, и обе они были подсвечены разным фоном. Те, у кого перед глазами были как бы два разных задания, полагали, что они работают в многозадачном режиме - и в итоге выполняли задание лучше, чем "однозадачники".

Ученые что так происходит из-за того, что человек, думающий, что он в данный момент многозадачен, глубже погружается в то, чем он занят, и потому лучше выполняет свое задание. Чтобы проверить, так ли это, исследователи измерили, насколько расширяются зрачки у участников эксперимента во время выполнения заданий - считается, что чем шире зрачок, тем сильнее вовлеченность, тем больше когнитивных ресурсов идет на выполнение задачи. Действительно, у "многозадачников" зрачки были шире, то есть они и впрямь были глубже вовлечены в работу, были более внимательны, собраны и т. д.

Другие интересные новости:

▪ ИИ поможет Meta добиться реалистичного звука в виртуальных мирах

▪ Игровой монитор MSI G322CQP с вогнутым экраном WQHD

▪ Проектор TLP-T71U от Toshiba

▪ Генератор тестовых сигналов для телевидения высокой четкости

▪ Миниатюрная модульная камера Mokacam

Лента новостей науки и техники, новинок электроники

 

Интересные материалы Бесплатной технической библиотеки:

▪ раздел сайта Биографии великих ученых. Подборка статей

▪ статья Мы вам покажем кузькину мать! Крылатое выражение

▪ статья Кто такой Аристотель? Подробный ответ

▪ статья Функциональный состав телевизоров Hitachi. Справочник

▪ статья Два фотореле. Энциклопедия радиоэлектроники и электротехники

▪ статья Разборка ферритового магнитопровода. Энциклопедия радиоэлектроники и электротехники

Оставьте свой комментарий к этой статье:

Имя:


E-mail (не обязательно):


Комментарий:





Главная страница | Библиотека | Статьи | Карта сайта | Отзывы о сайте

www.diagram.com.ua

www.diagram.com.ua
2000-2025