Menu Home

Бесплатная техническая библиотека для любителей и профессионалов Бесплатная техническая библиотека


Электростимуляторы. Энциклопедия радиоэлектроники и электротехники

Бесплатная техническая библиотека

Энциклопедия радиоэлектроники и электротехники / Электроника в медицине

Комментарии к статье Комментарии к статье

Организм человека вырабатывает слабые электрические импульсы и реагирует на их воздействие. Еще И.П. Павлов подчеркивал, что сильные реакции организма могут быть вызваны слабыми воздействиями. На этом принципе основано электропунктурное воздействие на биологически активные точки организма (БАТ) по методу акупунктуры (чжень-цзю терапии, иглотерапии). Возник метод чжень-цзю терапии на основе эмпирических данных 4-5 тысячелетий назад (в каменном веке) в Китае [1]. Тысячелетия спустя этот метод был систематизирован и описан. А в наши дни классические точки меридианного учения были дополнены сотнями новых внеканальных точек и зон. С развитием техники древние иглотерапия и прижигание БАТ дополнились электропунктурой, лазеропунктурой, электроакупунктурой, свето и магнито терапией. По своему действию на организм все способы рассматриваются как рефлекторный процесс, в основе которого лежит сложная нейрогуморальная реакция, возникающая в ответ на раздражение БАТ.

Советские ученные в 1964 году разработали уникальный автономный электростимулятор желудочно-кишечного тракта (АЭС ЖКТ). Этот стимулятор использовался для элитарных медицинских учреждений (за что и получил название "Кремлевская таблетка") и только в середине 90-х годов появился в свободной продаже и стал доступен для использования всем желающим.

АЭС ЖКТ конструктивно выполнен в виде капсулы размером 22х11 мм. Используют капсулу несколькими способами. 1 - проглатывая, как таблетку. В этом случае она стимулирует все органы, проходя ЖКТ. 2 - посасывая во рту. На языке находятся биологически активные зоны почти всех органов тела. Поэтому происходит влияние на эти органы при воздействии импульсов электростимулятора. Кроме того, этот способ применяется для профилактики и лечения простудных заболеваний, снятия похмельного синдрома, зубной или головной боли, стоматита, породонтоза. 3 - периодическим введением анально или вагинально. Анальное введение электростимулятора от 30 минут до 8 часов (на ночь) активизирует половую функцию мужчин, нормализует работу простаты, усиливает моторику всего кишечника, способствуя его очищению от шлаков и камней. Хорошо помогает этот способ при лечении геморроя. Вагинальное введение электростимулятора на 20 минут после 3-4 сеансов увеличивает секреторную активность влагалища, нормализует менструальный цикл и излечивает фригидность. При ежедневном вагинальном введении от 40 минут до нескольких часов в течении не менее 2-х недель лечатся гинекологические заболевания (опухоли, вагинит, эрозии, воспаления придатков).

Поскольку влияние электростимуляции на полости человека еще мало изучено, то можно получить совершенно неожиданный положительный результат. Несомненно одно: АЭС ЖКТ прошел клинические испытания и разрешен Минздравом РФ в амбулаторных и домашних условиях.

При всех достоинствах АЭС ЖКТ есть один существенный недостаток - это соотношение цены и срока годности (до 70 часов). Получается, что вновь использовать АЭС ЖКТ могут только избранные. Здесь я предлагаю для самостоятельного изготовления и применения два имитатора АЭС ЖКТ. Имитаторы копируют параметры выходных импульсов АЭС ЖКТ и оказывают аналогичное воздействие. Недостаток имитатора в том, что его нельзя проглотить и пропустить через весь желудочно-кишечный тракт. Достоинство - многократное использование и расширенные функции (регулировка тока воздействия и использование для электропунктуры). Имитаторы можно применять перорально и анально-вагинально, что перекрывает лечение достаточно большого спектра заболеваний.

Имитатор, схема которого показана на рисунке 3, можно использовать и как электропунктурный стимулятор по точкам акупунктуры.

Согласно инструкции по применению АЭС ЖКТ имеет следующие параметры импульсов (Рис.1):

Электростимуляторы

- длительность импульсов - 4,8 - 7,2 мс;

- период следования импульсов - 19,2-28,8 мс;

- длительность пачки импульсов - 304-456 мс;

- период следования пачек импульсов - 2,4-3,6 с.

Имитатор выдает близкие по значению параметры (Рис.2):

Электростимуляторы

- длительность импульсов - 4 мс;

- период следования импульсов - 16 мс;

- длительность пачки импульсов - 500 мс;

- период следования пачки импульсов - 4 с.

Схема имитатора изображена на рис. 3.

Электростимуляторы
(нажмите для увеличения)

Функционально схема состоит из трех блоков - задающего кварцевого генератора на DD1, формирователя импульсов заданной длительности на микросхемах DD2 - DD4 и выходного каскада на транзисторе VT1, который задает амплитуду импульса тока в пределах - 8 - 12 мА.

Генератор собран на микросхеме К176ИЕ12 по стандартной схеме включения. Используется один делитель Т1 с коэффициентом деления 32768. С выхода 11 снимаются импульсы с периодом около 1мс, а с выхода 4 - импульсы с периодом 1с. Эти импульсы поступают на входы 1 и 9 двух различных четырехразрядных двоичных счетчиков на микросхеме К561ИЕ10. С выхода третьего разряда первого счетчика (вывод 5) снимаются импульсы длительностью 4 мс. С вывода 6 снимаются вспомогательные импульсы, необходимые для формирования заданной скважности (4). С выхода первого и второго разрядов второго счетчика (вывод11, 12) снимаются вспомогательные импульсы, необходимые для формирования скважности (8) пачек импульсов. Длительность пачек импульсов определяется длительностью импульсов на выводе 4 (DD1), и составляет 500 мс.

Импульсы с выходов 5 и 6 счетчика DD2 суммируются четырехвходовым логическим элементом 4И-НЕ микросхемы К561ЛА8 (DD3.1) и инвертируются элементом DD4.3 микросхемы К561ЛА7. На выводе 10 DD4.3 можно наблюдать импульс заполнения с параметрами, данными на Рис.2 а.

Аналогично формируется импульс, предназначенный для заполнения, но со скважностью в два раза больше. Вспомогательные импульсы с выводов 11, 12 счетчика DD2 и импульс, определяющий длительность периода импульса воздействия, с вывода 4 DD1 суммируются на DD3.2 и инвертируются DD4.4. Импульсы заполнения с вывода 10 DD4.3 и импульсы пачек с вывода 11 DD4.4 складываются на элементе DD4.2,инвертируются DD4.1 и поступают на базу транзистора VT1. На базе транзистора импульсы имеют вид, показанный на Рис.2 б.

Транзистор включен в режиме эмиттерного повторителя. Ток на зонде не должен превышать 10 мА при эквиваленте нагрузки 100 Ом. Регулировка тока воздействия по субъективным ощущениям производится резистором R6. Выходные импульсы снимаются со стерео гнезда Гн.1, которое выполняет функцию выключателя напряжения. При выключенной вилке прибор обесточен. Распайка вилки показана на рисунке 3. Если прибор использовать как имитатор АЭС ЖКТ, то в гнездо вставляется вилка с зондом. Если прибор используется как акупунктурный электростимулятор, то гнездо снабжается щупом и электродом. Для переключения способов воздействия в режиме акупунктуры служит переключатель SA1. На схеме переключатель показан в положении торможения (возбуждения, тонизирования), а в другом положении на электроде будут непрерывные импульсы, что соответствует успокоению. В режиме имитатора АЭС ЖКТ переключатель SA1 должен стоять в положении торможение.

Светодиод HL1 используется для контроля работоспособности прибора. Светодиод крепится на корпусе так, чтобы его выводы располагались на корпусе на расстоянии 3-4 мм друг от друга. При прикладывании зонда или электродов к выводам светодиода, он будет светиться с периодом 4 секунды. Если в одном положении светодиод не горит, то необходимо поменять местами стороны зонда.>

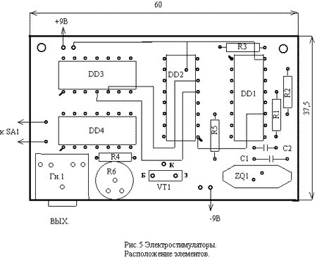
Печатная плата дана на Рис. 4, а расположение элементов - на Рис. 5. Плата с элементами размещается в подходящем пластмассовом корпусе.

Электростимуляторы

Электростимуляторы

Налаживание имитатора сводится к подбору конденсатора С1 в пределах 18 - 68 пФ до возникновения устойчивой генерации и появления импульсов на выходах 11, 4 микросхемы DD1. Типовая схема включения микросхемы К176ИЕ12 требует включения между выводами 12 и 13 резистора сопротивлением 22 мегаомма, хотя микросхема может возбуждаться и с меньшими номиналами резистора (и вообще без резистора). Поскольку высокоомные резисторы достаточно редкие, на печатной плате этот резистор заменен двумя R2,R3. Это дает возможность поставить два резистора номиналами 3-5-10 мегаомм. Подбором номинала резистора R2,R3 также добиваются устойчивой генерации микросхемы. Практически работоспособность имитатора проверяют, взяв зонд в губы или положив на язык. С интервалом в 4 секунды будут ощущаться небольшие покалывания.

В имитаторе используются микросхемы серии 561 и 176. Возможна замена на 176 серию, но не все микросхемы этой серии работают при понижении напряжения питания до 3 вольт. Конденсатор C1- КМ5б, резисторы - МЛТ - 0,125. Кварц РК-71 или>миниатюрный, с наручных часов на 32768 Гц. Резистор R6 типа СПО. При регулировании тока воздействия необходимо руководствоваться правилом - лучше меньше ток, но больше время.

Конструктивно зонд выполнен в виде капсулы размером 22x11 мм (Рис.6а).

Электростимуляторы

Капсула состоит из двух полусфер и пластмассовой втулки - изолятора. Полусферы изготовлены из нержавеющей стали и внутри пустотелые. Автор взял, пришедшую в негодность, заводскую капсулу, удалил начинку и сделал отверстие диаметром 2 мм в торце одной из полусфер. Через отверстие внутрь полусфер проведено два гибких провода, которые припаяны к разным полусферам. Отверстие с проводами и места соединения полусфер с пластмассовой втулкой проклеены водостойким клеем. При самостоятельном изготовлении капсулы полусферы могут быть не полыми, что несколько утяжелит устройство. Другой испытанный вариант зонда показан на рисунке 6б. Зонд сделан из колец из нержавеющей стали и залит эпоксидной смолой или силиконовым герметиком. Для орального использования лучше использовать зонд в форме таблетки, показанный на рисунке 6в. Для электропунктуры изготавливается щуп из корпуса шариковой авторучки и нейтральный электрод. Вместо пишущего узла ручки ставится позолоченный или посеребренный контакт от разъема. Позолоченный контакт действует на точку акупунктуры возбуждающе, а посеребренный - успокаивающе. Нейтральный электрод делается в виде кольца, для надевания на палец или зажима типа фотографического пинцета. Нейтральный электрод подключается к минусу питания, хотя имеются точки акупунктуры, требующие обратного воздействия [2].

Имитатор используют путем введения зонда перорально, вагинально или анально. Перорально капсулу посасывают во рту для снятия похмельного синдрома, зубной или головной боли, лечения стоматита, породонтоза. Она воздействует на все органы через биологически активные зоны, которых во рту очень много. Биологически активные зоны языка показаны на рисунке 7 [3].

Электростимуляторы

Зная свои болячки, зонд желательно держать ближе к соответствующей зоне. Время воздействия - не менее 10 минут. Вагинально или анально (как свечу) для лечения парезов, запоров, импотенции, простатита, полипов на матке, фригидности, задержки менструального цикла, выведения из состояния контузии, при оперативной реанимации, геморрое... Время - до 8 часов.

Противопоказания: кардиостимулятор, беременность и металлические зубы. В последнем случае необходимо следить, чтобы капсула не соприкасалась с металлом.

Поскольку описанный имитатор находится внутри тела "на привязи" при помощи проводов, его свободное перемещение невозможно. Поэтому был разработан другой стимулятор для вагинально-анального использования.

Стимулятор представляет собой зонд и электронную схему, которые конструктивно выполнены в одном блоке.

Схема стимулятора показана на рисунке 8.

Электростимуляторы
(нажмите для увеличения)

Функционально схема состоит из двух генераторов на микросхеме DD1, реверсивного счетчика на микросхеме DD2, демультиплексора DD3,DD5 и триггера реверса DD4.

Частота генератора на элементах DD1.1-DD1.3 30-60 Гц. Частота второго генератора на элементах DD1.4, DD1.5 регулируется резистором и устанавливается в зависимости от личных ощущений. Импульсы первого генератора последовательно распределяются на 16 выходов с частотой второго генератора при помощи реверсивного счетчика DD2. Когда счетчик досчитает до 16, на выходе переноса появится импульс. Импульс с вывода 7 счетчика D2 опрокинет триггера на микросхеме D4 и на выводе 10 счетчика изменится уровень. Счетчик начнет считать в обратную сторону. Таким образом, импульсы первого генератора будут последовательно проходить от первого до шестнадцатого выхода, а затем от 16-го до первого. Но это в идеале. Практически схема считает до 17. Т.е. после 16 идет 1, а затем реверс до 16 и т. д.. Чтобы не добавлять элементов, можно смириться с таким порядком счета. Таким образом, импульсы воздействия будут последовательно перемещаться по зонду в обоих направлениях. И стимуляция будет осуществляться по всей полости на длину зонда.

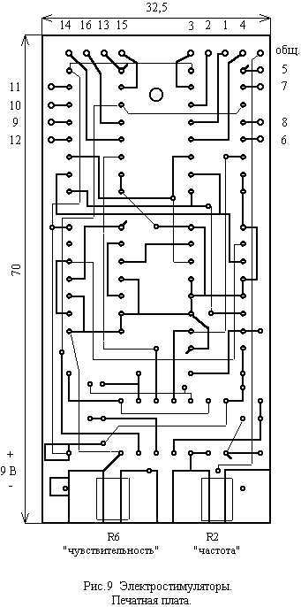
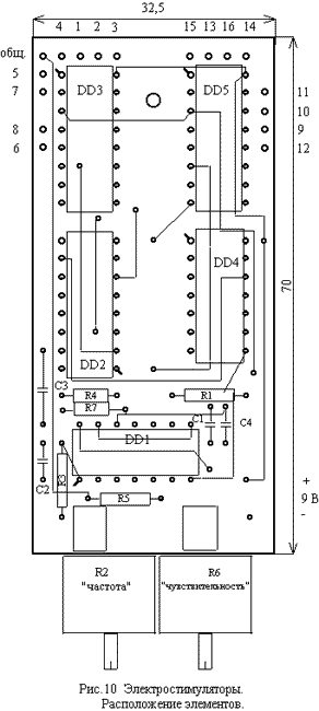
Печатная плата этого электростимулятора дана на рисунке 9, а расположение элементов на рисунке 10.

Электростимуляторы

Электростимуляторы

Зонд представляет собой кольца из нержавейки шириной 2 мм (диаметр по наличию материалов, 8-12 мм), нанизанные на деревянную оправку или пластиковую трубку. Между каждым сигнальным кольцом располагается "земляное" кольцо. Всего 33 кольца. Расстояние между кольцами - 1,5 мм. Таким образом, длина активной части зонда равна 114 мм. Распайка колец показана на рисунке 11.

Электростимуляторы

Промежуток между кольцами залит автомобильным силиконовым герметиком или эпоксидной смолой. Разумеется, предварительно к кольцам были припаяны провода (Провод можно взять обмоточный типа ПЭВ2.) и выведены через углубление в оправке или просверленные в трубке отверстия на один конец. На этом конце к оправке крепится саморезом или винтом плата.

Расстояние от платы до первого кольца должно быть не менее 50 мм. Это связано с тем, что наружные части влагалища и ануса более чувствительны (насыщены нервными окончаниями) к импульсам, чем внутренние. Поэтому включать стимулятор необходимо после полного введения зонда или при максимальном значении резистора R6. С другой стороны платы устанавливается батарея типа 6F22 (Крона). Выключатель питания SA1 миниатюрный импортный устанавливается на плату. Другой конец зонда делается герметиком (эпоксидкой) на конус для облегчения введения. Переменные резисторы R2, R6 припаиваются прямо к плате, хотя после установки частоты вместо резистора R2 можно поставить постоянный резистор соответствующего номинала. Плата с батареей обворачиваются стеклотканью (или тонким листом стеклотекстолита) и все заливается герметиком. Герметик выравнивается рукой, смоченной растительным маслом или водой, сразу после нанесения. К слову, силиконовый герметик после затвердения (10-30 мин.) должен быть на ощупь как резиновый в противном случае это подделка. Батарейный отсек изолируется целлофаном. Схематически общий вид стимулятора показан на рисунке 12.

Электростимуляторы

При использовании стимулятора лучший эффект дает небольшое покачивание зонда до получения наиболее благоприятного ощущения. Этого же добиваются и вращением движка резистора чувствительности R6. Основное правило: никакого дискомфорта. При лечении геморроя или колита необходимо следить, чтобы воздействие было минимальным. Перед анальным введением необходимо сделать небольшую клизму. Зонд смазывается любым растительным маслом.

После сеанса зонд необходимо промыть теплой водой с мылом и щеткой.

Литература

  1. Игнатов Ю.Д., Качан А.Т., Васильев Ю.Н. Акупунктурная аналгезия. Ленинград "Медицина", 1990.
  2. Стояновский Д.Н. Частная рефлексотерапия. Справочник. Кишинев, Картя Молдовеняскэ, 1990.
  3. Овечкин А.М. Основы чжень-цзю терапии. Саранск, Голос, 1991, с. 287.

Публикация: cxem.net

Смотрите другие статьи раздела Электроника в медицине.

Читайте и пишите полезные комментарии к этой статье.

<< Назад

Последние новости науки и техники, новинки электроники:

Кислотность океана разрушает зубы акул 03.10.2025

Мировые океаны выполняют важнейшую функцию - они поглощают около трети углекислого газа, выбрасываемого в атмосферу. Это помогает замедлять темпы глобального потепления, но имеет и обратную сторону. Растворяясь в воде, CO2 образует угольную кислоту, которая повышает концентрацию водородных ионов и приводит к снижению pH. Вода становится более кислой, а последствия этого процесса уже заметны для морских экосистем. Средний показатель кислотности океана сейчас равен примерно 8,1, тогда как еще недавно за условную норму брали значение 8,2. По прогнозам, к 2300 году уровень может упасть до 7,3 - это сделает океан почти в десять раз кислее нынешнего состояния. Для обитателей морей подобные изменения означают не просто сдвиг химического равновесия, а реальную угрозу физиологическим процессам, начиная от формирования раковин у моллюсков и заканчивая охотничьим поведением акул. Чтобы выяснить, как именно кислотная среда отражается на зубах акул, группа немецких исследователей провела эксп ...>>

Почтовый космический корабль Arc 03.10.2025

Космические технологии становятся частью инфраструктуры, способной повлиять на логистику, медицину и даже военную сферу. Идея использовать орбиту как глобальный склад для срочных поставок звучала еще недавно как научная фантастика, но стартап Inversion пытается превратить ее в практическое решение. Компания Inversion появилась в начале 2021 года благодаря Джастину Фиаскетти и Остину Бриггсу, которые на тот момент были студентами Бостонского университета. Их замысел состоял в том, чтобы сделать возможной доставку грузов не только через спутниковые сети данных, но и в буквальном смысле - физических предметов. В основе лежит простая мысль: если космос обеспечивает доступ к любой точке Земли, то и грузы должны перемещаться тем же маршрутом. Уже за три года работы команда из 25 специалистов успела построить демонстрационный аппарат "Ray". Его запуск состоялся в рамках миссии SpaceX Transporter-12. Устройство весом 90 килограммов проверяло ключевые технологии Inversion, включая двухком ...>>

Лазерное обогащение урана 02.10.2025

Ядерная энергия остается одним из ключевых источников стабильного электричества, особенно для стран с растущими потребностями в энергоснабжении. Однако обеспечение бесперебойных поставок топлива для атомных станций требует современных технологий обогащения урана, которые одновременно эффективны и безопасны. Американская компания Global Laser Enrichment (GLE) делает значительный шаг в этом направлении, завершив масштабное тестирование лазерной технологии обогащения урана. Демонстрационная программа была проведена на объекте в Уилмингтоне, Северная Каролина. Тестирование технологии SILEX (Separation of Isotopes by Laser EXcitation), разработанной австралийской Silex Systems, стартовало в мае 2025 года и продлится до конца года. В ходе экспериментов компания планирует получить сотни фунтов низкообогащенного урана (LEU), который может быть использован в качестве топлива для атомных электростанций. GLE была создана в 2007 году для коммерциализации лазерных методов обогащения урана в С ...>>

Случайная новость из Архива

Морская возобновляемая энергия для миллионов семей 10.10.2024

Морская возобновляемая энергия, обладающая огромным потенциалом для производства чистой и устойчивой энергии, способна обеспечить электричеством миллионы домов по всему миру. В отличие от солнечной и ветровой энергии, ее уникальное преимущество заключается в доступности круглосуточно, что делает ее особенно привлекательной для исследования и внедрения. Одним из ключевых шагов на пути к массовому использованию этой энергии стало создание инструмента Marine and Hydrokinetic Toolkit (MHKiT). Этот проект был разработан Национальной лабораторией возобновляемой энергии (NREL), Тихоокеанской северо-западной национальной лабораторией (PNNL) и Национальными лабораториями Сандия (Sandia) в США и нацелен на то, чтобы помочь исследователям использовать морскую энергию для обеспечения около 22 миллионов домов.

Морская возобновляемая энергия включает использование океанских волн, приливов, подводных течений и даже температурных градиентов для выработки электричества. Важной особенностью этой энергии является ее стабильность - в отличие от ветра и солнца, источники морской энергии могут обеспечивать электричество в любое время суток. Однако для эффективного использования этого потенциала исследователям необходимо не только разрабатывать новые технологии, но и иметь точные данные о состоянии океанов и их движениях. Именно здесь на помощь приходит MHKiT.

Инструмент MHKiT предоставляет ученым стандартизированные данные и анализ, что позволяет моделировать и прогнозировать производительность технологий морской энергии с учетом реальных условий океанов. С его помощью исследователи могут лучше понимать, как их устройства будут взаимодействовать с волнами, течениями и другими факторами, что повышает точность прогнозов и эффективности выработки энергии. Одним из таких применений является использование подводных турбин, которые преобразуют движение океанических течений и температурные градиенты в электроэнергию.

MHKiT был разработан для использования на двух популярных платформах программирования - MATLAB и Python, каждая из которых востребована в определенных кругах исследователей. В последнем обновлении для MATLAB были добавлены функции визуализации турбулентности и речных течений, а также возможность моделирования экстремальных морских условий. Это значительно расширяет возможности ученых для анализа влияния сложных и динамичных условий моря на производительность их устройств.

Обновления для Python, в свою очередь, поддерживают работу с многомерными данными, предоставляемыми агентствами, такими как Программа информации о прибрежных данных (CDIP) и Национальное управление океанических и атмосферных исследований (NOAA). Это позволяет исследователям более точно идентифицировать значимые волновые события и рассчитывать такие параметры, как высота волн, что важно для оценки безопасности и эффективности энергетических систем.

Основное преимущество MHKiT заключается в его стандартизированных кодах и программных средствах, которые обеспечивают проверку качества данных и их анализа. Это гарантирует, что исследования, проведенные с помощью инструментария, будут достоверными и смогут применяться в реальных условиях. Кроме того, MHKiT является открытой платформой, что позволяет исследователям по всему миру вносить свои улучшения и обновления в проект.

Морская возобновляемая энергия уже сейчас привлекает внимание как один из перспективных источников чистой энергии. С помощью инструментов, таких как MHKiT, исследователи могут быстрее разрабатывать эффективные и масштабируемые решения для производства энергии из океанических источников. Это особенно важно в контексте глобальных усилий по сокращению выбросов углекислого газа и переходу на возобновляемые источники энергии.

Новый MHKiT открывает новые возможности для использования морской энергии и может сыграть ключевую роль в создании устойчивого энергетического будущего для миллионов семей по всему миру.

Другие интересные новости:

▪ Samsung с новой ОС

▪ Самое опасное загрязнение воздуха

▪ 4 млрд. абонентов GSMA

▪ Японцы готовят новые типы цифровых видеомагнитофонов

▪ Фонарик с подзаводом

Лента новостей науки и техники, новинок электроники

 

Интересные материалы Бесплатной технической библиотеки:

▪ раздел сайта Загадки для взрослых и детей. Подборка статей

▪ статья Разведение костра. Виды костров. Основы безопасной жизнедеятельности

▪ статья Кого боялся Уолт Дисней? Подробный ответ

▪ статья Донник лекарственный. Легенды, выращивание, способы применения

▪ статья Охрана и сигнализация через мобильную связь. Справочник

▪ статья Акустическая система VERNA 50А. Энциклопедия радиоэлектроники и электротехники

Оставьте свой комментарий к этой статье:

Имя:


E-mail (не обязательно):


Комментарий:





Главная страница | Библиотека | Статьи | Карта сайта | Отзывы о сайте

www.diagram.com.ua

www.diagram.com.ua
2000-2025