Menu Home

Бесплатная техническая библиотека для любителей и профессионалов Бесплатная техническая библиотека


Сопряжение с компьютером цифрового мультиметра серии 830. Энциклопедия радиоэлектроники и электротехники

Бесплатная техническая библиотека

Энциклопедия радиоэлектроники и электротехники / Микроконтроллеры

Комментарии к статье Комментарии к статье

Подключение малогабаритного мультиметра к персональному компьютеру позволяет проводить статистическую обработку результатов серии измерений. Например, возможно исследовать разброс параметров группы компонентов или изменения напряжения и емкости аккумуляторов в процессе разрядки. Можно представить и ряд других применений такого "тандема.

В последнее время среди радиолюбителей получили распространение мультиметры серии 830, например, DT830 или М-830. Они обладают сравнительно небольшой погрешностью, что позволяет использовать их для широкого круга измерений.

С помощью предлагаемого устройства можно вводить данные с мультиметра в компьютер для дальнейшей обработки. Мультиметры, обладающие этой функцией, обычно снабжены интерфейсом RS232 и относительно дороги.

Сопряжение с компьютером цифрового мультиметра серии 830
Рис.1.

Предлагаемый адаптер выполнен на недорогих широкодоступных компонентах. Числовые данные считываются непосредственно с выводов АЦП мультиметра и передаются по последовательному каналу. Не рекомендуется для этой доработки использовать мультиметры, в которых установлена микросхема АЦП в бескорпусном варианте.

Сердцем мультиметров серии 830 является АЦП ICL7106 (отечественный аналог К572ПВ5; описание можно найти в [1]). Описание работы и схему мультиметра можно найти в [2, 3]. АЦП взаимодействует с ЖКИ посредством статического управления [4] - каждый элемент изображения управляется через отдельный вывод микросхемы, на который подаются прямоугольные импульсы напряжения, сдвинутые по фазе на 0° или 180° относительно импульсов, подаваемых на общий провод индикатора. При совпадении фаз на выводах ЖКИ сегмент не возбуждается.

Предлагаемое устройство состоит из двух частей: блока преобразования данных с АЦП (ЖКИ мультиметра) и блока передачи данных в компьютер.

В блоке преобразования для определения состояния слаботочных выводов управления индикатором применены КМОП сдвиговые регистры с параллельной загрузкой DD1-DD3 (рис. 1).

Устройство работает следующим образом. При низком уровне на выводе 1 регистров DD1-DD3 производится асинхронная загрузка.

После подачи на этот вывод (по линии RD) высокого уровня происходит фиксация данных, которые сдвигаются по фронту тактовых импульсов на выводе 2.

Данные снимаются с вывода 9 регистра DD3 на шину DATA.

Так как семисегментный код является избыточным (биты с и d - "лишние"), в этих разрядах можно дополнительно передать информацию о запятых. Эта информация снимается с выводов 12 и 16 ЖКИ мультиметра.

Эти выводы могут соединяться с коллекторами транзисторов или непосредственно с многопозиционным переключателем мультиметра. Этот переключатель, в свою очередь, коммутирует их непосредственно с плюсовым выводом батареи питания (высокий уровень). Такое состояние не позволяет различить запятые при высоком уровне на выводе ВР (вывод 21 АЦП). Обе запятые будут погашены, так как на выводах 12 и 16 ЖКИ присутствует высокий уровень.

Блок передачи данных можно построить различными способами. Его простой вариант показан на рис. 2. Он служит для согласования с портом LPT и полностью размещается в подходящем корпусе разъема XS1.

Сопряжение с компьютером цифрового мультиметра серии 830
Рис.2.

Питание осуществляется от внешнего источника напряжением 9...15 В. Разъемы ХР2 и ХРЗ соединяют с помощью плоского ленточного кабеля, имеющего соответствующие ответные разъемы - IDC-10F. Вилка ХР2 может отсутствовать, если кабель подключен непосредственно к порту.

При отключенном разъеме ХР2 микросхемы DD1-DD3 обесточены, и мультиметр можно использовать обычным образом. Управление передачей данных полностью осуществляется компьютером. Исходный код управляющей программы для DOS находится в файле mjpt.cpp архива программ.

Приведенный вариант блока не имеет гальванической развязки, поэтому использовать его следует с большой осторожностью. Попадание в порт LPT, например, напряжения 30В при пробое в микросхеме АЦП может вывести из строя материнскую плату.

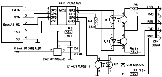
Для устранения этого недостатка была разработана более сложная схема блока передачи данных (рис. 3). Он представляет собой микроконтроллерный блок, имеющий гальваническую развязку и осуществляющий передачу данных по последовательному каналу RS232. Применение однокристального микроконтроллера позволило максимально снизить энергопотребление и уменьшить габариты.

Микроконтроллер PIC12F629 имеет 1024 слова FLASH памяти программ, 64 байта памяти данных, 6 портов ввода/вывода, внутренний генератор тактовой частоты 4 МГц. Он не имеет аппаратного приемопередатчика (USART), поэтому протокол RS232 воспроизводится программно.

Таблица 1

Сопряжение с компьютером цифрового мультиметра серии 830

Работает микроконтроллер от внутреннего тактового генератора 4 МГц, для которого предусмотрена программная калибровка. Также в блоке можно использовать микроконтроллер PIC12F675, идентичный PIC12F629 с дополнительным четырехканальным АЦП (10 бит). Остальные параметры этих микроконтроллеров и техническую документацию можно найти в [5, 6].

Программирование можно произвести с помощью программатора ЕРЮ. Прошивка приведена в таблице 1.

Все элементы блока по схеме рис. 3, за исключением разъема ХР4, можно разместить внутри корпуса мультиметра, соединяемого с СОМ портом обычным модемным кабелем.

Информационные данные выдаются двухбайтными пакетами по запросу. Запрос через оптопару U3 формируется на выводе 7 DD5 перепадом сигнала из высокого в низкий уровень, что соответствует передаче компьютером нулевого байта.

После получения запроса в течение 3 мс происходит загрузка данных из регистров DD1-DD3 и их преобразование. Далее происходит передача первого байта (2 мс для скорости 4800 бит/с) и выдерживается пауза в 3 мс. После этого передается второй байт, и блок передачи данных выключается до следующего запроса.

Формат передаваемых байтов показан на рис. 4. NUM1 - старший разряд ЖКИ, NUM4 - соответственно младший разряд. KF - коэффициент, на который делится полученное значение индикатора. Например, показания индикатора (-12,36) будут соответствовать: NUM = 1, NUM2 = 2, NUM3 = 3, NUM4 = 6, KF = 100, ZNAK = 1.

Сопряжение с компьютером цифрового мультиметра серии 830
Рис. 3

Относительно медленные оптроны гальванической развязки не могут работать на скорости выше 9600 бит/с, хотя в данном устройстве достаточно 2400 бит/с. Прошивка микроконтроллера задает скорость передачи 4800 бит/с.

Выходной узел блока передачи выполнен на оптронах U1 и U2 по симметричной схеме. Различающиеся уровни на выводах 5 и 6 DD5 включают излучающий диод одного из оптронов.

Резисторы R5 и R6 служат для защиты СОМ порта при неправильном монтаже или других неисправностях. Оптронная цепь запроса (U3) выполнена по несимметричной схеме. Диод VD1 служит для защиты светодиода оптрона от обратного напряжения на входе.

Теперь несколько слов о работе программного обеспечения. Управляющее программное обеспечение для компьютера и PIC контроллера построено одинаковым образом [7]. Каждый цикл преобразования числовых данных с ЖКИ мультиметра состоит из следующих шагов. Сначала происходит фиксация (запись) информации в регистрах, затем ее последовательный сдвиг и чтение в память, инвертирование всех разрядов при высоком уровне на выводе 21 (ВР) АЦП, чтение знака, запятых и старшего разряда ЖКИ, преобразование остальных разрядов ЖКИ, проверка ошибок. Программа для PIC контроллера дополнительно осуществляет упаковку данных в два байта и их передачу по последовательному каналу.

Сопряжение с компьютером цифрового мультиметра серии 830
Рис. 4

Вместо указанных на схеме оптронов U1, U2 можно применить сдвоенный прибор TLP521-2. Конденсаторы С2, C3 - К50-35 или иные малогабаритные. Конденсаторы С1, С4 - керамические. Резисторы - любые, предназначенные для поверхностного монтажа (типоразмер 1206).

Тип разъема XS1 зависит от применяемого удлинительного кабеля (на схеме указан для стандартного кабеля принтера). Печатную плату изготавливают индивидуально для имеющейся модели мультиметра и размещают внутри него. Микросхемы DD1-DD3 монтируют на поверхность печатной платы с обеих сторон. На той же печатной плате могут располагаться элементы устройства, показанные на рис. 3. Вилку ХР4 устанавливают непосредственно на корпусе мультиметра.

Можно использовать импортный аналог регистра КР1564ИР9 - 74НС165 в корпусе для поверхностного монтажа. Тогда микросхемы DD1-DD3 монтируют на односторонней печатной плате размерами 50x13 мм, а остальные элементы - на отдельной печатной плате. Однако из-за уменьшенного шага выводов (1,27 мм) монтаж значительно усложняется. В стабилизаторе напряжения DA1 возможно применение 78L05, КР1157ЕН5А или КР1157ЕН502А с учетом различия в нумерации выводов.

Скачать архив программного обеспечения для сопряжения цифрового мультиметра с компьютером.

Литература

  1. Бирюков С. Применение АЦП КР572ПВ5. - Радио, 1998, № 8, с. 62-65.
  2. Афонский А., Кудреватых Е., Плешкова Т. Малогабаритный мультиметр М-830В. - Радио, 2001, № 9, с. 25-27.
  3. Садченков Д. А. Современные цифровые мультиметры. - М.: СОЛОН-Р, 2001.
  4. Библиотека электронных компонентов. Выпуск 8: Жидкокристаллические индикаторы фирмы DATA International - М.: ДОДЭКА, 1999.
  5. DS41190А. PIC12F629/675 Data Sheet.

Автор: В. Степнев; Публикация: cxem.net

Смотрите другие статьи раздела Микроконтроллеры.

Читайте и пишите полезные комментарии к этой статье.

<< Назад

Последние новости науки и техники, новинки электроники:

Дети, растущие рядом с природой, обретают крепкие кости 02.03.2026

Влияние окружающей среды на здоровье человека становится все более очевидным, особенно в детском возрасте. Новое исследование, опубликованное в журнале JAMA Network Open, показывает, что близость к природе напрямую связана с крепостью костей у детей. Ученые установили, что у детей, чьи дома окружены природными территориями в радиусе 1000 метров на 25% больше обычного, риск развития крайне низкой плотности костей снижается на 65%. Для проведения исследования были проанализированы данные более 300 детей, проживающих в городских, пригородных и сельских районах Фландрии в Бельгии. Плотность костной ткани у детей в возрасте от четырех до шести лет оценивалась с помощью ультразвуковых методов. Такой подход позволил безопасно и точно измерить состояние костей на ранних этапах формирования скелета. При анализе учитывались ключевые факторы, влияющие на рост и развитие детей: возраст, вес, рост, этническая принадлежность и уровень образования матери. На основании этих параметров исследоват ...>>

Самовосстанавливающаяся инфраструктура будущего 02.03.2026

Современные мосты и бетонные конструкции по всему миру сталкиваются с проблемой устаревания и износа. Многие сооружения, построенные до 1980-х годов, постепенно теряют свою несущую способность, что требует дорогого ремонта или полной замены. Недавние разработки ученых из Швейцарских федеральных лабораторий материаловедения и технологий (Empa) предлагают инновационное решение - систему укрепления бетонных конструкций с помощью "умной стали", способной самостоятельно устранять трещины и повреждения. В основе новой технологии лежит арматура из сплава на основе железа с эффектом памяти формы (Fe-SMA). Этот материал обладает уникальным свойством: при нагревании до 190-200 °C стержни стремятся вернуться к своей первоначальной конфигурации. В бетонной конструкции это создает внутреннее напряжение, которое затягивает трещины и выравнивает деформированные элементы, существенно повышая прочность и долговечность сооружений. Актуальность разработки объясняется критическим состоянием инфрастр ...>>

Поцелуи полезны для здоровья 01.03.2026

Вопрос о том, как социальные связи и близость с партнером отражаются на здоровье человека, привлекает внимание не только психологов, но и специалистов в области микробиологии. Новое исследование показывает, что совместное проживание с любимым человеком может оказывать значительное влияние на микробиом кишечника и общее самочувствие. Доктор Наоми Миддлтон, клинический психологи и эксперт по здоровью кишечника, объяснила, что все аспекты совместной жизни - поцелуи, совместное питание, физическая близость и даже просто пребывание рядом - тесно связаны с поддержанием сбалансированной кишечной микрофлоры. Она подчеркивает, что здоровье экосистемы кишечника во многом определяется социальными взаимодействиями и повседневной близостью с другими людьми. По словам Миддлтон, длительное совместное пребывание с партнером может способствовать увеличению микробного разнообразия в кишечнике, а также снижать воспалительные процессы, связанные со стрессом. Такой эффект обусловлен тем, что микробио ...>>

Случайная новость из Архива

Мобильная зарядная станция Wuling 141 кВтч 09.11.2024

С ростом популярности электромобилей во всем мире, возникает новая задача - обеспечение удобного и гибкого доступа к зарядным станциям. Китайская автомобильная компания Wuling предложила инновационное решение: мобильные зарядные станции для электромобилей, способные значительно расширить возможности зарядки в условиях повышенного спроса. Эти автономные устройства демонстрируют гибкость и мобильность, что делает их перспективными для использования в различных сферах.

Wuling представила две версии мобильных зарядных станций. Первая - компактная, по размерам сравнима с тележкой для мороженого, что делает ее удобной для перемещения и использования в условиях ограниченного пространства. Вторая модель значительно крупнее - ее габариты составляют 2280x940x1969 мм, и она оснащена системой автономного передвижения с максимальной скоростью 5 км/ч. Именно эта версия с батареей на 141 кВтч привлекла особое внимание благодаря своей высокой емкости и широким возможностям.

Мобильные зарядные станции Wuling решают проблему нехватки стационарных зарядных устройств, которая становится особенно острой при резком увеличении количества электромобилей на дорогах. Испытания, проведенные в Китае, показали, что такие мобильные устройства могут существенно повысить эффективность зарядной инфраструктуры, предлагая гибкие и мобильные решения для электромобилей в разных условиях эксплуатации.

Компания Wuling называет свои зарядные станции "мобильными транспортными средствами для накопления энергии" (MESCV). Эти устройства были разработаны с учетом специфики китайского рынка, где необходимость гибких и автономных решений для зарядки электромобилей особенно актуальна. Однако сферы их применения могут быть гораздо шире: такие станции можно использовать в автосалонах, на сервисных центрах, в университетских городках или на заводах, где периодически возникает потребность в мобильных источниках энергии.

Одним из ключевых преимуществ MESCV является возможность зарядки в период минимальных тарифов на электроэнергию и последующего использования накопленной энергии в любое удобное время и месте. Это не только делает станции более экономичными, но и способствует снижению нагрузки на энергосистему в часы пик.

Топовая автономная версия зарядной станции с емкостью батареи 141 кВтч стоит около $42 тыс., что делает ее привлекательным решением для компаний и крупных предприятий. Меньшая модель VA100T с батареей на 30 кВтч, которая не имеет возможности самостоятельного передвижения и требует транспортировки вручную, оценивается в $11 тыс., что открывает возможности для более бюджетных пользователей.

Мобильные зарядные станции Wuling представляют собой перспективное решение для будущего, где зарядка электромобилей будет более доступной и гибкой. Эти устройства могут играть важную роль в развитии зарядной инфраструктуры, особенно в условиях массового перехода на электрический транспорт.

Другие интересные новости:

▪ Моделируется шаровая молния

▪ Броня морского конька

▪ Новый метод наблюдений за Солнцем

▪ Компьютерную игру признали лекарством

▪ Полностью автономный шаттл

Лента новостей науки и техники, новинок электроники

 

Интересные материалы Бесплатной технической библиотеки:

▪ раздел сайта Мобильная связь. Подборка статей

▪ статья Жизнь есть борьба. Крылатое выражение

▪ статья Почему длительность звучания и диаметр компакт-диска выбрали именно такими? Подробный ответ

▪ статья Мальва лесная. Легенды, выращивание, способы применения

▪ статья Основы теории электроснабжения. Энциклопедия радиоэлектроники и электротехники

▪ статья Загадки про снег, лед, мороз

Оставьте свой комментарий к этой статье:

Имя:


E-mail (не обязательно):


Комментарий:





Главная страница | Библиотека | Статьи | Карта сайта | Отзывы о сайте

www.diagram.com.ua

www.diagram.com.ua
2000-2026