Menu Home

Бесплатная техническая библиотека для любителей и профессионалов Бесплатная техническая библиотека


Микросхема TDA8362 в 3УСЦТ и других телевизорах. Часть 3. Энциклопедия радиоэлектроники и электротехники

Бесплатная техническая библиотека

Энциклопедия радиоэлектроники и электротехники / Телевидение

Комментарии к статье Комментарии к статье

Установить МРКЦ в телевизорах УЛПЦТ довольно просто: нужно снять блоки БРК и БЦ и разместить МРКЦ вместо БРК, выполнив небольшие изменения в других блоках. Такая замена приводит к очень эффективному результату - упразднены два из трех наиболее громоздких блоков телевизора, значительно уменьшена потребляемая мощность, более чем вдвое сокращено число радиоламп. Все это существенно улучшает температурный режим в корпусе телевизора - его "ахиллесову пяту", основную причину частых возгорании. Вместо соединителей, указанных на рассмотренных ранее схемах, на плате МРКЦ устанавливают розетку Ш15 и присоединяют кабели к вилкам Ш2а, Ш7а, Ш15а для подачи необходимых напряжений и сигналов. Кабель Ш9, соединявший БРК с БЦ, снимают за ненадобностью. Вместо лампового УЗЧ следует применить модуль УМ1-3 от УПИМЦТ. Используемый в телевизоре барабанный селектор СК-М-15, имеющий очень низкий коэффициент усиления Ку (8 дБ), заменяют на СК-М-24, СК-Д-24 или на более современный с установкой УВП типа УСУ-1-15 или МСН-501.

Значительное снижение потребляемого тока по всем напряжениям питания требует подбора номиналов гасящих резисторов в блоке коллектора с целью возврата к штатным номинальным напряжениям. Напряжение +12 В в УЛПЦТ формируется в блоке управления из напряжения +24 В со стабилизатором из гасящего резистора и стабилитрона Д814Б. Этот узел слишком слаб для питания МРКЦ и должен быть заменен на блок, рассчитанный на больший ток.

Если владельца модернизируемого телевизора удовлетворяют принятые ранее параметры модуля - принимать только системы SECAM и PAL, стандарты

В и G в телевизоре ЗУСЦТ с селекторами СК-М-24-2, СК-Д-24, - то можно без каких-нибудь изменений собирать МРКЦ по рассмотренным ранее принципиальным схемам.

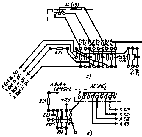
Печатная плата модуля показана на рис.12.а и рис.12.б

Она пригодна для УВП любого типа со следующей оговоркой. При использовании МСН-501 на плате должны присутствовать все печатные проводники, показанные на рис. 12,а и б сплошными и штриховыми линиями, а также все детали, кроме резистора R78.

При использовании УВП типов УСУ, СВП печатные проводники, показанные штриховыми линиями, не делают, а детали VD1, VD5-VD7, R35, R81- R84, С23, соединитель Х7 (А13) не устанавливают. Соединитель Х10 (А13) заменяют на Х5 (А9). Изменения, которые при этом необходимо сделать на печатной плате, изображены на рис. 13,а: резисторы R46, R47, R79 и конденсатор С40 располагают так же, как и на рис. 12,а. Конденсаторы С57-С59 размещают по-новому, совместно с резисторами R72-77.

Вместо соединителя Х2 (А13) устанавливают соединитель Х2 (А10). При этом его контакты 2, 3, 5, 6 включают аналогично контактам 3-6 соединителя Х2 (А13), как показано на рис. 13.б.

При желании использовать какую-нибудь из перечисленных ранее модификаций полезно составить полную принципиальную схему будущего модуля на основе рассмотренных ранее схем и рекомендаций, выбрав из них необходимые элементы. Затем внести необходимые изменения в печатную плату модуля (в рисунок печатных проводников).

Детали модуля размещают на плате из двустороннего фольгированного стеклотекстолита толщиной 2 мм. Трассировка печатных проводников модуля выполнена с учетом размещения выводов деталей в узлах сетки 2,5х2,5 мм и уменьшенного расстояния между выводами микросхемы TDA8362 (1,778 вместо привычных 2,5 мм). Это заставило выводить последние на обе стороны платы. В подробном описании микросхемы TDA8362 [1], с которым следует познакомиться, особо подчеркнута необходимость при трассировке платы обеспечить минимальную длину проводников между выводами 28, 29 микросхемы TDA8362 и выводами 11, 12 микросхемы TDA4661, а также от общего провода (вывод 9 микросхемы TDA8362) к конденсаторам, соединенным с ее выводами 12, 33, 42. Вывод 3 микросхемы TDA4661 (общий провод ее цифровой части) и вывод конденсатора С32, соединяемый с общим проводом, отдельным проводником ("цифровая земля") подключить к контакту 5 соединителя Х4 (A3).

В модуле применяют селекторы каналов, снимаемые с платы МРК модернизируемого телевизора. Резисторы - МЛТ с номиналами по ряду Е24 и допуском ±5 %. Все регулировочные резисторы - СПЗ-38б. Конденсаторы емкостью до 0,22 мкф - керамические К10-7 или К10-176 с рабочим напряжением не менее 16 В и допуском ±20 %. Конденсаторы С7, С9, С56-С59, С73 емкостью 1...10 мкф - танталовые К53-3, К53-34, К53-35, остальные емкостью 1...470 мкф - оксидные К50-6, К50-16, К50-35. Конденсаторы С41, С45, С49 - керамические КД-1, КД-2, КМ-3 или стеклокерамические К21-8, К21-9 на напряжение не ниже 250 В. Конденсаторы С44, С48, С52 - керамические К10-47 или полиэтиленте-рефталатные К73-17, К73-24, К73-30 напряжением не ниже 250 В. Катушки L1, L2, L4 - ЕС-24; 13 - контур 11 или L2 от СМРК-2.

Микросхема TDA8362 может быть заменена ее полным аналогом TDA8362N3; TDA8395 - микросхемой TDA8395P или ILA8395; TDA4661 - микросхемами TDA4665, TDA4660. При использовании последней к ее выводу 13 дополнительно подключают резистор МЛТ-0,125 номиналом 1 МОм, соединяемый вторым выводом с общим проводом.

Синтезатор напряжений МСН-501, МСН-501 -4 включают в розетки модуля своими штатными соединителями, без изменений в их цоколевках. В зависимости от места размещения МСН в корпусе телевизора может понадобиться удлинение соединяющих кабелей. Синтезаторы МСН-501-8, МСН-501-9 могут быть использованы после небольшой переделки. Сигнал СОС в этих моделях подан на микроконтроллер не с вывода 2 соединителя Х10 (А1), как для МСН-501, МСН-501-4, а с его же узла формирования, собранного на транзисторах VT14-VT18. В синтезатор вносят изменения по схеме на рис. 14. Транзисторы VT14-VT18 больше не требуются. Для их отключения от цепей питания и выходов следует выпаять резистор R75 (10 Ом) и диоды VD14-VD16 (КД521Б). Резисторы R42. R43 следует заменить новыми с номиналами 620 и 510 кОм соответственно. Вывод резистора R43 соединяют проводом со свободным гнездом 2 вилки соединителя Х10 (А1). Нумерация деталей дана согласно заводской схеме телевизора "Горизонт - CTV518".

Микросхема TDA8362 в 3УСЦТ и других телевизорах
Рис.13

Налаживание модуля рекомендуется проводить в следующем порядке.

Проверить и при необходимости отрегулировать напряжения на выходах модуля питания и настройку телевизора на принимаемые программы при выключенной системе АПЧГ.

Проверить омметром цепи питания модуля. Сопротивление цепи +220 В по отношению к общему проводу должно быть около 500 кОм, цепи +12 В - больше 750 Ом, цепей +8 В и 5,6 В - 700 и 600 Ом соответственно. При этих и дальнейших измерениях следует строго соблюдать полярность включения омметра.

Снять заднюю стенку телевизора, разместить МРКЦ на столе рядом с телевизором. Сохраняя все модули телевизора на месте, отключить кабели Х2 (А10), Х9 (А9) от блока МРК телевизора и подключить к МРКЦ. Если в телевизоре используют синтезатор МСН, это будут соединители Х2 (А13), Х9 (А9). На вилку соединителя Х4 (A3) МРКЦ надеть розетку наладочного кабеля, собранного по схеме, показанной на рис. 15. Вилку этого кабеля включают в розетку X1N платы ПСП (A3). К контакту 10 вилки соединителя Х5 (A3) подключают показанные на рис. 15 резисторы R301, R302, чтобы подать временно напряжение +2,5 В на вывод 43 микросхемы DA1. Остальные соединители будут подключены к МРКЦ позднее. Снять селекторы каналов с блока МРК, установить их на плате МРКЦ, подключить антенну.

Микросхема TDA8362 в 3УСЦТ и других телевизорах
Рис.14

Микросхема TDA8362 в 3УСЦТ и других телевизорах
Рис.15

Литература

  1. Брылов В. 68 программ в телевизорах ЗУСЦТ. - Радио, 1997, № 11

Автор: В. Брылов, г. Москва; Публикация: Н. Большаков, rf.atnn.ru

Смотрите другие статьи раздела Телевидение.

Читайте и пишите полезные комментарии к этой статье.

<< Назад

Последние новости науки и техники, новинки электроники:

Хорошо управляемые луга могут компенсировать выбросы от скота 15.02.2026

Животноводство, особенно разведение крупного рогатого скота, часто обвиняют в значительном вкладе в глобальное потепление из-за мощного парникового газа - метана, который выделяется при пищеварении у жвачных животных. Это вызывает острые политические споры и призывы к сокращению потребления мяса. Однако ученые напоминают, что полная картина климатического воздействия отрасли не ограничивается только выбросами от животных: огромную роль играет окружающая экосистема - пастбища, почва и растительность, которые способны активно поглощать углекислый газ из атмосферы. Исследователи из Университета Небраски-Линкольна решили глубже изучить этот баланс. Группа под руководством профессора Галена Эриксона сосредоточилась на том, как правильно организованные пастбища накапливают углерод в растениях и грунте благодаря естественным процессам, стимулируемым выпасом скота. Ученые подчеркивают, что при достаточном уровне осадков и грамотном управлении такие луга превращаются в мощные природные погло ...>>

NASA тестирует инновационную технологию крыла 15.02.2026

Коммерческая авиация ежегодно расходует колоссальные объемы керосина, что сказывается не только на бюджете авиакомпаний, но и на состоянии окружающей среды. В 2024 году глобальные затраты на авиационное топливо достигли 291 миллиарда долларов, и эта сумма продолжает расти. Чтобы справиться с этими вызовами, NASA активно работает над технологиями, способными заметно повысить аэродинамическую эффективность самолетов. Одним из самых перспективных направлений стало создание специальной конструкции крыла, которая максимизирует естественный ламинарный поток воздуха и минимизирует сопротивление. В январе 2026 года специалисты NASA Armstrong Flight Research Center успешно провели важный этап наземных испытаний концепции Crossflow Attenuated Natural Laminar Flow (CATNLF). Для эксперимента под фюзеляж исследовательского самолета F-15B закрепили вертикально ориентированную масштабную модель высотой около 0,9 м (3 фута), напоминающую узкий киль. Такая компоновка позволила подвергнуть прототип р ...>>

Забота о внуках очень полезна для здоровья мозга 14.02.2026

Общение между поколениями приносит радость всей семье, но мало кто задумывается, насколько активно бабушки и дедушки, заботящиеся о внуках, поддерживают свою умственную форму. Регулярное взаимодействие с детьми стимулирует мозг пожилых людей, помогая сохранять память, скорость мышления и общую когнитивную активность. Новые научные данные подтверждают, что такая добровольная помощь не только важна для общества, но и может замедлять возрастные изменения в мозге. Исследователи из Тилбургского университета в Нидерландах провели анализ, чтобы понять, приносит ли уход за внуками реальную пользу здоровью пожилых людей. Ведущий автор работы Флавия Черечес отметила, что многие бабушки и дедушки регулярно присматривают за детьми, и оставался открытым вопрос, насколько это положительно сказывается на их собственном благополучии, особенно в плане когнитивных функций. Ученые поставили цель выяснить, способен ли регулярный уход за внуками замедлить снижение памяти и других умственных способ ...>>

Случайная новость из Архива

Интеллект рыб - ключ к успеху в любовных делах 02.03.2025

Оказывается, не только у людей ум и сообразительность играют важную роль в выборе партнера. Новое исследование, проведенное учеными Австралийского национального университета, показало, что когнитивные способности самцов рыб гамбузии напрямую влияют на их успех в привлечении самок и, как следствие, на количество потомства.

Исследователи провели серию подводных испытаний, чтобы оценить интеллект самцов. Рыбам предлагалось пройти лабиринты, преодолеть прозрачные барьеры и запомнить расположение цветных пятен. Успешно справившиеся с заданиями самцы получали награду, подтверждающую их высокий уровень интеллекта.

Затем ученые наблюдали за тем, как самцы гамбузии конкурируют за внимание самок. В течение двух месяцев они провели более 2000 тестов на отцовство, чтобы определить, сколько потомства оставил каждый самец. Результаты показали, что "умные" самцы, успешно прошедшие подводные испытания, спаривались с большим количеством самок и, соответственно, имели больше потомства, чем менее сообразительные соперники.

Это исследование подтверждает, что эволюция когнитивных способностей может быть тесно связана с половым отбором. Самки, по-видимому, предпочитают более умных самцов, возможно, потому что они видят в них более надежных партнеров или обладателей лучших генов. Кроме того, более сообразительные самцы, вероятно, более успешно ухаживают за самками и "убеждают" их в необходимости спаривания.

Таким образом, интеллект рыб оказался важным фактором в их репродуктивном успехе, что подчеркивает сложность и многогранность эволюционных процессов.

Другие интересные новости:

▪ Свойства магнитного материала: от изолятора к металлу

▪ Водородный генератор Panasonic

▪ Психологическое состояние солдата покажет специальный маркер

▪ Альтернативная реальность для разведчиков

▪ Астероид из кухонной соли

Лента новостей науки и техники, новинок электроники

 

Интересные материалы Бесплатной технической библиотеки:

▪ раздел сайта Альтернативные источники энергии. Подборка статей

▪ статья Кажинный раз на этом самом месте. Крылатое выражение

▪ статья Где проходят марафоны, в которых люди соревнуются одновременно с лошадьми? Подробный ответ

▪ статья Воронец красный. Легенды, выращивание, способы применения

▪ статья Приготовление жемчужной эссенции. Простые рецепты и советы

▪ статья Дрессированная собачка. Секрет фокуса

Оставьте свой комментарий к этой статье:

Имя:


E-mail (не обязательно):


Комментарий:





Главная страница | Библиотека | Статьи | Карта сайта | Отзывы о сайте

www.diagram.com.ua

www.diagram.com.ua
2000-2026