Бесплатная техническая библиотека
Фрезерная машина. Энциклопедия радиоэлектроники и электротехники

Энциклопедия радиоэлектроники и электротехники / Технологии радиолюбителя
Комментарии к статье
Станок успешно, после десятка поломанных при оптимизации алгоритма сверл :-) сверлит мне платы со скоростью около 10 отверстий в минуту даже высокотвердыми сверлами, которые хрупкие как стекло. Сейчас я даже начал баловаться гравировкой, но надо придумать интерфейс. Сейчас это параллельный порт, поэтому под Windows это работать не будет в любом случае :-(. Пошаговый такт вырабатывается компьютером и если найти под Windows таймер, который будет стабильно подавать 100.000 импульсов в секунду, то можно и под Windows, т.к. под DOS'ом он напряжно работает с 3D, а машина это теоретически может.


Параметры станка:
- обрабатываемый обьем - 320х230х110 мм
- теоретическая точность - 200 шагов на мм
- практическая точность - 0.1-0.2 мм (точнее не могу измерить)
- скорость моторов - до 3 оборотов в сек.
- количество осей - сейчас 3, но электроника рассчитана на 4, + 8 концевиков.
Дополнительные сведения, присланные автором проекта
Основная конструкция состоит из 10 мм оргстекла. В качестве направляющих использованы линейные мебельные подшипники (довольно препцизионная вещь, но только если цельнометаллические).
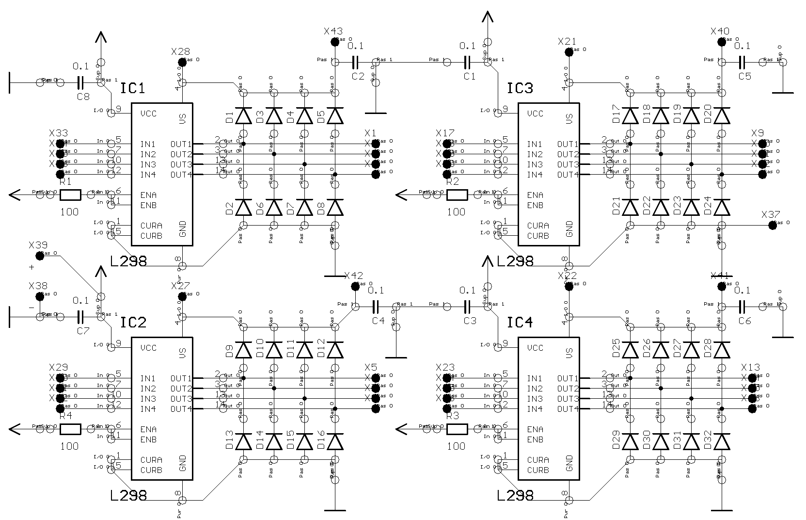
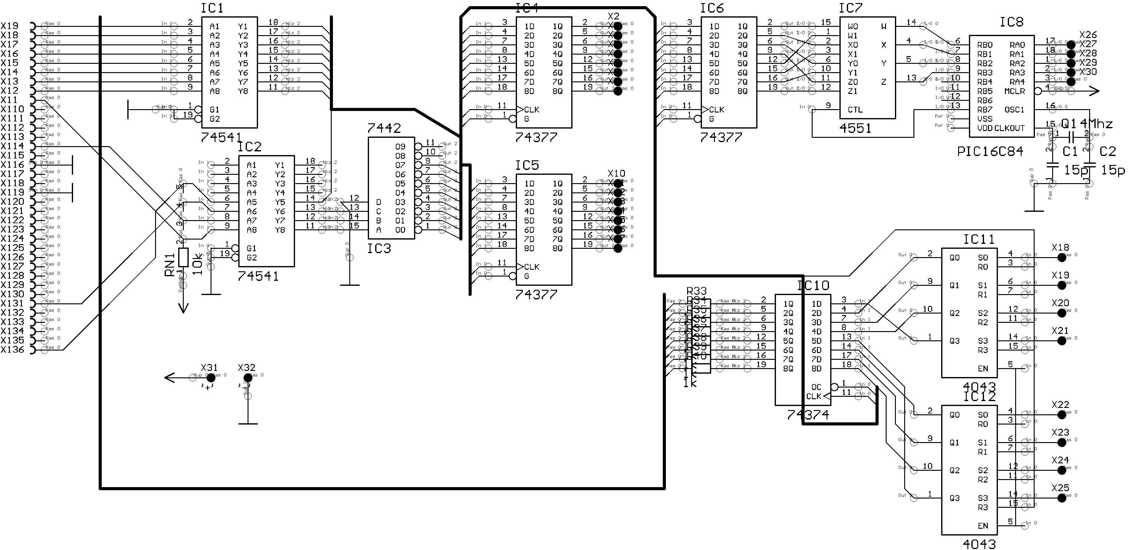
Перемещение осуществляется червячным механизмом (длинный болт М6 с гайкой :), который вращается шаговыми двигателями (маркировка: Vexta Oriental Motor Ltd., C6431-9212, 3.18V, 1.05A, 2-х фазный, 200 шагов на оборот). Моторы питаются через ключи L298 стабилизированным током в 1 А на мотор, Uмакс до 12 Вольт (вообще-то должно быть 2А, но стоят линейные стабилизаторы тока на LM317, и они будут сьедать слишком много энергии).
Схема довольно простая - дешифратор и буферные регистры + RS-триггер для концевиков. Та часть схемы, где PIC16C84 стоит так и не была реализована - это как раз и должен был быть PWM-регулятор... до новой схемы на микроконтроллере руки не дошли.
Дрель: - 10-18V DC, 45-120W, до 20.000 об/минb/min с правильныи прецизионным кулачковым патроном (самая дорогая часть машины стоимостью около 70 DM :)).
Программа: - простая программа, которая использует список координат отверстий, которые я экспортирую скриптом из Eagle 3.55 (cadsoft.de) (пример прилагается). Принцип управления моторами - microstep, все моторы могут вращаться синхронно, т.е. я рассчитываю в начале время перемещения каждого двигателя, беру из этого максимум и подгоняю скорости остальных моторов, при этом задается цикл, например 100000, первый мотор шагает каждые 700 тактов, второй каждые 1400, третий каждые 10000 тактов - получается примерно 143,7 и 10 шагов на мотор... ну и так далее...
Схемы и фотографии.
Автор: Certov Ilja; Публикация: Н. Большаков, rf.atnn.ru
Смотрите другие статьи раздела Технологии радиолюбителя.
Читайте и пишите полезные комментарии к этой статье.
<< Назад
Последние новости науки и техники, новинки электроники:
Токсичность интернета преувеличена
07.01.2026
Социальные сети нередко воспринимаются как арена постоянной агрессии, оскорблений и распространения фейковой информации. Новое исследование Стэнфордского университета показывает, что реальность значительно отличается от популярного представления: интернет гораздо менее токсичен, чем многие пользователи считают.
Ученые опросили более тысячи американцев, попросив их оценить долю пользователей соцсетей, которые ведут себя агрессивно или распространяют ненависть. Оказалось, что впечатления людей сильно преувеличивают масштабы проблемы. Например, респонденты считали, что почти половина пользователей Reddit хотя бы раз оставляла оскорбительные комментарии, тогда как фактические данные платформы показывают, что таких людей не более 3%.
Аналогичная ситуация наблюдается с дезинформацией. Опрос показал, что большинство участников считали почти половину аудитории Facebook распространителями фейковых новостей, однако статистика говорит об обратном: фактическая доля таких пользователей состав ...>>
Процессоры Ryzen AI 400
07.01.2026
Современные вычисления все больше ориентируются на интеграцию искусственного интеллекта и высокую производительность в компактных устройствах, таких как ноутбуки и мини-ПК. Новая линейка процессоров AMD Ryzen AI 400 демонстрирует, как разработчики объединяют мощные центральные ядра, графику и нейросетевые ускорители в одном чипе, чтобы удовлетворять растущие потребности пользователей в играх, контенте и ИИ-приложениях.
AMD представила процессоры серии Gorgon Point, которые включают до 12 ядер Zen 5 и до 24 потоков вычислений. Чипы поддерживают интегрированную графику RDNA 3.5, обеспечивают максимальную тактовую частоту до 5,2 ГГц и имеют энергопотребление от 15 Вт до 54 Вт. Особое внимание уделено NPU, способному обрабатывать до 60 триллионов операций в секунду (TOPS), что делает эти процессоры эффективными для задач с искусственным интеллектом.
Конструкция Ryzen AI 400 сочетает ядра Zen 5 и Zen 5c, обеспечивая высокую гибкость и производительность. Несмотря на то, что архитектур ...>>
Женщины лучше распознают признаки болезни по лицу
06.01.2026
Способность распознавать, что кто-то нездоров, часто проявляется интуитивно: бледная кожа, опущенные веки, уставшее выражение лица могут сигнализировать о недомогании. Новое исследование международной группы ученых показало, что женщины в среднем точнее мужчин улавливают такие тонкие невербальные признаки болезни, что может иметь эволюционные и социальные объяснения.
В отличие от предыдущих работ, где использовались отредактированные фотографии или имитация больных лиц, ученые решили проверить, насколько люди способны распознавать естественные признаки недомогания. Такой подход позволил оценить реальную чувствительность к изменениям в лицах, возникающим при болезни.
В исследовании приняли участие 280 студентов, поровну мужчин и женщин. Участникам предложили оценить 24 фотографии, на которых изображены люди как в здоровом состоянии, так и во время болезни. Это дало возможность сравнить восприятие естественных признаков недомогания в реальных лицах.
Для анализа состояния каждого ...>>
Случайная новость из Архива Твердотельная батарея с плотностью Втч/кг
04.09.2024
Твердотельные батареи становятся все более актуальными благодаря своему потенциалу заменить традиционные литиево-ионные аккумуляторы в различных отраслях, особенно в электромобильной промышленности. Эти батареи обладают значительными преимуществами, такими как повышенная плотность энергии и безопасность. Компания Penghui Energy недавно сделала важный шаг вперед, представив первую в мире твердотельную батарею с плотностью энергии 280 Втч/кг, что открывает новые горизонты в области хранения энергии.
Для сравнения, лучшие современные литиево-ионные аккумуляторы имеют плотность энергии около 250 Втч/кг. Хотя разница может показаться небольшой, именно такие небольшие улучшения часто приводят к значительным изменениям в эффективности и производительности технологий. Однако важнейшим достижением Penghui Energy является то, что новая батарея всего на 15% дороже стандартных аккумуляторов, используемых в электромобилях, что делает ее доступной для массового применения.
Существует три основных метода производства твердотельных батарей: полимерный, серно-галоидный и оксидный. Penghui Energy выбрала оксидный метод, который, хотя и сложен в реализации, обладает значительным потенциалом для повышения эффективности и безопасности батарей. Оксидные электролиты, используемые в этом методе, требуют высоких температур при производстве, что часто приводит к появлению хрупкости в керамических материалах. Однако специалисты компании сумели преодолеть эти трудности, разработав уникальный метод нанесения покрытия на электролит во влажной среде, что позволило существенно снизить температурные нагрузки и упростить производственный процесс.
Помимо этого, Penghui Energy уже планирует дальнейшие улучшения своей технологии. К моменту начала массового производства компания рассчитывает повысить плотность энергии своих батарей до 300 Втч/кг. Это еще больше увеличит эффективность батарей и укрепит их позиции на рынке. Текущая версия батареи рассчитана на 600 циклов зарядки и способна функционировать в широком диапазоне температур - от -20°C до 85°C, что делает ее пригодной для использования в самых различных климатических условиях.
Penghui Energy планирует начать пилотное производство твердотельных батарей в следующем году, а к 2026 году запустить полномасштабное производство. Если эти планы будут успешно реализованы, твердотельные батареи могут стать новым стандартом в индустрии, заменив собой менее эффективные и более дорогие литиево-ионные аналоги.
Разработка и внедрение новых твердотельных батарей от Penghui Energy может стать переломным моментом в развитии технологий хранения энергии. Повышенная плотность энергии, доступная цена и высокая надежность делают эти батареи привлекательными для широкого круга применений, включая электромобили, портативные устройства и системы накопления энергии. В случае успешного внедрения, эти технологии способны кардинально изменить рынок аккумуляторов в ближайшие годы.
|
Другие интересные новости:
▪ Кукуруза, не требующая варки
▪ Универсальные контроллеры питания для беспроводных наушников TWS
▪ Новая серия танталовых конденсаторов
▪ Дети и шум
▪ Новая подвесная акустическая система
Лента новостей науки и техники, новинок электроники
Интересные материалы Бесплатной технической библиотеки:
▪ раздел сайта Детская научная лаборатория. Подборка статей
▪ статья Что позволено Юпитеру, то не позволено быку. Крылатое выражение
▪ статья Кто сказал: Пусть едят пирожные? Подробный ответ
▪ статья Специалист по внешнеэкономической деятельности. Должностная инструкция
▪ статья Электродные покрытия: назначение и состав. Энциклопедия радиоэлектроники и электротехники
▪ статья Остаться с носом. Секрет фокуса
Оставьте свой комментарий к этой статье:
Главная страница | Библиотека | Статьи | Карта сайта | Отзывы о сайте

www.diagram.com.ua
2000-2026