Menu Home

Бесплатная техническая библиотека для любителей и профессионалов Бесплатная техническая библиотека


Малогабаритная динамическая установка Омега. Энциклопедия радиоэлектроники и электротехники

Бесплатная техническая библиотека

Энциклопедия радиоэлектроники и электротехники / Освещение

Комментарии к статье Комментарии к статье

Устройства динамического отображения информации широко используются в уличной рекламе, а также на предприятиях, в учебных заведениях, торговых центрах и иных учреждениях, где есть необходимость в ознакомлении публики с быстротечными данными и динамическими информационными потоками. Любительские разработки подобного назначения неоднократно описывались в периодических изданиях. Их основные недостатки, кроме значительной стоимости, - зависимость от данных, запрограммированных в микросхемах ПЗУ, отсутствие возможности оперативного изменения отображаемой информации, а в некоторых случаях и необходимость применения редких комплектующих изделий. Предлагаемое устройство представляет собой приставку к компьютеру, выполнено на доступной элементной базе и обладает достаточно широкими эксплуатационными возможностями.

Малогабаритная динамическая установка (МДУ) "Омега" вместе с пакетом программных средств позволяет организовать вывод отображаемой информации как в символьном виде из набора типичных символов, предусмотренных знакогенератором, так и в графическом, который задается пользователем из произвольного набора пикселей. Работает МДУ под управлением IBM-совместимого персонального компьютера (ПК) с операционной системой MS DOS или Windows. Устройство имеет компактные размеры, просто в эксплуатации, легко инсталлируется и не требует специальных знаний для использования. В отличие от промышленных прототипов, в минимальной конфигурации (на базе ПК с процессором 80286) имеет низкую себестоимость.

Структурная схема устройства изображена на рис.1. Управляет его работой LPT порт ПК. При этом используется восьмиразрядная шина данных, что определяет число светодиодов в знакоместе по вертикали или число строк. Управление шиной данных осуществляется через порт с адресом 378h. Устанавливая по этому адресу сигнальный код, значение которого может находиться в пределах от 0 до 255, можно задать любую комбинацию высоких и низких уровней на шине данных LPT порта.

Малогабаритная динамическая установка Омега. Структурная схема установки
Рис.1. Структурная схема установки

Сигнальный код с LPT порта поступает на оптронный коммутатор строк, что обеспечивает любую комбинацию включенных и выключенных светодиодов по вертикали. Для коммутации вертикальных столбцов и создания динамической горизонтальной развертки используется сигнал STROBE, который формируется программно при обращении к порту по адресу 37Аh. Через стробирующий ключ сигнал поступает на счетчик-дешифратор синхронно с изменением сигналов на шине данных.

Счетчик-дешифратор управляет поочередной работой ключей коммутатора вертикальных столбцов светодиодов, создавая горизонтальную развертку. В зависимости от потребностей и необходимой информативности прибора счетчик-дешифратор может быть 8-, 16-, 32-, 64- или 128-разрядным, что обеспечивает пропорциональное изменение числа вертикальных столбцов и соответственно длину светоизлучающего экрана. В описываемом устройстве применено светодиодное табло, состоящее из 32x8 элементов (256 светодиодов).

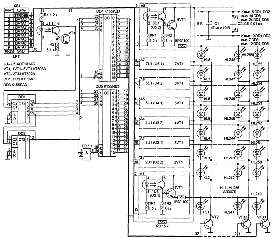
Принципиальная схема устройства приведена на рис. 2. Для обеспечения гальванической развязки и защиты ПК от экстратоков, которые могут наводиться в соединительных проводах при большом удалении МДУ от системного блока и эксплуатации в неблагоприятных электромагнитных условиях, управление работой прибора осуществляется через оптронные ключи U1.1 и 1U1- 8111 (U2.1-U5.2). С шины данных сформированный программным обеспечением на выходе LPT порта сигнал через разъем XS1 поступает на вход коммутатора строк, выполненного на оптронах 1U1 - 8U1 и транзисторах 1VT1-8VT1. В результате открываются соответствующие транзисторы и включенные в их эмиттерные цепи группы светодиодов, образующие вертикальные столбцы, через токоограничительные резисторы 1R3-8R3 подключаются к цепи питания устройства.

Малогабаритная динамическая установка Омега. Принципиальная схема установки
Рис.2. Принципиальная схема установки (нажмите для увеличения)

Изменение состояния шины данных сопровождается появлением тактового импульса на линии Strobe LPT порта. При прохождении этого импульса через оптрон U 1.1 срабатывает ключ на транзисторе VT1, что вызывает изменение состояния счетчика DD1. Вместе со счетчиком DD2 и инвертором DD3.1 он обеспечивает соответствующую работу дешифраторов DD4 и DD5 и поочередную активизацию их выходов, соединенных с коммутатором вертикальных столбцов, выполненным на транзисторах VT2-VT33. В результате создается горизонтальная развертка: при совпадении времени открывания ключей коммутатора строк и ключа коммутации того или иного вертикального столбца катоды соответствующих светодиодов подключаются к источнику питания устройства и зажигаются. С появлением следующего тактового импульса на линии Strobe и изменением сигналов на шине данных светятся светодиоды следующего столбца и т. д.

Устройство обеспечивает вывод текстовой информации произвольной длины из текстового файла, а также созданных пользователем графических изображений из файла данных.

Проанализировать работу программного обеспечения устройства можно, рассмотрев приведенные ниже фрагменты программ, написанных на языке TurboBASIC. Программы рассчитаны на подключение МДУ к порту LPT1 с адресом 378h, при этом управление горизонтальной разверткой происходит по линии Strobe при обращении к порту 37Аh.

' Поочередное включение элемен-

' тов одного вертикального столбца
out &h378,1: delay .3
out &h378,2: delay .3
out &h378,4: delay .3
out &h378,8: delay .3
out &h378,16: delay .3
out &h378,32: delay .3
out &h378,64: delay .3
out &h378,128: delay .3
out &h378,0: delay .3
end
' Поочередное включение элемен-
' тов одного вертикального столбца
for i=1 to 10
for j=0 to 7
out &h378,2^j
delay .05
next j
next i
end
' Заполнение светящимися
' элементами одного столбца
for i=0 to 255
out &h378,i
delay .028
next
end
' Эффект "Бегущий столбец"
fore=0 to 31
out &h378,255
out &h37A,0: for q=0 to 3100: next q
out &h37A,1: for w=0 to 3100: next w
next e
end
' Эффект "Бегущая диагональ"
for i=1 to 10
for j=0 to 7
out &h37A,0: out &h378,2Aj
for k=0 to 80: next k
out &h37A,1: for 1=0 to 80: next 1
next j
next i
end
' Свечение всех элементов
fore=0 to 3100
out &h378,255: for r=0 to 10: next r
out &h37A,0: for q=0 to 1: next q
out &h37A, 1: for w=0 to 10: next w
next e
out &h378,0
end

Устройство смонтировано на печатной плате размерами 250x110 мм из двусторонне фольгированного стеклотекстолита (рис. 3). При монтаже следует учесть, что выводы некоторых деталей должны выполнять функции перемычек, соединяющих печатные проводники на разных сторонах платы, поэтому их необходимо припаять к печатным проводникам обеих сторон. Блокирующие конденсаторы С2-С6 припаивают непосредственно к выводам питания микросхем DD1, DD2 и DD4, DD5. После завершения монтажа светодиоды закрывают пластиной из прозрачного органического стекла красного цвета.

Малогабаритная динамическая установка Омега. Внешний вид устройства
Рис.3. Внешний вид устройства

Для работы устройства в минимальной конфигурации достаточно иметь системный блок ПК на базе процессора 80286 с клавиатурой и дисководом (наличие монитора не обязательно). Питают МДУ от автономного источника с выходным напряжением 5 В при токе до 0,5 А. Повысить яркость свечения светодиодов можно уменьшением сопротивления резисторов 1R3-8R3, однако выбирать его менее 20 Ом не рекомендуется, так как среднее значение тока через светодиод может превысить максимально допустимое.

Предложенный схемотехнический подход позволяет при необходимости создать устройство с числом вертикальных столбцов от 8 до 128, при этом число светоизлучающих элементов может варьироваться от 64 до 1024. Следует, однако, учесть, что при числе столбцов более 64 яркость свечения уменьшается. Для увеличения яркости и размеров элементов индикации допустимо параллельное включение четырех светодиодов в одной светоизлучающей ячейке (каждый - через свой токоограничительный резистор). При этом желательно использовать светодиоды со светоизлучающей поверхностью прямоугольной формы.

Автор: О.Желюк, г. Ровно; Публикация: radioradar.net

Смотрите другие статьи раздела Освещение.

Читайте и пишите полезные комментарии к этой статье.

<< Назад

Последние новости науки и техники, новинки электроники:

Стерильного нейтрино не существует 15.01.2026

В физике элементарных частиц поиск новых, пока не обнаруженных объектов играет ключевую роль в понимании устройства Вселенной. Иногда такие поиски приводят к громким открытиям, а иногда - к не менее важным отрицательным результатам, которые позволяют отбросить неверные направления. Именно к таким случаям относится недавний вывод ученых о судьбе стерильного нейтрино - одной из самых интригующих гипотетических частиц последних десятилетий. Исследователи из американской лаборатории Fermilab официально сообщили, что им не удалось найти доказательства существования стерильного нейтрино. К такому выводу пришла команда эксперимента MicroBooNE после многолетнего анализа столкновений нейтрино, которые ранее рассматривались как возможный намек на существование четвертого типа этих частиц. Предполагалось, что стерильное нейтрино взаимодействует с материей исключительно через гравитацию, что делало его крайне трудным объектом для обнаружения. В рамках современной физики нейтрино известны в т ...>>

Беспроводные наушники и колонки Fender 15.01.2026

Музыкальная индустрия постепенно адаптируется к цифровым технологиям, и известный производитель музыкальных инструментов Fender расширяет свое присутствие за пределы гитар и усилителей, представляя современные решения для прослушивания музыки. Новые беспроводные наушники и Bluetooth-колонки Fender объединяют богатый звук, модульность и удобство использования как для дома, так и для профессиональной работы. Флагманской новинкой стали наушники Fender Mix, отличающиеся модульной конструкцией. Динамики подключаются к оголовью через порт USB Type-C и могут быть сняты вместе с амбушюрами, что облегчает уход и транспортировку. Один из динамиков оснащен встроенным адаптером USB Type-C для подключения к источнику звука без потерь, поддерживая кодеки LDHC и Fire, а также функцию Auracast. На другом динамике размещен съемный аккумулятор, который обеспечивает до 100 часов работы без активного шумоподавления; при включении ANC время работы сокращается до 52 часов. Наушники доступны по цене $299 ...>>

Польза белкового завтрака 14.01.2026

Правильное питание по утрам играет ключевую роль в поддержании здоровья и контроле веса. Многочисленные исследования подтверждают, что состав завтрака может влиять на аппетит в течение всего дня и качество употребляемой пищи. Австралийские ученые провели масштабный эксперимент, который показал, что употребление белковой пищи с утра помогает дольше чувствовать сытость и предотвращает переедание. В исследовании участвовали более 9 тысяч человек среднего возраста 46 лет. В период с 2011 по 2012 год специалисты анализировали рационы респондентов, оценивая долю основных макронутриентов. В среднем участники потребляли 43% углеводов, 31% жиров, 18% белков, 2% клетчатки и 4% алкоголя. Такой рацион позволил ученым проследить взаимосвязь между утренним приемом пищи и пищевым поведением в течение дня. Выяснилось, что участники, чей завтрак содержал недостаточное количество белка, ощущали повышенный аппетит в течение дня. Они ели больше, чем необходимо, и часто выбирали продукты с высоким со ...>>

Случайная новость из Архива

Компьтерная оценка состояния культурных растений 15.07.2025

Современное сельское хозяйство переживает технологическую революцию, и одной из ключевых задач становится точная диагностика состояния растений. Устойчивость к климатическим изменениям, экономное использование ресурсов и повышение урожайности требуют новых подходов. Исследователи из Еврейского университета в Иерусалиме предложили инновационное решение, объединив возможности дронов и искусственного интеллекта.

Традиционные методы дистанционного анализа в агросекторе сталкиваются с ограничениями: они не всегда способны точно определить комбинированный стресс у растений, возникающий, например, при одновременном дефиците влаги и азота. Чтобы преодолеть это, израильские ученые оснастили дроны сложной системой сенсоров - гиперспектральными, тепловыми и RGB-камерами. Эти камеры не просто фиксируют изображение, но и собирают обширные данные о состоянии листвы, позволяя "увидеть" скрытые признаки стресса, незаметные невооруженному глазу.

Для обработки полученных изображений и сигналов была задействована модель машинного обучения, которая интегрирует данные со всех трех типов камер. Эксперимент проходил на плантациях кунжута в районе Реховота, где растения культивировались в разных режимах полива и удобрения. Кунжут был выбран не случайно - эта масличная культура востребована по всему миру и отличается высокой устойчивостью к засухе.

Новая технология позволила с точностью от 65 до 90 процентов определять содержание азота и влаги в листьях, а также фиксировать первые признаки нарушения физиологического состояния растений. На основе этих данных система строит карты распределения питательных веществ и уровня водоснабжения, что дает агрономам точную картину происходящего на поле.

Особое значение эта методика приобретает в условиях глобальных климатических сдвигов. Возможность оперативно выявлять и устранять проблемы до того, как они повлияют на урожай, позволяет не только сохранить продуктивность, но и снизить расход воды и удобрений. Это, в свою очередь, делает сельское хозяйство более экологически устойчивым и экономически эффективным.

Разработанная платформа может быть адаптирована и для других сельскохозяйственных культур, не ограничиваясь кунжутом. Ученые считают, что она станет важным инструментом в агротехнике будущего, особенно в регионах с нестабильным климатом или ограниченными водными ресурсами.

Другие интересные новости:

▪ Правильно подобранная диета повышает успеваемость детей

▪ Электронный планшет вместо учебников и тетрадей

▪ Сапфировая бритва

▪ Создан класс материалов с изменяемыми механическими свойствами

▪ Преграда для гриппа

Лента новостей науки и техники, новинок электроники

 

Интересные материалы Бесплатной технической библиотеки:

▪ раздел сайта Личный транспорт: наземный, водный, воздушный. Подборка статей

▪ статья В деревню, в глушь, в Саратов! Крылатое выражение

▪ статья Что не стоит пить при обезвоживании организма? Подробный ответ

▪ статья Наладчик станков и станочных приспособлений. Типовая инструкция по охране труда

▪ статья Индикатор скрытой проводки на микросхемах. Энциклопедия радиоэлектроники и электротехники

▪ статья Вариант переделки передающей приставки (UA1FA). Энциклопедия радиоэлектроники и электротехники

Оставьте свой комментарий к этой статье:

Имя:


E-mail (не обязательно):


Комментарий:





Главная страница | Библиотека | Статьи | Карта сайта | Отзывы о сайте

www.diagram.com.ua

www.diagram.com.ua
2000-2026