Бесплатная техническая библиотека
Особенности применения люминесцентных ламп. Энциклопедия радиоэлектроники и электротехники

Энциклопедия радиоэлектроники и электротехники / Освещение
Комментарии к статье
Люминесцентные лампы (далее л.л.) имеют разные спектры свечения и более высокий к.п.д., примерно в 2,5 раза больше, чем у ламп накаливания. Недостаток л.л. - больший коэффициент пульсации светового потока, примерно в 5 раз больше чем у ламп накаливания. Этот фактор ограничивает применение л.л. [5] только для общего освещения.
Если имеются проблемы с зажиганием л.л. или перегорели нити накала, то целесообразно последовательно со стартером включить цепь из последовательно соединенных конденсатора, емкостью 2мкф×400В (с разрядным резистором 1МОм 0,5Вт), и резистора 100Ом 2Вт, ограничивающего ток через стартер, а перегоревшие нити накала закоротить. Это предложил [1] А. Широченков.
Можно использовать электронное зажигание л.л., заменив им стартер. Впервые это предложил [2] инж. Харизоменов. Его схема состояла из двух классических удвоителей напряжения соединенных параллельно по входу и последовательно по выходу, при этом л.л. включена в цепь постоянного тока учетверителя напряжения. Если включить последовательно с л.л. [3] один или два дросселя, то можно уменьшить коэффициент пульсации светового потока до 10...5%, что соизмеримо с пульсацией светового потока ламп накаливания.
При питании л.л. постоянным током будет наблюдаться, через некоторое время, неравномерность свечения газа в лампе (электрофорез газового столба). Эту проблему решают изменением полярности включения лампы тумблером, что допустимо в домашних условиях.
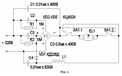
Наиболее оптимальная схема [4] предложена Сучинским А.Г. (рис.1).
Она представляет собой импульсный учетверитель напряжения. Конденсатор С1 заряжается до 300В, а С4 до 600В. Напряжение сети складывается с напряжением на конденсаторах С1 и С4 и прикладывается к лампе ЕL1 (до 1200В в импульсе). После зажигания лампы, через развязывающие диоды VD2 и VD4, подключается нагрузка (балласт): конденсатор С2 или дроссель от л.л. соответствующей мощности.
Номинал конденсатора С2 (мкФ)=0,1Рл.л. (Вт) (где Рл.л. - мощность л.л.). Конденсаторы любого типа (не забывать про допустимую реактивную мощность конденсаторов). Последовательно с лампой включен сглаживающий дроссель L1 от л.л. соответствующей мощности (лучше последовательно два дросселя), для уменьшения коэффициента пульсации светового потока л.л. до 10...5%. Тумблером SA1 изменяют полярность включения л.л. при появлении неравномерности свечения газового столба.
Схема в налаживании не нуждается. При проблеме зажигания л.л. необходимо проверить, что конденсатор С4 заряжается до 600В, а С1 и С3 до 300В при отсутствии лампы (использовать тестер с входным сопротивлением не менее 20 кОм/В).
Литература
- Широченков. Пользуйтесь бесплатно. //Техника - молодежи №2, 1996 г, с. 23.
- Инж. Харизоменов. Люминесцентной лампе - вторую жизнь. // Техника - молодежи №11, 1973 г, с. 28.
- А. Халатян. Питание ламп дневного света. //ВРЛ, выпуск 67, 1977 г, с. 33...38.
- А.Г. Сучинский. Продление жизни люминесцентной лампы. // ВРЛ, 1992 г, выпуск 116, с. 26...30.
- Г.Н. Гохлин. Газоразрядные источники света. М.-Л. -: Энергия, 1966 г, 550 с.
- В.Г. Бастанов. Люминесцентная лампа с перегоревшими нитями становится вечной. // 300 практических советов. Московский рабочий, 1989г, с. 181 - 182.
Автор: Сучинский Александр villy_59@mail.ru; Публикация: radioradar.net
Смотрите другие статьи раздела Освещение.
Читайте и пишите полезные комментарии к этой статье.
<< Назад
Последние новости науки и техники, новинки электроники:
Оптимальная продолжительность сна
12.11.2025
Сон играет ключевую роль в поддержании здоровья, когнитивных функций и общего самочувствия. Несмотря на широко распространенный стереотип о восьмичасовом сне, последние исследования показывают, что оптимальная продолжительность сна для большинства здоровых взрослых ближе к семи часам.
Эволюционный биолог из Гарварда, Дэниел Э. Либерман, утверждает, что традиционная норма восьми часов сна - это скорее культурное наследие индустриальной эпохи, чем биологическая необходимость. По его словам, полевые исследования, проведенные в сообществах, не использующих электричество, показывают, что средняя продолжительность сна составляет 6-7 часов, что значительно отличается от общепринятого стандарта.
Современные эпидемиологические данные подтверждают этот взгляд. Исследования выявили так называемую "U-образную кривую" зависимости между продолжительностью сна и рисками для здоровья. Минимальные показатели заболеваемости и смертности наблюдаются именно у людей, спящих около семи часов в сутки. ...>>
Дефицит кислорода усиливает выброс закиси азота
12.11.2025
Парниковые газы играют ключевую роль в изменении климата, а закись азота (N2O) - один из наиболее опасных среди них. Этот газ не только втрое сильнее углекислого газа в удержании тепла, но и разрушает озоновый слой. Недавнее исследование американских ученых показало, что микробы в зонах с низким содержанием кислорода активно производят N2O, усиливая глобальные климатические риски.
Команда из Университета Пенсильвании изучала прибрежные воды у Сан-Диего и провела наблюдения на глубинах от 40 до 120 метров в Восточной тропической северной части Тихого океана - одной из крупнейших зон дефицита кислорода. Исследователи сосредоточились на том, как морские микроорганизмы превращают нитраты в закись азота.
В ходе работы выяснилось, что существует два пути образования N2O. Один путь начинается с нитрата, другой - с нитрита. На первый взгляд более короткий путь должен быть эффективнее, однако микробы, использующие нитрат, продуцируют больше газа, поскольку этот "сырьевой" источник более д ...>>
Омега-3 помогают молодым кораллам выживать
11.11.2025
Сохранение коралловых рифов становится все более актуальной задачей в условиях глобального изменения климата. Молодые кораллы особенно уязвимы на ранних стадиях развития, когда стрессовые условия и нехватка питательных веществ могут привести к высокой смертности. Недавнее исследование ученых из Технологического университета Сиднея показывает, что специальные пищевые добавки способны существенно повысить выживаемость личинок кораллов.
В ходе работы исследователи разработали особый состав "детского питания" для коралловых личинок. В него вошли масла, богатые омега-3 жирными кислотами, а также важные стерины, необходимые для формирования клеточных мембран. Личинки, получавшие эти добавки, развивались быстрее, становились крепче и демонстрировали более высокую устойчивость к стрессовым факторам.
Особое внимание ученые уделили липидам. Анализ показал, что личинки активно усваивают эти вещества, что напрямую влияет на их жизнеспособность. Стерины, содержащиеся в корме, повышают устойчи ...>>
Случайная новость из Архива PCIe 5.0-накопитель Phison PS5026-E26
25.05.2022
Компания Phison показала прототип твердотельного NVMe-накопителя на базе анонсированного в начале года контроллера PS5026-E26 с интерфейсом PCIe 5.0 x4. Данный чип будет использоваться в высокопроизводительных моделях игровых SSD формата M.2, а также в решениях корпоративного уровня.
Благодаря возможности интерфейса PCIe 5.0 x4 обеспечить полосу пропускания до 15,8 Гбайт/с в обоих направлениях накопители с его использованием будут значительно быстрее актуальных решений с интерфейсом PCIe 4.0. Кроме того, SSD нового поколения на базе перспективных контроллеров с поддержкой PCIe 5.0 смогут предложить большие емкости и повышенную надежность по сравнению с актуальными решениями.
Компания Phison показала NVMe-накопитель на контроллере PS5026-E26, укомплектованный 1 Тбайт памяти 3D TLC NAND производства Micron. Максимальная скорость последовательного чтения SSD составила 12 457 Мбайт/с, а записи - на уровне 10 023 Мбайт/с (данные CrystalDiskMark). Что касается производительности операций произвольного чтения и записи блоков 4K, то они достигают значений 1,31 и 1,16 млн IOPS соответственно. Эти показатели значительно выше, чем у большинства потребительских моделей SSD с интерфейсом PCIe 4.0 x4.
Первое поколение контроллера Phison PS5026-E26 содержит ядра Arm Cortex-R5, а также задействует специализированные ядра CoXProcessor 2.0. Контроллер может работать с любым типом флэш-памяти 3D NAND, которая соответствует спецификациям Toggle 5.0 и ONFi 5.0, и работает на частоте до 2400 МГц.
Поскольку Phison позиционирует данный контроллер как основу не только для потребительских моделей SSD, но и для решений корпоративного уровня, чип также предлагает поддержку таких функций, как PCIe Dual Port для накопителей формата U.3, функции виртуализации ввода-вывода с единым корнем (SR-IOV), а также возможность зональной записи однотипных данных - Zone Namespaces (ZNS).
|
Другие интересные новости:
▪ Инновационный твердотельный аккумулятор от NASA
▪ Трипольцы почти не ели мяса
▪ Зарядная станция Anker Solix C300 DC
▪ Прогулка робота с мангустом по минному полю
▪ Двухместный электросамолет Axe
Лента новостей науки и техники, новинок электроники
Интересные материалы Бесплатной технической библиотеки:
▪ раздел сайта Электричество для начинающих. Подборка статей
▪ статья Нет правил без исключений. Крылатое выражение
▪ статья Сколько бы ел человек с аппетитом землеройки? Подробный ответ
▪ статья Раны. Медицинская помощь
▪ статья Фазометр на ОУ. Энциклопедия радиоэлектроники и электротехники
▪ статья Устройство удержания телефонной линии. Энциклопедия радиоэлектроники и электротехники
Оставьте свой комментарий к этой статье:
Главная страница | Библиотека | Статьи | Карта сайта | Отзывы о сайте

www.diagram.com.ua
2000-2025