Бесплатная техническая библиотека
Беглый светодиодный огонь (вариант 1). Энциклопедия радиоэлектроники и электротехники

Энциклопедия радиоэлектроники и электротехники / Цветомузыкальные установки
Комментарии к статье
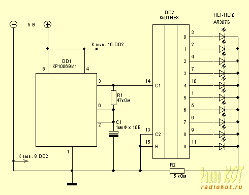
Речь пойдет о нескольких несложных схемах, которые позволяют реализовать всемирно известный эффект бегущего огонька. Итак, схема первая. Внимание на схему.

В этой схеме огонек будет бежать по 10 светодиодам. Используется две микросхемы.
Первая - КР1006ВИ1 играет роль задающего генератора и генерит импульсы с частотой, которая зависит от величины резистора R1 и конденсатора C1. Частоту можно посчитать по формуле

и при указанных на схеме номиналах равна 15 Герцам.
С выхода 3 DD1 импульсы поступают на вход десятичного счетчика DD2, в роли которого выступает К561ИЕ8. С каждым импульсом, счетчик увеличивает свое состояние на 1 и переключает соответствующие выходы. Ну а светодиодам ничего не остается делать, как только включаться и выключаться в зависимости от состояния того или иного выхода.
Если вам кажется, что 10 светодиодов - это очень много, схему можно укоротить, оторвав вывод 15 DD2 от общего провода и прикрутив его к одному из выходов счетчика. Например, если нужно оставить только 5 светодиодов, то 15 вывод DD2 соединяется с 1-ой ногой DD2. Таким образом, дойдя до 5 единиц в своем счете, на шестом шаге, микросхема подаст сигнал высокого уровня - "1" на вход сброса счетчика и его значение обнулится.
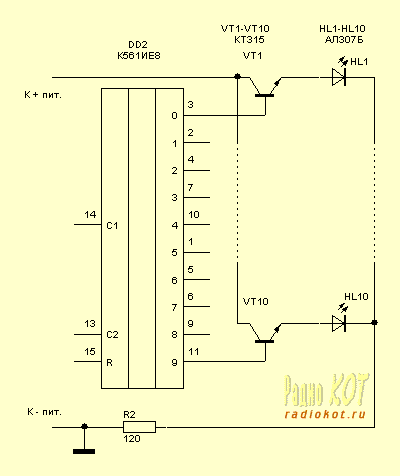
Небольшая неприятность этой простой схемы заключается в том, что нагрузочная способность ИЕ8 весьма невелика и составляет 5-6 мА, поэтому, резистор R2 такой большой величины и яркость светодиодов может оказаться недостаточной. Чтобы обойти эту засаду можно использовать буферные транзисторы между выходами счетчика и светодиодами.
И выглядит это вот таким образом:

Тем самым, применяя транзисторы, которые указаны на схеме, мы можем получить ток 20-30 мА без всяких напрягов и включить даже сверхъяркие светодиоды (5-7 Кд).
Ну а если уж хочется чего то совсем яркого, можно включать вместо светодиодов оптопары, а к ним подключить тиристоры. И тогда беглый огонь можно запустить хоть по 500 ваттным прожекторам.
Ну, пока хватит. В следующей части мы поговорим о каскадном включении микросхемы 561ИЕ8 и запустим огонь по 16 и даже по 18 светодиодам.
И кстати, у микросхем применяемых в этой схеме есть буржуйские аналоги - у КР1006ВИ1 - это известная всей цивилизации микросхема 555, а у К561ИЕ8 - это CD4017, тоже довольно популярная. И что уж совсем хорошо - обе стоят сущие копейки. Правда.
Публикация: radiokot.ru, cxem.net
Смотрите другие статьи раздела Цветомузыкальные установки.
Читайте и пишите полезные комментарии к этой статье.
<< Назад
Последние новости науки и техники, новинки электроники:
Власть является ключевым фактором счастья в отношениях
11.03.2026
Исследования семейных и романтических отношений показывают, что длительное счастье пары зависит не только от привычных факторов, таких как доверие, уважение и преданность, но и от более тонких психологических аспектов. Современные ученые ищут закономерности, которые отличают действительно счастливые пары от остальных, чтобы понять, какие механизмы поддерживают гармонию в отношениях.
Группа исследователей из Университета Мартина Лютера в Галле-Виттенберге и Бамбергского университета провела опрос среди 181 пары, которые состояли в совместных отношениях более восьми лет и прожили вместе хотя бы месяц. Участники заполняли анкету, описывая различные аспекты своих отношений, включая распределение обязанностей, эмоциональную поддержку и степень вовлеченности в совместные решения.
Анализ данных показал интересный паттерн: пары, где оба партнера ощущали высокий уровень личной власти, оказывались наиболее счастливыми и удовлетворенными. В данном контексте под властью понимается способност ...>>
Защищенная колонка-повербанк Anker Soundcore Boom Go 3i
11.03.2026
Компания Anker представила новую модель линейки Soundcore - колонку Soundcore Boom Go 3i, ориентированную на активное использование на улице.
Новинка отличается высокой степенью защиты: корпус соответствует стандарту IP68, что обеспечивает водо- и пыленепроницаемость, а ударопрочный дизайн выдерживает падение с высоты до одного метра. За качество звука отвечает 15-ваттный драйвер, обеспечивающий пик громкости до 92 дБ, а технология BassUp 2.0 усиливает низкие частоты, делая звучание более насыщенным.
Колонка обладает автономностью до 24 часов, а LED-индикатор позволяет контролировать уровень заряда батареи. Кроме того, Soundcore Boom Go 3i может выполнять функцию павербанка: согласно внутренним тестам, устройство способно зарядить iPhone 17 с нуля до 40% за один час, что делает его полезным аксессуаром в походах и поездках.
Среди функциональных особенностей модели стоит выделить технологию Auracast, которая улучшает подключение и позволяет создавать стереопару из двух колонок ...>>
Раннее воздержание от алкоголя перестраивает мозг и иммунитет
10.03.2026
Алкогольная зависимость - хроническое расстройство с компульсивным употреблением спиртного, которое влияет не только на поведение, но и на функционирование мозга и иммунной системы. Недавние исследования показали, что даже на ранних этапах воздержания организм начинает перестраиваться, открывая новые возможности для терапии зависимости.
Ученые сосредоточились на пациентах, находящихся в первые недели абстиненции, и зафиксировали значительные изменения в мозговой активности. С помощью функциональной магнитно-резонансной томографии они выявили перестройку сетей нейронных связей, отвечающих за контроль импульсов и принятие решений. Эти изменения могут быть ключевыми для восстановления самоконтроля и снижения риска рецидива.
Одновременно с нейронной перестройкой исследователи наблюдали колебания иммунной системы. В крови повышался уровень цитокинов - сигнальных белков, регулирующих воспалительные процессы. Эти данные свидетельствуют о существовании нейроиммунного взаимодействия, при ...>>
Случайная новость из Архива Новый способ улучшить вкус вина
29.02.2024
Исследование, проведенное в Университете Ровира и Вирджилия, проливает свет на новый способ улучшения качества вина за счет использования специальных дрожжей. Рынок виноделия все больше проявляет интерес к углекислотной мацерации, процессу, придающему молодым красным винам доминирующие цветочные и свежие фруктовые ноты, что особенно хорошо ощущается в течение первого года. Наиболее известным примером таких вин является французское Божоле Нуво, хотя подобные техники используются и в регионах Ла-Риоха и Каталонии, в частности, в Монтсане и Конке-де-Барбере.
Специалисты Университета Ровира и Вирджилия показали, что использование специальных дрожжей способно значительно улучшить органолептические свойства вин, ускорив процесс яблочно-молочного брожения. Этот эффект также проявился в розовых и апельсиновых винах.
Угольная мацерация представляет собой трехэтапный процесс. В ходе первого этапа виноград помещается в баки, наполненные углекислым газом, создавая бескислородную среду, которая способствует спиртовому брожению внутри зерна. Затем происходит переработка мацерированных зерен, а завершающим этапом является яблочно-молочное брожение, индуцируемое молочнокислыми бактериями в вине.
Исследователи изучили влияние дрожжей Torulaspora delbrueckii на процесс углекислой мацерации, а также его влияние на органолептические характеристики вин. Результаты показали, что вина, прошедшие инокуляцию на первом этапе этими дрожжами, обладали более насыщенным цветом и богатым ароматом, что делает их весьма привлекательными для любителей винного искусства.
Таким образом ученые выяснили, что использование специализированных дрожжей способно значительно улучшить качество вин и расширить возможности виноделия. Это открывает новые перспективы для винодельцев и ценителей винной культуры, повышая уровень органолептических свойств и обогащая винный опыт.
|
Другие интересные новости:
▪ Велосипедный счетчик энергии
▪ Понимать лектора будет проще
▪ Рычание вождя
▪ Конструктор детей
▪ Стоунхендж для южного неба
Лента новостей науки и техники, новинок электроники
Интересные материалы Бесплатной технической библиотеки:
▪ раздел сайта Справочник электрика. Подборка статей
▪ статья Поленница у камина. Советы домашнему мастеру
▪ статья За что получил свое название астероид Атон? Подробный ответ
▪ статья Гидравлический класс. Домашняя мастерская
▪ статья Применение петлевых вибраторов в транковой радиосвязи. Энциклопедия радиоэлектроники и электротехники
▪ статья Устройство ориентировки антенн. Энциклопедия радиоэлектроники и электротехники
Оставьте свой комментарий к этой статье:
Главная страница | Библиотека | Статьи | Карта сайта | Отзывы о сайте

www.diagram.com.ua
2000-2026