Menu Home

Бесплатная техническая библиотека для любителей и профессионалов Бесплатная техническая библиотека


Низковольтное питание светодиодов. Энциклопедия радиоэлектроники и электротехники

Бесплатная техническая библиотека

Энциклопедия радиоэлектроники и электротехники / Освещение

Комментарии к статье Комментарии к статье

Светодиодные источники оптического излучения видимого диапазона, в силу конструктивных особенностей не могут светиться при напряжении ниже 1,6... 1,8 В. Это обстоятельство резко ограничивает возможность применения светодиодов в устройствах, с низковольтным (от одного гальванического элемента) питанием.

Предлагаемые светодиодные излучатели с низковольтным (0,1... 1,6 В) питанием можно использовать для индикации напряжений, передачи данных по оптическим каналам связи и т.д. Для их питания можно использовать и электрохимические элементы сверхмалого напряжения, в которых электролитом служат увлажненная почва или биологически активные среды.

Многообразие схем низковольтного питания светодиодов можно свести к двум основным разновидностям преобразования напряжения низкого уровня в напряжение высокого. Это схемы с емкостными и индуктивными накопителями энергии.

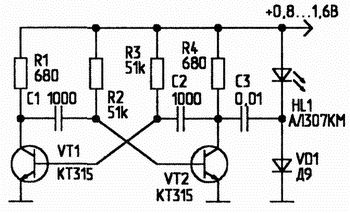
На рис.1 показана схема питания светодиода с использованием принципа удвоения напряжения питания. Генератор низкочастотных импульсов, частота следования которых определяется цепочкой R1-C1, а продолжительность - R2-C1, выполнен на транзисторах p-n-р и n-p-n структуры. С выхода генератора короткие импульсы через резистор R4 подаются на базу транзистора VT3, в коллекторную цепь которого включен красный светодиод HL1 и германиевый диод VD1. Между выходом генератора импульсов и точкой соединения светодиода и германиевого диода подключен электролитический конденсатор С2 большой емкости.

Низковольтное питание светодиодов. Cхема питания светодиода по принципу удвоения напряжения
Рис.1. Схема питания светодиода по принципу удвоения напряжения

В период продолжительной паузы между импульсами (транзистор VT2 закрыт и не проводит ток) этот конденсатор заряжается через VD1 и R3 до напряжения источника питания. При генерации короткого импульса транзистор VT2 открывается. Отрицательно заряженная обкладка конденсатора С2 оказывается соединенной с положительной шиной питания. Диод VD1 запирается. Заряженный конденсатор С2 оказывается подключен последовательно с источником питания и нагружен на цепочку: светодиод - переход эмиттер-коллектор транзистора VT3. Поскольку тем же импульсом транзистор VT3 отпирается, его сопротивление эмиттер-коллектор уменьшается. Таким образом, практически удвоенное напряжение питания (исключая незначительные потери) оказывается кратковременно приложенным к светодиоду - следует его яркая вспышка. После этого процесс заряда-разряда конденсатора С2 периодически повторяется.

При использовании светодиодов типа АЛ307КМ с напряжением свечения 1,35... 1,4 В, рабочее напряжение генератора составляет 0,8...1,6 В. Границы диапазона определены так: нижняя указывает напряжение начала свечения светодиода, верхняя - напряжение, при котором потребляемый устройством ток равен 20 мА.

Поскольку генератор работает в импульсном режиме, генерируются яркие вспышки света, привлекающие внимание. В схеме необходимо использовать хотя и низковольтный, но довольно громоздкий электролитический конденсатор С2 большой емкости.

Источники низковольтного питания светодиодов на основе мультивибраторов изображены на рис.2, 3. Первый из них выполнен на основе асимметричного мультивибратора, вырабатывающего короткие импульсы с большой междуимпульсной паузой. Накопитель энергии - конденсатор C3 - периодически заряжается от источника питания и разряжается на светодиод, суммируя свое напряжение с напряжением питания.

Низковольтное питание светодиодов. Источник низковольтного питания светодиода на основе асимметричного мультивибратора
Рис.2. Источник низковольтного питания светодиода на основе асимметричного мультивибратора (импульсный характер свечения)

Генератор (рис.3) обеспечивает, в отличие от предыдущей схемы, непрерывный характер свечения светодиода. Устройство выполнено на основе симметричного мультивибратора и работает на повышенных частотах. В связи с этим емкости конденсаторов в этой схеме достаточно малы. Конечно, яркость свечения заметно понижена, но средний ток, потребляемый генератором при напряжении питания 1,5 В, не превышает 3 мА.

Низковольтное питание светодиодов. Источник низковольтного питания светодиода на основе асимметричного мультивибратора
Рис.3. Источник низковольтного питания светодиода на основе симметричного мультивибратора (непрерывный характер свечения)

Преобразователи напряжения конденсаторного типа (с удвоением напряжения) для питания светодиодных излучателей теоретически могут обеспечить снижение рабочего напряжения питания только до 60%. Использование в этих целях многокаскадных умножителей напряжения малоперспективно в связи с прогрессивно возрастающими потерями и падением КПД преобразователя.

Более перспективны в плане дальнейшего снижения напряжения питания преобразователи с индуктивными накопителями энергии. Заметно понизить нижнюю границу напряжения питания стало возможным за счет перехода на LC-варианты схем генераторов, использующих индуктивные накопители энергии.

В качестве индуктивного накопителя энергии в первой из схем (рис.4) использован телефонный капсюль. Одновременно со световым излучением генератор вырабатывает акустические сигналы. При увеличении емкости конденсатора до 200 мкФ генератор переходит в импульсный режим работы, вырабатывая прерывистые световые и звуковые сигналы. В качестве активного элемента используется несколько необычная структура - последовательное соединение транзисторов разного типа проводимости, охваченных положительной обратной связью.

Низковольтное питание светодиодов. Источник с индуктивным (телефонный капсюль) накопителем энергии
Рис.4. Источник с индуктивным (телефонный капсюль) накопителем энергии

Преобразователи напряжения для питания светодиода на рис.5 и 6 выполнены на аналогах инжекционно-полевых транзисторов. Первый из преобразователей (рис.5) использует комбинированную индуктивно-емкостную схему повышения выходного напряжения, сочетая принцип емкостного удвоения напряжения с получением повышенного напряжения на коммутируемой индуктивности.

Низковольтное питание светодиодов. Преобразователь напряжения для питания светодиода на аналоге инжекционно-полевого транзистора №1
Рис.5. Преобразователь напряжения для питания светодиода на аналоге инжекционно-полевого транзистора №1

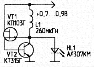
Наиболее прост генератор на аналоге инжекционно-полевого транзистора (рис.6), где светодиод одновременно исполняет роль конденсатора и является нагрузкой генератора. Устройство работает в узком диапазоне питающих напряжений, однако яркость свечения светодиода довольно высока, поскольку преобразователь является чисто индуктивным и имеет высокий КПД.

Низковольтное питание светодиодов. Преобразователь напряжения для питания светодиода на аналоге инжекционно-полевого транзистора №2
Рис.6. Преобразователь напряжения для питания светодиода на аналоге инжекционно-полевого транзистора №2

На рис.7 показан генератор трансформаторного типа для питания светодиодов низковольтным напряжением. Генератор содержит три элемента, одним из которых является светоизлучающий диод. Без светодиода устройство является простейшим блокинг-генератором, причем на выходе трансформатора может формироваться довольно высокое напряжение. Если в качестве нагрузки генератора использовать светодиод, он начинает ярко светиться. В схеме в качестве трансформатора использовано ферритовое кольцо Ф1000 К10x6x2,5. Обмотки трансформатора имеют по 15.. .20 витков провода ПЭВ диаметр 0,23 мм. В случае отсутствия генерации концы одной из обмоток трансформатора меняют местами.

Низковольтное питание светодиодов. Генератор трансформаторного типа для питания светодиодов низковольтным напряжением
Рис.7. Генератор трансформаторного типа для питания светодиодов низковольтным напряжением

При переходе на высокочастотные германиевые транзисторы типа 1Т311, 1Т313 и использовании унифицированных импульсных трансформаторов типа МИТ-9, ТОТ-45 и др., нижнюю границу рабочих напряжений можно опустить до 0,125 В.

Напряжение питания всех рассмотренных схем, во избежание повреждения светодиодов, не должно превышать 1,6... 1,7 В.

Автор: М.Шустов, г.Томск; Публикация: radioradar.net

Смотрите другие статьи раздела Освещение.

Читайте и пишите полезные комментарии к этой статье.

<< Назад

Последние новости науки и техники, новинки электроники:

Оптимальная продолжительность сна 12.11.2025

Сон играет ключевую роль в поддержании здоровья, когнитивных функций и общего самочувствия. Несмотря на широко распространенный стереотип о восьмичасовом сне, последние исследования показывают, что оптимальная продолжительность сна для большинства здоровых взрослых ближе к семи часам. Эволюционный биолог из Гарварда, Дэниел Э. Либерман, утверждает, что традиционная норма восьми часов сна - это скорее культурное наследие индустриальной эпохи, чем биологическая необходимость. По его словам, полевые исследования, проведенные в сообществах, не использующих электричество, показывают, что средняя продолжительность сна составляет 6-7 часов, что значительно отличается от общепринятого стандарта. Современные эпидемиологические данные подтверждают этот взгляд. Исследования выявили так называемую "U-образную кривую" зависимости между продолжительностью сна и рисками для здоровья. Минимальные показатели заболеваемости и смертности наблюдаются именно у людей, спящих около семи часов в сутки. ...>>

Дефицит кислорода усиливает выброс закиси азота 12.11.2025

Парниковые газы играют ключевую роль в изменении климата, а закись азота (N2O) - один из наиболее опасных среди них. Этот газ не только втрое сильнее углекислого газа в удержании тепла, но и разрушает озоновый слой. Недавнее исследование американских ученых показало, что микробы в зонах с низким содержанием кислорода активно производят N2O, усиливая глобальные климатические риски. Команда из Университета Пенсильвании изучала прибрежные воды у Сан-Диего и провела наблюдения на глубинах от 40 до 120 метров в Восточной тропической северной части Тихого океана - одной из крупнейших зон дефицита кислорода. Исследователи сосредоточились на том, как морские микроорганизмы превращают нитраты в закись азота. В ходе работы выяснилось, что существует два пути образования N2O. Один путь начинается с нитрата, другой - с нитрита. На первый взгляд более короткий путь должен быть эффективнее, однако микробы, использующие нитрат, продуцируют больше газа, поскольку этот "сырьевой" источник более д ...>>

Омега-3 помогают молодым кораллам выживать 11.11.2025

Сохранение коралловых рифов становится все более актуальной задачей в условиях глобального изменения климата. Молодые кораллы особенно уязвимы на ранних стадиях развития, когда стрессовые условия и нехватка питательных веществ могут привести к высокой смертности. Недавнее исследование ученых из Технологического университета Сиднея показывает, что специальные пищевые добавки способны существенно повысить выживаемость личинок кораллов. В ходе работы исследователи разработали особый состав "детского питания" для коралловых личинок. В него вошли масла, богатые омега-3 жирными кислотами, а также важные стерины, необходимые для формирования клеточных мембран. Личинки, получавшие эти добавки, развивались быстрее, становились крепче и демонстрировали более высокую устойчивость к стрессовым факторам. Особое внимание ученые уделили липидам. Анализ показал, что личинки активно усваивают эти вещества, что напрямую влияет на их жизнеспособность. Стерины, содержащиеся в корме, повышают устойчи ...>>

Случайная новость из Архива

Экономичный катализатор для водорода 04.05.2025

Водородное топливо уже давно рассматривается как одно из ключевых решений на пути к углеродно-нейтральной энергетике. Его применение может кардинально изменить энергетический баланс и снизить глобальные выбросы парниковых газов. Однако до сих пор существовали серьезные препятствия на пути массового внедрения водородных технологий. Главным среди них остается высокая стоимость эффективных катализаторов, необходимых для промышленного производства водорода методом электролиза. Новое исследование, проведенное учеными из Университета Тохоку, может стать поворотным моментом в этом направлении.

Исследовательская группа под руководством Хенга Лю сосредоточила свои усилия на улучшении эффективности катодов, использующих так называемые фосфиды переходных металлов. В качестве основы был взят фосфид кобальта (CoP), который модифицировали с помощью фтора. В результате на его поверхности появились вакансии фосфора - структурные дефекты, превращающиеся в активные центры, ускоряющие реакцию высвобождения водорода. Такой подход значительно повысил каталитическую активность материала, особенно в кислой среде, и позволил системе стабильно функционировать на протяжении более 300 часов.

Авторы исследования отметили, что созданный катализатор демонстрировал выдающиеся показатели в реальных условиях эксплуатации. Он поддерживал мощность на уровне 76 Вт и был протестирован не только в лаборатории, но и в условиях, приближенных к промышленным. Разработанный CoP F-20 показал себя надежным и стабильным компонентом в составе полноценных водородных электролизеров с протонообменной мембраной (PEM), которые уже сейчас рассматриваются как ведущая технология для масштабного получения водорода из воды.

Особое внимание было уделено изучению механизмов, лежащих в основе эффективности нового катализатора. Ученые применили спектроскопию рентгеновского поглощения и комбинационное рассеяние света, чтобы проанализировать процессы, происходящие в материале во время его работы. Эти методы позволили детально проследить, как структурные изменения и взаимодействия с фтором повышают каталитическую активность и устойчивость.

Важно, что новый катализатор разработан на базе дешевых и доступных материалов, в отличие от традиционных решений, где используются дорогостоящие благородные металлы. Благодаря этому себестоимость производства одного килограмма водорода с использованием новой технологии составляет всего $2,17, что почти достигает целевого показателя Министерства энергетики США - $2,00 за килограмм к 2026 году.

С точки зрения устойчивости и энергетической безопасности, подобный технологический прорыв имеет далеко идущие последствия. Возможность производить водородное топливо эффективно и дешево, используя устойчивые катализаторы из неблагородных материалов, открывает путь к масштабному внедрению водородной энергетики.

Как подчеркивает Хенг Лю, конечная цель команды - не просто разработать технологию, а сделать ее применимой в реальной жизни. Новый катализатор приближает человечество к тому моменту, когда водород действительно сможет стать экологически чистым и повседневным источником энергии, способным изменить наш подход к производству и потреблению топлива.

Другие интересные новости:

▪ Эффективная уборка нефтяных пятен

▪ Вихревой термосифонный охладитель - новый источник энергии

▪ Беспроводные наушники Bragi The Headphone

▪ Цветной А3 принтер Xerox VersaLink C7000

▪ Гренландия катастрофически теряет лед

Лента новостей науки и техники, новинок электроники

 

Интересные материалы Бесплатной технической библиотеки:

▪ раздел сайта Зрительные иллюзии. Подборка статей

▪ статья Конституционное право Российской Федерации. Шпаргалка

▪ статья Как добывают медь? Подробный ответ

▪ статья Родиола розовая. Легенды, выращивание, способы применения

▪ статья Жучок. Микромощный радиопередатчик. Энциклопедия радиоэлектроники и электротехники

▪ статья Опыты с газами. Химический опыт

Оставьте свой комментарий к этой статье:

Имя:


E-mail (не обязательно):


Комментарий:





Главная страница | Библиотека | Статьи | Карта сайта | Отзывы о сайте

www.diagram.com.ua

www.diagram.com.ua
2000-2025